历史上的今天
今天是:2026年03月14日(星期六)
2023年03月14日 | 基于LPC2220FBD144型ARM7芯片实现配电综合测控仪的应用方案
2023-03-14 来源:elecfans
为了能对大量负荷进行在线监控。很多公司较早地研制了基于单片机技术,能对配电变压器或配电线路负荷运行参数、电容器投切、电量采集等进行综合监控的配电综合测控仪。
但是,由于供电系统负荷的复杂性,特别是用户非线性负荷的大量使用,企业对谐波等电能质量问题越来越重视,因此,对配电综合测控仪的要求也随之提高,而且普遍要求增加谐波、频率监测和通信组网等功能。为了解决这些问题。本文以PHILIPS公司的ARM7芯片LPC2220FBD144为核心,研制出了新一代的配电综合测控仪。
1 硬件电路设计
1.1 硬件电路总体结构
本装置的硬件结构框图如图1所示,它主要由数据采集、运算处理、数据存储、键盘显示、通信接口等单元组成。其中运算处理单元是核心部分,用于实现数据信号处理、快速傅立叶变换(FFT)等功能。考虑配电综合测控仪要求的运算速度、精度、硬件资源等需要,本设计选择了PHILIPS公司的LPC2220FBD144型ARM7芯片。

该LPC2220FBD144芯片是LPC2200系列中性价比较好的一款ARM7芯片,采用LQFP封装,四条边上各有36个引脚。该芯片具有改进的冯诺依曼结构(指令和数据共用一条32位总线),采用三级流水线,可以同时进行几个操作,并能使外处理和存储器系统连续操作。该芯片内嵌高达256KB的高速闪烁存储器、64 KB静态RAM、32位的算术逻辑单元、32位累加器、64位的乘法器以及精简指令集,其指令最短周期可以达到17 ns。这些特点使它的操作非常灵活,处理能力强并且速度快。由于其应用程序可以固化在CPU内部,因而不但可以降低成本、减少体积,系统升级也比较方便,而且它的功耗低、资源配置灵活,非常适用于生产现场的数据采集和处理。
1.2 数据采集电路
本系统中的数据采集电路由PT与CT、信号整理和A/D转换三部分组成,实时电流和电压经过PT、CT以及信号整理电路后,可变成0~3.3 V的模拟信号,然后经模拟转换电路完成数字化处理。数据采集部分的硬件电路如图2所示(6路采集电路中的一路Ua)。
根据测量谐波等参数和数字抗频率混叠的要求,本装置对信号波形按每个周期128点进行采样,采样周期为156μs。ARM7内部的A/D是8路输入的10位逐次逼模一数转换器,由于它可以对电流和电压进行同步采样,而且精度比较高,所以本设计没有再使用其它外围A/D芯片。
1.3 存储器和时钟电路
存储器主要由三星公司的NAND FLASH存储器芯片组成.NAND FLASH是容量为16 MB的非易失闪烁存储器芯片,可用于存放采集来的数据和已备上传的历史数据。
时钟采用PHILIPS公司的PCF8563芯片。该芯片具有低功耗CMOS实时时钟/日历,而且外围接口简单,精度和可靠性高,工作稳定。芯片最大总线速度为400 kbits/s,每次读写数据后,其内嵌的字地址寄存器会自动产生增量。PCF8563有16个8位寄存器,并有可自动增量的地址寄存器、内置32.768 kHz的振荡器(带有一个内部集成电容)、分频器(用于给实时时钟RTC提供源时钟)、可编程时钟输出、定时器、报警器、掉电检测器和400 kHz的I2C总线接口等;同时具有计秒、分、时、星期、日、月、年以及闰年补偿功能,可用二进制数码和BCD码表示时间、日历和定闹。安上锂电池以后,断电情况下可以十年不丢失数据,功能上完全可以满足本装置的需要。
1.4 通讯电路
本产品采用了两路通讯电路,一路为RS-485总线接口,另一路为RS-232总线接口。RS-485总线接口的总线收发器使用SP3485。SP3485是一个3.3 V的低功耗半双工收发器,它完全满足RS-485串行协议的要求,符合RS-485的电气规范,数据传输速率可达10 Mbps(带负载)。由于RS-485总线所占用的IO口线与UART0的口线是复用的,所以,在进行RS485总线通信时,必须停止UART0接口的通信。RS485通信的方向由P2.16控制,当P2.16为低时,核心板接收总线数据;当P2.16为高时,核心板向总线发送数据,其电路图如图3所示。


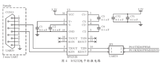
RS-232总线接口的总线收发器使用SP3232E。SP3232E系列芯片是一个2驱动器/2接收器的低功耗器件,SP3232E有一个高效电荷泵,工作电压为3.3 V时,只需0.1μF电容就可以进行操作。电荷泵允许SP3232E系列器件在3.3~5.0 V内的某个电压下发送符合RS-232的信号。由于本产品是3.3 V系统,因此使用SP3232E进行RS232电平转换,其电路图如图4所示。

1.5其它电路
为实现测控仪的功能和采集变压器油温等直流量,测控仪硬件电路还应包括键盘接口电路、看门狗电路、直流采样电路等。其中,键盘接口电路可直接用键盘扫描输入电路来实现输入数据功能,并通过128×64点阵液晶显示来显示各数据和图形;看门狗电路由MAX705构成,如果在1秒钟内没有收到低电平信号,它将发出一个复位信号给ARM7,以使系统复位;直流采样电路主要实现变压器温度等直流量的采集和测量,测控仪采用250 Ω的采样电阻来将4~20 mA电流信号变为1~5 V电压信号来检测油温等。
2 采样数据的处理
现场实测信号所包含的大量噪声干扰和高次谐波会引起谐波测量、频率测量等方面的误差,对于FFT算法如果采样值不能均匀分布在信号周期内,也将造成频谱泄露,从而带来很大的测量误差,所以对采样数据必须进行处理。
2.1 噪声的处理
电力系统中的各种噪声一般可以认为是随机性白噪声。这些年,相继有学者提出过许多消除噪声的方法,如小波变换法等。小波变换在时频域同时存在时具有良好的局部化特性,可根据信号不同频率成分自动调节取样密度,从而实现对信号消噪处理。但是小波变换在频谱分析方面没有明显优越性。考虑到测控仪的改进重点是增加谐波功能以及ARM7硬件对FFT的方便性,本设计依然采用FFT为基本算法来寻求基于FFT算法的消噪方法。
采用FFT算法消噪可以在窗函数上做文章,可以参考使用余弦窗来提高精度的思路,以及正弦信号自相关函数为同频率的余弦函数,而白噪声函数的自相关函数几乎为零的特性来消除白噪声。采用加余弦窗函数方法进行修正可以减少信号中的白噪声影响,提高测控仪的谐波测量精度。其周期信号X(n)=sinωn的自相关的函数为:
式中,N为采样点数。
2.2 频谱混叠的防止
谐波测量中要处理的信号是采样和A/D变换得到的数字信号。要获得准确的FFT运算结果,必须满足Nyquist采样定理,以防止频谱混叠造成的测量误差。防止频谱混叠通常是用模拟滤波器滤除采样频率fs一半的高频信号,但由于模拟滤波器在低频带难以保证较好的物理特性;而本测控仪的采样频率又较高,因此,可采用模拟滤波器和数字滤波器相结合,同时考虑谐波测量范围的方法来减少频谱混叠的影响。
2.3 同步采样处理
根据FFT的原理要求,采样点应均匀分布在一个信号周期内(即实现严格的同步采样),否则会引起信号频谱泄露,从而造成测量误差。由于硬件同步技术结构复杂,它会提高测控仪制造成本,因此,本文采用软件同步来实现同步采样。软件同步实质是一种补偿方法,主要思想是采用软件方法来跟踪信号频率的变化,并利用可变窗函数来实现信号周期的同步采样,以减少频谱泄露造成的误差。软件同步的关键是如何实时检测和确定信号的频率。 该测控仪采用复序列FFT和锁相环来直接对电压或电流信号采样值进行处理,然后配合数字滤波技术求得信号过零并得到信号频率,从而实现对信号的同步采样,同时完成信号频率的测量。这种检测和确定信号频率的方法计算简单、跟踪速度快、测控仪的采样率较高,能够得到较高的测量精度,完全可以满足工程实际的需要。
3 测控仪软件设计
依据上述数据处理思路和数据采集、参数计算的算法,下面介绍该测控仪的软件设计方法。
3.1 软件设计思路
新改进和研制的测控仪在保留原来电容投切、运行参数监测、电量采集等功能基础上,由于还要增加谐波等电能质量指标监测,因而软件涉及的算法较多,数据处理工作量较大;另外,ARM7不同于单片机,软件的结构也比较复杂,因此,本测控仪的软件设计采用模块化结构。为了提高程序代码效率、满足实时性要求,该测控仪采用C语言语言编程,整个测控仪软件由主程序和多个应用子程序组成。
主程序来完成硬件初始化、硬件自检和循环操等功能;子程序包括数据采集处理、电容器投切控制、电量和运行参数计算、电能质量监测、上位机串行通信等程序。主、子程序采用中断方式实现数据的读取和处理,程序设计采用由顶向下、逐步细化的结构化设计方法。
3.2 FFT的实现
实现FFT时,必须解决数据溢出问题。由N点DFT计算公式:

在进行DFT运算时,如果不采取一定的措施,溢出是不可避免的。为了避免FFT运算数据溢出,可对DFT蝶形运算单元的中间结果进行归一化处理。下面是对FFT蝶形单元的中间结果:

设A和B为归一化的输入,那么,在复数时间抽取FFT运算时,Cr、Ci、Dr、Di的最大值为:1+cos45°+sin45°+2.414。而在实数DIT的FFT运算中,Cr、Ci、Dr、Di的最大值为2,因此,可在每一级FFT计算中。事实上,用因子2进行归一化。对ARM7运用芯片的移位特性和用2归一化,不会增加任何运算量。这样,如果FFT包含M级,则输出相当于除以2M=N。其中N为FFT的长度。
3.3 谐波参数的计算
参数计算采用N=128点FFT算法,计算结果依次存放为A0、B0、A1、B1、……、An、Bn。其中An为n次谐波的实部,Bn为n次谐波的虚部。这样,即可计算出各次谐波的(以电压为例)相角、幅值和谐波畸变率、含有率等指标:

这样,依据计算的电压、电流和相角,便可计算电网的有功功率、无功功率、功率因数、电力电量等各种参数值,从而按照相关策略实现对电容器等设备的控制。各种监测数据和运行状态还可送计算机中长期保存,并可对数据进行进一步的分析,实现配电监控管理。
4 结束语
依据供电企业对配电测控功能的新要求,本文以PHILIPS公司的LPC2220FBM144芯片为核心,充分运用ARM7强大的运算能力,给出了新一代配电综合测控仪的研制方法。实际使用证明,其采用的算法和实现技术是完全可行的。
史海拾趣
|
经过这些天的查找资料,基本上人脸识别的算法都搞清了。。。下面简述一下各种算法: (1) FPGA硬件选型采用Xilinx公司的Vertex芯片。该单元由视频采集模块、异步FIFO模块、视频解码模块、I2C 配置接口模块、图像帧存控制模块、图像低级处理模块、通 ...… 查看全部问答> |
|
我用的是Quartus11.0版本,它本身不带仿真,在调用Modelsim时,只能进行Gata level级仿真,而不能进行RTL级的仿真,晚辈很是纳闷,这是怎么回事 麻烦各位了… 查看全部问答> |
|
CC1101、CC2530都写的最大电压3.9V,工作电压为1.8(2.0)~3.6V。 那么如果电压时3.7V,是否能稳定工作?芯片有没有损坏的危险?还是芯片不会坏,单片机有故障等危险? 因为设计需要使用3.7V电池。实际回路中约3.67V。超过3.6V,故有此提问。请大家 ...… 查看全部问答> |
|
本人现有一块S3c6410开发板,有意需要者,可qq联系我941012879,有淘宝链接,和该板一摸一样http://item.taobao.com/item.htm?spm=a230r.1.10.91&id=9549882820… 查看全部问答> |
|
流水燈LED還是要多棵一點,比較有感覺,所以再加一串上去一共14個led,TM1804是可以直接联級擴充的,MCU是用1T的51晶振12Mhz ,實物照:影片如下$(\'swf_fl7\').innerHTML=AC_FL_RunContent(\'width\', \'550\', \'height\', \'400\', \'allowNetworkin ...… 查看全部问答> |
|
分析仪基本参数 1、采样率100MHz 2、采样通道16 3、存储容量(待定) 4、存储深度(待定) 5、测量范围0-5V 6、支持协议(有待开发) 核心芯片选择 1、USB接口芯片(CY7C68013A-100AXC)16位FIFO接口。 2、FPGA (EP2C5Q208C8N orEP2C8Q20 ...… 查看全部问答> |
|
本帖最后由 paulhyde 于 2014-9-15 03:09 编辑 如题,最近在做一个用示波器显示8个递减圆的题目,利用示波器的X-Y去显示,编程都编号的,但实际调试的时候发现两个单片机时钟不能同步,请问有什么办法可以使两片单片机使用同一个时钟啊? &nb ...… 查看全部问答> |
|
关于protel99se在制作原理图时添加元件时,老是添加不进去,并且显示File is not recognized 在网上搜一下,大家说这款软件不适合win7的。另外也有解决办法。 如下改可行:TypeCount=2Count=2File0=d:\\Program Files\\Design Explorer 99 SE\\Li ...… 查看全部问答> |
|
因为是刚学所以很多不刷洗的地方,现在让利用MSP430定时器A输出三路PWM波,之前用中断实现了,现在要求不能用中断,跪求各位大神们,怎么样才能在不用中断的情况下完成MSP430定时器A输出三路PWM波的要求啊,跪求!!! … 查看全部问答> |




