历史上的今天
返回首页

历史上的今天

今天是:2026年03月14日(星期六)

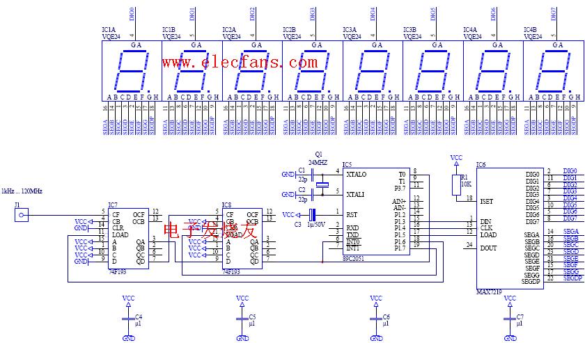
2023年03月14日 | 采用89C2051制作的120MHz频率计

2023-03-14 来源:elecfans

采用89c51制作的120MHz频率计


推荐阅读

史海拾趣

ATOP_Technologies公司的发展小趣事

随着技术的不断进步,ATOP Technologies意识到要想在激烈的市场竞争中保持领先地位,必须不断进行技术创新和产品升级。因此,公司加大了在研发方面的投入,积极引进高端人才,加强与高校和研究机构的合作。经过多年的努力,ATOP Technologies成功开发出了一系列具有自主知识产权的工业自动化产品,并在市场上取得了良好的口碑。

EMMICRO公司的发展小趣事

EMMICRO公司非常注重国际化战略的实施。公司积极参加国际展览和交流活动,与全球范围内的合作伙伴建立了良好的合作关系。同时,公司还通过引进国际先进的生产技术和管理经验,不断提升自身的核心竞争力和国际化水平。在海外市场拓展方面,EMMICRO公司也取得了显著的成果,为公司的长期发展奠定了坚实的基础。

Fabrimex AG公司的发展小趣事

1979年,Fabrimex AG接管了ARCO-Solar(美国)的代表处,标志着公司正式进入光伏领域。这一举措为公司带来了新的增长点,并推动了相关产品的研发和生产。随着光伏技术的不断发展,Fabrimex AG在光伏领域逐渐取得了显著的成绩,为公司带来了可观的收益。

Dae Ryung Electronic Co Ltd公司的发展小趣事

在追求经济效益的同时,Dae Ryung Electronic Co Ltd公司也积极履行社会责任并推动可持续发展。公司注重环保和节能减排工作,在生产过程中采用环保材料和工艺减少污染排放。同时,公司还积极参与社会公益事业和慈善活动回馈社会。这些做法不仅提升了公司的社会形象也促进了企业与社会的和谐发展。

Excelitas公司的发展小趣事

在当今社会,绿色环保和可持续发展已成为企业发展的重要趋势。Excelitas公司积极响应这一趋势,致力于研发和生产绿色环保的产品。通过采用环保材料和生产工艺,公司成功降低了产品的能耗和排放。同时,公司还积极参与环保公益活动,倡导绿色生活方式。这些举措不仅提升了公司的品牌形象,还为社会的可持续发展做出了积极贡献。

请注意,以上故事仅为基于假设和一般行业趋势构建的框架性描述,并不代表Excelitas公司的实际发展历程。如有需要,建议您查阅相关官方资料或新闻报道以获取更准确的信息。

峰岹(Fortior Tech )公司的发展小趣事

作为一家技术驱动型企业,Excelitas公司深知持续创新的重要性。因此,公司不断加大研发投入,积极引进和培养高端人才。通过持续的创新和研发,Excelitas不断推出具有领先技术的产品,满足了市场的多样化需求。同时,公司还注重知识产权的保护,积极申请专利,维护了自身的技术优势和市场竞争力。

问答坊 | AI 解惑

高性价比兼容三菱FX1N国产系列PLC

功能介绍:   ○ 编程软件兼容日本三菱FXGP_WIN-C梯形图软件,在应用中相当于三菱的FX1N;   ○ 工作电源AC18V或DC24V,带有防雷击保护电路; ○ 主板有20路I/0输入输出,其中输入12路,输出8路(有继电器输出和晶体管输出两种型号); ○ 本 ...…

查看全部问答>

7*1W LED驱动 方案 FAN103 做出来的成本是否有竞争性

7*1W LED驱动 85-265输入 变压器隔离 恒流输出 成本上考虑是否适用; 有比这方案更好的吗? …

查看全部问答>

wince 启动拍照功能实现问题

各位,小弟想请教一下, 在wince 5.0 或6.0 中怎么启动拍照功能, 最好是用C# 的,请各位帮忙,谢谢!…

查看全部问答>

在CE6.0下,用6410平台去实现KITL功能怎么老是成功不了?三星手册是已经实现了的.

在CE6.0下,用6410平台去实现KITL功能怎么老是成功不了?三星手册是已经实现了的.…

查看全部问答>

如何进行ARM+Linux的学习?

我是一个初学者,计划学习的是基于ARM处理器的嵌入式开发,具体做一个GPS导航系统 现在是有ARM9实验箱。 现在刚刚学习,有些迷茫,现阶段是不是要详细理解s3c2410处理器的各个架构,然后再学习OS呢? 如何进行系统的学习呢? 请高手给予指点, ...…

查看全部问答>

在XP中无法正常使用数码相机的问题!

在下有一套 SIPIX矽峰SC-1300/SC-2100的数码相机,驱动程序只支持到WindowsXP SP1,在SP2的系统上就不行了(驱动能装上,但是使用Photoshop等软件都无法引入图象,但windows2003/windows2000/windowsXP SP1下就可以正常使用),去下载驱动,发现我这个驱动 ...…

查看全部问答>

刚来提点建议!

刚来论坛,看了看这里的资料非常多哈,建议版主分个板块专门用来放资料,技术交流的放一个板块!这样讨论问题和下载资料都会非常方便!…

查看全部问答>

关于NXP1768CAN模块的库函数

有哪位高手做过NXP1768CAN模块的库参数??求教!!!…

查看全部问答>