专业功率放大器电路图
2025-08-18 来源:elecfans
一、功率放大电路介绍
1、一般情况来说功率放大电路的主要作用是让负载在不使信号失真或轻微失真的情况下获得最大功率。因此,在设计和制造电路时应考虑以下问题:
①功率放大器一般处于多级放大器的末级,集成功放或集成运放的输出级,所推动的负载比较重,如扬声器、电机、大功率线圈等,所以工作的电压和电流都比较大。
②功放管工作在大信号(高压、大电流)状态,而工作电压和电流都接近功放管的限制参数(ICM、UBR(CEO)、RCM),所以必须考虑散热、失真、过压和过流保护等的问题。
③输出功率是指功放输出的电压与电流的乘积,即交流输出功率。由于输出功率很大,所以,电路中消耗的能量也高,电源必须提供更多的能量。总的来说,功率放大器要获得尽可能高的输出功率、尽可能高的效率和尽可能低的非线性失真,前提是能够安全地使用晶体管和场效应管。
2、恒量功率放大器的主要技术指标和测量方法。
第一类指标:输入幅值固定,频率固定时的性能。
①电压放大倍数和放大倍数的调节范围;
②输入电阻Ri,输出电阻Ro;
第二类指标:输入信号频率不变而幅值改变的性能;
③最大不失真输出幅值和最大不失真输出功率。
④电源消耗的功率PDC;
⑤功率放大器的效率;
第三类指标:输入幅值不变,而输入信号频率发生变化的性能。
⑥功率放大器的通频带fBW;
二、甲类功率放大器
小信号放大器,在输入信号的周内都会产生静态电流,此类工作方式的可以称之为甲类功放。
1、阻容耦合甲类放大器电路

图:阻容耦合甲类放大器电路图
甲类功率放大器电源提供的能量大多消耗在电阻和管子,所以效率低。
2、变压器耦合单管甲类功放电路

图:变压器耦合单管甲类功放电路图
甲类功率放大器中,能够知道静态电路是引起管耗的主要原因,想要提高效率就要减少静态电流。
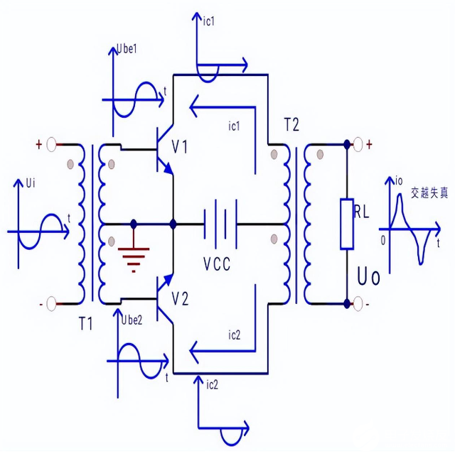
三、推挽功率放大器
甲类功率放大器静态电流大,效率低,采用静态的时候,集电极电流为0的乙类功率放大器能够提高效率,但是为了获得完整波形,必须要采用两管轮流输出,就是乙类推挽功率放大器。

图:乙类推挽功率放大器电路图
乙类推挽功率放大器静态电流非常小,因此效率非常高效。
虽然理论上已经证明乙类推挽功率放大器的理想最大效率远高于甲类,但是乙类推挽功率放大器,因为基极无加静态偏置,输出在正负半周交界处会有交越失真。
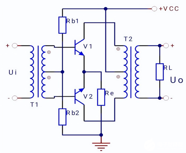
四、甲,乙类推挽功率放大器

图:甲,乙类推挽功率放大器电路图
五、互补对称无变压器输出(OTL)功放电路

图:互补对称无变压器输出(OTL)功放电路图
变压器耦合乙类,甲乙类推挽功率放大器已解决了甲类功放效率低的问题,且可实现阻抗变换,缺点是体积庞大,笨重,消耗有色金属,低频,高频特性都比较差。无变压器输出功放电路(OTL)用一个大电容代替变压器,用NPN,PNP对管。
六、无电容输出(OCL)功放电路

图:无电容输出(OCL)功放电路图
OTL去掉了变压器,具有失真小,是功放高保真扩音机常用的电路,但OTL输出用大容量电容,存在漏阻和电感效应,对不同频率信号会产生不同相移,输出信号有附加失真,为消除这一缺点,出现了无电容输出功放电路OCL。
七、桥式推挽功率放大器(BTL)电路

图:桥式推挽功率放大器(BTL)电路图
在OCL中采用了双电源供电,所以为了实现单电源供电,且不用变压器和大电容,最终解决方案是桥式推挽功率放大器(BTL)电路。
上一篇:功率放大器的主要技术指标有
下一篇:功率放大器与电压放大器的区别
- 嵌入式的风向变了:2026纽伦堡嵌入式展透露这些趋势
- 高通确认不在GDC 2026发布新款骁龙G系列掌机处理器SoC
- 行业评论 从工具到平台:如何化解跨架构时代的工程开发和管理难题
- 阿里达摩院发布玄铁C950,打破全球RISC-V CPU性能纪录
- 面向嵌入式部署的神经网络优化:模型压缩深度解析
- Mujoco中添加Apriltag标签并实现相机识别教程
- 摩尔线程MTT S5000全面适配Qwen3.5三款新模型
- 英飞凌与宝马集团携手合作,基于Neue Klasse架构塑造软件定义汽车的未来
- 物理AI仿真新突破:摩尔线程与五一视界共建全栈国产化生态
- 爆火的OpenClaw! 告别云端,米尔RK3576开发板本地部署
- Altera 与 Arm 深化合作,共筑 AI 数据中心高效可编程新方案
- 莱迪思加入英伟达 Halos生态系统,通过Holoscan传感器桥接技术提升物理人工智能安全性
- 芯科科技闪耀2026嵌入式世界展 以Connected Intelligence赋能,构建边缘智能网联新生态
- 边缘计算主机盒选购指南:五大核心指标解析
- Arm AGI CPU 更多细节:台积电 3nm 制程、Neoverse V3 微架构
- Arm AGI CPU 重磅发布:构筑代理式 AI 云时代的芯片基石
- Arm 拓展其计算平台矩阵,首次跨足芯片产品
- 阿里达摩院发布RISC-V CPU玄铁C950,首次原生支持千亿参数大模型
- 边缘 AI 加速的 Arm® Cortex® ‑M0+ MCU 如何为电子产品注入更强智能




