南芯科技发布音频功率放大器,定义“声临其境”的声学体验
2026-02-11 来源:EEWORLD
(2026年 2 月 11 日)今日,南芯科技发布全新音频功率放大器系列,包含 10.5V 版本 SC28561 及 9.5V 版本 SC28376,可灵活适配不同品质及价位的智能手机的音频电压需求。该系列芯片具备超低待机功耗和超高电源转换效率,可显著延长智能手机的音频使用时间。其中,SC28561 待机功耗低至 9.1mW,较同类产品降低 43.7%;在 1W 常用功率段下,电源转换效率高达 90.5%,且 UVLO 低至 1.7V,适配硅负极电池发展趋势,为用户创造澎湃、纯净且长续航的音频体验,标志着南芯向声学市场的新开拓。

多维度优化,告别电量焦虑
音频是用户与消费电子交互的重要形式,随着手机音质的不断提高及用户使用时长的增加,系统对电源管理提出了更高要求,在实现卓越音质的同时保障长效续航。音频功率放大器负责驱动扬声器并放大信号,是音响系统的核心组件。市场报告显示,全球音频功放市场规模达数十亿美元,且未来十年预计仍将以超过 4% 的年均复合增长率持续扩大。
基于在电源管理领域的技术积累,南芯科技积极布局音频功率放大器市场,从待机功耗、系统效率和欠压锁定等多个维度入手,实现对电池电量的高效利用,全面延长设备使用时间。

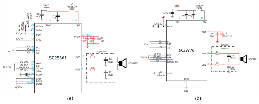
南芯科技音频功率放大器典型应用电路:(a) SC28561;(b) SC28376
在待机功耗方面,以 SC28561 为例,其待机功耗可低至 9.1mW,较同类产品降低 43.7%。在系统效率方面,南芯的音频功放采用全新的自适应包络追踪技术和先进的多轨电源追踪设计,可在全功率范围内实现业界领先的能效表现。在 4.4V 电压、1W 输出功率下,SC28561 的效率高达 90.5%;在 50mW 小信号、0.1W & 1W 常用功率段及 3W 中大功率段,其效率均达到业内领先。
在欠压锁定 (UVLO) 方面,为适配硅负极电池在移动设备的普及,南芯音频功放的 UVLO 阈值低至 1.7V,允许系统“追逐”硅负极的放电曲线,将更多化学容量转化为电能,充分释放其高能量密度的潜力。
其它性能优势
提升能效的同时,南芯科技音频功放在提升音质和系统可靠性等方面同样具备优势。
SC28561 的输出功率达 5.6W,噪声低至 7.2μV,1W 时谐波失真及噪声 (THD+N) 低于 0.008%,动态范围高达 117dB,让音频信号更加真实纯净
SC28561 支持 IV-Sense 技术,以实时保护喇叭状态,让系统更加安全可靠
SC28376 可支持 4.5W 以上的输出功率,凭借超小封装、低静态电流和高电源效率,为客户提供极致的性价比





