历史上的今天
今天是:2025年01月17日(星期五)
2018年01月17日 | 51单片机串行口扩展法
2018-01-17 来源:eefocus
1 引言
在研究采场瓦斯积聚模拟试验台的过程中,笔者设计了主从式多机采控系统结构。主从式多机控制系统是实时控制系统中较为普遍的结构形式,它具有可靠性高,结构灵活等优点。当选用单串口51 单片机 构成这种主从式多机系统时,51单片机一方面可能要和主机Computer通信,一方面又要和下位机通信,这时就需要扩展串行通道。本文具体介绍了两种串行通道的扩展方法。
2 串行口的扩展方法
常用的标准51 单片机 内部仅含有一个可编程的全双工串行通信接口,具有UART的全部功能。该接口电路不仅能同时进行数据的发送和接收,也可作为一个同步移位寄存器使用。当以此类型单片机构成分布式多级应用系统时,器件本身的串口资源就不够用了。笔者在实际开发中,查阅了有关资料,总结出如下两种常用而有效的串行通道扩展方法。
2.1 基于SP2538的扩展方法
SP2538是专用低功耗串行口扩展芯片,该芯片主要是为解决当前基于UART串口通信的外围智能模块及器件较多,而 单片机 或DSP原有的UART串口又过少的问题而推出的。利用该器件可将现有单片机或DSP的单串口扩展至5个全双工串口。使用方法简单、高效。
在应用SP2538扩展串行通道时,母串口波特率K1=2880*Fosc_in,单位是MHz,且Fosc_in小于20.0MHz, 在SP2538输入时钟Fosc_in =20.0MHz时母串口可自适应上位机的56000bps和57600bps两种标准波特率输入。子串口波特率K2=480*Fosc_in。
母串口和所有子串口都是TTL电平接口,可直接匹配其他 单片机 或TTL数字电路,如需连接PC机则必须增加电平转换芯片如MAX202 、MAX232 等。SP2538具有内置的上电复位电路和可关闭的看门狗监控电路。上位机写命令字0x10可实现喂狗,写命令字0x15关闭看门狗,初次上电后看门狗处于激活状态或写命令字0x20激活看门狗监控功能。上位机可通过芯片复位指令0x35在任何时候让芯片进行指令复位,也可通过芯片睡眠指令0x55在任何时候让芯片进入微功耗睡眠模式以降低系统功耗。初次上电后芯片不会自行进入睡眠模式,但只能由上位机通过母串口任意发送一个字节数据将其唤醒,其他子串口不具备这一功能。
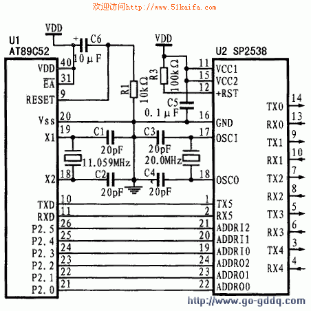
图(1)是AT89C52 单片机 与SP2538的电路连接,图中,AT89C52的全双工串口与SP2538的母串口5相连,该串口同时也作为命令/数据口。SP2538的ADRI0、ADRI1、ADRI2分别与AT89C52的P2.3、P2.4、P2.5口相连,可用于选择发送数据是选择相应的串口0~4;ADRO0、ADRO1、ADRO2与P2.0、P2.1、P2.2相连,用于判断接收的数据来自哪一个串口。 SP2538的时钟频率选为20.0MHZ,此时母串口5的波特率为57600bps,串口0~4的波特率为9600bps。
下面是与上述硬件电路相关的接口程序,该程序用A51汇编语言编制,程序仅说明了中断方式下对子串口0(TX0、RX0)的操作,其它子串口类似。
TBLOCK DATA 20H
RBLOCK DATA 30H
LENGTH DATA 14H
…
TXR_REV_SEND: CLR ES
JBC RI,RECEIVE
CLR TI
MOV A,@R0
CLR P2.0 ; 写数据到"SBUF"前必须先置欲发送子串口的地址
CLR P2.1
CLR P2.2
MOV SBUF,A
DJNZ R2,NEXT
SJMP $
NEXT: INC R0
RETI
RECEIVE: MOV A,P2
AND A,#31H ;判断是否为子串口0
JNZ ELSE
MOV A,SBUF
MOV @R1,A
INC R1
RETI
图(1) AT89C52与SP2538的电路连接
2.2 基于Intel8251的串行口扩展方法
上面基于SP2538的串口扩展方法可以说是一种串行的扩展方法,这里基于Intel8251的扩展方法则是一种并行的方法。Intel8251是一种通用的同步/异步发送器(USART),它的工作方式可以通过编程设置。能够以同步或异步串行通信方式工作,能自动完成帧格式。
Intel8251具有独立的接收/发送器。在异步方式下,用于产生8251内部时序的时钟CLK输入至少应为发送或接收时钟的4.5倍。接收/发送(RXC/TXC)时钟应为波特率的1倍、16倍或64倍(由8251的工作方式字设定)。
图(2)是用Intel8251扩展一个串行通道的电路原理,图中,11.0592MHZ晶振经ALE6分频后于 、组合,产生1.8432MHZ的时钟频率,分别作为8251与8253的时钟输入,若设定8251通信波特率为9600bps,波特率因子为16,则需要 153.6KHZ的接收/发送时钟频率,该频率可由8253的OUT0产生。
下面的A51程序段说明了如何设置8253使其产生153.6KHZ的方波,以及如何用8251收/发数据:
;设置8253的程序段:
MOV A,#36H ; 计数器0输出方波控制字
MOV DPTR,#0FFFFH ; 指向控制字寄存器
MOVX @DPTR,A
MOV DPTR,#0FFFCH ; 指向0计数器地址
MOV A,#0DH
MOVX @DPTR,A
MOV A,#0
MOVX DPTR,A
SETB P1.0
;操作8251的程序段:
…
START: MOV DPTR,#7FFFH ;8251控制、命令口地址
MOV A,#5EH ;一个停止位,奇校验,8位数据,异步*16
MOVX @DPTR,A ;写入方式字
MOV A,#15H
MOVX @DPTR,A ;命令字,启动发送和接收器
…
LOOP: SJMP LOOP ;等待8251中断
8251_INT: ;现场保护
MOV DPTR,#7FFFH
MOV A,@DPTR
JB ACC.0,TX_INT
JB ACC.1,RX_INT
INT_EXIT: ;恢复现场
RETI
;发送数据
TX_INT: MOV DPTR,#7FFEH ;8251数据口地址
MOV A,20H
MOVX @DPTR,A
…
AJMP INT_EXIT
;接收数据
RX_INT: MOV DPTR,#7FFEH
MOVX A,@DPTR
MOV 30H,A
…
AJMP INI_EXIT
图(2)用8251扩展串行通道的硬件电路原理
3 结束语
以 单片机 为核心的多级分布式系统的应用越来越广泛,上面讨论的两种串行口的扩展方法为此类多串口应用领域提供了一个良好的解决方案。笔者在实际中采用基于SP2538的扩展方法,设计了采场瓦斯积聚模拟试验台的多级分布式采控系统,效果良好。
参考文献
[1] 孙和平,杨宁,白晶 单片微机原理与接口技术 冶金工业出版社 2003.1
[2] 胡汉才 单片机 原理及其接口技术 清华大学出版社 1996.7
[3] SP2538数据手册 成都视普科技有限公司 2003.2.12
史海拾趣
|
嘿 各位: 现在我想在WINCE6.0下面做一个电话与IE共存的软件,想要做到当如果在下载数据或是浏览网页的时候有电话打进来需要挂住数据通道,电话接完后可以很快的浏览网页或是下载数据,以前我采用的方式是RAS函数库+AT指令方式,当想 ...… 查看全部问答> |
|
{ ...... // 启动线程,开始播放声音, 并将线程的优先权设置为最高,希望它立即去执行 HANDLE m_hThread = CreateThread(NULL, 0, TOPlaySoundThread, NULL, 0, NULL); SetThreadPriority( m_hThread,THREAD_PRIORITY_TIME_CRITICAL); Sleep( ...… 查看全部问答> |
|
环境Vxworks 5.5.1 在相同的地方,如果使用printf可以正确打印,但是使用vprintf就会报如下错误: CPU: Motorola MPC82xx ADS - HIP7 Runtime Name: VxWorks Runtime Version: 5.5.1 BSP version: 1 ...… 查看全部问答> |
|
一般来说只要到屏幕底端有足够空间,就下拉. 如果没有足够空间就上拉. 那么应该存在的上拉这个功能. 我想让它自动默认的为上拉,该怎么做? 如果不行,也可以这样,让下拉菜单不要长出我的对话框的底端也可以… 查看全部问答> |
|
最近又看了一下LPC1114的数据寄存器的内容。数据寄存器允许从被设置为输入的引脚上读取数据,往被设置输出的引脚写值。每个端口数据寄存器占用地址空间的0-0X3FFC,地址位13:2用于屏蔽。如图1: 原先一直对这个数据屏蔽作用搞不太懂,现在 ...… 查看全部问答> |
|
邦华330改进版、 最新功能:数字收音,USB、SD读卡功能,数字显示屏,卡座功能 技术参数: 1.电源:AC220V 内置DC12V/1.2AH 蓄电池,外接VDC 2.频率范围:VHF165-265MHz 3.振 ...… 查看全部问答> |
|
大家好,最近整理了一下,整理出好多打样有没有使用,多余的东西。有继电器、各种芯片、可燃气体传感器等等好多种类,但是每种数量都很少,这里就不一一列举了。如果你需要,可以QQ我,告诉我你要的一些常用的东西,我尽量帮你找,一次性处理,想收 ...… 查看全部问答> |
|
https://bbs.eeworld.com.cn/thread-308442-1-1.html 此贴貌似冒的人看啊!给新人一点帮助嘛!… 查看全部问答> |




