历史上的今天
今天是:2025年03月04日(星期二)
2018年03月04日 | 一种低成本看门狗电路的介绍
2018-03-04 来源:eefocus
在工业控制中常使用MCS-51系列单片机,为了防止程序跑飞往往外接一个看门狗电路。看门狗电路可完成加电复位和死机复位两种功能。成品的看门狗集成电路如MAX813L等价格一般都较高。现介绍一种由通用数字电路CD4011组成的廉价的看门狗电路。

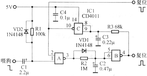
上图是由与非门CD4011组成的看门狗电路,图2为有关引脚波形图。由上图可以看出,在不考虑1脚的喂狗信号的情况下,三个与非门A、B、C、串接成一个环路。由于VD1、R2、C2、和R3、C3两组延时电路的作用,它们将组成一个振荡器。平时与非门A的2脚为高电平(见后面喂狗信号引起VDI、R2、C2充放电的说明),10时刻的喂狗信号(高电平至低电平的跳变)经R1、C1微分后送到1脚,其输出3脚变为高电平,经VDI给C2充电,C2很快充满至5V。与非门B的输入端5脚和6脚为高电平,输出端4脚为低电平。在喂狗脉冲沿过去后的t1时刻,1脚恢复为高电平,3脚变为低电平,该低电平经R2给C2放电,放电速度远远慢于充电速度。当C2电压由5V降到约为2.5V时与非门B的4脚将由低电平变为高电平。正常工作时在4脚变为高电平之前又有新的喂狗信号到来,3脚又变为高电平,C2又迅速充满到5V。因此4脚一直保持为低电平,与非门C的10脚则一直保持为高电平。一旦喂狗信号丢失,4脚将在延时一段时间(t2-t0')后的12时刻变为高电平,此高电平即为CPU复位。该高电平还经R3、C3延时,使与非门C的输入端8脚和9脚在t3时刻变为高电平,输出端10脚变为低电平。接着引起2脚为低电平,3脚为高电平,C2迅速充电。在14时刻C2电压超过2.5V,5脚和6脚变为高电平,4脚变为低电平。C3放电,经R3、C3延时,在t5时刻8脚变为低电平,10脚恢复为高电平,3脚恢复为低电平。这样,在没有喂狗信号时4脚将输出周期l00ms、宽度约5ms的正极性脉冲串复位信号。复位信号的宽度决定于R3、C3,周期决定于R2、C2,与非门C的10脚将输出负极性脉冲串复位信号。在上电瞬间由于C2和C3的初始电压都为零,5脚、6脚、8脚和9脚都为低电平,4脚则为高电平为CPU复位。大约5ms之后8脚和9脚变为高电平,接着10脚变为低电平,3脚高电平,C2迅速充满,4脚变为低电平,经R3、C3延时10脚再恢复为高电平,上电复位过程结束。该电路在多种MCS-51系列单片机中使用效果良好。为了验证该电路的可靠性,可在通电情况下将IC1的1脚对地短路,即停止喂狗信号,用示波器测量4脚和10脚的波形,即可看到如下图所示的复位信号波形。

目前CD4011市场价约为0.6元,lN4148为0.05元,电容为0.04元,电阻为0.01元。该看门狗电路元件成本不足0.9元。看门狗集成电路MAX813L市场价约为6元,SP706S约为5元。显然该电路的成本远低于单片看门狗集成电路。CD4011多余的一个与非门还可以作为它用。

上图是一个电视选台器的实物。该电视选台器内有开关电源、射频放大器、频率合成一体化电视调谐器和控制电路等。控制电路的CPU选用AT89C2O5l、存储器AT24CO2、信号检测使用LM567。看门狗电路使用的即是前面介绍的由CD4011组成的电路。
上一篇:利用单片机系统可靠性设计
下一篇:复位电路与看门狗电路介绍
史海拾趣
|
最近要在ARM平台上实现一个网络IP数据包加密的程序,但是现有的系统没有网络协议栈,而我有不想移植一个完整的TCP/IP协议栈(其实移植困难也很大,因为系统是我们团队自己实现的嵌入式最简系统),完整的协议栈很多部分对我们的这次应用来说是多余 ...… 查看全部问答> |
|
作为学生的我,由于毕业设计的要求需要通过传感器采集病人的体温,希望高人们推荐几款医用的体温传感器的型号,当然如有具体型号和相关资料将不胜感激!谢谢各位。… 查看全部问答> |
|
我在做booloader加入sb.xcl文件之后出现了Fatal Error[e72]: Segment IEEE_ADDRESS_SPACE must be defined in a segment definition option (-Z, -b or -P) 错误请问这个是什么原因呢? [ 本帖最后由 wateras1 于 2013-2-25 15:10 编辑 ]… 查看全部问答> |
|
MSP430:P1OUT=4、P1OUT |=4、P1OUT &-=~8的意思 首先,msp430没有P0口的,按P1口来说明 P1OUT = 4; P1.2引脚输出高电平,P1其余引脚输出低电平; P1OUT |= 4;P1.2置高电平,P1其余引脚不变; P1OUT &= ~8;即P1OUT &= 0xf7,P1.3置低电平,P1其余引脚不变; |是或运算符,&是与运算符,具体请参 ...… 查看全部问答> |




