历史上的今天
今天是:2025年03月07日(星期五)
2018年03月07日 | 用PIC单片机编制的可预置起始时刻的倒计时程序
2018-03-07 来源:eefocus
可预置起始时刻的倒计时程序,是作为日常生活中对某事件的定时之用:只要某事件由人工设置的计时时间到,倒计时电路便会发出报警声。倒计时的特点是,计时一旦达到预定值,其值就归零。利用归零条件,即可实现任意倒计时达到时的报警功能,提示人们定时已到。
本倒计时器可在0~99分钟内任意设置计时值。
例如在厨房中,蒸大米饭(8两米),定时33分钟,烧开水(一壶)为20分钟,煮胡罗卜(红色)为30分钟等,只要设定时间一到,倒计时器即报警,使用十分方便。当然,上述倒计时值,均是事先用普通时钟确定每个事件所要花费的时间,列出相应定时标准,才能用倒记时器进行定时。
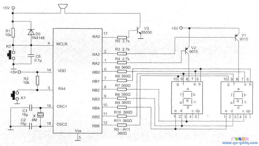
(1)硬件电路
下图是0~99分钟可预置的倒计时电路。

PIC16F84A单片机④脚为手动复位端,外接R1、DO、C6、KO(微动开关)组成复位电路;③脚RA4外接上电阻R2和倒计时人工预置开关K1;(17)脚RAO外接RO、V3和蜂鸣器,组成倒计时值达到(归零)时的自动报警信号。电路中的两位LED数码管和V1、V2组成0~99分钟可预置LED数码显示电路。
(2)程序流程图
下图为0~99分钟可预置的倒计时程序的主程序、显示函数和键值扫描程序流程图。






史海拾趣
|
电量隔离传感器变送器是针对工程中的电量检测(监测),提高系统的整体抗干扰能力,而研制开发的一种小体积、高性能的电量测试部件(产品)。 电量隔离传感器变送器可以对现场的大电流、高电压、功率、频率、相角、电度等电参量进行隔离测量和变换,也 ...… 查看全部问答> |
|
Windows Embedded Standard SP2 正版全套9CD 版本 软件功能及介绍就不多说了,可以去微软官方网站查看, (http://www.microsoft.com/windowsembedded/zh-tw/about/what.mspx) 产品包括9张CD光盘和安装ID以及PID,是市场上 最全的正版产品。 以下是9 ...… 查看全部问答> |
|
现在有一块18bpp(RGB666)的TFT屏,想在Windows Mobile6上点起来。可是发现Windows Mobile只支持16bpp和24bpp,并不支持18bpp。我应该怎么样做呢?十分感谢… 查看全部问答> |




