历史上的今天
今天是:2024年12月13日(星期五)
2018年12月13日 | STM32外设资源查询方法,对比C8T6和ZET6
2018-12-13 来源:eefocus
对应不同型号的单片机的外设资源需要找相应的单片机的数据手册,比如STM32F103ZET6数据手册,STM32F103C8T6数据手册.
根据FLASH大小STM32F103ZET6 - 为HD型,STM32F103C8T6 - 为MD型。
STM32F103家族系列芯片外设对比

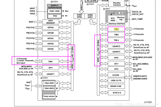
STM32F103ZET6 外设资源数据手册一览

从上图也可以看到ZET6一共有11个定时器,包括2个高级定时器、4个通用定时器、2个基本定时器…当然还有2个看门狗和1个系统定时器。


再由这个两个图也可以看出TIM1/8是高级定时器、TIM2/3/4/5是通用定时器、TIM6/7是基本定时器。
高级定时器在APB1总线上,通用和基本定时器都是在APB2总线。
STM32F103C8T6外设资源数据手册一览

可以看出C8T6它有3个通用定时器1个高级定时器…当然还有2个看门狗和1个系统定时器。
结合上面,ZET6分析不难得出C8T6的一些结论,

TIM1是高级定时器
TIM2/3/4是通用定时器
上一篇:STM32之基本调试设置
下一篇:STM32中断源位置
史海拾趣
|
file:///C:/Documents%20and%20Settings/new/桌面/升压电路.JPG 将双向二级管DN101输出级与稳压电路断开通电后量测DN101阴级输出级出来的电压为输入电压两倍24V,可以判断由PWM控制U101及开关管Q1,C10,双向二级管DN101组成倍压电路,但不清楚它的具 ...… 查看全部问答> |
|
国内市场上,尽管汽车音响节目源有所扩展,从单一的收音,磁带两用机发展到加入单碟或自动换片的多碟CD机,但对小汽车音响功放来说却基本变化不大,仍为以收音机,磁带机和CD机组成的一体化音响。此类一体化音响,无论生产商标出2*35W还是200W+200W,其实仍 ...… 查看全部问答> |
|
这两天对一个2410的板子上sd卡做了一个底层硬件测试。 sd卡的数据读写会经常出现错误,而且错误的地方很固定。 后来查了很久,发现sdclk(时钟线)被示波器的探头一接触,读写立即就正常了。我的理解:示波器探头相当于对地电容。 依据这一情况 ...… 查看全部问答> |
|
请问各位,还有人做过tl16c754c的扩展串口驱动。我现在的驱动在16c554上改的(原来的驱动工作正常),现在这个驱动当波特率在57600以上时,每次发送超过26个以上字符时就乱码,报帧错误。晶振工作正常。各位兄弟,还有碰到和我一样的问题?… 查看全部问答> |
|
我从Wince 5.0平台上移植了一个ADS7846触摸屏驱动(该驱动在CE5下完全正常),而在CE6.0上的点击触摸屏也会出现长按才会出现的快捷菜单,感觉是触摸屏的按下的操作被系统认为长按了。另外我的USB鼠标也碰到了类似的问题:左键单击会出现长按左键或 ...… 查看全部问答> |
|
唉,sst39vf1601芯片坏了 ------------------------------------------------------------ jflash-s3c44b0x v1.0 (2003-8-26) origin made by J.D&T Co.,Ltd ( You Young-chang ) origin made by ATMEL Co.,Ltd modified by Yun Duck Bea === ...… 查看全部问答> |
|
求教:platform builder 4.2安装之后,build时出错can't find cebuild.bat 错误如下: Generating platform header files... VcSpawn: could not find \'cebuild.bat\' Error PB2504: Error spawning cebuild.bat 希望高手指点… 查看全部问答> |
|
调试12864的时候 尝试编写竖写字符的库函数时发现英文字符和数字可以显示 汉字不能显示 调试多次 最后发现是因为汉字是全角字符 需要连续送两字节数据才可以在12864液晶上显示.....将子函数改写为连续送入两位后 问题解决 可惜这个子函数不能用于竖 ...… 查看全部问答> |




