历史上的今天
今天是:2024年12月24日(星期二)
2018年12月24日 | 安森美半导体提出轻度混合动力汽车系统半导体方案
2018-12-24
作者:安森美半导体电动/混动汽车系统应用经理John Grabowski
前言
随着对环境和空气质量状况越来越多的关注,需要解决减少车辆二氧化碳气体排放的问题。解决此问题最好的办法是降低车辆的平均油耗。使用混合动力汽车,而不是纯内燃机(ICE)动力汽车,是减少油耗的一种新方法。
在所有道路车辆中,牵引动力系统必须能够在非常宽广的功率和速度(通常被称为转矩-速度范围)条件下运行,混合动力系统的使用支持系统设计人员在不同的转矩-速度范围点上自由地优化两个电源。此电源能够提供有益于加速的非常大的扭矩,但它只能在有限的时间内使用。具体时间取决于电池的大小和电机的输出转矩。有了高扭矩产生电源,可大大缩小内燃机尺寸,从而提高燃油能效。然而,增加这种混合动力源当然不是微不足道的工程问题,需要一种方法,包括影响许多车辆系统的设计考虑因素。
功能电子化一般是通过增加高压(约350 V)电池和高性能电机直接耦合到ICE动力系统来实现的。这些‘全’混合动力汽车(HEV)一直是燃油能效车辆的定义类,从提高能效的角度,是非常有吸引力的。然而,他们增加了相当大的成本和重量。
近年来,48V汽车系统架构受到了广泛的关注。这些系统可被认为是向全混合动力汽车迈出的一步。它们通常被称为 “轻度”混合动力汽车(MHEV)。它们由一个相对紧凑的48V电池、一台高性能电机和多个48V电气化子系统构成。48V系统的较低成本更增加了它们对汽车整车厂商(OEM)的吸引力,将很快成为大多数汽车制造商产品组合的一部分。
轻度混合动力汽车双电压架构
目前,现有的48V架构有很多种,变体也在增加。大多数系统包括一个电池、一个起动机发电机、一个电压转换器,通常至少有一个48V负载。由于48V汽车仍然保留12V电池和多个12V负载,因此在可预见的未来,这些系统很可能会以双电压架构存在。请参见图1。

图1.典型的48 V轻度混合动力系统电气拓扑
使用48 V双电压结构,许多新的汽车电气配置是可能的。因为48 V系统从根本上来说能够提供更高的功率水平,所以使用新的、更高功率的子系统是可能的。随着48 V系统的出现,在12 V拓扑中集成48 V电动压缩机和48 V电动稳定系统成为可能。此外,更高功率的实现将通过利用提高的能效促成更高动力的12 V负载迁移到48 V总线。
最初,双电压系统的12 V将保持原样,没有12 V交流发电机。由于唯一的电源是48 V发电机,该系统将需要一个转换器,将48 V产生的功率转移到12 V电池。这种转换器需要紧凑、轻量级和高能效。它的设计是双向的,这使得在高电流需求时期能结合使用两种电池,需要在冷车启动等情况下使用。该双向转换器能够转换来自任何一个电池的电源,并在它们之间传输能量。
48 V的起动发电机是主要部件。它负责产生汽车的所有电力并启动汽车。此外,起动机发电机在汽车制动过程中进行再生能量回收。在这种模式下,机器充当发电机,向动力总成提供负扭矩,使汽车减速,并回收电池的电荷。起动发电机有许多配置和功率水平,每一个都有非常具体的汽车实施目标。
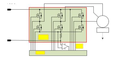
48 V轻度混合动力汽车DC-DC转换器
双向电源转换器需要在两个电池系统之间共享电荷,并且功率范围通常在1kW到3kW范围。在这种大功率范围内维持高能效的最流行的拓扑结构是多级降压升压转换器。降压拓扑支持功率从较高的电压侧向下流向较低的电压侧。升压拓扑支持功率流向相反的方向。多级设计支持将多个独立的转换器子电路组合成单个高功率转换器。这种多级设计支持在轻载条件下去掉(shedding)某些段。多级shedding功能通过使用一个可导通或关断的输出MOSFET以使能每一特定段实现。典型的转换器设计如图2所示。突出显示的方框表示安森美半导体提供大量产品的领域。

图2. 多级DC-DC转换器的单级拓扑
轻度混合动力汽车子系统
MHEV有各种各样可能的48 V子系统,比仅使用12 V的系统实现更多可能性。MHEV上的最高功率负载是电控增压器,称为电动压缩机(E-Compressor)。由于增压器需要在几分之一秒加速到极高的速度,它需要大量的瞬态功率。典型的增压器驱动含由三相逆变器驱动的低惯量三相电机。峰值功率水平可达8 kW以上,尽管它的平均功率相对较低。这些宽范围功率配置完美匹配48V系统,在相对较短的时间产生大量的功率。
许多其他汽车子系统也非常适合48 V结构的单相和三相配置。图3列出了可能的48 V子系统。

图3. 48V子系统小结
其它48 V系统
许多48 V子系统由低功耗三相电机驱动系统组成。这些电机驱动器最便于通过模块设计来实现。安森美半导体的汽车电源模块(APM)三相模块系列是理想的选择。这些模块为三相辅助电机驱动系统的构建提供了一个紧凑、高效的选择。该模块具有功率桥、内部分流电阻、缓冲电容器等6个器件,并构建在一个隔离的陶瓷基板上。为评估80V APM器件的性能,创建了48 V逆变器参考设计。系统配置和图片如图4所示。


图4. 基于APM的48 V三相辅助电机驱动
它有以下特性:
FAN08V19DB1 3相电源模块
光学输入隔离
FAN7393 半桥门极驱动器
逆变直流链路分流放大器
模块温度转换电路
基于NCV213RSQT 的过流保护
基于NTS 的过温保护
可选的3通道电流传感器板(通常是两相+直流链路)
反向电池及电压瞬态保护电路
该三相电机驱动系统在安森美半导体的密歇根州安阿伯电源实验室处于最后的测试阶段。
测试完成后,安森美半导体将提供更多的详细信息。
48 V 系统器件
安森美半导体提供许多适用于48 V电子系统设计的器件。这些器件的简单分组如表1所示。我们提供各种分立和模块化封装的MOSFET。即使在具有较大共模电压的设计中,我们的电流检测放大器系列能够将分流电阻电压转换成逻辑电平信号。此外,我们正不断开发新的器件,以扩大我们世界级的阵容。新的器件封装也处于AEC认证的最后阶段,并将很快推出生产。

表1. 48 V 轻度混合动力汽车方案应用器件
48 V子系统扩展
48 V革命的一个可能的结果将是产生各种各样的48 V外设。这种扩展可能会降低48 V子系统的成本,并增加它们对其他高压汽车的吸引力。如果这些外设包括在全混合动力汽车或电动汽车,它们将需要一个48 V电源,从而引入对三重电压结构的需要。这种架构将为电动/混动汽车生成一种新的方案器件需求,称为“三重电压转换器”。
总结
在12 V和全混合动力汽车中添加48 V系统将为设计人员提供实现当今汽车所需的提升燃油能效的机会。这也将大大增加对新的和创新的电力电子电路的需求。尽管将出现48 V架构的许多变体,但最终的结论将在汽车客户权衡了特性和效益与成本之后。
史海拾趣
|
在柏林推出的DVB T(地面数字广播)数字电视也已经影响到汽车娱乐系统中的电视接收。现在,汽车电视接收机不仅能够接收模拟电视信号(它仍将在城市以外的地区继续存在数年),而且也能够接收和处理DVB T信号。Hirschmann Electronic ...… 查看全部问答> |
|
1 引 言 洗片机是各医院影像科的必需设备。医院影像科每天要冲洗大量的x-射线透射胶片,工作量大,且洗片操作有一定难度,对操作人员专业技术要求高,另外,洗片时化学药液对人体有伤害。因此,目前医院大多采用医用自动洗片机。进口的 ...… 查看全部问答> |
|
我使用 ARM 2440开发板, 使用WINCE 5.0 (中文)OS, 现在想实验软键盘 汉字输入 和手写 输入。 请前辈们 描述一下实现 思路。 … 查看全部问答> |
|
void InitSio(void) { u16 RELOAD_COUNT = 0; //使用独立波特率发生器作为波特率发生器 S2CON = 0x50;  ...… 查看全部问答> |




