历史上的今天
今天是:2024年09月07日(星期六)
2019年09月07日 | LCD1602显示屏的驱动设置及例程
2019-09-07 来源:eefocus
一般来说,LCD1602有16条引脚,据说还有14条引脚的,与16脚的相比缺少了背光电源A(15脚)和地线K(16脚)。我手里这块LCD1602的型号是HJ1602A,是绘晶科技公司的产品,它有16条引脚。如图1所示:

图1
再来一张它的背面的,如图2所示:

图2
它的16条引脚定义如下:

对这个表的说明:
1. VSS接电源地。
2. VDD接+5V。
3. VO是液晶显示的偏压信号,可接10K的3296精密电位器。或同样阻值的RM065/RM063蓝白可调电阻。见图3。

图3
4. RS是命令/数据选择引脚,接单片机的一个I/O,当RS为低电平时,选择命令;当RS为高电平时,选择数据。
5. RW是读/写选择引脚,接单片机的一个I/O,当RW为低电平时,向LCD1602写入命令或数据;当RW为高电平时,从LCD1602读取状态或数据。如果不需要进行读取操作,可以直接将其接VSS。
6. E,执行命令的使能引脚,接单片机的一个I/O。
7. D0—D7,并行数据输入/输出引脚,可接单片机的P0—P3任意的8个I/O口。如果接P0口,P0口应该接4.7K—10K的上拉电阻。如果是4线并行驱动,只须接4个I/O口。
8. A背光正极,可接一个10—47欧的限流电阻到VDD。
9. K背光负极,接VSS。见图4所示。

图4
二.基本操作
LCD1602的基本操作分为四种:
1. 读状态:输入RS=0,RW=1,E=高脉冲。输出:D0—D7为状态字。
2. 读数据:输入RS=1,RW=1,E=高脉冲。输出:D0—D7为数据。
3. 写命令:输入RS=0,RW=0,E=高脉冲。输出:无。
4. 写数据:输入RS=1,RW=0,E=高脉冲。输出:无。
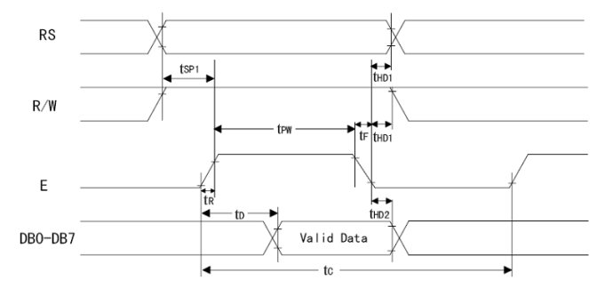
读操作时序图(如图5):

图5
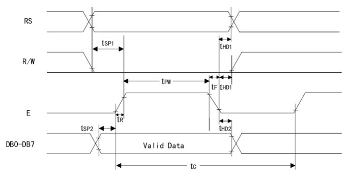
写操作时序图(如图6):

图6
时序时间参数(如图7):

图7
三.DDRAM、CGROM和CGRAM
DDRAM(Display Data RAM)就是显示数据RAM,用来寄存待显示的字符代码。共80个字节,其地址和屏幕的对应关系如下(如图8):

图8
DDRAM相当于计算机的显存,我们为了在屏幕上显示字符,就把字符代码送入显存,这样该字符就可以显示在屏幕上了。同样LCD1602共有80个字节的显存,即DDRAM。但LCD1602的显示屏幕只有16×2大小,因此,并不是所有写入DDRAM的字符代码都能在屏幕上显示出来,只有写在上图所示范围内的字符才可以显示出来,写在范围外的字符不能显示出来。这样,我们在程序中可以利用下面的“光标或显示移动指令”使字符慢慢移动到可见的显示范围内,看到字符的移动效果。
前面说了,为了在液晶屏幕上显示字符,就把字符代码送入DDRAM。例如,如果想在屏幕左上角显示字符‘A’,那么就把字符‘A’的字符代码41H写入DDRAM的00H地址处即可。至于怎么写入,后面会有说明。那么为什么把字符代码写入DDRAM,就可以在相应位置显示这个代码的字符呢?我们知道,LCD1602是一种字符点阵显示器,为了显示一种字符的字形,必须要有这个字符的字模数据,什么叫字符的字模数据,看看下面的这个图就明白了(如图9)。

图9
上图的左边就是字符‘A’的字模数据,右边就是将左边数据用“○”代表0,用“■”代表1。从而显示出‘A’这个字形。从下面的图可以看出,字符‘A’的高4位是0100,低4位是0001,合在一起就是01000001b,即41H。它恰好与该字符的ASCII码一致,这样就给了我们很大的方便,我们可以在PC上使用P2=‘A’这样的语法。编译后,正好是这个字符的字符代码。
在LCD1602模块上固化了字模存储器,就是CGROM和CGRAM,HD44780内置了192个常用字符的字模,存于字符产生器CGROM(Character Generator ROM)中,另外还有8个允许用户自定义的字符产生RAM,称为CGRAM(Character Generator RAM)。下图(如图12)说明了CGROM和CGRAM与字符的对应关系。从ROM和RAM的名字我们也可以知道,ROM是早已固化在LCD1602模块中的,只能读取;而RAM是可读写的。也就是说,如果只需要在屏幕上显示已存在于CGROM中的字符,那么只须在DDRAM中写入它的字符代码就可以了;但如果要显示CGROM中没有的字符,比如摄氏温标的符号,那么就只有先在CGRAM中定义,然后再在DDRAM中写入这个自定义字符的字符代码即可。和CGROM中固化的字符不同,CGRAM中本身没有字符,所以要在DDRAM中写入某个CGROM不存在的字符,必须在CGRAM中先定义后使用。程序退出后CGRAM中定义的字符也不复存在,下次使用时,必须重新定义。

图10
上面这个图(如图10)说明的是5×8点阵和5×10点阵字符的字形和光标的位置。先来说5×8点阵,它有8行5列。那么定义这样一个字符需要8个字节,每个字节的前3个位没有被使用。例如,定义摄氏温标的符号{0x10,0x06,0x09,0x08,0x08,0x09,0x06,0x00}。

图11
上面这个图(如图11)说明的是设置CGRAM地址指令。从这个指令的格式中我们可以看出,它共有aaaaaa这6位,一共可以表示64个地址,即64个字节。一个5×8点阵字符共占用8个字节,那么这64个字节一共可以自定义8个字符。也就是说,上面这个图的6位地址中的DB5DB4DB3用来表示8个自定义的字符,DB2DB1DB0用来表示每个字符的8个字节。这DB5DB4DB3所表示的8个自定义字符(0--7)就是要写入DDRAM中的字符代码。我们知道,在CGRAM中只能定义8个自定义字符,也就是只有0—7这8个字符代码,但在下面的这个表(如图12)中一共有16个字符代码(××××0000b--××××1111b)。实际上,如图所示,它只能表示8个自定义字符 (××××0000b=××××1000b, ××××0001b=××××1001b……依次类推)。也就是说,写入DDRAM中的字符代码0和字符代码8是同一个自定义字符。 5×10点阵每个字符共占用16个字节的空间,所以CGRAM中只能定义4个这样的自定义字符。
那么如何在CGRAM中自定义字符呢?在上面的介绍中,我们知道有一个设置CGRAM地址指令,同写DDRAM指令相似,只须设置好某个自定义字符的字模数据,然后按照上面介绍的方法,设置好CGRAM地址,依次写入这个字模数据即可。我们在后面的例子中再进行说明。

图12
四.LCD1602指令
1.工作方式设置指令(如图13)

图13
×:不关心,也就是说这个位是0或1都可以,一般取0。
DL:设置数据接口位数。
DL=1:8位数据接口(D7—D0)。
DL=0:4位数据接口(D7—D4)。
N=0:一行显示。
N=1:两行显示。
F=0:5×8点阵字符。
F=1:5×10点阵字符。
说明:因为是写指令字,所以RS和RW都是0。LCD1602只能用并行方式驱动,不能用串行方式驱动。而并行方式又可以选择8位数据接口或4位数据接口。这里我们选择8位数据接口(D7—D0)。我们的设置是8位数据接口,两行显示,5×8点阵,即0b00111000也就是0x38。(注意:NF是10或11的效果是一样的,都是两行5×8点阵。因为它不能以两行5×10点阵方式进行显示,换句话说,这里用0x38或0x3c是一样的)。
2.显示开关控制指令(如图14)

图14
D=1:显示开,D=0:显示关。
C=1:光标显示,C=0:光标不显示。
B=1:光标闪烁,B=0:光标不闪烁。
说明:这里的设置是显示开,不显示光标,光标不闪烁,设置字为0x0c。
3.进入模式设置指令(如图15、16)

图15
I/D=1:写入新数据后光标右移。
I/D=0:写入新数据后光标左移。
S=1:显示移动。
S=0:显示不移动。

图16
说明:这里的设置是0x06。
4.光标或显示移动指令(如图17、18)

图17

图18
说明:在需要进行整屏移动时,这个指令非常有用,可以实现屏幕的滚动显示效果。初始化时不使用这个指令。
5.清屏指令(如图19)

图19
说明:清除屏幕显示内容。光标返回屏幕左上角。执行这个指令时需要一定时间。
6.光标归位指令(如图20)

图20
说明:光标返回屏幕左上角,它不改变屏幕显示内容。
7.设置CGRAM地址指令(如图21)

图21
说明:这个指令在上面已经介绍过。用法在后面例子中说明。
8.设置DDRAM地址指令(如图22)

图22
说明:这个指令用于设置DDRAM地址。在对DDRAM进行读写之前,首先要设置DDRAM地址,然后才能进行读写。前面我们说过,DDRAM就是LCD1602的显示存储器。我们要在它上面进行显示,就要把要显示的字符写入DDRAM。同样,我们想知道DDRAM某个地址上有什么字符,也要先设置DDRAM地址,然后将它读出到单片机。
9.读忙信号和地址计数器AC(如图23)

图23
说明:这个指令用来读取LCD1602状态。对于单片机来说,LCD1602属于慢速设备。当单片机向其发送一个指令后,它将去执行这个指令。这时如果单片机再次发送下一条指令,由于LCD1602速度较慢,前一条指令还未执行完毕,它将不接受这新的指令,导致新的指令丢失。因此这条读忙指令可以用来判断LCD1602是否忙,能否接收单片机发来的指令。当BF=1,表示LCD1602正忙,不能接受单片机的指令;当BF=0,表示LCD1602空闲,可以接收单片机的指令。RS=0,表示是指令;RW=1,表示是读取。这条指令还有一个副产品:即可以得到地址记数器AC的值(address counter)。LCD1602维护了一个地址计数器AC,用来记录下一次读写CGRAM或DDRAM的位置。需要强调的是:这条指令我一次也没有执行成功。很多网友似乎也是这样。好在我们有另外的办法,也就是延时。通过查看每条指令的执行时间,再经过一些试验,可以确定指令的延时。这样就可以在上一条指令执行完毕后再执行下一条指令了。
10.写数据到CGRAM或DDRAM指令(如图24)

图24
说明:RS=1,数据;RW=0,写。指令执行时,要在DB7—DB0上先设置好要写入的数据,然后执行写命令。
11.从CGRAM或DDRAM读数据指令(如图25)

图25
说明:RS=1,数据;RW=1,读。先设置好CGRAM或DDRAM的地址,然后执行读取命令。数据就被读入后DB7—DB0。
五.实例
下面我们就以一个实例来结束这篇文章。先介绍一下背景:单片机最小系统(扩充了外部RAM 62256)。采用STC89C52RC,晶振22.1184MHZ。以5×8点阵,16×2行,8位数据端口。首先在第一行显示“I love MCU!”,第二行显示“LCD1602 Test!”。延时一段时间,清屏。然后在第一行显示自定义字符:摄氏温标标志。第二行显示圆周率(pai)标志。再延时一段时间,清屏。最后在第一行显示“Welcome to my blog!”,显示方式是从屏幕右面移入,左面移出。周而复始(如图26)。

图26
例程:
#include #include"./delay/delay.h" sbit RS = P2^4; sbit RW = P2^5; sbit E = P2^6; #define LCDPORT P0 #define LCD_WRITE_DATA 1 #define LCD_WRITE_COM 0 void lcd_write(unsigned char byte,unsigned char flag) { if(flag) { RS = 1;//数据 } else { RS = 0;//命令 } RW = 0;//写 E = 1;//使能 LCDPORT = byte; delay_us(10); E = 0; } void lcd_init() { delay_ms(15); lcd_write(0x38,LCD_WRITE_COM);//设置工作方式,8位数据接口,两行显示,5*8点阵字符 delay_ms(5); lcd_write(0x38,LCD_WRITE_COM); delay_ms(5); lcd_write(0x38,LCD_WRITE_COM); delay_ms(5); lcd_write(0x38,LCD_WRITE_COM); delay_ms(5); lcd_write(0x38,LCD_WRITE_COM); delay_ms(5); lcd_write(0x08,LCD_WRITE_COM);//关闭显示 delay_ms(5); lcd_write(0x01,LCD_WRITE_COM);//清屏 delay_ms(5); lcd_write(0x06,LCD_WRITE_COM);//写入新数据之后光标后移,显示移动 delay_ms(5); lcd_write(0x0c,LCD_WRITE_COM);//显示开,光标不显示,光标不闪烁 delay_ms(5); } void dis_lcd_write(unsigned char x,unsigned char y,unsigned char byte) { unsigned char i = 0; /*byte*/ if(y == 0) { lcd_write(0x80+x,LCD_WRITE_COM); lcd_write(byte,LCD_WRITE_DATA); } if(y == 1) { lcd_write(0x80+0x40+x,LCD_WRITE_COM); lcd_write(byte,LCD_WRITE_DATA); } } void dis_lcd_src(unsigned char x,unsigned char y,unsigned char *src) { if(y == 0) { lcd_write(0x80+x,LCD_WRITE_COM); } if(y == 1) { lcd_write(0x80+0x40+x,LCD_WRITE_COM); } while(*src != '




