历史上的今天
今天是:2024年09月30日(星期一)
2019年09月30日 | stm32的can总线理解及应用——程序对应stm32f103系列
2019-09-30 来源:eefocus
CAN 是Controller Area Network 的缩写(以下称为CAN),是ISO国际标准化的串行通信协议。
它的通信速度较快,通信距离远,最高1Mbps(距离小于40米),最远可达10千里(速率低于5Kbps)。在总线空闲时,所有单元都可以发送消息(多主控制),而两个以上的单元同时开始发送消息时,根据标识符(Identifier 以下称为 ID)决定优先级。ID 并不是表示发送的目的地址,而是表示访问总线的消息的优先级。两个以上的单元同时开始发送消息时,对各消息ID 的每个位进行逐个仲裁比较。仲裁获胜(被判定为优先级最高)的单元可继续发送消息,仲裁失利的单元则立刻停止发送而进行接收工作。
CAN协议经过ISO标准化后有两个标准:ISO11898标准和ISO11519-2标准。其中ISO11898是针对通信速率为125Kbps~1Mbps的高速通信标准,而ISO11519-2是针对通信速率为125Kbps以下的低速通信标准。
本章,我们使用的是450Kbps的通信速率,使用的是ISO11898标准,该标准的物理层特征如图1所示:

从该特性可以看出,显性电平对应逻辑0,CAN_H和CAN_L之差为2.5V左右。而隐性电平对应逻辑1,CAN_H和CAN_L之差为0V。在总线上显性电平具有优先权,只要有一个单元输出显性电平,总线上即为显性电平。而隐形电平则具有包容的意味,只有所有的单元都输出隐性电平,总线上才为隐性电平(显性电平比隐性电平更强)。另外,在CAN总线的起止端都有一个120Ω的终端电阻,来做阻抗匹配,以减少回波反射。
CAN协议是通过以下5种类型的帧进行的:
l 数据帧
l 摇控帧
l 错误帧
l 过载帧
l 帧间隔
另外,数据帧和遥控帧有标准格式和扩展格式两种格式。标准格式有11 个位的标识符(ID),扩展格式有29 个位的ID。
1.数据帧
数据帧一般由7个段构成,即:
(1) 帧起始。表示数据帧开始的段。
(2) 仲裁段。表示该帧优先级的段。
(3) 控制段。表示数据的字节数及保留位的段。
(4) 数据段。数据的内容,一帧可发送0~8个字节的数据。
(5) CRC段。检查帧的传输错误的段。
(6) ACK段。表示确认正常接收的段。
(7) 帧结束。表示数据帧结束的段。
如图2为数据帧的构成:

图中D表示显性电平,R表示隐形电平(下同)。
帧起始,标准帧和扩展帧都是由1个位的显性电平表示帧起始。
仲裁段,表示数据优先级的段,标准帧和扩展帧格式在本段有所区别,标准格式的ID 有11 个位。从ID28 到ID18 被依次发送。禁止高7 位都为隐性(禁止设定:ID=1111111XXXX,原因:can通信采用的是NZR编码,而can的仲裁是靠数据帧中的ID部分来实现的,全为隐性状态,可能导致仲裁失败!)。扩展格式的 ID 有29 个位。基本ID 从ID28 到ID18,扩展ID 由ID17 到ID0 表示。基本ID 和标准格式的ID 相同。禁止高7 位都为隐性(禁止设定:基本ID=1111111XXXX)。
其中RTR位用于标识是否是远程帧(0,数据帧;1,远程帧),IDE位为标识符选择位(0,使用标准标识符;1,使用扩展标识符),SRR位为代替远程请求位,为隐性位,它代替了标准帧中的RTR位。
控制段,由6个位构成,表示数据段的字节数。
数据段,该段可包含0~8个字节的数据。从最高位(MSB)开始输出,标准帧和扩展帧在这个段的定义都是一样的。
CRC段,该段用于检查帧传输错误。由15个位的CRC顺序和1个位的CRC界定符(用于分隔的位)组成,标准帧和扩展帧在这个段的格式也是相同的。
ACK段,此段用来确认是否正常接收。由ACK槽(ACK Slot)和ACK界定符2个位组成。标准帧和扩展帧在这个段的格式也是相同的。
2.远程帧(遥控帧)
远程帧作用:只发送ID号,不发送数据,它将ID发给另一台设备,请求另一台设备返回数据。
3.CAN总线波特率设置
位速率:由发送单元在非同步的情况下发送的每秒钟的位数称为位速率。一个位可分为 4 段。
l 同步段(SS)
l 传播时间段(PTS)
l 相位缓冲段1(PBS1)
l 相位缓冲段2(PBS2)
这些段又由可称为 Time Quantum(以下称为Tq)的最小时间单位构成。
1 位分为4 个段,每个段又由若干个Tq 构成,这称为位时序。
1 位由多少个Tq 构成、每个段又由多少个Tq 构成等,可以任意设定位时序。通过设定位时序,多个单元可同时采样,也可任意设定采样点。STM32把传播时间段和相位缓冲段1(STM32称之为时间段1)合并了,所以STM32的CAN一个位只有3段:同步段(SYNC_SEG)、时间段1(BS1)和时间段2(BS2)。STM32的BS1段可以设置为1~16个时间单元,刚好等于我们上面介绍的传播时间段和相位缓冲段1之和。STM32的CAN位时序如图3所示:

图中还给出了CAN波特率的计算公式,我们只需要知道BS1和BS2的设置,以及APB1的时钟频率(一般为36Mhz),就可以方便的计算出波特率。比如设置TS1=6、TS2=7和BRP=4,在APB1频率为36Mhz的条件下,即可得到CAN通信的波特率=36000/[(7+8+1)*5]=450Kbps。图4是常见CAN总线的波特率设置:




4.CAN总线屏蔽滤波
STM32的标识符屏蔽滤波目的是减少了CPU处理CAN通信的开销。STM32的过滤器组最多有28个(互联型),但是STM32F103ZET6只有14个(增强型),每个滤波器组x由2个32为寄存器,CAN_FxR1和CAN_FxR2组成。
STM32每个过滤器组的位宽都可以独立配置,以满足应用程序的不同需求。根据位宽的不同,每个过滤器组可提供:
● 1个32位过滤器,包括:STDID[10:0]、EXTID[17:0]、IDE和RTR位
● 2个16位过滤器,包括:STDID[10:0]、IDE、RTR和EXTID[17:15]位
此外过滤器可配置为,屏蔽位模式和标识符列表模式。
在屏蔽位模式下,标识符寄存器和屏蔽寄存器一起,指定报文标识符的任何一位,应该按照“必须匹配”或“不用关心”处理。
而在标识符列表模式下,屏蔽寄存器也被当作标识符寄存器用。因此,不是采用一个标识符加一个屏蔽位的方式,而是使用2个标识符寄存器。接收报文标识符的每一位都必须跟过滤器标识符相同。
滤波过程举例:
现有ID号为001,002,003,004的4个CAN,他们都能发送、接收广播报文。站在CAN002号角度看,它所能接受到报文的ID是通过滤波器滤波后的ID号,即这里将过滤方式分两种,一是002号能接收多个ID报文(屏蔽滤波模式),二是002号只能接收一个ID报文(标识符列表模式)。
屏蔽滤波模式:
标识符寄存器:0 0 1
屏蔽寄存器: 1 0 1
报文ID号: 0 0/1 1
如果设置标识符寄存器和屏蔽寄存器为001和101;屏蔽滤波模式的作用是如果屏蔽寄存器某位上出现了1,则报文ID号对应的那位要与标识符寄存器那位一致,即“必须匹配”原则,所以标识符寄存器第一位0,报文ID号第一位也必须为0,因为屏蔽寄存器第一位为1,类似的第三位也是这样。如果屏蔽寄存器某位上出现了0,则报文ID号对应的那位可与标识符寄存器那位不一致也可以一致,即“不用关心”原则,第二位由于屏蔽寄存器上为0,所以报文ID号可以与标识符寄存器上的0一致也可以不一致,故报文ID号第二位为0/1。所以002号(010)可以接受来自001号(001)和003号(011)的报文。
标识符列表模式:将设置的屏蔽寄存器改为标识符寄存器
标识符寄存器:0 0 1
标识符寄存器: 0 0 1
报文ID号: 0 0 1
如果设置2个标识符寄存器为001和001;报文ID号必须与这两个标识符寄存器所对应的位相等。所以002号CAN只能接受001号的报文。
下图5是CAN_FMR寄存器,可以配置过滤器组的寄存器位数16还是32位,工作模式以及它和标准帧、扩展帧位数的对应关系,方便我们在不同的帧模式(标准数据帧、扩展数据帧、标准远程帧、扩展远程帧)下对报文ID进行过滤。

5.CAN的发送与接收流程
5.1CAN 发送流程
发送报文的流程为:应用程序选择1个空发送邮箱;设置标识符、数据长度和待发送数据;然后CAN_TIxR寄存器的TXRQ位置1,来请求发送。TXRQ位置1后,邮箱就不再是空邮箱;而一旦邮箱不再为空,软件对邮箱寄存器就不再有写的权限。TXRQ位置1后,邮箱马上进入挂号状态,并等待成为最高优先级的邮箱。一旦邮箱成为最高优先级的邮箱,其状态就变为预定发送状态。当CAN总线进入空闲状态,预定发送邮箱中的报文就马上被发送(进入发送状态)。邮箱中的报文被成功发送后,它马上变为空邮箱,硬件相应地对CAN_TSR寄存器的RQCP和TXOK位置1,此时可以设置发送中断(入口地址:USB_HP_CAN_TX_IRQChannel()),进入中断置can_tx_flag_success=1,来表明一次成功发送。
5.2CAN接收流程
接收到的报文,被存储在3级邮箱深度的FIFO中。FIFO完全由硬件来管理,从而节省了CPU的处理负荷,简化了软件并保证了数据的一致性。应用程序只能通过读取FIFO输出邮箱,来读取FIFO中最先收到的报文。根据CAN协议,当报文被正确接收(直到EOF域的最后1位都没有错误),且通过了标识符过滤,那么该报文被认为是有效报文。接收相关的中断条件:
一旦往FIFO存入1个报文,硬件就会更新FMP[1:0]位,并且如果CAN_IER寄存器的FMPIE位为1,那么就会产生一个中断请求,可以进入接收中断读取接收的数据(入口地址:USB_LP_CAN_RX0_IRQChannel())。
当FIFO变满时(即第3个报文被存入),CAN_RFxR寄存器的FULL位就被置1,并且如果CAN_IER寄存器的FFIE位为1,那么就会产生一个满中断请求。
在溢出的情况下,FOVR位被置1,并且如果CAN_IER寄存器的FOVIE位为1,那么就会产生一个溢出中断请求。
6.CAN总线应用——CAN与上位机通讯实验(基于stm32f103zet6)
6.1硬件设计
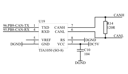
本文的TX与RX采用PB9和PB8(端口重映射),他们与CAN收发器连接,CAN收发器(芯片有很多,如:TJA1050;SN65VD230)与USB/CAN转换器连接到PC机上,具体电路如图6。
CAN收发器:

usb/can转换器:某宝上有卖,100多就行。
6.2程序
#include "pbdata.h"
void RCC_Configuration(void);
void GPIO_Configuration(void);
void NVIC_Configuration(void);
void CAN_Configuration(void);
int main(void)
{
CanTxMsg TxMessage;
RCC_Configuration(); //时钟配置
GPIO_Configuration();//端口配置
NVIC_Configuration();
CAN_Configuration();
while(1)
{
//每隔1s发送一个报文,一个报文8B
TxMessage.StdId=0xFF00>>5;//标准帧只有31-21位,对于16位寄存器而言,低五位为扩展帧,所以在写16位数据时,最后5位置0
TxMessage.ExtId=0;
TxMessage.IDE=CAN_ID_STD;//选择发送标准帧
//TxMessage.StdId=0;
//TxMessage.ExtId=0xFFFFFFFF>>3;//扩展帧只有18位,在32位数据时最后三位为(IDE,RTR,TXRQ),所以在写扩展帧时,最后三位要置0
//TxMessage.IDE=CAN_ID_EXT;
//发送扩展帧
TxMessage.RTR=CAN_RTR_DATA;//发送的是数据帧
//TxMessage.RTR=CAN_RTR_REMOTE;//远程帧,只发送ID,不发送数据,将ID发给另一台设备,请求另一台设备返回数据
TxMessage.DLC=8;//数据长度8B
TxMessage.Data[0]=0x11;
TxMessage.Data[1]=0x22;
TxMessage.Data[2]=0x33;
TxMessage.Data[3]=0x44;
TxMessage.Data[4]=0x55;
TxMessage.Data[5]=0x66;
TxMessage.Data[6]=0x77;
TxMessage.Data[7]=0x88;
//数据内容
can_tx_success_flag = 0;
CAN_Transmit(CAN1,&tx_message);//can发送数据
while(can_tx_success_flag == 0);//是否一次发送成功
delay_ms(1000);//1s一次
}
}
void RCC_Configuration(void)
{
SystemInit();//72m
RCC_APB2PeriphClockCmd(RCC_APB2Periph_GPIOA,ENABLE);
RCC_APB2PeriphClockCmd(RCC_APB2Periph_GPIOB,ENABLE);
RCC_APB2PeriphClockCmd(RCC_APB2Periph_USART1,ENABLE);
RCC_APB2PeriphClockCmd(RCC_APB2Periph_AFIO,ENABLE);
RCC_APB1PeriphClockCmd(RCC_APB1Periph_CAN1,ENABLE);
}
void GPIO_Configuration(void)
{
GPIO_InitTypeDef GPIO_InitStructure;
//端口重映射
GPIO_PinRemapConfig(GPIO_Remap1_CAN1,ENABLE);
GPIO_InitStructure.GPIO_Pin=GPIO_Pin_8;//RX
GPIO_InitStructure.GPIO_Mode=GPIO_Mode_IPU;
GPIO_Init(GPIOB,&GPIO_InitStructure);
GPIO_InitStructure.GPIO_Pin=GPIO_Pin_9;//TX
GPIO_InitStructure.GPIO_Speed=GPIO_Speed_50MHz;
GPIO_InitStructure.GPIO_Mode=GPIO_Mode_AF_PP;
GPIO_Init(GPIOB,&GPIO_InitStructure);
}
void NVIC_Configuration(void)
{
NVIC_InitTypeDef NVIC_InitStructure;
NVIC_PriorityGroupConfig(NVIC_PriorityGroup_1);
NVIC_InitStructure.NVIC_IRQChannel = USB_LP_CAN1_RX0_IRQn;
NVIC_InitStructure.NVIC_IRQChannelPreemptionPriority = 0;
NVIC_InitStructure.NVIC_IRQChannelSubPriority = 0;
NVIC_InitStructure.NVIC_IRQChannelCmd = ENABLE;
NVIC_Init(&NVIC_InitStructure);
}
void CAN_Configuration(void)
{
//硬件上有个can/usb才能与PC通讯
CAN_InitTypeDef CAN_InitStructure;
CAN_FilterInitTypeDef CAN_FilterInitStructure;
CAN_DeInit(CAN1);
CAN_StructInit(&CAN_InitStructure);
//关闭时间触发模式
CAN_InitStructure.CAN_TTCM=DISABLE;
//关闭自动离线管理
CAN_InitStructure.CAN_ABOM=DISABLE;
//关闭自动唤醒模式
CAN_InitStructure.CAN_AWUM=DISABLE;
//禁止报文自动重传
CAN_InitStructure.CAN_NART=DISABLE;
//FIFO溢出时报文覆盖源文件
CAN_InitStructure.CAN_RFLM=DISABLE;
//报文发送优先级取决于ID号,本次只用了一个发送邮箱,关闭TXFP
CAN_InitStructure.CAN_TXFP=DISABLE;
//工作模式(正常)
CAN_InitStructure.CAN_Mode=CAN_Mode_Normal;
//波特率设置125 KBPS
CAN_InitStructure.CAN_SJW=CAN_SJW_1tq;
CAN_InitStructure.CAN_BS1=CAN_BS1_3tq;
CAN_InitStructure.CAN_BS2=CAN_BS2_2tq;
CAN_InitStructure.CAN_Prescaler = 48;
//初始化CAN
CAN_Init(CAN1,&CAN_InitStructure);
//屏蔽滤波(can接收才涉及)
CAN_FilterInitStructure.CAN_FilterNumber=0;//0号滤波器
//屏蔽滤波模式
CAN_FilterInitStructure.CAN_FilterMode=CAN_FilterMode_IdMask;//标识符屏蔽位模式
//32位寄存器
CAN_FilterInitStructure.CAN_FilterScale=CAN_FilterScale_32bit;
//标识符寄存器高16位
CAN_FilterInitStructure.CAN_FilterIdHigh=0x0F00;
//标识符寄存器低16位
CAN_FilterInitStructure.CAN_FilterIdLow=0;
//屏蔽寄存器高16位
CAN_FilterInitStructure.CAN_FilterMaskIdHigh=0x0F00;
//屏蔽寄存器低16位
CAN_FilterInitStructure.CAN_FilterMaskIdLow=0;
//过滤器将ID报文关联到FIFO0缓存区中,数据只能从这里导出
CAN_FilterInitStructure.CAN_FilterFIFOAssignment=CAN_Filter_FIFO0;
//过滤器使能
CAN_FilterInitStructure.CAN_FilterActivation=ENABLE;
//初始化过滤器
CAN_FilterInit(&CAN_FilterInitStructure);
//接收中断使能
CAN_ITConfig(CAN1,CAN_IT_FMP0,ENABLE);
//发送中断使能
CAN_ITConfig(CAN1,CAN_IT_TME,ENABLE);
}
void USB_LP_CAN1_RX0_IRQHandler(void)
{
CanRxMsg RxMessage;
CanTxMsg TxMessage;
//CAN接收
CAN_Receive(CAN1,CAN_FIFO0,&RxMessage);//can接收的数据存在FIFO0的RxMessage里
TxMessage.StdId=RxMessage.StdId;//标准ID
TxMessage.ExtId=RxMessage.ExtId;//扩展ID
TxMessage.IDE=RxMessage.IDE;//标准帧还是扩展帧
TxMessage.RTR=RxMessage.RTR;//数据帧还是远程帧
TxMessage.DLC=RxMessage.DLC;//待传输数据长度
TxMessage.Data[0]=RxMessage.Data[0];
TxMessage.Data[1]=RxMessage.Data[1];
TxMessage.Data[2]=RxMessage.Data[2];
TxMessage.Data[3]=RxMessage.Data[3];
TxMessage.Data[4]=RxMessage.Data[4];
TxMessage.Data[5]=RxMessage.Data[5];
TxMessage.Data[6]=RxMessage.Data[6];
TxMessage.Data[7]=RxMessage.Data[7];
//CAN发送
CAN_Transmit(CAN1,&TxMessage);
}
//进发送中断的目的是为了设置can发送成功标志位
void USB_HP_CAN1_TX_IRQHandler(void) //CAN TX
{
if (CAN_GetITStatus(CAN1,CAN_IT_TME)!= RESET)
{
CAN_ClearITPendingBit(CAN1,CAN_IT_TME);
can_tx_success_flag=1;
}
}
上一篇:stm32f103定时器中断
下一篇:CAN总线发送与接收函数
史海拾趣
|
1 引言 20世纪末,全球范围内兴起的信息革命浪潮,为汽车工业的突破性发展提供了千载难逢的机遇,信息技术的广泛应用是解决汽车带来的诸如交通拥挤、交通安全、环境污染、能源枯竭等问题的最佳途径。同时,随着汽车电子技术的发展,电子组件 ...… 查看全部问答> |
|
身边有车的朋友越来越多,汽车已经成为许多中国人离开住所后最先进入的地方,这样看来,把汽车称作一个可以把人们护送到目的之地的“移动之家”亦不为过。人们希望在自己的家庭中感受到安全、温暖、舒适,愉快;推广开来,在离开家门进入爱车的时刻 ...… 查看全部问答> |
|
本帖最后由 paulhyde 于 2014-9-15 09:01 编辑 我是一名电子信息工程专业的大四学生,开学后马上要面临考研和工作的问题。 在假期经过几天的考虑,我觉得目前相对考研,如果先工作的话似乎能在两年的时间里学到更多贴近实际的知识和技术,到那时 ...… 查看全部问答> |
|
各位, 在wince6.0中,中断方式和查询方式有什么不同? 读EEPROM和摄像头一般是用什么方式? 在注册表里也有个默认的方式设置。 ;------------------------------------------------------------------------- ;------------ I2C Bus Driver - ...… 查看全部问答> |
|
终于系统和BIOS都跑起来了!其他都正常,但是WINCE启动后,桌面右键点击后或出现右键的弹出菜单“刷新、新建等”,当出现这个菜单后不对系统做任何动作,大约30S后,发现菜单的焦点会不断从上滚动到下,速度很快,感觉好像使用了键盘下键,几秒钟 ...… 查看全部问答> |
|
我做了块SIM300的GPRS的模块,遇到下述问题: 连接UDP可以正常连接,而且也能正确收发数据。但是TCP链接不上,用PC机的串口操作如下所示: UDP操作 1. AT 2. ...… 查看全部问答> |




