历史上的今天
今天是:2024年11月26日(星期二)
2019年11月26日 | 高能效车载充电方案
2019-11-26 来源:安森美半导体
电动、混动汽车可通过直流充电桩或普通的交流电源插座对其高压电池子系统进行充电,车载充电器(OBC)是交流充电的核心系统。安森美半导体作为汽车功能电子化的领袖之一,为电动汽车OBC和直流充电桩提供碳化硅(SiC) MOSFET、超级结MOSFET、IGBT和汽车功率模块(APM)等广泛的产品阵容乃至完整的系统方案,以专知和经验支持设计人员优化性能,加快开发周期。本文将主要介绍针对主流功率等级的高能效OBC方案。
典型的OBC系统架构和功率等级
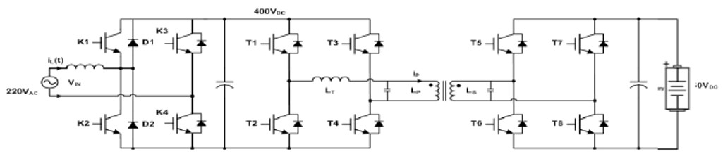
1个典型的OBC由多个级联级组成,包括功率因数校正(PFC)、DC-DC转换器、次级整流、辅助电源、控制及驱动电路。

图1:典型的OBC系统架构
OBC具有多种功率等级,功率等级越高,充电时间就越短。车厂必须根据整车要求定义适当的OBC功率等级。这些OBC需要大功率的交流电源,根据OBC的设计,由单相或三相电源供电。最流行的OBC功率等级是3.3kW、6.6kW、11kW和22kW;每一个对应于不同的常见交流功率等级,如表1所示。安森美半导体可提供单相3.3 kW、6.6 kW和三相11 kW OBC方案。

三相11 kW 车载充电器平台SEC-3PH-11-OBC-EVB
SEC-3PH-11-OBC-EVB是安森美半导体新推出的三相11 kW PFC-LLC OBC平台,采用符合AEC-Q101的 SiC功率器件和驱动器,包括1200 V、80mΩ NVHL080N120SC1高性能SiC MOSFET、6 A SiC MOSFET门极驱动器NCV51705和650 V、30 A SiC二极管 FFSB3065B-F085,系统能效超过95%。该套件采用模块化方法,配备用户友好的图形用户接口(GUI),从而简化和加快评估。LLC系统由嵌入式软件以电压或电流控制模式驱动。该平台展示SiC器件用于OBC可提供的高能效、高功率密度、小占位优势,也可作为开发3相PFC-LLC拓扑系统的学习环境。该套件的关键参数为:输入电压195至265 Vac,直流总线电压最大值735 Vdc,输出电压200至450 Vdc,输出电流0至40 A,最高频率fs 400 kHz。

图2:安森美半导体的三相11 kW OBC 套件
6.6 kW OBC参考设计
该6.6 kW OBC参考设计采用三通道交错式PFC-LLC以获得高能效和高功率密度,并减少电流纹波,总线电压可根据输出电压调节以优化能效。输入电压90至264 Vac,输出电流0至16 A,典型能效94%。关键器件包括超级结MOSFET NVHL040N65S3F、NTPF082N65S3F,650 V、30 A SiC二极管FFSP3065A、PFC控制器FAN9673、LLC控制器FAN7688等。
高能效的IGBT应对电动汽车车载充电的重要趋势:双向充电
在电动汽车电池和建筑物或电网之间进行双向充电(V2X)将成为电动汽车车载充电的重要趋势。双向充电应考虑充放电能效,以确保转换时不浪费能量,需要图腾柱无桥PFC,此时,反向恢复性能至关重要。集成外部SiC二极管的IGBT比MOSFET方案提供更高能效,因为没有相关的正向或反向恢复损耗。如图3是双向充电的电路图,对于K3和K4,需要快速开关、低饱和压降Vcesat、低正向电压Vf的器件。安森美半导体提供宽广的符合AEC车规的IGBT系列,包括650 V/750 V/ 950 V 第4代沟槽场截止IGBT和1200 V超高速沟槽场截止IGBT,具备更低的损耗和更高的功率密度,以及集成SiC二极管的混合IGBT方案AFGHL50T65SQDC。

图3:双向充电电路图
SiC方案降低损耗
SiC比硅方案降低开关损耗和导通损耗,提供新的性能水平。安森美半导体投入宽禁带的开发近10年,是少数同时具备硅、SiC和氮化镓(GaN)技术的供应商,针对车载充电应用,提供汽车级650 V SiC二极管(涵盖6 A到50 A)、1200 V SiC二极管(涵盖10 A 到40 A)、1200 V SiC MOSFET (涵盖20 到80mΩ)。这些SiC二极管最高结温175℃,具有高浪涌电流能力,正温系数,易于并联,无反向恢复损耗,符合AEC-Q101和生产件批准程序(PPAP)。这些SiC MOSFET最高结温175℃,提供高速开关和低电容,100%经无钳位感性负载(UIL)测试,符合AEC-Q101和生产件批准程序(PPAP)。
超级结MOSFET:比平面硅方案性能更好,比SiC方案更具成本优势
安森美半导体具备10年汽车超级结MOSFET经验,最新的第三代超级结MOSFET提供领先行业的能效和性能,现有的超级结MOSFET分立器件可提供KGD裸芯,并于2018年推出APM模块。
超级结MOSFET有快速版本(FAST Version)、易驱动版本(Easy Drive Version)和快恢复版本(FRFET Version)。快速版本主要针对工业级应用。易驱动版本由于内置门极电阻Rg和优化电容,降低电压尖峰和电磁干扰(EMI)。快恢复版本具有同类最佳的体二极管。
APM模块
APM模块可用于OBC的PFC、LLC转换、整流等各个功率级,减少器件数,缩减尺寸和重量,提高功率密度,并降低总系统成本。如安森美半导体2018年推出的APM16,高度集成的紧凑设计,具备集成所有硅和SiC技术、全桥或半桥拓扑的灵活性,热阻抗低,符合AQG324、IEC60664-1、IEC60950-1等标准。
门极驱动
安森美半导体提供大驱动电流的驱动器提升系统能效,隔离技术安全、可靠、经认证,不产生EMI也不受系统产生的EMI影响,强固的共模瞬态抑制可抵抗高压和大功率开关应用中出现的系统电压瞬变。如16引脚隔离门极驱动器NCV57000 大电流单通道IGBT驱动器,内置伽伐尼安全隔离设计,在要求高可靠性的电源应用中提供高能效工作,具有米勒平台电压下的大电流,伽伐尼隔离额定值大于5 kVrms,满足UL 1577的要求,工作电压高于1200 V,其它特性包括软关断以抑制尖峰电压、可编程延迟去饱和(DESAT)保护,传输延迟典型值66 ns、短路时IGBT门极钳位等。
总结
车载充电市场随着电动汽车电动动力总成需求的增长而增长。安森美半导体除了提供广泛的超级结MOSFET、IGBT、门极驱动,还针对V2X等趋势和功率等级及占位面积等挑战推出集成SiC的混合IGBT、SiC MOSFET、APM模块,应用于车载充电的PFC、DC-DC、整流、辅助电源、驱动等各个功率级,提高能效、性能、功率密度,减小损耗和占位空间,同时积极扩展现有产品阵容,推出用于3.3kW、6.6kW、11kW等主流功率等级的OBC开发套件,帮助加快设计和评估,其最新推出的三相11 kW 车载充电器平台SEC-3PH-11-OBC-EVB采用SiC技术,能效水平超过95%,功率密度高,可执行的数字控制和可用的GUI确保无忧的启动和用户友好的体验,还可作为开发3相PFC-LLC拓扑系统的学习环境。
史海拾趣
|
在论坛上看了几位高手的例子,下载了不得1602的资料和ICCAVR的代码,弄了一块1602回来,在双龙的SL-MEGA8板子上测试,但1602什么都不显示,现有几个问题请教; 1:1602是否已经自带了标准的字库,以至于我们向1602按一定的时序发送某个字符时,1602会自动 ...… 查看全部问答> |
|
最近看了L298N的数据手册,关于第1和15脚,上面说接一个检测电阻,可以用来作为过压的输出信号,从而起到保护芯片的作用。那位大虾知道的,说一下… 查看全部问答> |
|
ActivateDeviceEx如何加载指定目录下的dll ? ActivateDeviceEx加载驱动时是默认的windows\\目录下的DLL,这样需要DLL与内核一块打包成NK。 如何加载我应用程序目录下的dll ?这样可以使驱动程序和应用程序一块打包。… 查看全部问答> |
|
小弟是个菜鸟,不知道SRAM里的读出放大器电路是什么组成的?PC的cache里的放大器是什么组成的?一般书上的运算放大器可以吗?哪种的功耗比较低啊?谢谢!… 查看全部问答> |
|
SLC nand flash 最快速度可以达到多少啊? 可以是理论上的,单个plane,不是Micron那么多通道的???????????????… 查看全部问答> |
|
现有DE2开发板一块,芯片2C35,由于刚好有师兄借的DE2-70,后来搞嵌入式去了,所以一直未用,只是开封测试过而已,就再也没有用过了,里面还是新板的味道,嘿嘿 现在出售DE2开发板,降价到1000出售了~联系方式QQ:1145755342 [ 本帖最后由 FCloud ...… 查看全部问答> |




