历史上的今天
今天是:2024年12月16日(星期一)
2019年12月16日 | pic单片机红外夜视仪设计
2019-12-16 来源:elecfans
随着汽车市场的快速发展和安防意识的日益强化,人们对汽车安全保障技术的要求越来越高,而现有汽车照明系统在雪夜、雪天或大雾等能见度较低情况下视距不远、效果不佳的弊病成为汽车行驶的安全隐患之一。更严重的是在夜晚行车时,驾驶员通常会被对方车辆的灯光干扰出现盲区,容易发生车祸。夜视系统却可以在黑暗中帮助驾驶员导航,使驾驶员在有灯光和黑暗两种情况下都能看清驾驶环境。因此开发一种结构简单、性能稳定、可靠性好、适用性强的汽车红外夜视系统,具有重要的市场应用前景。

该部分核心是PIC16F877A单片机。它是由美国Microchip公司生产的8位单片机,具有独特的RISC结构,数据总线和指令总线分离的哈佛总线结构。它连接各个终端设备,响应主控机发送来的查询命令,并将被测设备的状态信息回送给主控机。单片机的I/O口与被测设备的终端相连,以获取所需状态信息。电路分为三部分:数据采集电路(图3)、LED显示电路、按键电路。
1 系统总体设计
1)系统原理
根据工作原理的不同,红外夜视系统分为被动红外夜视系统和主动红外夜视系统。主动红外夜视系统利用其所携带的红外光源主动照射目标,由光学系统的物镜接收目标反射回来的红外辐射,并在红外变像管的光阴极面上形成目标辐射的红外图象。变像管对目标的红外图像进行光谱转换和亮度增强,最后在荧光屏上显示出目标的可见光图像,人眼可通过目镜观察增强了的目标图像。考虑到使用的耐久性、经济的合理性、器件的通用性等等,大多选择主动式红外夜视系统作为车载系统。
根据功能目标和设计要求,本系统主要由红外照射灯、CCD摄像机、视频处理系统及车载显示器组成。
2)硬件设计
(1)摄像机选定
摄像机又称摄像头或CCD,它能够将光线变为电荷并可将电荷储存及转移,也可将储存的电荷取出使电压发生变化,是理想的摄像元件。其工作原理为:被摄像体反射光线,传播到镜头,经镜头聚焦到CCD芯片上,CCD根据光的强弱积聚相应的电荷,经周期性放电,产生表示一幅幅画面的电信号,经过滤波、放大处理,通过摄像头的输出端子输出一个标准的复合视频信号。此处选择WAT-902H2型摄像头作为摄像机。它具有摄像效果好、易检修、经济实惠的优点。

该部分核心是PIC16F877A单片机。它是由美国Microchip公司生产的8位单片机,具有独特的RISC结构,数据总线和指令总线分离的哈佛总线结构。它连接各个终端设备,响应主控机发送来的查询命令,并将被测设备的状态信息回送给主控机。单片机的I/O口与被测设备的终端相连,以获取所需状态信息。电路分为三部分:数据采集电路(图3)、LED显示电路、按键电路。
(2)红外照射部分的设计
选用远红外激光器作为光线发射器。它是一种单色性好、光束集中,体积小、寿命长、电光转换效率高的激光发射器。由光纤耦合半导体激光器、驱动电路、温控电路和光束整形镜头组成。核心部分为驱动电路设计。选用DD312作为驱动芯片,它是一款专为大功率LED所设计的单通道恒流驱动芯片,为电流吸人式架构,可提供最大1A的恒流输出,并支持使能端开关功能,单片机指令信号通过光耦加到DD312的使能端,控制激光器的开关。驱动电路见图1。
(3)电源模块的设计
系统中显示器、单片机、MAX487通信芯片、CCD摄像机、激光发射器驱动电路都需要电源供电。其中单片机、DD312驱动芯片要求电源电压比较稳定、纹波小、电磁干扰小。采用LM2576模块为单片机以及DD312驱动芯片提供稳压电源(图2)。MAX4877芯片工作电压比较高,范围比较宽,采用NW1-05S05S功率变换模块为之提供电源。
(4)控制系统的设计
采用PIC16F877A、PIC16F876A两种单片机作为系统的控制芯片,整个控制系统也即为一个小型的传动系统。其中PIC16F877A单片机作为传动系统的初始端,负责数据采集和“记忆”按键;MAX487芯片为通信芯片,负责接收和传递信号。PIC 16F876A单片机作为传动系统的接收端,控制电机的转动。
①初端
该部分核心是PIC16F877A单片机。它是由美国Microchip公司生产的8位单片机,具有独特的RISC结构,数据总线和指令总线分离的哈佛总线结构。它连接各个终端设备,响应主控机发送来的查询命令,并将被测设备的状态信息回送给主控机。单片机的I/O口与被测设备的终端相连,以获取所需状态信息。电路分为三部分:数据采集电路(图3)、LED显示电路、按键电路。

该部分核心是PIC16F877A单片机。它是由美国Microchip公司生产的8位单片机,具有独特的RISC结构,数据总线和指令总线分离的哈佛总线结构。它连接各个终端设备,响应主控机发送来的查询命令,并将被测设备的状态信息回送给主控机。单片机的I/O口与被测设备的终端相连,以获取所需状态信息。电路分为三部分:数据采集电路(图3)、LED显示电路、按键电路。
单片机2脚外接温度传感器,将系统实时温度变化信号传递给单片机;3~7脚外接LED显示电路,引脚低电平信号接通时,相应的LED变亮;8、9脚外接激光器驱动电路,对激光器状态进行检测;19脚外接半导体制冷器,搜集信息,并决定是否触发半导体制冷器工作;22、25、26脚接通信电路,向主控芯片传递信号;27~40脚为云台和镜头按键检测信号,当操作人员按面板上的按键时,单片机通过这些端口接收到按键信号,通过通信电路将这些信息发送到主控芯片,主控芯片收到信号后进行分析、控制,执行相应的命令。
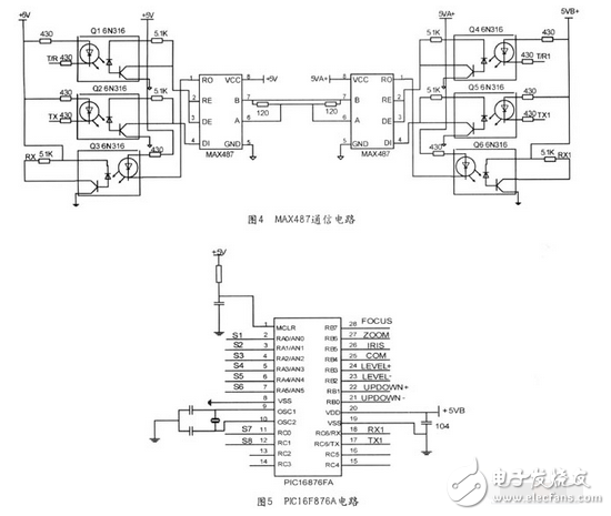
②通信电路
通信电路连接传动系统的初始端和接收端,主要功能是实现信号的接收与传递。采用MAX487芯片,它是一款用于通信的低功率半双工收发器件,内部集成了一个驱动器和接收器。初始端首先对信号进行编码,接收端对信号进行解码,同时为了消除干扰,采用光耦对电路进行了隔离。见图4。
③末端
末端控制芯片采用PIC 16F876A单片机。RA0-RA5、RC0、RC1引脚分别为检测云台上到位、下到位、左到位、右到位、上复位、下复位、左复位、右复位的八个信号输入端口;RB0-RB7为控制镜头焦距、放大、云台上下左右转动的八个端口,外接继电器电路控制电机转动。如图5所示。

该部分核心是PIC16F877A单片机。它是由美国Microchip公司生产的8位单片机,具有独特的RISC结构,数据总线和指令总线分离的哈佛总线结构。它连接各个终端设备,响应主控机发送来的查询命令,并将被测设备的状态信息回送给主控机。单片机的I/O口与被测设备的终端相连,以获取所需状态信息。电路分为三部分:数据采集电路(图3)、LED显示电路、按键电路。
3)软件设计
整个系统软件分为主控机PIC 16F876A端和从控机PIC16F877A端。除了通信接口部分的软件以外,主控机端软件还包括用户界面、数据处理等。从控机端软件包括数据采集和MAX487通信程序。从控机端通信接口软件流程如图6所示。

该部分核心是PIC16F877A单片机。它是由美国Microchip公司生产的8位单片机,具有独特的RISC结构,数据总线和指令总线分离的哈佛总线结构。它连接各个终端设备,响应主控机发送来的查询命令,并将被测设备的状态信息回送给主控机。单片机的I/O口与被测设备的终端相连,以获取所需状态信息。电路分为三部分:数据采集电路(图3)、LED显示电路、按键电路。
2 实验结果
图7为高速公路拍摄到的图片。其中a为不使用夜视系统时的图片,b为使用夜视系统时的图片。实验结果证明:此系统能使司机在黑暗中准确辨认前方的道路,减少交通事故。
3 结束语

该部分核心是PIC16F877A单片机。它是由美国Microchip公司生产的8位单片机,具有独特的RISC结构,数据总线和指令总线分离的哈佛总线结构。它连接各个终端设备,响应主控机发送来的查询命令,并将被测设备的状态信息回送给主控机。单片机的I/O口与被测设备的终端相连,以获取所需状态信息。电路分为三部分:数据采集电路(图3)、LED显示电路、按键电路。
本文利用PIC单片机,设计了一整套红外夜视系统,具有结构简单,可靠性高等优点。特别适用于长途车驾驶,可以有效减少交通事故,具有十分良好的社会效益。
史海拾趣
|
本帖最后由 paulhyde 于 2014-9-15 09:42 编辑 电子竞赛参赛选手应该知道的十一个网站整理了十个我常用的网站。现在通过互联网跟大家分享: 6个中文网站: 1 http://bbs.21ic.com/ 老牌专业的电子论坛,尽管坛子中多了很大调侃之人,但是其专 ...… 查看全部问答> |
|
求教: 我是wince和硬件的新手,自己做了一块板子,现在网口老出问题。网口没有焊在板子上,只是拉了六个线出来;下载系统时,用tptf32给板子分配IP。 问题一:我在wince5.0下向ep9315开发板下载系统,常连接不上。在t ...… 查看全部问答> |
|
Fatutil.dll和formatdisk.h这两个文件谁能给我发一下吗?邮箱是nanxi.su@tidever.com.cn 我安的是STANDARDSDK_420,安装目录下只发现了Fatutil.h这个文件,没有找到Fatutil.dll和formatdisk.h,哪位大虾有的话帮我发一下好吗?我想用FormatVolume函数格式化磁盘。… 查看全部问答> |
|
用commondialog控件保存文件问题,知道的进来看看,帮帮忙,指导一下 Private Sub Command3_Click() CommonDialog1.CancelError = True On Error GoTo errhandler CommonDialog1.Filter = \"All Files(*.*)|*.*|Text Files(*.txt)|*.txt\" CommonDialog1.FilterIndex = 2 CommonDialog1.ShowSave Open CommonDia ...… 查看全部问答> |
|
摘要:文章介绍了MSP430在无线冲击波测试系统中的应用,通过软件编程管理无线模块电源,防止了爆轰区对无线传输的干扰,控制模块电源进入低功耗,增加了系统的工作时间。并且在无线传输过程中起到桥梁纽带的作用。关键词:MSP430;测试系统;低功耗… 查看全部问答> |
|
最近很忙,忙开会哈,这个很重要的行业会,当然与单片机无关,呵呵。。。。今天有空发个调式好的小程序,可以评估5种功耗模式的耗电。 程序简单就是利用25板的按键按一下一个模式。究竟怎么个功耗法本人没 ...… 查看全部问答> |




