历史上的今天
今天是:2024年12月25日(星期三)
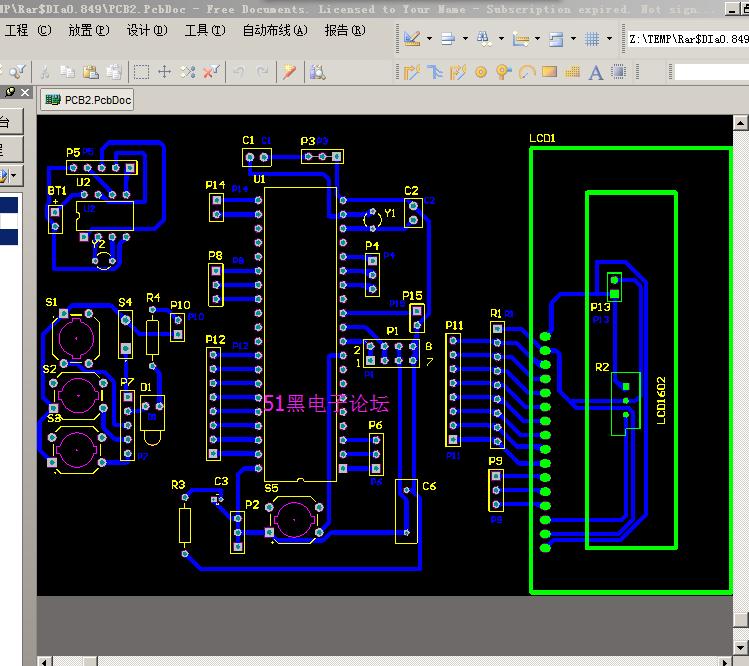
2019年12月25日 | 单片机出租车计价器设计
2019-12-25 来源:51hei



出租车计价器的单片机源程序:
#include #include"lcd1602.h" #include"ds1302.h" unsigned char time_add[7]; void LcdDisplay(); void keyscan(); uint n=0,s=0; uint j=0,k=0; uint t=0; uint tx=0,ty=0,tz=0; uint s18=0,n18=0,t18=0,tx18=0,ty18=0,tz18=0,j18=0,k18=0; uint l=0; uint lx=0,ly=0; uint count; sbit SW=P2^1; sbit LED=P2^0; sbit add_hour=P1^2; sbit add_min=P1^1; sbit add_sec=P1^0; void main() { LcdInit(); Ds1302Init(); TMOD = 0x01; TL0 = 0X60; TH0 = 0XEA; ET0 = 1; count = 5400; INT0 = 1; IT0 = 1; EX0 = 1; EA = 1; while(1) { Ds1302ReadTime(); LcdDisplay(); keyscan(); if(SW==0) { TR0 = 1; EX0=0; do { lx=l/10; ly=l%10; Ds1302ReadTime(); LcdWriteCom(0x80+0X40); LcdWriteData('T'); LcdWriteData(':'); LcdWriteData('0'+TIME[2]/16); LcdWriteData('0'+(TIME[2]&0x0f)); LcdWriteData('-'); LcdWriteData('0'+TIME[1]/16); LcdWriteData('0'+(TIME[1]&0x0f)); LcdWriteData('-'); LcdWriteData('0'+TIME[0]/16); LcdWriteData('0'+(TIME[0]&0x0f)); LcdWriteCom (0x80); LcdWriteData('D'); LcdWriteData(':'); LcdWriteData('1'); LcdWriteData('.'); LcdWriteData('0'); LcdWriteData(' '); LcdWriteData('S'); LcdWriteData(':'); LcdWriteData('0'+j); LcdWriteData('0'+k); LcdWriteData(' '); LcdWriteData('T'); LcdWriteData(':'); LcdWriteData(' '); LcdWriteData('0'+lx); LcdWriteData('0'+ly); }while(SW==0); } else {TR0=0; EX0=1; } } } void keyscan() { Ds1302Write(0x8E,0x00); if( add_sec==0) { time_add[0]=(TIME[0]>>4)*10+(TIME[0]&0x0F); time_add[0]=(time_add[0]+1)%60 ; TIME[0]=(time_add[0]/10<<4)|(time_add[0]%10); Ds1302Write(WRITE_RTC_ADDR[0], TIME[0]); } if( add_min==0) { time_add[1]=(TIME[1]>>4)*10+(TIME[1]&0x0F);
史海拾趣
|
结合本人最近FGPA学习谈一下学习方法。由于本人也是FPGA菜鸟一枚,所以在做设计的时候总是会遇到各种问题,即使这种问题对于老手都会觉得“本来就 是这样!”这么简单,但对新手来说就是想觉得很奇怪。在学习的过程中,我们一般会遇到几类问题,一 ...… 查看全部问答> |
|
现在要做一个互感器的校验仪,用DSP进行信号处理,用的是FFT,实验室现在有现成28335,可以用这个做不?选用什么型号的DSP 更好呢?谢谢大家啦~~… 查看全部问答> |
|
知识的积累,可以发生由量到质的变化。本人新手,想向各位高手收集各种经典程序,算法,架构....来研究,谢谢各位!!!(自己想出来的也可以,只要好用):rose:… 查看全部问答> |




