历史上的今天
今天是:2025年01月12日(星期日)
2020年01月12日 | AVR单片机实现智能插座节能的设计
2020-01-12 来源:elecfans
0 引言
计算机外部设备(如打印机、扫描仪、音响等)的待机能耗不但增加了消费者的日常电费开支,也使电力资源浪费极大。该设计的计算机智能节能插座利用主机的开机和关机来带动其他设备的开或关,使其接口设备待机能耗为零,能够减少计算机及其外设所产生的辐射,以此达到节能和环保功效;同时还具备有分段定时开关的功能。该智能插座也可以通过功能转换作为普通插座使用,不影响其他设备的使用。
1 智能插座的设计
1.1 智能插座的硬件结构
计算机智能节能插座的硬件结构图如图1所示。该控制器以AVRmega 48为控制核心,外围电路主要由电流采样电路、模/数转换参考电压电路、状态显示电路、键盘输入电路和实时时钟构成。电流采样电路用于检测计算机的运行状态和过流保护;数/模转换参考电压电路为电流的采样提供参考;状态显示电路表明插座当前的运行状态;键盘输入实现普通插座与智能插座的切换、设置待机临界电流值、设置分段开关的时间点。计算机主机运行状态通过主机接口的电流互感器检测,过流保护通过另一互感器检测,当电流大于额定电流一定时间时切断受控插座的电源,对外设起到保护作用。由于互感器的感应电流较小,在数/模转换过程用对参考电压的要求较高,该设计采用带隙恒压源TL431作为A/D转换的参考电压。不同的计算机主机的待机电流可能不同,因此通过外部键盘可以采样待机电流为临界值,同时可以设置插座作为普通插座使用;RTC时钟由PCF8563构成。

1.2 AVR单片机
AVR微处理器是Atmel公司的8位嵌入式RISC处理器,具有高性能、高保密性、低功耗等优点,程序存储器和数据存储器可独立访问的哈佛结构,代码执行效率高。该系统采用的mega 48v处理器包含有4 KB片内可编程FLASH程序存储器;512 B的E2PROM和512B RAM;同时片内还集成了看门狗;8路10位ADC;3路可编程PWM输出;具有在线系统编程功能,片内资源丰富,集成度高,使用方便。使用AVR mega48V可以很方便地实现外部输入参数的设置、电流检测、工作状态的指示等。
1.3 电流采样电路
该设计采用电流型电流互感器采样交流电流,一路采样主机接口电流实现开关控制,另一路采样受控接口电流实现过流保护(见图2)。电流互感器的输出信号经过I-V变换后用mega 48采样,根据互感器的变比系数可以计算出电流的有效值。I-V变换的输出电压经过比较器后,若达到过流极限(设定为10 A)则触发外部中断,经过中断程序处理判断是否达到过流值并执行过流保护动作。

1.4 电源电路
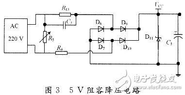
单片机的工作电压和继电器的线圈侧电压为5 V直流电压,考虑成本和空间因素,采用阻容降压的方式产生。如图3所示。

图3中:C3为CBB降压电容;_R13在电源断开后为C3提供放电回路;R4为限流电阻;经过全波整流后D11将电压箝位在5.1V。C3在电路中的容抗XC为:XC=(1/2)πfc,电流,为了满足继电器吸合时的电流要求,取C3的值为1μF,最大电流可以达到100 mA以上。由于为非隔离电源,使用过程中零电位不能与大地相连。
1.5 继电器驱动电路
受控插座的通断是由继电器控制的。该设计采用的线圈侧电压为5V的继电器,用S8050驱动继电器。mega 48具有较强的I/O驱动能力,R17起到限流作用;下拉电阻R18可以避免继电器误动作;D12为继电器断开时提供放电回路。如图4所示。

1.6 键盘电路
采用单按键的输入方式,用于设定普通插座和智能插座的功能转换和需要定时开关时的时间设定。在程序运行过程中,通过定时中断检测是否有按键按下。当功能键按下不超过10s时进入定时开关模式,并通过加减按键设定定时开关的时间;当功能键按下超过10 s时切换为普通插座使用,若在需要切换为智能插座,则执行相同的操作。设定的参数和模式保存在mega 48的E2PROM中。
1.7 状态显示和告警电路
该设计采用LCDl602液晶显示系统的状态信息,包括是否采用智能控制,主机运行状态、受控口状态。LCDl602采用7线驱动法,接1 kΩ电阻到地,用于调节液晶显示对比度。显示数据和指令通过LCDl602的DB4~DB7写入。同时具备有声光告警功能,当出现过流或则定时切断时间到时,相应的发光二极管闪烁以及蜂鸣器告警,并执行相应的动作。
1.8 实时时钟电路
实时时钟电路为定时开关提供精确的时间。用CR2025镍氢纽扣电池作为PCF8563的后备电池(见图5)。

2 智能插座的软件设计
主程序主要完成对I/O,定时器的初始化、读出存储在E2PROM中的系统参数,同时根据模式设定进入相应的处理程序。该插座可运行于3种模式:智能定时模式、智能节能模式和普通模式。模式的切换通过模式按键来选择。参数的测量主要由中断服务程序定时完成。图6为主程序流程图。

由于不同的计算机待机电流大小不一样,因此在使用前需采样主机的待机电流。首先将主机进入待机模式,通过模式按键进入中断后采样此时的电流,并存入E2PROM中。
3 智能插座的测试
将设计的插座按图7的方式连接测试,采用P4双核计算机和17寸显示器进行测试,显示器待机功耗为5W,待机电流约25mA。进入待机状态后,按插座上的采样按钮,将此计算机的待机电流采样存进E2PROM,测试结果表明,当计算机进入待机状态后,插座可以有效的切断显示器的电源。

4 结语
本文设计的智能节能插座,具有智能节能和定时开关功能,也可作为普通插座使用。经过测试,系统显示出了良好的控制效果,不仅使计算机外设的待机功率降为零,同时也起到了保护外设的作用,在节能减排方面具有一定的社会效益和广泛的推广价值。
史海拾趣
|
目前使用STC的90C51在帮客户开发 http://stcmcu.com/stc-mcu-select-1.htm 直接找深圳拿货$ 2.9 这颗IC 比一般传统89C51多了4个IO 复位脚还能当特殊扩展口用 , 开发起来也方便另外有些特殊案子需要较大内部 EEPROM 纪录系统字据客户代码也杂 -- 绝 ...… 查看全部问答> |
|
How to get ITRON OS source code and document?????????????????? How to get ITRON OS source code and document… 查看全部问答> |
|
EVDO的驱动刚刚完成,使用串口工具调试了一天下来,没有问题了,电话短信都没有问题了,下一步就是RAS拨号上网了,好不容易拨号上网显示“已连接”。 虽然现实的是已连接,但是浏览器就是打不开网页,使用PING工具,也ping不通. 麻烦各位能否帮帮 ...… 查看全部问答> |
|
资料说, PowerPC用的是RISC指令集. 我有点疑惑: 硬件上跑的是二进制, 我汇编是RISC还是CISC有关系吗? 只要编译器能正确地编译成PowerPC可以执行的机器码不就可以了吗?… 查看全部问答> |
|
今天我终于焊接完成了我的应急灯.它也终于发出了极其微弱的光.非但起不到应急照明的目的.你不仔细看都不知道它是否在发光.从4个月前,开始申请美信的样片,我反复申请了2次.等了2个月才拿到这样的劣质样片.至此我算是了解了美信公司的服务质量和产品 ...… 查看全部问答> |




