历史上的今天
今天是:2025年01月13日(星期一)
2020年01月13日 | 如何解决AVR单片机上电复位工作混乱的问题
2020-01-13 来源:eefocus
在单片机应用中经常需要在掉电时(包括人为的关机和偶然的外部电源故障),对运行的数据进行保存。目前,常用的方法是单独给单片机增加一个较大的电容(一般为2000 μf以上,也有用法拉级的),外部掉电后,靠大电容存储的电量缓慢放电,提供单片机向eeprom存储数据所需要的时间。所选的电容小,提供的时间短,存储数据不可靠,所选电容大提供时间长,存储数据可靠。但是随之而来的问题是,掉电后电容放电过程中,单片机的供电电压在缓慢下降,当下将到某个值但还没有降到复位门限电压之前,如果此时再次开机,则单片机不能正常启动,导致单片机重复上电后工作混乱。下面具体分析这一过程并给出解决的办法。
我们先了解一下AVR的上电复位特点。上表是AVR数据手册提供的上电复位参数。
AVR复位特征

从上表中可知,上电复位的典型门限电压是1.4V和1.3V,即在单片机上电时,其电源电压要低于此值,才能使单片机上电复位。单片机的正常工作电源电压范围是2.7~5.5V。当电源电压低于2.7V时,单片机已经停止工作,如果此时电压高于1.3V,并且再次上电,则单片机不能正常复位,导致工作混乱。一些场合的停电可能是瞬间的,包括人为断电可能都是瞬间的,可能几秒钟之内又再次上电,而此时单片机电容的电压恰好处于复位电压以上和正常工作电压以下,就会出现上面的现象。这是本人在实际应用当中所遇到的情况。
由此可见,虽然解决了数据保护问题,却又带来了新的麻烦。所以在解决单片机掉电数据保护时,应该注意的是既要保证充足的时间用于数据存储,又要尽快放电,保证正常重新上电。

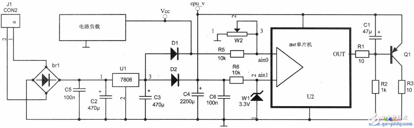
上图是本文所用的电路,图中交流电经过CON2输入,整流滤波后到达三端稳压块7806(注意在此用7806而不是7805),7806的输出一路经dl送到单片机(cpu_v=5.3V),单独给单片机供电,单片机耗电通常小于5毫安,由于使用C4(2200μf)电容,该路电源的放电时间较长。另外一路电源经过d2送到电路负载中(VCC=5.3V),通常此路电源的电流较大,超过几十毫安。
这样,在断电后,Vcc由于放电电流大而且滤波电容小,很快放电,通常在几毫秒以内。而另外一路cpu_v,由于滤波电容大而且放电电流小,所以放电很慢,t》2200μf×10-6×5V/5ma×10-3=2.2s;Vcc经过R4、W2分压接到单片机比较器的输入端ain0,cpu_v经过R6和稳压管(3.3V)接到单片机比较器的ain‘I端。电路正常工作时,调整电位器W2,使得ain0电压大于ain1电压0.2V,当掉电(或断电)发生时,ain0下降快,ainl下降慢,当ain0低于ainl时,比较器翻转。AVR比较器的翻转可以触发中断,在中断里完成eeprom的数据保存。图中Q1及周围的电路的工作作用是:初次上电时,由于电容C1两端电压不能突变,所以三极管的b、e结电压为OV,处于截止状态,截止的时间取决于Cl和R2的时间常数,本电路中参数可以保证截止时间超过10ms,在此时间之内CPU已经进入正常工作状态,在程序中将OUT端置“1”电平,继续使三极管截止。当断电发生时,先存储数据到eep-rom,然后out端置“0”电平,三极管饱和导通,立刻给cpu_v电源放电,R3是限流电阻。这样放电时间取决于R3和C4,

史海拾趣
|
生动形象的教学用电子钟[ZT] 笔者在教学中,设计了一套教学实验用“电子钟”电路。此线路包括七段数码显示器BS205和循环彩灯电路,实验显示生动有趣,各部分原理简单,适宜学生直接观察“编码器”、“译码器”、“寄存器”、“计数器”等逻辑 ...… 查看全部问答> |
|
关于TQ2440触摸屏的应用设计。现在能够实现触摸屏界面的旋转,想添加一些其它的应用功能,请问能不能把显示界面缩小,即原来3.5寸屏的界面,显示为1.75寸的区域,这种功能能够实现吗?如果实现需要涉及那些方面?… 查看全部问答> |
|
我在flash上烧写的镜像文件为 NK.BIN, 我在注册表中添加如下: ; Bind BINFS to the block driver [HKEY_LOCAL_MACHINE\\System\\StorageManager\\Profiles\\FlashDrv] \"DefaultFileSystem\"=\"BINFS\" \"Partition ...… 查看全部问答> |
|
我用的是keil. 遇到到 PA4, PA5 , PA6,PA7 等无法设置输出状态. 在keil的调试状态就感觉无**常设置.而引脚设置跟附近的一样,看起来没错. 但无**常设置.其他的比如PC5~PC7等就没有问题. 初始化的语句:应该没有问题. GPIO_Ini ...… 查看全部问答> |
|
下载 (108.1 KB) 2011-1-19 15:42 我现在在做微功耗,用的是待机模式,我在看微功耗的待机模式的启动项中,有个启动方式是IWDG,但是这中启动方式我没有办法跟踪,我在手册中看到可以检测复位标记来判断是什么方式复位 ...… 查看全部问答> |
|
#include<msp430x44x.h> interrupt[TIMERA0_VECTOR] void Timer_A(void) { ~~~ } void InitSystem(void) { ~~~ //TIME_A TACTL=ID1+TASSEL1+TACLR+ ...… 查看全部问答> |
|
有没有3v可用的数码管驱动芯片?或者怎么用电池给5v的74门供电? 想做个数字钟,但是找不到3v可用的数码管驱动芯片,找到了淘宝上也没卖的。 另外就是考虑怎么给3v/5v元件混合电路用AA电池供电……… 查看全部问答> |




