历史上的今天
今天是:2025年01月23日(星期四)
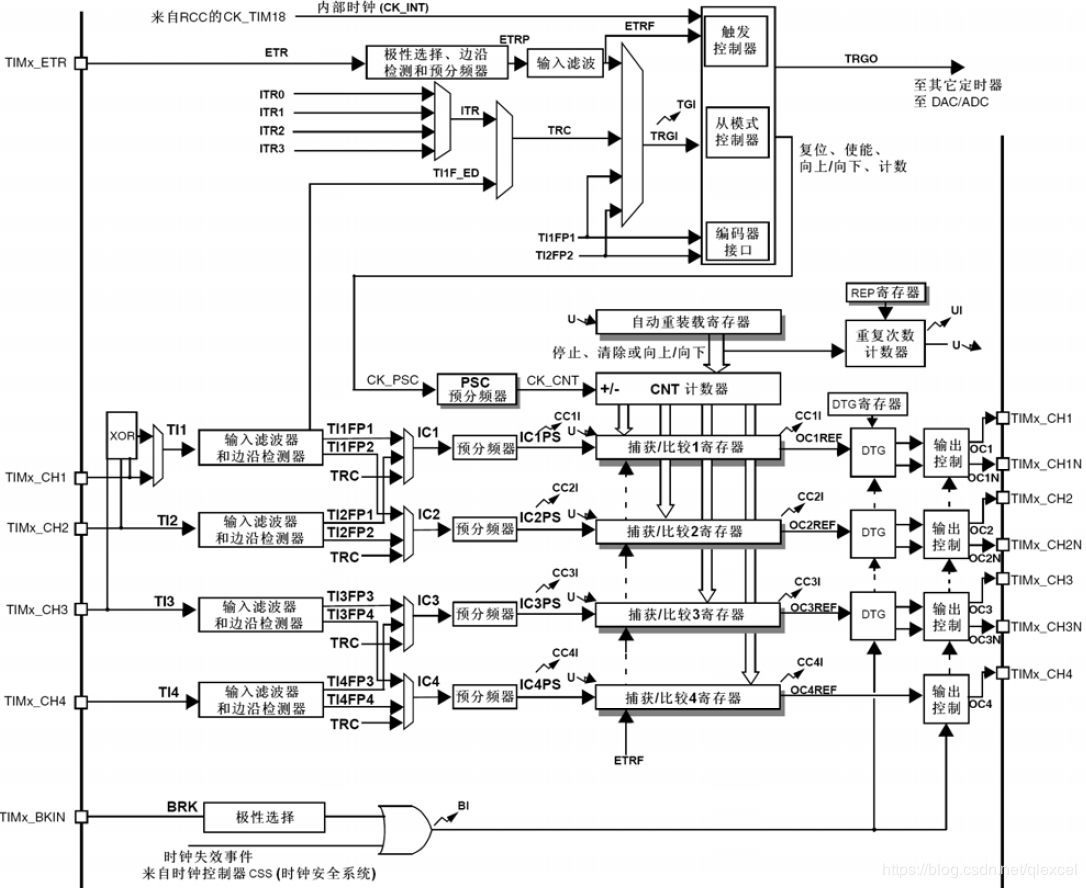
2020年01月23日 | stm32定时器的ETR、CH1N、CH2N、CH3N
2020-01-23 来源:eefocus

一、CH1N、CH2N、CH3N是高级定时器才有的引脚,是CH1、CH2、CH3的互补引脚,用来做三相电机控制的。
二、ETR
首先定时器的时钟来源有4种:
1、内部时钟(CK_INT)
2、外部时钟模式1:外部输入引脚
3、外部时钟模式2:外部触发输入ETR
4、内部触发输入(ITRx):使用一个定时器作为另一个定时器的预分频器。如可以配置一个定时器Timer1而作为另一个定时器Timer2的预分频器。
其中的第3种就是ETR,即把外部信号接到ETR引脚上,当ETR引脚上有上升沿或下降沿,就会触发定时器计数。

使用步骤:
1、TIMx_SMCR寄存器中的ETF[3:0]用来设置滤波器。
2、TIMx_SMCR寄存器中的ETPS[1:0]设置预分频器,即多少个边沿触发一次计数。
3、置TIMx_SMCR寄存器中的ETP设置上升沿或下降沿计数。
4、令TIMx_SMCR寄存器中的ECE=1选定此模式。
5、启动计数器,写TIMx_CR1寄存器中的CEN=1。
史海拾趣
|
最近用51单片机做一个红外接收和发送的电路, 接收部分的已经做好了,只要改一下程序就可以接收到家里的遥控器的信号》。 现在想用单片机做一个遥控器,但是程序在硬件上,怎么也实现不了。 不知道问题出在哪里, 有没有兄弟有 ...… 查看全部问答> |
|
今天中午和一个朋友吃饭,他刚遭遇了裁员,这也是他所在的企业今年的第二次裁员了。虽然“此处不留爷,自有留爷处”,虽然很多人在单位时都会考虑跳槽的可能性,但一旦被动地被单位裁了,感觉还是很无助和沮丧的。 &nbs ...… 查看全部问答> |
|
“你谈恋爱了吗?”“你和你女朋友是怎么认识的?”“你男朋友有钱吗?” 当你参加用人单位面试,被问到这些问题时,是否会感觉有点雷人? 综合素质如何反映?职场需要什么样的人才?这些雷人面试题,可供即将进入职 ...… 查看全部问答> |




