历史上的今天
今天是:2025年02月04日(星期二)
2020年02月04日 | AT89S51系列单片机的特点(AT89S51引脚功能及应用电路)
2020-02-04 来源:elecfans
AT89S51概述
AT89S51是一个低功耗,高性能CMOS 8位单片机,片内含4k Bytes ISP(In-system programmable)的可反复擦写1000次的Flash只读程序存储器,器件采用ATMEL公司的高密度、非易失性存储技术制造,兼容标准MCS-51指令系统及80C51引脚结构,芯片内集成了通用8位中央处理器和ISP Flash存储单元,AT89S51在众多嵌入式控制应用系统中得到广泛应用。
AT89S51性能参数
1、4k Bytes Flash片内程序存储器;
2、128 bytes的随机存取数据存储器(RAM);
4、2个中断优先级、2层中断嵌套中断;
5、5个中断源;
6、2个16位可编程定时器/计数器;
7、1个全双工串行通信口;
8、看门狗(WDT)电路;
9、片内振荡器和时钟电路;
10、与MCS-51兼容;
11、全静态工作:0Hz-33MHz;
12、三级程序存储器保密锁定;
13、可编程串行通道;
14、低功耗的闲置和掉电模式。
AT89S51引脚及功能

VCC:电源电压输入端。
GND:电源地。
P0口:P0口为一个8位漏级开路双向I/O口,每脚可吸收8TTL门电流。当P1口的管脚第一次写1时,被定义为高阻输入。P0能够用于外部程序数据存储器,它可以被定义为数据/地址的低八位。在FIASH编程时,P0 口作为原码输入口,当FIASH进行校验时,P0输出原码,此时P0外部必须被拉高。
P1口:P1口是一个内部提供上拉电阻的8位双向I/O口,P1口缓冲器能接收输出4TTL门电流。P1口管脚写入1后,被内部上拉为高,可用作输入,P1口被外部下拉为低电平时,将输出电流,这是由于内部上拉的缘故。在FLASH编程和校验时,P1口作为低八位地址接收。
P2口:P2口为一个内部上拉电阻的8位双向I/O口,P2口缓冲器可接收,输出4个TTL门电流,当P2口被写“1”时,其管脚被内部上拉电阻拉高,且作为输入。并因此作为输入时,P2口的管脚被外部拉低,将输出电流。这是由于内部上拉的缘故。P2口当用于外部程序存储器或16位地址外部数据存储器进行存取时,P2口输出地址的高八位。在给出地址“1”时,它利用内部上拉优势,当对外部八位地址数据存储器进行读写时,P2口输出其特殊功能寄存器的内容。P2口在FLASH编程和校验时接收高八位地址信号和控制信号。
P3口:P3口管脚是8个带内部上拉电阻的双向I/O口,可接收输出4个TTL门电流。当P3口写入“1”后,它们被内部上拉为高电平,并用作输入。作为输入,由于外部下拉为低电平,P3口将输出电流(ILL)这是由于上拉的缘故。P3口除了作为普通I/O口,还有第二功能:
P3.0 RXD(串行输入口)
P3.1 TXD(串行输出口)
P3.2 /INT0(外部中断0)
P3.3 /INT1(外部中断1)
P3.4 T0(T0定时器的外部计数输入)
P3.5 T1(T1定时器的外部计数输入)
P3.6 /WR(外部数据存储器的写选通)
P3.7 /RD(外部数据存储器的读选通)
P3口同时为闪烁编程和编程校验接收一些控制信号。
I/O口作为输入口时有两种工作方式,即所谓的读端口与读引脚。读端口时实际上并不从外部读入数据,而是把端口锁存器的内容读入到内部总线,经过某种运算或变换后再写回到端口锁存器。只有读端口时才真正地把外部的数据读入到内部总线。89C51的P0、P1、P2、P3口作为输入时都是准双向口。除了P1口外P0、P2、P3口都还有其他的功能。
RST:复位输入端,高电平有效。当振荡器复位器件时,要保持RST脚两个机器周期的高电平时间。
ALE/PROG:地址锁存允许/编程脉冲信号端。当访问外部存储器时,地址锁存允许的输出电平用于锁存地址的低位字节。在FLASH编程期间,此引脚用于输入编程脉冲。在平时,ALE端以不变的频率周期输出正脉冲信号,此频率为振荡器频率的1/6。因此它可用作对外部输出的脉冲或用于定时目的。然而要注意的是:每当用作外部数据存储器时,将跳过一个ALE脉冲。如想禁止ALE的输出可在SFR8EH地址上置0。此时, ALE只有在执行MOVX,MOVC指令时ALE才起作用。另外,该引脚被略微拉高。如果微处理器在外部执行状态ALE禁止,置位无效。
PSEN:外部程序存储器的选通信号,低电平有效。在由外部程序存储器取指期间,每个机器周期两次/PSEN有效。但在访问外部数据存储器时,这两次有效的/PSEN信号将不出现。
EA/VPP:外部程序存储器访问允许。当/EA保持低电平时,则在此期间外部程序存储器(0000H-FFFFH),不管是否有内部程序存储器。注意加密方式1时,/EA将内部锁定为RESET;当/EA端保持高电平时,此间内部程序存储器。在FLASH编程期间,此引脚也用于施加12V编程电源(VPP)。
XTAL1:片内振荡器反相放大器和时钟发生器的输入端。
XTAL2:片内振荡器反相放大器的输出端。
AT89S51系列单片机的特点
AT89S5l是AT89C51的升级产品,性能上较.AT89C51有很大提升,在价格上却与AT89C51差不多,甚至更低。
AT89S51显着的特点是加入了在系统编程(ISP)功能,不再依靠专用的编程工具,改写单片机存储器内的程序再也不需要把芯片从电路板上拆下。AT89S系列现有AT89S51/52/53/8252等成员,其不同点在于内置Flash存储器及RAM容量不一样。
1、在系统编程ISP
从引脚上可以看出其P1.5、P1.6、P1.7比标准的8051都多出一样复用功能,这三个引脚就是用来实现在系统编程(ISP)的SPI接口。
当芯片的RST引脚置高电平时,所有程序和数据存储器可以通过SPI总线接口MOSI(数据输入),MISO(数据输出),SCK(时钟输入)对内置Flash存储器进行编程。编程时应在XTAL1与XTAL2之间连接一个3MHz~24MHz的晶振,在VCC与GND之前加上电源电压。
通常,AT89S51通过并口下载线与PC并口(打印口)连接,然后使用Atmel公司的AT89ISP软件即可实现编程、校验、加密等操作(见下图)。
2、片内看门狗定时器WDT
AT89S51芯片内置了一个14位的硬件看门狗定时器WDT,从而可以省却外接专用看门狗硬件。一旦WDT启动,没有任何办法使其停止计数,只有硬件复位或WDT的溢出方可停止WDT计数,可以有效防止程序跑飞和陷入死循环。当然,在不启动内置看门狗的情况下,AT89S51完全可以和普通8051单片机一样使用。
3.双DPTR数据指针
标准的8051只有一个16位的DPTR数据指针,这样在进行数据块复制等动作时,必须对源地址指针和目标地址指针进行暂存,编程会非常麻烦。AT89S5l内有两个DPTR数据指针DPTR0/DPTR1,可以通过DPS位(AUXR1.0)方便地选择置0则选中DPTRO,置1则选中DPTR1。通过执行INCAUXR1指令,能对DPS快速切换,并不影响AUXR1的高位。用法上与PHILIPS单片机完全一致。
4、改进了的电源管理
AT89S51除了具有8051所具备的低功耗的空闲模式(设IDL=1)和掉电模式(设PD=1),还增加了掉电状态下的中断恢复模式和上电复位标志POF(PCON.4)。电源打开时POF自动置“1”,可由软件设置为睡眠状态,并不为复位所影响。
5、更强的程序保密性
全新的3级加密算法,这使得对于89S系列单片机的解密变为不可能程序的保密性大大加强,这样就可以有效地保护知识产权不被侵犯。六.其他类似的型号AT89S系列中的89S52、89S53、89S55是与8052兼容的,片内RAM为256字节,还比89S51多了定时器2(Timer2),片内Flash存储器容量分别为8K、12K和20K字节。
89S8252/89S8253也是与8052兼容的,片内除了含8K/12K字节的Flash程序存储器(可擦写1000次),还有2K字节的数据存储器(可擦写超过100000次)。
另外,相应的AT89LS系列是AT89S系列低电压系列,AT89LS51的电源电压为2.7V~4.0V,工作频率为0~16MHz。
6、性价比
目前,AT89S51/52/55报价分别为5.2/6.5/10.5元,有较高的性价比,可以根据应用需要选择使用适合的型号。
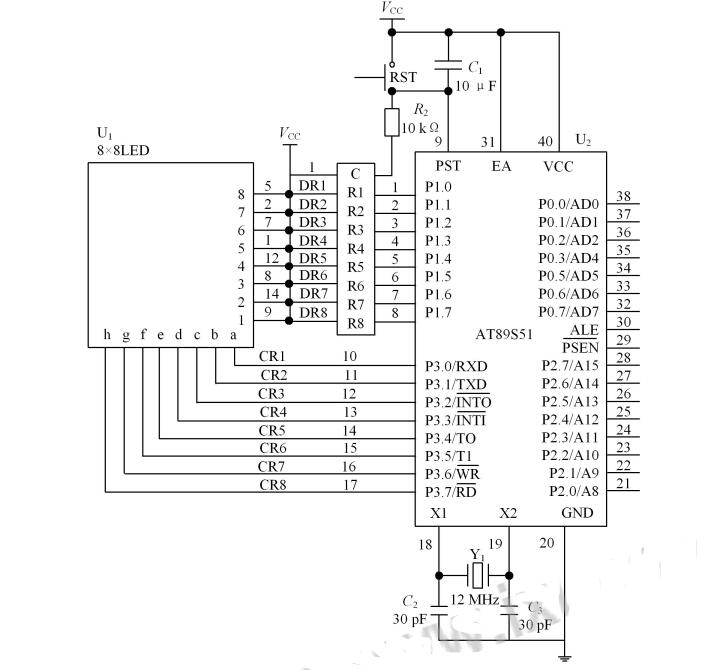
AT89S51应用电路
图1电路为1块8×8点阵显示电路连接图。

图一
(1)把“单片机系统”区域中的P1端口用8芯排芯连接到“点阵模块”区域中的“DR1~DR8”端口上;
(2)把“单片机系统”区域中的P3端口用8芯排芯连接到“点阵模块”区域中的“DC1~DC8”端口上;如果要显示大的图像可多个点阵拼在一起,将点阵的行和行相串联,列和列相串联,用74lS164控制单个行即可.
史海拾趣
|
希望大家帮忙找BUG 网友提出宝贵意见 现已增加接收发送字节统计功能 新版本在9楼 希望 大家提出意见 我会不停更新软件 [ 本帖最后由 william228 于 2011-2-15 22:35 编辑 ]… 查看全部问答> |
|
OMAP5432的MPU_DPLL应该如何配置,手册中这样描述的The DPLL can be programmed to be locked at any frequency given by one of the following equations: • Fdpll = Fref × 2 × M / (N + 1) • Fdpll = Fref × 2 × (4 × M / (N ...… 查看全部问答> |
|
免费TI WEBENCH?Altium Designer扩展 本帖最后由 dontium 于 2015-1-23 11:41 编辑 有了解的说说是怎么个情况?blog.live.altium./?mkt_tok=3RkMMJWWfF9wsRoluq%2FLdO%2FhmjTEU5z17%2B8oUK63iokz2EFye%2BLIHETpodcMScJkNrzYDBceEJhqyQJxPr3NLdcNydNqRhHlCQ%3D%3D#Blogs/ti-webench-rele ...… 查看全部问答> |
|
对于一个新设计的电路板,调试起来往往会遇到一些困难,特别是当板比较大、元件比较多时,往往无从下手。但如果掌握好一套合理的调试方法,调试起来将会事半功倍。对于刚拿回来的新PCB板,我们首先要大概观察一下,PCB板 ...… 查看全部问答> |




