历史上的今天
今天是:2025年02月04日(星期二)
2020年02月04日 | PIC单片机之步进电机
2020-02-04 来源:eefocus
大家好, 通过前一期的学习, 我们已经对ICD2 仿真烧写器和增强型PIC 实验板的使用方法及学习方式有所了解与熟悉,学会了如何用单片机来控制发光管、继电器、蜂鸣器、按键、数码管、RS232 串口等资源,体会到了学习板的易用性与易学性,看了前几期实例,当你实验成功后一定很兴奋,很有成就感吧!现在我们就趁热打铁,再向上跨一步,一起来学习一下步进电机的工作原理及使用方法,这是我们用单片机来控制机械进行运动的开始。
步进电机是一种将电脉冲转化为角位移的执行机构。当步进驱动器接收到一个脉冲信号,它就驱动步进电机就按设定的方向转动一个固定的角度(步距角)。通过控制脉冲个数来控制角位移量,可以达到准确定位;同时可以通过控制脉冲频率来控制电机转动的速度和加速度,达到调速的目的;可以通过改变各相的通电顺序,控制步进电动机的转动方向。
步进电机的特点
1、步进电动机的角位移与输入脉冲严格成正比,因此,它没有累计误差,具有良好的跟随性。
2、步进电动机的动态响应快,易于启停、正反转及变速。
3、速度可在相当宽的范围内平滑调节,低速下仍能保证获得较大转矩,因此,一般可以不用减速装置而直接驱动负载。
4、步进电动机只能通过脉冲电源供电才能运行,它不能直接使用交流电源和直流电源。
那我们该如何来控制步进电机转动呢?直流电机我们只要在电机两极加上电压,电机马上转动,但步进电机并非这样,它是数字控制方式,它将电脉冲信号转变成角位移,即给一个脉冲信号,步进电动机就转动一个角度,因此非常适合单片机的控制。
一般一个完整的步进电机控制系统包括控制器、驱动器、电机三部分。框图如图1 所示:

图1 步进电机控制系统
现在,我们以反应式步进电机为例,介绍其基本原理与应用方法。反应式步进电机可实现大转矩输出,步进角一般为1.5 度。反应式步进电机的转子磁路由软磁材料制成,定子上有多相励磁绕组,利用磁极的变化产生转矩。常用小型步进电机的实物如图2 所示,该步进电机可以直接与我们的增强型PIC 实验板相连,完成步进电机控制实验。

图2 步进电机实物图
步进电机的励磁方式。
步进电机的励磁方式一般分为1 相励磁、2 相励磁、1-2 相励磁。
1 相励磁时,步进电动机按
方式循环通电,每次只对一相通电,磁场旋转一周需要换相4 次,转子转动一个齿距角。其通电方式最为简单,转矩最小。励磁方式见表1。
表1 1相励磁方式

2 相励磁时,每次对两相同时通电,磁场旋转一周需要换相4 次,转子转动一个齿距角。在双三拍工作方式中,步进电动机正转的通电顺序为:
;反转的通电顺序为:
。双三拍工作方式的优点是:
可产生较大的转矩,不易产生失步。励磁方式见表2。
表2 2相励磁方式

1-2 相励磁是1 相励磁和2 相励磁交替使用的方法。磁场旋转一周需要换相8 次,转子才转过一个步距角,属于半步的方式,也就是说1-2 相励磁时的步距角比前两种方式的步距角小一半,所以步进精度提高了一倍。1-2 相励磁方式见表3。
表3 1-2相励磁方式

步进电机应用驱动电路
步进电机的驱动电路有单极性直流驱动和H 桥驱动两种,本例的小型步进电机,采用最简单的单极性直流驱动电路,目的在于验证步进电机的使用,在正式工业控制一般较之复杂。简单驱动电路如图3所示。

图3 步进电机的单极性直流驱动电路
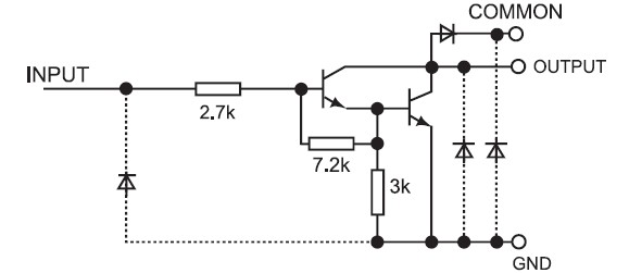
在实际应用中一般驱动路数不止一路,用图3的分立电路体积大,各路参数一致性难以保障。最好用现成的集成电路作为多路驱动。常用的小型步进电机驱动电路可以用ULN2003 或ULN2803。我们的实验板上用的是ULN2003。ULN2003 是高压大电流达林顿晶体管阵列系列产品,具有电流增益高、工作电压高、温度范围宽、带负载能力强等特点,适应于各类要求高速大功率驱动的系统。
ULN2003A 由7 组达林顿晶体管阵列和相应的电阻网络以及钳位二极管网络构成本例实际只用其中4组。ULN2003 内部结构如图4 所示,达林顿晶体管等效电路图如图5 所示。

图4 ULN2003内部结构图

图5 达林顿晶体管等效电路图
ULN2003A 型高压大电流达林顿晶体管阵列电路的典型应用电路框图如图6 所示。钳位二极管用于保护线圈通断时的反电动势击穿集成电路,可以看出,应用ULN2003 后电路比分立元件简洁得多。

通过前文的原理介绍,我们已经对步进电机的特性以及工作原理有了大致地了解,但当我们拿到一个步进电机时要正确地应用它还是一时不知如何下手,比如我们现在要控制电机正转、反转、高速运转、低速运转时,需要怎么办呢?要控制步进电机进行正反转,已不是像直流电机这么简单,在电机两端加上正反相电源就可以了,而是通过输出不同规律的“正反转”时序脉冲来实现控制。现在,我们来一起看一下如何进行步进电机正反转以及转动速度的控制,通过一个实例,相信会给大家带来一个感性的认识。
首先,我们来看一下增强型PIC 实验板上的步进电机控制电路,因为我们需要将软件和硬件相结合进行考虑如何来编程。步进电机控制部分的电路原理图如图7 所示。PIC 单片机的RD0~RD3 为电机脉冲输出引脚,通过ULN2003 集成芯片来驱动小型步进电机,我们只要将步进电机的插头,直接插在板子J3 插座处即可。跳线J4 为我们为实验板设计的步进电机智能供电跳线,这样实验板可以适用于不同工作电压的步进电机,当跳线跳到VCC 这端,则给步进电机提供VCC +5V 的电源,我们现在做实验使用的步进电机工作电压是5V 的,所以我们跳线设置到VCC 这一端即可,如果用户使用自己的步进电机电压不是5V 的,那可以将跳线跳到VIN 这一端,即用户外部接入电源提供给步进电机工作电压。

对于单片机软件的编程,我们使用MPLab IDE软件来进行C 语言编程,它是我们的编程环境,同时我们可以通过使用ICD2 仿真烧写器和增强型PIC实验板连接进行程序的仿真调试和烧写步骤,具体的操作步骤,我们已经在前几期做了详细的说明和介绍,在此就不再重复说明,读者朋友可以参阅以前的文章或直接登陆我们的网站查看资料。现在我们可以输入程序代码进行调试了,我们在MPLabIDE 软件中新建工程,加入源程序代码,同时进行芯片型号的选择和配置位的设置,我们实验所用的芯片型号为PIC16F877A。编写的程序代码如下:
/* 步进电机演示程序 */
#include #define key RB0 void delay(void) { int k; for(k=0;k<2000;k++); } void main() { TRISD=0x00; // 设置RD 为输出口 TRISB=0xFE; // 设置RB0 为输出口,RB1~RB7 为输入口 PORTD=0x00; // 初始化RD 输出低电平 key=1; // 设置按键为输入状态 while(1) // 主循环 { if(key==1) // 如果没有键按下则电机正转 { PORTD=0xFC; //1100 delay(); PORTD=0xF6; //0110 delay(); PORTD=0xF3; //0011 delay(); PORTD=0xF9; //1001 delay(); } else // 如果有键按下则电机反转 { PORTD=0xFC; //1100 delay(); PORTD=0xF9; //1001 delay(); PORTD=0xF3; //0011 delay(); PORTD=0xF6; //0110 delay(); } } } 编好程序后,读者朋友可以将编译好的HEX通过ICD2 仿真烧写器烧入单片机芯片,然后插上步进电机,上电运行,如图8 所示。这时我们可以看到步进电机已经开始正转起来,如果我们这时按下K2 按键,则步进电机开始反转,如果释放了K2按键,那么步进电机仍然继续正转,从而实现了步进电机正反转的控制。 图8 步进电机与增强型PIC实验板进行连接 前面,我们输入了这么长一段程序后,作为初学者的读者一定对有些语句会有点疑问,下面我们就来一起结果实际,看一下一些关键程序语句的作用。 #include 看到这里,相信你现在已经可以对步进电机进行基本控制了,步进电机的原理与使用我们讲到这里,接下来几期,我们将继续一起学习增强型PIC实验板的其它各部分资源的原理与使用,使你对单片机应用的各方面知识都有所入门与提高。 
上一篇:PIC单片机之I2C总线
下一篇:PIC单片机之温度采集
史海拾趣
|
用串口收发数据,只要提高波特率,传输数据就出错,尤其是接收方,不知道是什么原因。 代码是C写的,查询方式。 比如红外用2400bps是好的,发01,02,03。。。20共20个数,接收都对,收到01,02,03,04,05,06一直到20. 但是改成4800bps之 ...… 查看全部问答> |
|
"已失去对设备的远程连接。请验证设备连接并重新启动调试 "???? PDA上从电脑上pull入一个数据表,然后PDA自己存入数据时出现 \"已失去对设备的远程连接。请验证设备连接并重新启动调试 \",程序会自动退出,没有出现其它异常报告。 PDA重启程序后,再往刚才的数据表里存储数据一切正常。每次都是刚从电脑上pull入 ...… 查看全部问答> |
|
各位大哥们,我还是一个大一的学生,现在听说嵌入开发还可以,所以就有一点想向这一方面发展,但是现在在我面前的一个问题就是 我不知道要学那些东西,我也是一个计算机班的学生,这是不是有很大的优点. 所以就想问一下大哥们的应该出什么方向入手好一 ...… 查看全部问答> |
|
#include<LPC21xx.h> #define uint8 unsigned char#define uint32 unsigned intvoid Timer0_ISR(void) __attribute__ ((interrupt));uint8 num; void DelayNs(uint32 dly){ uint32 i; for(;dly>0;dly--) &nbs ...… 查看全部问答> |
|
我AD采样的范围是0 - 2.5 V , 采样肯定是小数, 其类型应该是 float 型吧? 假如其采样点储存在float型数组内, 经过一系列运算后 如何使其转换成十进制数据 输出? 是有固定程序么? 比如将其转换成BCD码! 还请高手指点!… 查看全部问答> |




