历史上的今天
今天是:2025年02月04日(星期二)
2020年02月04日 | PIC单片机之SPI总线篇
2020-02-04 来源:eefocus
大家好,通过前一期的学习,我们已经对ICD2 仿真烧写器和增强型PIC 实验板的使用方法及学习方式有所了解与熟悉,现在我们就趁热打铁,再向上跨一步,一起来学习一下SPI 总线器的工作原理及使用方法,这样我们可以将一些需要保存的数据保存到存储器芯片中,掉电不会失丢,如汽车的里程表,它在不断地计数,其公里数就是放在一个SPI 总线的存储器芯片里面。
一、SPI总线基本概念
SPI ( Serial Peripheral Interface ———串行外设接口) 总线是Motorola 公司推出的一种同步串行接口技术。SPI 总线系统是一种同步串行外设接口, 允许MCU 与各种外围设备( 如闪存、数摸转换、网络控制器、从MCU) 以串行方式进行通信、数据交换。
SPI,是一种高速的,全双工,同步的通信总线,并且在芯片的管脚上只占用四根线,节约了芯片的管脚,同时为PCB 的布局上节省空间,提供方便,正是出于这种简单易用的特性,现在越来越多的芯片集成了这种通信协议。其工作模式有两种:主模式和从模式。SPI 是一种允许一个主设备启动一个从设备的同步通讯的协议,从而完成数据的交换。
也就是SPI 是一种规定好的通讯方式。这种通信方式的优点是占用端口较少,一般4 根就够基本通讯了(不算电源线)。同时传输速度也很高。一般来说要求主设备要有SPI 控制器(也可用模拟方式),就可以与基于SPI 的芯片通讯了。
二、SPI总线系统结构
SPI 系统可直接与各个厂家生产的多种标准外围器件直接接口, 一般使用4 条线: 串行时钟线(SCK) 、主机输入/ 从机输出数据线SDO、主机输出/ 从机输入数据线SDI 和低电平有效的从机选择线SS。SDI 和SDO 用于串行接收和发送数据,数据高位在前低位在后。在SPI 设置为主机方式时,SDO 是主机读从机,SDI 是主机写从机。SCK 用于提供时钟脉冲将数据一位位地传送。SPI 总线器件间传送数据框图如图1 所示。

三、SPI总线的接口特性
利用SPI 总线可在软件的控制下构成各种系统。如1 个主MCU 和几个从MCU、几个从MCU 相互连接构成多主机系统(分布式系统)、1 个主MCU 和1 个或几个从I / O 设备所构成的各种系统等。在大多数应用场合,可使用1个MCU 作为主控机来控制数据,并向1 个或几个从外围器件传送该数据。从器件只有在主机发命令时才能接收或发送数据。其数据的传输格式总是高位(MSB)在前,低位(LSB)在后。
当一个主控机通过SPI 与几种不同的串行I / O 芯片相连时,必须使用每片的允许控制端,这可通过MCU 的I / O 端口输出线来实现。
但应特别注意这些串行I / O 芯片的输入输出特性:首先是输入芯片的串行数据输出是否有三态控制端。平时未选中芯片时,输出端应处于高阻态。若没有三态控制端,则应外加三态门。否则MCU 的MISO端只能连接一个外设。其次是外设的串行数据输入是否有允许控制端。
因为只有在此芯片允许时,SCK 脉冲才把串行数据移入该外设;在禁止时,SCK 对外设无影响。若原来没有允许控制端,则增加控制门;当然,也可以在SPI 总线上只连接1 个外设,就不必用允许控制。
通过前文的原理介绍,我们已经对SPI 总线的特性以及工作原理有了大致地了解,但当我们拿到一个SPI 总线器件时要正确地应用它,还是一时不知如何下手,比如我们现在要想把一个具体的数据存储放器件中去,需要怎么办呢?现在,我们来一起看一个数据存储的例子,通过一个实例,相信会给大家带来一个感性的认识,下面就以目前单片机系统中广泛应用的SPI 接口的数据存储器93C46 为例,介绍SPI器件的基本应用。
四、93C46串行存储器简介
93C46 是1k 位串行EEPROM 储存器。
每一个储存器都可以通过DI/DO 引脚写入或读出。它的存储容量为1024 位,内部为128×8位或64×16 位。93C46 为串行三线SPI 操作芯片,在时钟时序的同步下接收数据口的指令。
指令码为9 位十进制码,具有7 个指令,读、擦写使能、擦除、写、全擦、全写及擦除禁止。该芯片擦写时间快,有擦写使能保护,可靠性高,擦写次数可达100 万次, 93C46 的引脚功能图如图2 所示。

图2 93C46 的引脚图
表1 :93C46 串行EEPROM 指令格式选择表

指令说明:
① 读(READ):当下达10XXXXXX 指令后,地址(XXXXXXXX) 的数据在SCK=1 时由DO输出。
② 写(WRITE):在写入数据前, 必须先下达写使能(EWEN) 指令, 然后再下达01XXXXXX 指令后, 当SCK=1 时, 会把数据码写入指定地址(XXXXXXXX);而DO=0 时,表示还在进行写操作, 写入结束后DO 会转为高电平。写入动作完成后,必须再下达写禁止(EWDS)命令。
③ 清除(ERASE): 下达清除指令11XXXXXX 后会将地址(XXXXXXXX)的数据清除。
④ 写使能(EWEN):下达0011XXXX 指令后,才可以进行写(WRITE)操作。
⑤ 写禁止(EWDS):下达0000XXXX 指令后,才可重复进行写入(WRITE)操作。
⑥ 芯片清除(ERAL):下达0010XXXX 指令后,全部禁止。
⑦ 芯片写入(WRAL):下达0001XXXX指令后,全部写入“0”。
我们的例子程序功能是要实现对93C46 存储器的读写操作,并验证数据是否正确。程序先分别向0x02 和0x03 两个地址写入0x55 和0xAA,然后读其中一个地址,并将读到的数据显示出来验证是否正确。程序默认是读0x02 地址内的数据,读者也可以修改地址数据来读其它地址数据。
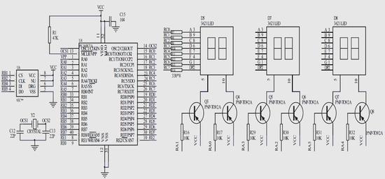
首先, 我们来看一下增强型PIC 实验板上的93C46 接口电路, 因为我们需要将软件和硬件相结合进行考虑如何来编程,完成该实验的硬件原理图如图3 所示,U6 为实验板上的93C46 芯片, 单片机的RB1、RB2、RB4、RB5 分别与芯片的CS、CLK、DI、DO 脚相连,七段数码管D5、D7、D8 组成了显示单元,字形码的数据通过RC 口送入,各数码管扫描显示信号分别不同的RA 口进行控制。

图3 硬件原理图
对于单片机软件的编程,我们使用MPLabIDE 软件来进行C 语言编程,它是我们的编程环境,同时我们可以通过使用ICD2 仿真烧写器和增强型PIC 实验板连接进行程序的仿真调试和烧写步骤,具体的操作步骤,我们已经在前几期做了详细的说明和介绍,在此就不再重复说明,读者朋友可以参阅以前的文章或直接登陆我们的网站查看资料。现在我们可以输入程序代码进行调试了, 我们在MPLab IDE软件中新建工程, 加入源程序代码,同时进行芯片型号的选择和配置位的设置,我们实验所用的芯片型号为PIC16F877A。由于篇幅限制,程序的源代码请上网站www.ele169.com 或www.hificat.com下载。 流程框图如图4 示。

图4 读写演示程序的流程图
编好程序后将编译好的HEX通过ICD2 仿真烧写器烧入单片机芯片,上电运行,效果如图5 所示。“0170”是我们事先写入存储器芯片再将其读出来的十进制值。

图5 从93C46 读出的数据通过数码管显示
看到这里,相信你现在已经可以完成一些数据存储方面的实验。
上一篇:PIC单片机之数码管
史海拾趣
|
随着应用的不断扩展,今天和未来的单片机普及和车辆网络正在继续。单片机是车辆内各种电子控制模块的“大脑”,而网络则是“系统互连”。本地互连网络(LIN)是业界第一个提出车内Class A开放多路复用协议标准。它定义了一个支持车辆内 ...… 查看全部问答> |
|
程序中有两个任务,分别是收和发,收的优先级高。在接收到特写的数据后,用msgQSend()转向发任务进行相关处理。但是在发任务中又需要收任务提供一些支持,比如发了一定的数据包后需要对方回应,而这个回应是收任务处理的,收到回应后发任务才能 ...… 查看全部问答> |
|
呵呵,如果哪位见识过DSP Builder高级库的朋友想必会它的功能折服!大概提供了几十个demos涵盖很多领域,几乎每个例子都可以自动生成一个用户IP下面是利用DSP Builder自动生成NCO设计的IP… 查看全部问答> |
|
【连载】【ALIENTEK 战舰STM32开发板】STM32开发指南--第三十八章 PS2鼠标实验 第三十八章 PS2鼠标实验 PS/2作为电脑的标准输入接口,用于鼠标键盘等设备。PS/2只需要一个简单的接口(2个IO口),就可以外扩鼠标、键盘等,是单片机理想的输入外扩方式。ALIENTEK战舰STM32开发板也自带了一个PS/2接口,可以用来驱动标 ...… 查看全部问答> |
|
手里有一块28335的板子和一个前辈留下的仿真器,各个地方都找遍了就是找不到驱动程序,求各位大侠出手相助。 我的系统是WIN7 32位,已装好CCS3.3。用过的大侠能把驱动发我邮箱么..mashaokang1111@163.com。谢谢啊! [ 本帖最后由 mashaokang 于 20 ...… 查看全部问答> |




