历史上的今天
今天是:2025年02月19日(星期三)
2020年02月19日 | 怎么用示波器检测rc振荡电路_RC振荡电路
2020-02-19 来源:elecfans
RC振荡电路的几种接法
1.最简单的振荡器

这种振荡器特点是:T≈(1.4~2.3)R*C
电源波动将使频率不稳定,适合小于100KHz的低频振荡情况。
2.加补偿电阻的振荡

T≈(1.4~2.2)R*C,电源对频率的影响减小,频率稳定度可控制在5%
3.环行振荡器

采用TTL反相器,频率可达50MHz
4.采用施密特触发器构成的振荡器

5.采用两三极管构成的振荡器

其中R5=R8,R7=R6,C5=C6
怎么用示波器检测rc振荡电路
从结构上看,正弦波振荡器是没有输入信号的,带选频网络的正反馈放大器。若用R、C元件组成选频网络,就称为RC振荡器,一般用来产生1Hz~1MHz的低频信号。
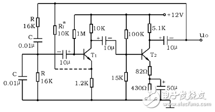
RC串并联网络(文氏桥)振荡器
电路型式如图6-1所示。

电路特点:可方便地连续改变振荡频率,便于加负反馈稳幅,容易得到良好的振荡波形。

图6-1RC串并联网络振荡器原理图
1.RC串并联选频网络振荡器
(1)按图6-2组接线路

图6-2RC串并联选频网络振荡器
(2)接通RC串并联网络,调节Rf并使电路起振,用示波器观测输出电压uO波形,再细调节Rf,使获得满意的正弦信号,记录波形及其参数,即,测量振荡频率,周期并与计算值进行比较。
(3)断开RC串并联网络,保持Rf不变,测量放大器静态工作点,电压放大倍数。
(4)断开RC串并联网络,测量放大器静态工作点及电压放大倍数。(输入小信号:f=1KHz,峰峰值为100mV正弦波)用毫伏表测量ui、u0就可以计算出电路的放大倍数。
(5)改变R或C值,观察振荡频率变化情况。
将RC串并联网络与放大器断开,用函数信号发生器的正弦信号注入RC串并联网络,保持输入信号的幅度不变(约3V),频率由低到高变化,RC串并联网络输出幅值将随之变化,当信号源达某一频率时,RC串并联网络的输出将达最大值(约1V左右)。且输入、输出同相位,此时信号源频率为

数据整理与归纳
(1)静态工作点测量

(2)电压放大倍数测量:


Ui=788mV,Uo=2.80V
AV=Uo/Ui≈3.6
周期T=1000uS,幅度为3V
(3)测量振荡频率,并与计算值进行比较。

根据上述参数可知输出信号的频率f=1/T=1000Hz
计算值:R=16KΩ,C=0.01uF

(4)改变R或C值,观察振荡频率变化情况。
增大R或C,输出振荡信号的频率减小;反之,减小R或C,信号频率增大。
结果与分析
由给定电路参数计算振荡频率,并与实测值比较,分析误差产生的原因。
根据前面计算的结果,理论值与测量值基本一致,误差产生的主要原因为测量频率数值直接由示波器读出,示波器本身的功能主要是看波形,对于测量数据,器精确度不够。
1、电路中参数R、C的值与振荡频率有关,放大电路的输入电阻也会影响RC值。
实测值与理论估算值比较误差原因:(1)实验测频率时是采用李萨如图形法,因为李萨如图形不能绝对稳定,所以会产生一定的误差(测量误差);(2)实验电路板上的电容电抗会对频率造成一定影响,产生误差(系统误差)。
2、能否起振及是否失真都与放大倍数相关,放大倍数与负反馈相关,负反馈越强放大倍数越低。放大倍数大于3就会有失真,远大于3时,就输出近似方波,小于3时,不能起振。所以最好有自动增益控制电路。
上一篇:示波器常见故障自查办法
下一篇:动手不难:学做n:1示波器探头
史海拾趣
|
Lyrtech LSP快速原型开发平台提供了全套系统级开发流程 加拿大Lyrtech公司推出的LSP快速原型开发平台集成了MATLAB/Simulink软件仿真环境和DSP+FPGA的快速原型开发板,为用户提供了一个从软件仿真到硬件测试的系统级开发流程。这套平台的软件环境是工程师们熟悉的MATLAB/Simulink,开发人员不需要花太多时 ...… 查看全部问答> |
|
在以前的工程施工中使用了大量光纤收发器进行组网,祥子对于这一类设备还是比较了解的,因此结合这次组网(也有以前组网)的经验,向大家介绍一下光纤收发器在网络组建过程中的使用。 最近这一个月以来一直在忙一个大工程,即市至县的数字电视传输 ...… 查看全部问答> |
|
毕设在做一个用freescale的DSP56F8037做的CAN多点通信协议(主要内容就是收发程序加上上层网络协议),但是外网半天找不到可以参考的程序(太久没有写程序,完全SB了),就把官网上的DSP用户手册下下来看了半天 不知道这里有没有好心人指点下哪里 ...… 查看全部问答> |
|
西思科技诚聘Windows Mobile/CE 应用软件工程师 工作职责 1、编写基于Windows Mobile/Wince平台的手机应用程序,实现2D/3D人机交互、数据库访问、与互联网服务器交互数据等功能。 2、编写PC客户端程序,实现与手机数据同步,与互联网服务器交互数据等功能。 3、对部分模块化的代码或算法基 ...… 查看全部问答> |
|
我所做的是用S3C2410驱动ZLG500B读卡模块 以实现读卡功能 之间为UART通信 问: 在wince下 用 EVC 4 如何用C编写 arm的中断初始化 以及uart接收中断服务程序… 查看全部问答> |
|
ucos ii 下GPRS模块通过拨号方式进行tcp连接,不知如何下手? 现在mcu是stm32 芯片,gprs模块是华为gtm900 ,通过查找资料如果不用模块内部的协议栈的话,自己得在ucos ii上实现ppp协议与tcp/ip协议栈,现在在网上下载了ucip1-0-3,里面就是src 目录下,有相关代码,里面还有makefile,似乎应该在li ...… 查看全部问答> |
|
int main(void){ .... FLASH_ReadOutProtection(ENABLE); while(1) { .... }}现在通过J-Link下载不了程序了。Debug  ...… 查看全部问答> |
|
涡街流量计众多的优点使其跻身通用流量计之一,但是当流速较低时。会存在测量不稳定的缺点。针对涡街流量传感器的非线性特性, 本系统采用16位微处理器MSP430F435为核心, 将传感器特性曲线存储在F l a s h存储器中. 实现了对涡街传感器的非 ...… 查看全部问答> |




