历史上的今天
今天是:2025年02月20日(星期四)
2020年02月20日 | 7805系列的稳压器的好坏用指针式万用表如何判断
2020-02-20 来源:elecfans
7805组成结构
用78/79系列三端稳压IC来组成稳压电源所需的外围元件极少,电路内部还有过流、过热及调整管的保护电路,使用起来可靠、方便,而且价格便宜。该系列集成稳压IC型号中的78或79后面的数字代表该三端集成稳压电路的输出电压,如7806表示输出电压为正6V,7909表示输出电压为负9V。因为三端固定集成稳压电路的使用方便,电子制作中经常采用。
在实际应用中,应在三端集成稳压电路上安装足够大的散热器(当然小功率的条件下不用)。当稳压管温度过高时,稳压性能将变差,甚至损坏。
当制作中需要一个能输出1.5A以上电流的稳压电源,通常采用几块三端稳压电路并联起来,使其最大输出电流为N个1.5A,但应用时需注意:并联使用的集成稳压电路应采用同一厂家、同一批号的产品,以保证参数的一致。另外在输出电流上留有一定的余量,以避免个别集成稳压电路失效时导致其他电路的连锁烧毁。
在78 ** 、79 ** 系列三端稳压器中最常应用的是TO-220 和TO-202 两种封装。这两种封装的图形以及引脚序号、引脚功能如附图所示。
从正面看①②③引脚从左向右按顺序标注,接入电路时①脚电压高于②脚,③脚为输出位。如对于78**正压系列,①脚高电位,②脚接地,③脚为输出位;而对于79**负压系列,①脚接地,②脚接负电压,③脚为输出位。如附图所示。
此外,还应注意,散热片总是和最低电位的第②脚相连。这样在78**系列中,散热片和②脚(地)连接,而在79**系列中,散热片却和②脚(输入端)连接。

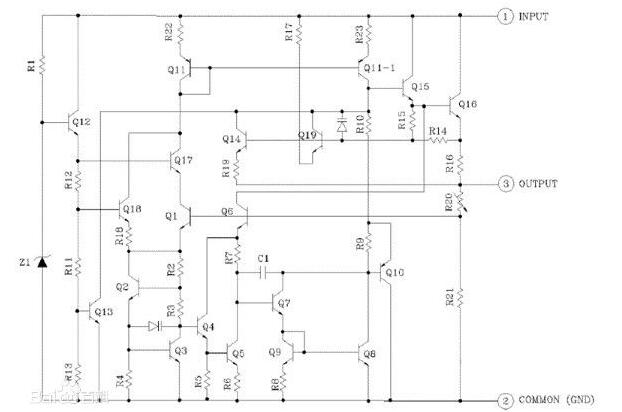
7805内部电路图
7805三端稳压IC内部电路具有过压保护、过流保护、过热保护功能,这使它的性能很稳定。能够实现1A以上的输出电流。器件具有良好的温度系数,因此产品的应用范围很广泛。可以运用本地调节来消除噪声影响,解决了与单点调节相关的分散问题,输出电压误差精度分为±3%和±5%。

7805典型应用电路
7805典型应用电路图:(图中标识错误2脚接地3脚输出)78XX系列集成稳压器的典型应用电路如下图所示,这是一个输出正5V直流电压的稳压电源电路。IC采用集成稳压器7805,C1、C2分别为输入端和输出端滤波电容,RL为负载电阻。当输出电流较大时,7805应配上散热板。

7805系列稳压器用指针式万用表如何判断好坏
将万用表调到测直流电压20伏的档位,并接在电源输出端,再准备一个工作电流为0.23安,电压为12伏的小灯泡,打开稳压器电源,接入和断开灯泡时电压均稳定不变,就是好滴。
因为稳压器是一个组件。由很多晶体管及外围电路元件(二极管,稳压管。恒流源,电阻等)组成。万用表并不能真实模拟其工作环境,所以即使测量出引脚正反电阻差别不大,也不能确定其是好的。相反,如果测量出的电阻值多项都有明显的差别倒是基本上可以确定其是坏的。
当然,对于一些极端情况,比如:输入与输出极之间本应电阻很大。但却快趋于零了。那也说明是坏了。或者是输出端与接地端接近短路也就可以判断是坏的了。
另外在路通电测一下(可断开后边电路),如焊下来测的话:正对有字面、大约黑表笔测中间脚、红表笔测两边脚时这时电阻较小,约为3K左右(不同表测量值会不一样),而红表笔测中间脚、黑表笔测其它两脚时阻值在20—50K左右,可近似认为是好的。
史海拾趣
|
1)登录博客后,进入个人空间首页,点击左侧的“群组”,如下图所示: 2)进入群组管理界面,在这里可以查看自己加入的群组,热门的群组,群组话题等等,还可以创建群组,发起新话题。 … 查看全部问答> |
|
我有一个多普达828的主板,系统是WM6.1 CPU是PXA272 ROM是128M RAM是64M,手机\\PDA功能都正常.这个主板有三个UART,其中一个STUART应该接红外端口用来进行红外数据传输.我把红外的驱动卸载了(也就是把驱动用的DLL改了名)然后,对这个RXD ...… 查看全部问答> |
|
跪求eeworld的朋友们给我一个步进电机的嵌入式驱动程序,或者给我一个可以学习和参考的内容.我的一个设计是关于步进电机的嵌入式驱动程序的.请赐教. 电子邮件:blueink_200451@hotmail.com qq:279697361 请写:步进电机 或 嵌入式驱动程序 和任何和 ...… 查看全部问答> |
|
各位达人,你们好!我是一名大三的学生,我的专业是电子信息工程,读大二的时候因为没有用心好好学数电,模电,特别是高频,现在我参加了单片机培训,对单片机比较感兴趣,想扎实学好单片机这门技术,学校也开了数字信号处理,老师说非常重要,因为 ...… 查看全部问答> |
|
The CODE_SECTION pragma allocates space for the func in a section named section name. The CODE_SECTION pragma is useful if you have code objects that you want to link into an area separate from the .text section.The syntax of the ...… 查看全部问答> |




