历史上的今天
今天是:2025年02月27日(星期四)
2020年02月27日 | 数字万用表电路图大全(模数转换电路/显示驱动电路)
2020-02-27 来源:elecfans
数字万用表电路图(一)
数字万用表是在一个只有基本量程的直流数字电压表的基础上扩展而成的,这个电压表相当于数字万用表的“表头”。其原理见图1。在图1中,除显示器外,其余功能可全都集成在一个芯片上,具有这些功能的芯片叫A/D转换器,较常见的有ICL7106、ICL7107等多种型号,它们部属于双积分式A/D转换器。双积分A/D转换器内部电路虽然很复杂,但根据图1的电路可以说明其原理。它在一个测量周期内的工作过程如下:
测试开始,计数器清零,积分电容c放电,然后控制逻辑使K2、K3断开,K1接通,积分器对被测电压Vx进行正向积分,正向积分也叫采样,采样期间积分输出V01线性增加,经过零比较器得到过零方波,通过控制逻辑打开门G,计数器开始对时钟脉冲计数,当计数到最高位为1时,溢出脉冲通过控制逻辑使K1、K3断开,K2接通,采样结束,计数器复零。设采样过程时间为T1,则积分输出V01=VxT1/RC……(1),K2接通基准电压VR后,积分器开始第二次积分(反向积分),V01开始线性下降,计数器也重新计数。当V01降至零时,比较器输出的负方波结束,控制逻辑使K2断开,K3接通,积分停止。同时关闭门G,计数停止,一个测量周期结束。设反向积分过程时间为T2,则积分输出为V01-VrT2/RC=0……(2)。由式(1)、(2),可得Vx=VrT2/T1……(3)。转换波形见图2。

设时钟脉冲周期为T0,则T1=N1T0,T2=N2T0,N1、N2分别是正、反向积分期间计数的时钟脉冲个数,所以VX=VRN2/N1…(4)。对干31/2位A/D转换器,采样期间计数到1000个脉冲时计数器有溢出,故N1=1000是个定值,如再规定VR=100.0mV,则有VX=0.1N2……(5)。
(5)式说明,适当选择N1及VR的值,可使VX与N2的有效数字相同,只是小数点位置不同。如将小数点定在显示值N2的十位,便可直接读数。例如,被测VX=123.4mV,则在反向积分期间计数到N2=1234个脉冲时,一个测量周期结束,显示器理应显示1234,但电路上同时使个位数字前出现一个小数点,故实际显示123.4。
计数器中暂存的N2值是二进制数,经过译码器译码后可使数字显示器显示十进制数。
由上面(4)式可见,VX的允许范围与VR的大小有关。对于31/2位A/D转换器,如VR=100.00mV,则最大显示为199.9mV;如VR=1.0V,则最大可显示1.999V。事实上VR不宜过大,否则会损坏A/D转换器。如取VR=100.0mV,这时31/2位A/D转换器便可构成基本量程为0.2v的直流数字电压表。
许多普及型数字万用表就是用这种基本量程为0.2v的直流数字电压表作表头扩展而成的。要测较高的直流电压,可采用分压器将被测电压降到0.2v以下。要测交流电压、交、直流电流及电阻,可以采用相应的转换器转换成直流电压。如被测电量数值较大,可以先分压(或分流)而后再转换,使转换后的直流电压在0.2V以下即可。数字万用表的原理框图如图3所示。

从双积分A/D转换器的工作过程还可看出数字万用表的特点:首先,从上面(4)式可知,被测电压只与基准电压及计数器的计数值有关,而这两者的准确度都可以做得较高,所以数字万用表测试准确度较高。其次,叠加在VX上的短暂干扰在积分过程中会被积分掉。如T1取值为工频信号周期(20ms的整数倍),则叠加在VX上的工频干扰也会被积分掉,所以它的抗串模干扰能力强。第三,分辨力高,31/2位数字万用表的最高分辨力为0.1mV。但它也有缺点,从双积分A/D转换器工作过程可知,如果VX是变化的量,则正、反向积分、计数器计数都不能正常进行,显示就会紊乱,所以数字万用表不能测连续蛮化的电量。
数字万用表电路图(二)
万用表是用来测量交直流电压、电阻、直流电流等的仪表。是电工和无线电制作的必备工具。初看起来万用表很复杂,实际上它是由电流表(俗称表头)、刻度盘、探针、量测电阻的原理与测直流电压相仿,只是测试时还须加一组电池。选择开关指向电阻范围时,刻度盘上找第一行电阻专用刻度读数即可。


数字万用表电路图(三)
数字的测量将一些测量信号转换成直流电压信号,然后通过模数转换电路转换成数字信号,再通过计数器计数,最后将测量结果用数字直接显示。它不但能测量直流电压、交流电压、直流电流,交流电流和电阻,也能测量信号的频率、的容量、的放大倍数等参数,还具有自动校零、自动极性转换、过载指示、保持读数、显示测量单位符号等功能。其中系统框图。
数字万用表系统框图,如图所示:

测量电路原理
DT830万用表采用大规模集成芯片7106(或者7107)作为电路的模数转换电路和显示驱动电路。引脚功能如下所述。
(1)直流电压测量电路
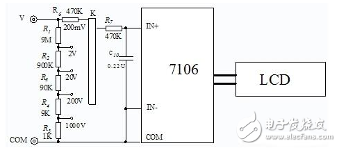
直流电压档电路原理图,如图所示:

(2)交流电压测量电路
交流电压档电路原理图,如图所示:

(3)直流电流测量电路
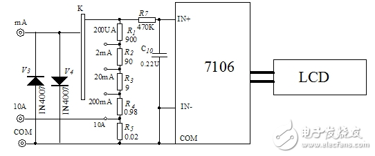
直流电流档电路原理图,如图所示:

图5直流电流档电路原理图
(4)电阻测量电路
电阻档电路原理图,如图所示:

数字万用表电路图(四)
图2为数字万用表直流电流测量电路原理图,图中VD1、VD2为保护二极管,当基本表IN+、IN一两端电压大于ZOOmV时,VD1导通,当被测量电位端接入IN一时,VD2导通,从而保护了基本表的正常工作,起到“守门”的作用。
R2~R5、RC.分别为各挡的取样电阻,它们共同组成了电流-电压转换器(I/U),即测量时,被测电流△在取样电阻上产生电压,该电压输人至IN+、IN—两端,从而得到了被测电流的量值。若合理地选配各电流量程的取样电阻,就能使基本表直接显示被测电流量的大小。

图2数字万用表直流电流测量电路原理图
上一篇:简易数字频率计电路图大全
史海拾趣
|
想做一个条码枪的读取程序,在条码枪扫描后读取信息,再进入下个界面,不知道如何下手。 条码枪是用串口的,本想过用Timer控制,但好像不大好,用线程好像会好一点,本人又不大熟,只好请教各位大哥了,呵呵~~~… 查看全部问答> |
|
一包一包的标准视频数据(或MPEG4, H263)送给播放器,播放器可以播放. WinCE上能实现这样的功能吗?网上有这样的源码吗(简单的)? 能给一些参考意见吗?… 查看全部问答> |
|
利用LM317制作一个1.5V的可调节电源,在一些电子产品中,有的使用单节7号电池,想制作一个交流变直流的电源替代电池,利用LM317可实现这一目的。 电路原理图可参考规格书里的电路,根据实际情况加以修改即可。发一参考图如下 基本原理说明,交 ...… 查看全部问答> |
|
1传感器的静态特性传感器的静态特性是指对静态的输入信号,传感器的输出量与输入量之间所具有相互关系。因为这时输入量和输出量都和时间无关,所以它们之间的关系,即传感器的静态特性可用一个不含时间变量的代数方程,或以输入量作横坐标,把与其 ...… 查看全部问答> |




