历史上的今天
今天是:2025年03月01日(星期六)
2020年03月01日 | 【MSP430】MSP430深入研究 之 通用收发器USART(上)
2020-03-01 来源:eefocus
通用同步/异步收发器采用一个硬件,支持两种通用串行总线接口模式(msp430f16x支持三种,另外一种是I2C),UART接口(异步模式),SPI接口(同步模式)。我们可以根据寄存器UxTCL的SYNC来选择USART的工作模式。在MSP430F149中有两个相同的串行总线接口,可以分别或者同事配置成两种模式。
——摘自《MSP430基础与实践》
这次先介绍通用异步串行接口UART;

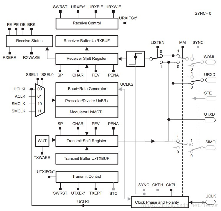
figure1. USART(in UART modem)
那大致可以看出他就分为以下几个部分:
>串口控制器:UxCTL
>接受控制器:UxRCTL
>发送控制器:UxTCTL
>波特率控制器:UxBR0 UxBR1 UxMCTL
>收发使能控制器:UxME
>收发中断控制器:UxIE
>标志寄存器:UxIFG

figure 2. Flow Chart of USART Initializing
USART Control Register:

figure 3. USART Control Register
可见SWRST默认是为1:意思是USART默认为Reset状态,所以我们在设置完,只有把SWRST置为0才能使能UART或SPI或I2C;
感觉说这些都是多余浪费时间的,既然是深入研究,那么我们就做点别人很少研究的东西!
关于波特率的设置:

figure 4. Baud Rate
波特率的设置,datasheet上已经给出了解释!可能大家对UxBR0、UxBR1的认识已经没有什么问题了!重要是UxMCTL,我们先来看看UxMCTL的寄存器:

figure 5. Register of UxMCTL
mi : Data of each corresponding modulation bit (1 or 0);
所以不管你把那个置为1,只要他们的和与8相除,商为接近你想要得到的小数的值即可!
举个例子:MCLK = 8000 000Hz, Baud Rate = 9600;
UxBR + (m0+m1+ ... + m7)/8 = 8000 0000/9600 = 833 + 0.33333
UxBR 设为 833 不用说了,8 X 0.3333 = 2.666 ≈ 3;那么m0~m7里面只要有3个1就可以了,所以为了方便期间我们用移位的方法:
unsigned char temp = 0;
for(i=0; i<3; i++)
{
temp = temp <<1;
temp |= 1;
}
由于串口通信比较简单,就没什么好多说的了!
实例代码:
#include #include "msp430_lib.h" #define BUFF_SIZE 128 typedef struct { int recv_len; unsigned char recv_buff[BUFF_SIZE]; }UART_RECV; UART_RECV u_recv; void uart0_init(int baud_rate) { unsigned char i,temp; // 设为复位模式,方便多次初始化 U0CTL |= SWRST; // 8个bit U0CTL |= CHAR; // 这里波特率设置 U0BR1 = (unsigned int)0xff&((NOW_SYSCLK/baud_rate)>>16); U0BR0 = (unsigned int)(NOW_SYSCLK/baud_rate)&0xff; i = (NOW_SYSCLK - baud_rate*(unsigned int)(NOW_SYSCLK/baud_rate))*8/baud_rate; while(i){ i--; temp = temp << 1; temp |= 1; } U0MCTL = temp; // 进入标准模式 U0CTL &= ~SWRST; // 使能发送和接收 U0ME |= UTXE0 + URXE0; // 使能接收中断 U0IE |= URXIE0; // 配置PIN为特殊功能模式 P3SEL |= BIT7 + BIT6; // 使能全局中断 _EINT(); u_recv.recv_len = 0; } /* * 数据发送函数 */ void uart_senddata(unsigned char byte) { while(!(U0IFG & UTXIFG0)); U0TXBUF = byte; } // 中断处理函数 #pragma vector=UART0RX_VECTOR __interrupt void uart_rxirq() { u_recv.recv_buff[u_recv.recv_len++] = U0RXBUF; } 中断数据接收的地方,我创建了一个缓冲区,用了一个全局变量!方便一下子接收很多数据!
上一篇:msp430频率测试程序
史海拾趣
|
转自周立功论坛 小弟学ucos有一段时间了,总想找个移植的案例跑起来试试 前不久将网络上的一篇“小siae的uCOS2C51”下载下来,放到我的STC89C52RC中,发现跑不起来,郁闷了.... 后来在网上找了一个很好的关于uCOS2C51的移植总结,比较着调 ...… 查看全部问答> |
|
最近在开发测试TFT LCD屏. 刚开始用3.5寸的320*240编译了CE系统.文字可以显示完整. 之后改用4.3寸的480*272分辨率(16:9)编译CE系统.显示的文字例如回收站这几个字只能显示横的.竖的显示不出来. 直接换成3.5寸的屏又可以显示.用PB截图也是显示完 ...… 查看全部问答> |
|
我的SDRAM时钟,按我的意思是配置到100M,但实际只配到了4M左右,单步调试发现int.s中分频已经正确,但在MAIN.C函数,倍频时,时钟并没有起来 ChangeUPllValue(56,2,2); // ...… 查看全部问答> |
|
想做一个带console口的硬件系统,通过PC机对其进行控制。看到交换机一般都是用RJ45做console口。对硬件不太懂,问点外行问题: 可不可以我的console口也是个和PC机一样的串口(RS232)啊?有两边都是RS232的console线吗? 如果不行,做成RJ45口的 ...… 查看全部问答> |
|
直流电机励磁电压,励磁电流的问题,求助 我们现场有一台直流电机,平头机刀盘用。励磁电压180V,励磁电流6.67A。用西门子6RA28带动。装置电流125A,励磁最大电流10A。开始安装的时候励磁没有放变压器,励磁回路直接给220V。现在现场说带电机的时 ...… 查看全部问答> |




