历史上的今天
今天是:2024年09月01日(星期日)
2020年09月01日 | TI MSP430 F22xx系列混合信号微控制器的特性及应用方案
2020-09-01 来源:elecfans
TI公司的MSP430 F22xx系列是超低功耗混合信号微控制器,集成了两个16位计时器,通用串行通信接口,10位ADC和基准电压源以及数据传输控制器(DTC),两个通用运放。器件工作电压1.8V-3.6V,1 MHz,2.2 V工作模式的功率为270uA,可重复存储为0.7uA,主要用于手持设备。此处介绍了MSP430F22xx主要特性,功能方框图,以及EZ430-TMS37157无线RFID开发套件主要特性,EZ430-RF USB调试接口电路图,EZ430-TMS37157板目标电路图产品RFID状语从句:基站电路图等。
德州仪器(TI)MSP430超低功耗微控制器系列由几款器件组成,这些器件具有针对各种应用的不同外设集。该架构结合五个低功耗模式进行了优化,以延长便携式测量应用中的电池寿命。该器件具有功能强大的16位RISC CPU,16位寄存器和常量生成器,有助于最大程度地提高代码效率。数控振荡器(DCO)允许在不到1微秒的时间内从低功耗模式唤醒到活动模式。
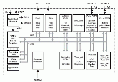
MSP430F22xx系列是一款超低功耗混合信号微控制器,具有两个内置的16位定时器,一个通用串行通信接口,带有集成参考和数据传输控制器(DTC)的10位A / D转换器,两个通用的MSP430F22x4器件中的专用运算放大器和32个I / O引脚。
MSP430F22xx主要特性:
低电源电压范围:1.8 V至3.6 V
超低功耗
有源模式:270微安,1兆赫,2.2伏
待机模式:0.7微米
关闭模式(RAM保持):0.1微安
在小于1微秒的时间内从待机模式超快唤醒
16位RISC体系结构,62.5-ns指令周期时间
基本时钟模块配置
内部频率高达16兆赫,四个校准频率为%plusm;1%
内部极低功率低频振荡器
32千赫晶体
高达16MHz的高频(HF)晶体
谐振器
外部数字时钟源
外部电阻器
带三个捕获/比较寄存器的16位定时器
带三个捕获/比较寄存器的16位定时器
通用串行通信接口
支持自动波特率检测(LIN)的增强UART
IrDA编解码器

图1.MSP430F22x4功能框图
eZ430-TMS37157无线开发套件
eZ430-TMS37157是一个完整的基于USB的MSP430无线开发工具,提供用于评估MSP430F2274微控制器和TMS37157无源低频接口(PaLFI)RFID应答器的硬件和软件。
eZ430-TMS37157使用Code Composer Essentials(CCE)或IAR Embedded Workbench集成开发环境(IDE)来编写,下载和调试应用程序。调试器不打扰,允许用户在不消耗额外硬件资源的情况下,以全速运行具有硬件断点和单步执行的应用程序。
eZ430-TMS37157目标板是一种现成的无线系统,可以与USB调试接口一起使用,可以作为带有或不带有外部传感器的独立系统,或者可以并入现有设计中。
新的USB调试接口使eZ430-TMS37157可以使用MSP430应用UART从PC远程发送和接收数据。
eZ430-TMS37157无线开发套件的主要特性:
•具有无驱动程序安装和应用反向通道的USB调试和编程接口
•14个可用的开发引脚
• 具有16 MHz性能的高度集成的超低功耗MSP430 MCU
•两个通用数字I / O引脚连接到绿色和红色LED上以提供视觉反馈
•可中断的按钮,用于用户反馈

图2.eZ430-TMS37157外形图

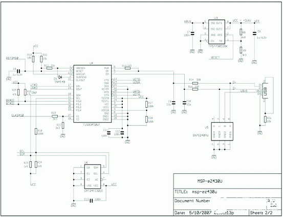
图3。eZ430-RF USB调试接口电路图(1)

图4。eZ430-RF USB调试接口电路图(2)

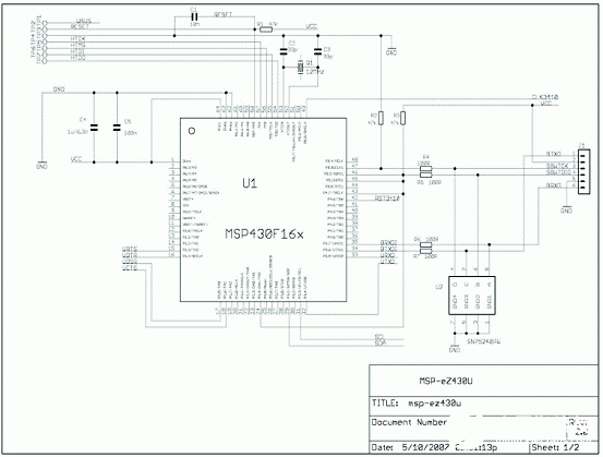
图5.eZ430-TMS37157目标板电路图

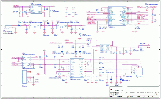
图6. eZ430-TMS37157 RFID基站电路图

图7.eZ430-TMS37157 RFID基站接口板连接器电路图

图8. eZ430-TMS37157 RFID基板接口板电路图
史海拾趣
|
作为一个有电子基本理论基础的新手,应该如何入手? 是应该先学习verilog&vhdl语言,还是其他什么? 我有听说过ilinx,altera和quartus,modelsim谁能帮忙具体解释下是什么?… 查看全部问答> |
|
刚用F28027,PCB做好以后,通上电发现电流就有60MA,很奇怪,烧入程序后发现电流有90MA,不知道为什么耗那么多电流,这个正常吗,根据芯片资料,我只给3.3V供电,那个VREGENZ我用电阻下拉到地了,在没烧程序前拿掉电阻,电流就没了,但是烧好程序后那个电阻有无 ...… 查看全部问答> |
|
最近在做一个宽带放大器 0-8M输入 要求放大1万倍 考虑三运放的仪表放大电路 找不到合适的放大器 买了ad846放大倍数不行啊 哪位高人能给推荐个合适的啊 或者换个电路用三极管场效应管也行 实在是在这方便没什么思路啊 给点指 ...… 查看全部问答> |
|
ISE软件中给出的综合报告和静态时序分析报告都有工作频率,请问哪一个是FPGA能够实际工作的频率? 答:经过映射和布线的频率值才是FPGA可以真正跑到的频率值看静态时序分析报告,基本上是这个数值。通过查看ISE9.103的 implement Design>Place ...… 查看全部问答> |
|
1、智能设备平台WINCE5.0、PC编程VS2005 C# 2、我想在WINCE5.0上操作数据库。运行我我自己的应用软件时提示:报错:无法加载 DLL“SQLCEME30.DLL”: 3、我重新编译内核,现在运行wince5.0时,WINGDOWS目录下已经有了所需的7个*。DLL文件,注册表 ...… 查看全部问答> |
|
PBYTE OutputStreamContextM16::Render2(PBYTE pBuffer, PBYTE pBufferEnd, PBYTE pBufferLast) { LONG CurrT = m_CurrT; LONG DeltaT = m_DeltaT; LONG CurrSamp0 = m_CurrSamp[0]; ...… 查看全部问答> |




