历史上的今天
今天是:2024年11月02日(星期六)
2020年11月02日 | 汽车线束EMC设计
2020-11-02 来源:ATC汽车技术
线束 EMC 设计必要性
1、电磁环境 - 需求和问题
①与车外广播电视、 无线通信等设施间的相互影响;
内部电气部件相互影响;电网设备相互影响;人体静电影响和人员防护。
②EMC 三要素
干扰源:产生变化的电压或电流的零部件。
传播途径:包括传导耦合、辐射耦合。
敏感设备:易被干扰的设备。
线束本身为无源器件,自身不产生电磁干扰,但线束是 “传播途径”!
2、整车功能需求
电磁兼容是一门关于电磁能量的产生、传输和接受的学科,是研究在有限的空间、有限的时间、有限的频谱资源条件下,各种用电设备(分系统、系统, 广义的还包括生物体)可以共存的一门科学。
电磁兼容骚扰等级
等级一:功能在施加骚扰期间和之后,能正常执行其预先设计的 功能。
等级二:功能在施加骚扰期间,有可能超出规定的偏差,但功能 在停止施加骚扰之后,必须自动恢复到正常工作范围。
等级三:功能在施加骚扰期间 / 之后,有可能超出规定的偏差,必 须通过驾驶员操作,才能恢复到正常工作范围。
等级四:功能在施加骚扰期间 / 之后,有可能超出规定的偏差,驾驶员操作无法恢复到正常工作范围,可以通过修理 / 替换恢复到正常工作范围。
3.EMC 标准 - 法规需求

线束 EMC 设计及案例
1. 线束 EMC 设计概要
线束 EMC 设计:电源设计、搭铁设计、布置设计、导线选型四个方面。
2. 电源部分 EMC 设计
案例:点火线圈与空气流量计共电源线,点火线圈上产生的反向电压干扰空气流量 计,导致其内部模块损坏。

对电源波动敏感传感器类电器件,不能与点火线圈类电压波动大的电器件共用电源。

(1)、对电源波动敏感传感器类电器件,不能与电压波动大的感性电器件共用电源;
(2)、有一些对电源要求特别高的传感器和执行器,则需要把电源提供给控制单元,经过控制单元处理后再提供;
(3)、安全件和重要设备采用独立保险。例如:ECM、ESP、TCU 等;
(4)、大功率设备采用独立保险。例如:电子扇、EPS 等。
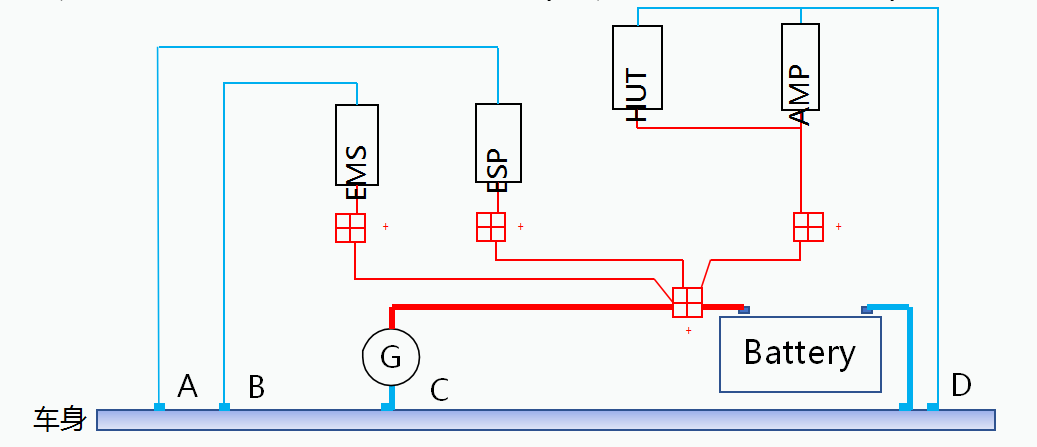
搭铁部分 EMC 设计
1、搭铁点正确位置:搭铁点尽可能的靠近电源回路。

2、搭铁回路和电源回路尽可能的靠近车身。

3、各控制模块的电子地与大功率感性负载的地线分开搭铁;(A、B 和 C)
4、安全系统的地要与其他电气地分开布置,甚至双搭铁;( A、B 和 D)
5、同系统同搭铁,避免不同系统间的串扰(D 是影音系统共地)。

6、12V 系统是单线制、负极搭铁,所以有屏蔽要求的系统屏蔽层与车身连接必须特别注意不能在屏蔽层上产生电流。

3. 线束布置 EMC 设计
案例:雨刮电源线与某霍尔传感器线束走向相同,雨刮电机能耗制动时产生的干 扰脉冲耦合到传感器电源线,导致传感器电源线被干扰,传感器信号丢失。

传感器之类的弱信号线不与大功率感性负载的电源线、地线并行布线,类似 设计必须提前到整车拓扑设计阶段。

(1)、弱信号线尽量减少与大功率感性负载的电源线、地线并行布线,如不能避免需要增强弱 信号用电器的抗干扰能力。
(2)、高压线与低压线应分开布置,必须靠近时应尽可能垂直交叉布置。
(3)、减少电源线、搭铁线的绕线,所有的电器件都就近取电、就近搭铁。特殊情况除外,系 统必须共地,如摄像头地回到主机内部搭铁。
史海拾趣
|
装了一天的dsp builder,都没有安装成功。网上有个安装说明照着做了,但是在MATLAB中运行setup_dspbuilder时出现了错误,屏幕上显示:???Undefined function or variable \'setup_dspbuilder\'.:\'( MATLAB是R2009版本,quartus,modelsim是8.1 ...… 查看全部问答> |
|
本问节选自《嵌入式系统Linux内核开发实战指南(ARM平台)》一书 每次系统上电/复位启动时,处理器都处于一种最低性能即只有最基本功能的状态,此时它只能从复位向量地址处去读取指令,其他功能模块都处于禁止或者不可 ...… 查看全部问答> |
|
有关xilinx中fft ip核的scale_sch的设置问题 大家好,我现在在做2048个点的fft,其中用到了缩减位scale_sch,位宽是12位。如果我要缩减2^9,也就是缩减512倍,仿真的时候发现如果scale_sch赋值为12\'b001010101001时,结果就正确,但是赋值为12\'b011010101000时结果就不对,这是为什么呢?sca ...… 查看全部问答> |
|
sw笨笨的STM32学前班教程之五:给等待入门的人一点点建议 入门必须阅读的相关文档1、 几个重要官方文档的功能:a) Datasheet——芯片基本数据,功能参数封装管脚定义和性能规范。b) 固件函数库用户手册——函数库功能,库函数 ...… 查看全部问答> |
|
在ccs中的TIresource explorer中没有controlsuit,已经在 安装了controlsuite。。。而且是在TI那个安装目录下。。。请问大家有没有遇到这个情况?求解释。。。… 查看全部问答> |
|
Boost英语解释是:VT 促进 增加;支援,pack是包果.自然是增强包了. 今天在网上看到Hercules TMS570LS04x/03x and RM42x LaunchPads 的原理图,为了方便传一下,我看到有BoosterPack的接口,也传一下,我想是否同那个风火轮能接下呢,大家有没有试过的呢? ...… 查看全部问答> |
|
http://tc.people.com.cn/n/2013/1108/c183175-23479227.html 原标题:调查显示多数人成为手机奴隶:手机不见感到恐慌 到底是我们在玩手机,还是手机在玩我们?《南都周刊》的调查显示,14%的人夜间醒来的第一件事就是去看手机,11%的人甚至 ...… 查看全部问答> |
|
做嵌入式系统开发常用到DSP,这里整合100多个最应该懂得的157个问题: 5V/3.3V如何混接? TI DSP的发展同集成电路的发展一样,新的DSP都是3.3V的,但目前还有许多外围电路是5V的,因此在DSP系统中,经常有5V和3.3V的DSP混接问题。在这些系统中,应注意 ...… 查看全部问答> |




