历史上的今天
今天是:2024年12月24日(星期二)
2020年12月24日 | STM32 ADC详解
2020-12-24 来源:eefocus
01、ADC简介
ADC是Analog-to-DigitalConverter的缩写。指模/数转换器或者模拟/数字转换器。是指将连续变量的模拟信号转换为离散的数字信号的器件。典型的模拟数字转换器将模拟信号转换为表示一定比例电压值的数字信号。
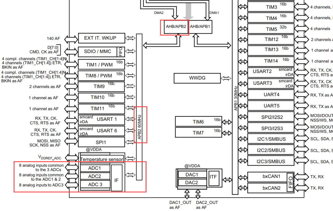
从STM32F207的数据手册中下图看到,STM32F207VC有3个精度为12bit的ADC控制器,有16个外部通道,而144脚的STM32F207Zx和176脚的STM32F207Ix因为带PF脚,所以多8个通道,为24个外部通道。各通道的A/D转换可以单次、连续、扫描或间断执行,ADC转换的结果可以左对齐或右对齐储存在16位数据寄存器中。

STM32F207时钟系统解析》。

对应GPIO,我们从STM32F207数据手册中看到,我们可以使用PC0作为ADC3的通道10。

这里需要说明的是,之前的文章使用其他外设时,比如《STM32PWM输出》中,寻找对应的管脚时,我们都是从STM32F207数据手册的Alternatefunctionmapping表中寻找,这是因为ADC对应的管脚使用的是Additionalfunctions,PWM对应的管脚使用的是Alternatefunctions。
区别是:
Additionalfunctions:附加,辅助功能,引脚被连接到其他模块使用,使用时直接普通配置即可,例如ADC的采用输入通道,配置为模拟输入。
Alternate functions:复用功能,即将IO口用作普通输入输出以外的功能,例如串口输入输出,使用时需要配置复用模式。
在之前的文章《STM32GPIO详解》中有如下介绍。

STM32标准外设库中有如下代码
typedef enum
{
GPIO_Mode_IN = 0x00, /*!< GPIO Input Mode */
GPIO_Mode_OUT = 0x01, /*!< GPIO Output Mode */
GPIO_Mode_AF = 0x02, /*!< GPIO Alternate function Mode */
GPIO_Mode_AN = 0x03 /*!< GPIO Analog Mode */
}GPIOMode_TypeDef;
其中GPIO_Mode_AF对应的就是Alternate functions:复用功能,GPIO_Mode_AN对应的就是Additional functions:附加,辅助功能。
03、STM32ADC框图讲解
下图是STM32ADC的结构框图,我们将其划分为7个部分进行讲解。

1、输入电压范围
ADC所能测量的电压范围就是VREF-≤ VIN ≤ VREF+,把VSSA 和VREF-接地,把VREF+和VDDA 接3V3,得到ADC的输入电压范围为:0~3.3V。

2、输入通道
ADC的信号时通过输入通道进入单片机内部的,单片机通过ADC模块将模拟信号转换为数字信号。上图标记②的部分显示了外部的16个通道,连接的GPIO,对应的关系如上面讲解的,需要在STM32F207数据手册的STM32F20xpin and ball definitions表格中寻找。实际上STM32还有内部通道,ADC1的通道 16连接到了芯片内部的温度传感器,Vrefint 连接到了通道17。ADC2的模拟通道 16和 17连接到了内部的VSS。
3、转换通道
外部的16个通道在转换时又分为规则通道和注入通道,其中规则通道最多有16路,注入通道最多有4路(注入通道貌似使用不多),下面简单介绍一下俩种通道:
规则通道
规则通道顾名思义就是,最平常的通道、也是最常用的通道,平时的ADC转换都是用规则通道实的。规则通道和它的转换顺序在ADC_SQRx寄存器中选择,规则组转换的总数应写入ADC_SQR1寄存器的L[3:0]中。
注入通道
注入通道是相对于规则通道的,注入通道可以在规则通道转换时,强行插入转换,相当于一个“中断通道”吧。当有注入通道需要转换时,规则通道的转换会停止,优先执行注入通道的转换,当注入通道的转换执行完毕后,再回到之前规则通道进行转换。最多4个通道,注入组和它的转换顺序在ADC_JSQR寄存器中选择。注入组里转化的总数应写入ADC_JSQR寄存器的L[1:0]中。
一个ADC控制器有多个通道,这就涉及使用多个通道进行转换就涉及到一个先后顺序的问题了,毕竟规则转换通道只有一个数据寄存器。多个通道的使用顺序分为俩种情况:规则通道的转换顺序和注入通道的转换顺序。
规则通道转换顺序
规则通道中的转换顺序由三个寄存器控制:SQR1、SQR2、SQR3,它们都是32位寄存器。SQR寄存器控制着转换通道的数目和转换顺序,只要在对应的寄存器位SQx中写入相应的通道,这个通道就是第x个转换,通过SQR1寄存器就能了解其转换顺序在寄存器上的实现了。
注入通道转换顺序
和规则通道转换顺序的控制一样,注入通道的转换也是通过注入寄存器来控制,只不过只有一个JSQR寄存器来控制,控制关系如下:

需要注意的是,只有当JL=4的时候,注入通道的转换顺序才会按照JSQ1、JSQ2、JSQ3、JSQ4的顺序执行。当JL<4时,注入通道的转换顺序恰恰相反,也就是执行顺序为:JSQ4、JSQ3、JSQ2、JSQ1。
配置转换顺序的函数
void ADC_RegularChannelConfig(ADC_TypeDef* ADCx, uint8_t ADC_Channel,uint8_t Rank, uint8_t ADC_SampleTime)
04、触发源
ADC转换的输入、通道、转换顺序都已经说明了,但ADC转换是怎么触发的呢?就像通信协议一样,都要规定一个起始信号才能传输信息,ADC也需要一个触发信号来实行模/数转换。
其一就是通过直接配置寄存器触发,通过配置控制寄存器CR2的ADON位,写1时开始转换,写0时停止转换。在程序运行过程中只要调用库函数,将CR2寄存器的ADON位置1就可以进行转换,比较好理解。
另外,还可以通过内部定时器或者外部IO触发转换,也就是说可以利用内部时钟让ADC进行周期性的转换,也可以利用外部IO使ADC在需要时转换,具体的触发由控制寄存器CR2决定。
05、转换周期
可独立设置各通道采样时间
ADC会在数个ADCCLK周期内对输入电压进行采样,可使用ADC_SMPR1和ADC_SMPR2
寄存器中的SMP[2:0]位修改周期数。每个通道均可以使用不同的采样时间进行采样。
总转换时间的计算公式如下:
Tconv=采样时间+12个周期
示例:
ADCCLK = 30 MHz且采样时间=3个周期时:
Tconv= 3+12=15个周期=0.5us (APB2为60MHz时)
最小采样时间0.42us(ADC时钟=36MHz,采样周期为3周期下得到)。
06、数据寄存器
转换完成后的数据就存放在数据寄存器中,但数据的存放也分为规则通道转换数据和注入通道转换数据的。
规则数据寄存器
规则数据寄存器负责存放规则通道转换的数据,通过32位寄存器ADC_DR来存放。
注入数据寄存器
注入通道转换的数据寄存器有4个,由于注入通道最多有4个,所以注入通道转换的数据都有固定的存放位置,不会跟规则寄存器那样产生数据覆盖的问题。 ADC_JDRx是 32位的,低 16位有效,高 16位保留,数据同样分为左对齐和右对齐,具体是以哪一种方式存放,由ADC_CR2的 11 位ALIGN 设置。
07、中断
可以产生4种中断

①DMA溢出中断
当配置了DMA,且DMA溢出时产生中断
②规则通道转换完成中断
规则通道数据转换完成之后,可以产生一个中断,可以在中断函数中读取规则数据寄存器的值。这也是单通道时读取数据的一种方法。
③注入通道转换完成中断
注入通道数据转换完成之后,可以产生一个中断,并且也可以在中断中读取注入数据寄存器的值,达到读取数据的作用。
④模拟看门狗事件
当输入的模拟量(电压)不再阈值范围内就会产生看门狗事件,就是用来监视输入的模拟量是否常。
08、电压转换
转换后的数据是一个12位的二进制数,我们需要把这个二进制数代表的模拟量(电压)用数字表示出来。比如测量的电压范围是0~3.3V,转换后的二进制数是x,因为12位ADC在转换时将电压的范围大小(也就是3.3)分为4096(2^12)份,所以转换后的二进制数x代表的真实电压的计算方法就是:
y=3.3* x / 4096
09、电路图设计
电路图很简单,可以在ADC引脚上输入不同的电压,也可以直接方便的使用滑动变阻器实现不同的电压变化。

10、代码设计
ADC外设配置的结构体
typedef struct
{
uint32_t ADC_Resolution; /*!< Configures the ADC resolution dual mode.
This parameter can be a value of @ref ADC_resolution */
FunctionalState ADC_ScanConvMode; /*!< Specifies whether the conversion
is performed in Scan (multichannels)
or Single (one channel) mode.
This parameter can be set to ENABLE or DISABLE */
FunctionalState ADC_ContinuousConvMode; /*!< Specifies whether the conversion
is performed in Continuous or Single mode.
This parameter can be set to ENABLE or DISABLE. */
uint32_t ADC_ExternalTrigConvEdge; /*!< Select the external trigger edge and
enable the trigger of a regular group.
This parameter can be a value of
@ref ADC_external_trigger_edge_for_regular_channels_conversion */
uint32_t ADC_ExternalTrigConv; /*!< Select the external event used to trigger
the start of conversion of a regular group.
This parameter can be a value of
@ref ADC_extrenal_trigger_sources_for_regular_channels_conversion */
uint32_t ADC_DataAlign; /*!< Specifies whether the ADC data alignment
is left or right. This parameter can be
a value of @ref ADC_data_align */
uint8_t ADC_NbrOfConversion; /*!< Specifies the number of ADC conversions
that will be done using the sequencer for
regular channel group.
This parameter must range from 1 to 16. */
}ADC_InitTypeDef;
ADC_Resolution:ADC 工作模式选择,ADC分辨率
ADC_ScanConvMode:ADC 扫描(多通道)或者单次(单通道)模式选择
ADC_ContinuousConvMode:ADC 单次转换或者连续转换选择
ADC_ExternalTrigConvEdge:ADC 外部触发极性配置
ADC_ExternalTrigConv:ADC 转换触发信号选择
ADC_DataAlign:ADC 数据寄存器对齐格式
ADC_NbrOfConversion:ADC转换通道数目
typedef struct
{
uint32_t ADC_Mode;//多重ADC模式选择
uint32_t ADC_Prescaler; //ADC预分频
uint32_t ADC_DMAAccessMode; //DMA访问模式
uint32_t ADC_TwoSamplingDelay; //2个采样阶段之间的延迟
}ADC_CommonInitTypeDef;
ADC_CommonInitTypeDef用来配置ADC_CCR寄存器的相关参数
ADC外设和DMA配置代码
/**
* @brief ADC3 channel10 with DMA configuration
* @param None
* @retval None
*/
void ADC3_CH10_DMA_Config(void)
{
ADC_InitTypeDef ADC_InitStructure;
ADC_CommonInitTypeDef ADC_CommonInitStructure;
DMA_InitTypeDef DMA_InitStructure;
GPIO_InitTypeDef GPIO_InitStructure;
/* Enable ADC3, DMA2 and GPIO clocks ****************************************/
RCC_AHB1PeriphClockCmd(RCC_AHB1Periph_DMA2 | RCC_AHB1Periph_GPIOC, ENABLE);
RCC_APB2PeriphClockCmd(RCC_APB2Periph_ADC3, ENABLE);
/* DMA2 Stream0 channel2 configuration **************************************/
上一篇:STM32 DAC详解
下一篇:STM32触摸按键
史海拾趣
|
1、软件工程或计算机软件相关专业,本科以上学历,英语四级以上。 2、熟练掌握C++及MFC编程,有3年以上基于EVC系统的开发经验。 公司地址:北京市海淀区西三旗 如有意者,可将简历发送至:hj3850@163.com 亦可来电 ...… 查看全部问答> |
|
可以连上,必须把JTAG口RST脚上的电容拿掉,但又碰到了新问题:在线仿真5438时速度极慢,下载操作需1分钟左右,执行一个单步需十几秒,执行一次复位需半分钟,运算结果倒是正确的。iar是4.20.1版,操作系统是vista,仿真器是USB型的LSD-FET430UIF, ...… 查看全部问答> |
|
Lm3S811 PLL 设置倍频到 50Mhz 之后,为什么实际只有37.5Mhz 呢? Lm3S811 PLL 设置倍频到 50Mhz 之后,为什么实际只有37.5Mhz 呢? SysCtlClockSet(SYSCTL_SYSDIV_4 | SYSCTL_USE_PLL | SYSCTL_OSC_MAIN |SYSCTL_XTAL_6MHZ);//UART 初始化SysCtlPeripheralEnable(SYSCTL_PERIPH_UART0);SysCtlPeripheral ...… 查看全部问答> |
|
急求助:Linux无法从NFlash(K9F1208U0A)启动 自己开了一个ARM架构板, CPU: S5PC100, SDRAM: K4T1G164QQ(两颗),Nand flash: K9F1208U0A。现在系统能从SD卡启动,对FLASH擦除操作后返回OK,但将SD卡取后,从FLASH启动串口不出现任何信息。有没有人知道是哪里出了问题,急求大家的帮助,不甚 ...… 查看全部问答> |
|
求介绍一款支持G.711压缩标准的语音芯片,能将语音数字化! 最近做项目用到支持G.711标准的语音压缩芯片,并且要求录音时间不小于30S,我算了一下这个要求芯片的存储空间至少是64KB*30=1920KB,大于2M的就可以。因为小弟接触的比较少,在网上也没有搜到,故求大神帮助! … 查看全部问答> |




