历史上的今天
今天是:2025年01月22日(星期三)
2021年01月22日 | 以AT89C51单片机为核心的高频开关电源设计
2021-01-22 来源:eefocus
简介:本系统是多台高频开关电源(1000A/15V)智能模块并联,电源单元和监控单元均以AT89C51单片机为核心,电源单元的均流由监控单元来协调,监控单元既可以与各电源单元通信,也可以与PC通信,实现远程监控。
0 引言
模块化是开关电源的发展趋势,并联运行是电源产品大容量化的一个有效方案,可以通过设计N+l冗余电源系统,实现容量扩展。本系统是多台高频开关电源(1000A/15V)智能模块并联,电源单元和监控单元均以AT89C51单片机为核心,电源单元的均流由监控单元来协调,监控单元既可以与各电源单元通信,也可以与PC通信,实现远程监控。
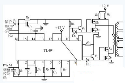
1 PWM控制电路
TL494是一种性能优良的脉宽调制控制器,TL494由5V基准电压、振荡器、误差放大器、比较器、触发器、输出控制电路、输出晶体管、空载时间电路构成。其主要引脚的功能为:
脚1和脚2分别为误差比较放大器的同相输入端和反相输入端;
脚15和脚16分别为控制比较放大器的反相输入端和同相输入端;
脚3为控制比较放大器和误差比较放大器的公共输出端,输出时表现为或输出控制特性,也就是说在两个放大器中,输出幅度大者起作用;当脚3的电平变高时,TL494送出的驱动脉冲宽度变窄,当脚3电平变低时,驱动脉冲宽度变宽;
脚4为死区电平控制端,从脚4加入死区控制电压可对驱动脉冲的最大宽度进行控制,使其不超过180°,这样可以保护开关电源电路中的三极管。
振荡器产生的锯齿波送到PWM比较器的反相输入端,脉冲调宽电压送到PWM比较器的同相输入端,通过PWM比较器进行比较,输出一定宽度的脉冲波。当调宽电压变化时,TL494输出的脉冲宽度也随之改变,从而改变开关管的导通时间ton,达到调节、稳定输出电压的目的。脉冲调宽电压可由脚3直接送入的电压来控制,也可分别从两个误差放大器的输入端送入,通过比较、放大,经隔离二极管输出到PWM比较器的正相输入端。两个放大器可独立使用,如分别用于反馈稳压和过流保护等,此时脚3应接RC网络,提高整个电路的稳定性。
如图1所示,PWM脉冲的占空比有内部误差放大器EA1来调制,而内部误差放大器EA2则用来打开和关断TL494,用于保护控制。脚2和脚15相连,并与公共输出端脚3相连通,因脚3电位固定,所以,TL494驱动脉冲宽度主要由脚1(PWM调整控制端)来控制;脚16是系统保护输入端,系统的过流、过压、欠压、过温等故障以及稳压或稳流切换时关断信号都是通过脚16来控制。锯齿波发生器定时电容CT=0.01μF,定时电阻RT=3kΩ,其晶振频率fosc==36.6kHz。内部两个输出晶体管集电极(脚8和脚11)接+12V高电平,其发射极(脚9和脚10)分别驱动V1和V2,从而控制S1和S2,S3和S4管轮流导通和关闭。

图1 PWM控制电路
2 软件介绍
2.1 电源单元和监控单元的软件
高频开关电源单元主要有数据采集,电压电流输出给定,键盘和LED显示,故障处理以及与监控单元RS485通信等子程序组成。监控单元主要有键盘和液晶显示,EEPROM以及与电源单元和PC机RS485通信等子程序组成。EEPROM用于存放工作参数和其他不能丢失的信息,它采用X5045芯片,X5045有512字节,内涵看门狗电路,电源VCC检测和复位电路。
如果出现故障,电源单元立即做出相应处理,并主动向监控单元申请中断,将故障数据传送给监控单元,监控单元立即调用故障处理程序,如果故障严重将切除故障电源,并启动备份电源,而且将故障情况传送给PC机。
2.2 均流处理程序
高频开关电源单元将各自的电压和电流发送给监控单元,监控单元接收到各电源单元的电压和电流信息后,马上进入均流判定处理程序。本程序将根据均流精度的要求,计算出该由哪个电源单元进行怎样的调节以达到均流要求。该程序主要包括下面两个模块:第一个模块主要完成电压的检查工作,发现电源单元电压偏移超过要求,马上进行相应调节,保证其电压为要求值;第二个模块用于进行均流计算,该模块将找出电流偏移平均值超过规定要求的电源单元,并进行相应的调节。均流流程图如图2所示。

图2 均流处理流程图
由于在实际运用中,各电源单元的电压值并非完全一致,所以本系统对多电源单元并联后的电压有两条要求。
1)多电源单元并联时,若各电源单元之间的最大电压偏差>0.5%,那么并联后的输出电压要求在各电源单元的电压之间;若各电源单元之间的电压偏差均<0.5%,那么并联后的输出电压应为各电源单元电压的中间值加0.25%误差。本要求同时兼顾了尽量提高稳压精度和防止电压调节过于频繁的要求。
2)并联后的输出电压与任一电源单元工作时的电压之差≤1%(本电源要求稳压精度<1%)。
若找不到符合要求的电压点,则程序认为相互并联的电源的电压偏差过大,将停止均流调节,并按要求提出警告。
第二个模块用于对各模块的电流进行均流计算,在本系统中,软件的均流精度定在5%。程序找出大于或小于平均电流的模块,如果超过了精度范围,程序将设置相应标志位,然后启动通信程序,通知相应电源模块启动调节程序。
3 结语
现场运行表明,以上RS485通信程序和均流处理程序完全符合要求,PWM控制电路控制灵活,调试方便。由于电源单元出现故障时,电源单元将主动申请与监控单元中断,从而大大提高了实时性。电源单元既可以具有独立功能,也可以由监控单元统一管理,多台电源单元并联工作。
史海拾趣
|
在很多时候都要谈及的抗干扰,干扰来自何方啊!我个人认为30%被干扰了的设备都是电源被干扰造成的.我以前最早做过一个抗干扰的小东西就是给绞肉机(听起来很恐怖,是做火腿肠的)做的换向器,开始我说你就弄仨按钮完事了,结果对方告诉我,原来工大的给做了 ...… 查看全部问答> |
|
本帖最后由 paulhyde 于 2014-9-15 09:29 编辑 在5月22日新闻发布会上,王越院士表示“今年我们开始强调两个方面的应用。第一个就是做出来的产品的性能价格比应该是比较好的。不能为完成一个比较简单的任务,用一个非常复杂,非常昂贵的小系统合和 ...… 查看全部问答> |
|
平台:s3c2440 + wince5.0 在串口驱动文件pdds3c2440_ser.cpp中 void CPdd2440Uart::XmitInterruptHandler(PUCHAR pTxBuffer, ULONG *pBuffLen) { ...... for (DWORD dwByteWrite=0; dwByteWriteWrite ...… 查看全部问答> |
|
//驱动中write函数 对物理地址WR_ADDR写 0x1234abcd ssize_t regs_op_write( struct file *filp, char *buf, size_t count, loff_t *f_pos) { char *tmp; ...… 查看全部问答> |




