历史上的今天
今天是:2025年01月29日(星期三)
2021年01月29日 | msp430时钟系统手册翻译
2021-01-29 来源:eefocus
MSP430产品能做到超低功耗主要得益于对时钟的严谨设计,在所有MSP430产品中,总共有以下几种时钟类型:
MCLK : Master Clock,MCU主时钟,决定着CPU,CRC等运行的速度。
SMCLK:Subsystem Master Clock,子系统时钟,这个时钟总是由MCLK分频得到,可以是1、2、4、8等分频,与MCLK属于同步时钟,主要可用于常规外设的时钟源。
ACLK:Auxiliary clock,辅助时钟,可以由XT1CLK(外部时钟)或REFCLK(内部时钟)产生,这个时钟频率必须在32KHz左右,最常规的应该在32768Hz,不能超过40KHz。
VLOCLK:Internal very-low-power low-frequency oscillator,内部超低功耗低频率时钟,频率10KHz,精度比较低:50%。
MODCLK:Internal high-frequency oscillator,内部高频率时钟,频率5MHz,精度10%。
XT1CLK:外部时钟,一般分为两种:LFXT(低频率32768Hz)和HFXT(高频率 <16Mhz)。
DCOCLK: Internal digitally controlled oscillator,内部数字控制时钟,DCO一般和FLL(锁频环)相结合,可以实现频率的倍增,比如:输入32768KHz,倍频后可实现16MHz。
REFCLK:Internal trimmed low-frequency oscillator,内部参考时钟,频率32768Hz。
因为MSP430产品有很多种类,因此并不会包含上述所描述的所有时钟资源,具体请参考芯片资料:datasheet和user guide。

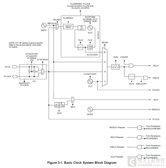
如上图所示,是FR2xx/4xx系列的两种时钟:基本时钟模型和增强始终模型,基本时钟模型最大可实现16MHz的频率,而增强型可以达到24MHz的频率,同时增强型时钟可以对频率进行更加深入的划分,下面我们以MSP430FR2311为例来描述一下如何使用寄存器对时钟模型进行操作,以实现自己想要的MCLK频率。

上图为MSP430FR2311内部时钟频率的结构图,从图中可以看到,可以接一个外部时钟(XT1)。接入晶振频率位32768Hz(最大不能超过40KHz)。
内部有一个REFO参考时钟,频率是32768Hz,精度在5%左右,因此在一般使用情况下,内部REFO时钟就已经够用,无需接外部晶振。当然,如果连接外部晶振使用的话,精度会比内部时钟更高。
MSP430FR2311内部还集成了一个10KHz的VLO时钟。
从图中看到SMCLK必须从MCLK分频得到,也就是说MCLK和SMCLK是同步的,但是在其他比如F系列MCU中就可能存在异步模型,因此具体时钟模型,请查看每个芯片的datasheet。
下面我们看一下如何操作时钟模块的寄存器来实现对时钟的配置:
First :在没配置时钟情况下,MCLK频率默认 : 1MHz
从下图可以看出,时钟模块总共有9个寄存器,CSCTL0 – CSCTL8,下面对这九个寄存器进行详细描述:

CSCTL0

CSCTL0寄存器里有两个参数,MOD和DCO,MOD指的是调制位计数器,DCO指的是Tap寄存器,听起来很陌生,熟悉起来其实很简单,这需要从FLL内部原理说起:
FLL :Frequency Locked Loop, 频率锁定环,首先是一个环形结构,如下图所示,一个参考频率,一个反馈频率,当然还需要一个设定的频率,从而形成闭环:

问题来了,我怎么设定频率呢,FLL怎么控制最后锁定的频率呢,这时候就需要DCO和MOD来实现了,DCO实现微调,MOD实现精调,可以看到DCO是9bits,也就是0 – 512,因此可以根据这个数来定位FLL的频率,比如0代表10MHz,512代表12MHz,这时你会发现,这样的话精度就比较低,也就是2/512,那么如果我想设置15.99999999999MHz呢,这就需要进一步细分了,就有了MOD的出现,下面公式可以很清楚的看到MOD的作用,在DCO的两个临近的频率再进行32细分,这样就可以增加时钟锁定的精度。MOD功能可以关闭,给MOD写0即可。

看起来锁定一个频率还需要计算等等,实际使用起来呢? 并不需要写这两个寄存器,FLL内部会自动调整,我们需要设置的是FLLn寄存器,再后面寄存器中会描述。
CSCTL1

CSCTL1寄存器里有四个参数,首先第一个和第二个:DCOFTRIMEN和DCOFTRIM,这两个参数是对FLL频率的一次粗调,在粗调时候,DCO会进行第二步调整。
DCORSEL是对FLL期望频率的选择,本质上这些震荡时钟内部都是LC振荡器,因此需要先给这个振荡器设置一下基本参数,也就是震荡范围,然后再进行期望频率的锁定,配平。
DISMOD:FLL模块的使能参数,1使能(默认),0失能。
CSCTL2

CSCTL2寄存器里只有两个参数,用来设定FLL的频率,具体公式如下图所示:

TI对这两个参数的建议是,先将DCOCLK频率设置成最高,即16MHz,然后再通过FLLD 进行分频后使用。
CSCTL3

CSCTL3寄存器里有三个参数:REFOLP, SELREF, FLLREFDIV
REFOLP:REFO时钟低功耗模式控制寄存器,当写1时,进入低功耗模式,写0时,失能低功耗模式,默认状态0.
SELREF: FLL时钟源选择:可以是XT1CLK或REFOCLK

FLLREFDIV:参考时钟分频设置,对于XT1仅能接32768Hz晶振的模型,不分频,这个寄存器没用,对于可以外接高速晶振时,分频后再接入FLL作为参考时钟。
CSCTL4

CSCTL4寄存器有两个参数,分别对MCLK/SMCLK,ACLK时钟源进行选择,配置祥情如下:

CSCTL5

CSCTL5寄存器包含四个参数,VLOAUTOOFF是设置VLO时钟再不使用状态下是否会自动关闭的参数,写1时(默认也就是1),再不使用VLO时钟时,会自动关闭,为什么要关闭呢,低功耗呀!!!!
SMCLKOFF:控制着SMCLK时钟的开关,默认0:开启SMCLK时钟。
剩下两个参数时对MCLK和SMCL的分频设置,具体如下:

CSCTL6

CSCTL6寄存器里有参数比较多,第一个XT1FAULTOFF(13bit,UG中忘记描述了)可以控制当XT1故障时自动切换ACLK时钟源位内部REFO,默认0:使能。
DIVA是对ACLK时钟源的分频,具体如下:
XT1BYPASS:这个参数用来设置输入时钟的类型,如果用晶振的话,则是内部去震荡这个晶振达到晶振的固有频率做为使用,当然也可以直接输入一个方波作为MCU时钟源,这种模式便是BYPASS模式,此模式下,XT1IN引脚输入方波即可,XT1OUT一般接GND。
默认0:接晶振,设置1:接方波信号。
其他参数直接默认即可,使用意义不大。
CSCTL7

CSCTL7寄存器里的数据直接默认即可,基本不需要设置,很多情况下用于调试查找问题作为标志使用,详情去看User Guide。
CSCTL8

CSCTL8寄存器里包含的是MOD,SMCLK,MCLK,ACLK的Request使能,直接默认即可,会失能MOD,使能MCLK,SMCLK和ACLK。
史海拾趣
|
工业自动化1-36轴2相3相5相步进电机.工业自动化1-36轴2相3相5相步进电机.伺服电机运动控制卡; 运动控制器; 运动驱动器;运动控制系统。 1、得到德国设计公司最先进的多轴运动控制技术方案,性能稳定可靠,高精密,电机运行噪音小 2、驱动控制2合1 ...… 查看全部问答> |
|
平台:WINCE6.0+S3C6410 camera 驱动已写好,用BSP里面的CameraDshowApp.exe,能正常地进行120x160、320x240、 640x480进行预览, 但是现在用了某家开发板的camera App DEMO,能用120x160进行预览,但是当调到640x480进行预览,就出现 ...… 查看全部问答> |
|
了解boot的朋友帮帮我吧,我实在是没办法了,要崩溃了,程序写进片子后没任何的响应,我要急疯了 #include #define BAUD 9600 //波特率采用00bps #define CRYSTAL 8000000 //系统时钟16M ...… 查看全部问答> |
|
德州仪器 (TI) 为各种应用(包括基于 ARM® 的微处理器 (ARM MPU) 和数字信号处理器 (DSP))的开发提供了广泛的嵌入式处理器平台。 请浏览我们的选择指南以选择适合您的应用开发的器件。 * Sitara™ ARM 微处理器 ...… 查看全部问答> |
|
ARM刚发布了基于CM0改进的CM0+内核,使用90nmLP低成本工艺制作,功耗控制在9uA/MHz!相比NXP的CM0内核85uA/HMz的功耗少了近10倍!据说NXP和Freescale会首先跟进,这是真的么……http://www.engadget.com/2012/03/13/arm-cortex-ultra-low-power-32- ...… 查看全部问答> |




