历史上的今天
今天是:2025年02月28日(星期五)
2021年02月28日 | 基于MSP430单片机的无线信号采集系统
2021-02-28 来源:eefocus
简介:为了解风力发电机叶片振动情况,判断其失效类型,设计了一种基于,MSP430单片机的无线信号采集系统。系统采用低功耗的MSP430单片机作为核心控制部件,硬件部分由信号处理模块、无线通信模块、MSP430单片机控制系统组成;软件部分采用模块化设计方法。系统平时处于休眠状态,CPU停止运行,工作时通过软件中断请求唤醒。经实验证明,该模块设计稳定可靠、数据传输速率高、功耗低、通用性强,且误码率仅为1%。
风能是目前最有开发利用前景的可再生清洁能源,风力发电作为风能利用的主要方式而备受关注。风机叶片是风力发电机的关键部件,其性能的好坏直接影响整机运行的稳定。为了解风机叶片的振动状态,需对其进行测量。由于风力发电机叶片特殊的工作方式,采用传统的测量振动方法无法满足要求。此外,振动传感器要安装在旋转的风力机叶片上,不能经常拆卸,因此需考虑固定和系统的功耗问题。无线传感技术成为了当今国内外研究的热点,在各领域都具有广阔的应用前景。为此,设计了一种以MSP430单片机为核心,以SV610收发芯片作为无线通信模块的采集系统。低功耗、实时性是该设计的最大特点。
1 无线采集系统的硬件设计

系统采用模块化设计思路,由压电传感器、单片机控制系统、信号处理模块、无线通信模块等部分组成,系统组成如图1所示。
1.1 传感器选择
由于叶片测振的特殊性,需要将传感器要安装在叶片上,所以对传感器的选择也提出了要求,既要满足低频高灵敏度,同时也要求质量轻。此外,还考虑到风力发电机在野外受到风力的影响情况复杂,为了全面反映受损情况,需考虑三维受力方向,即X、Y、Z轴3个方向受力。本文选用深圳杰英特传感仪器有限公司 Mini-Sensor压电加速度传感器,该传感器的灵敏度可达1 V/g,质量仅为0.5 g,使用温度范围为-40~80℃。
1.2 信号预处理
信号预处理主要由两部分组成:放大器和滤波器。由于压电加速度传感器的内阻很高,而且输出的信号微弱,因此前置放大滤波电路有3个作用:(1)将传感器的高阻抗输出变换成低阻抗输出。(2)将传感器的微弱信号进行放大。(3)将噪声信号滤除掉。原理图如图2所示。

1.3 单片机的选择
选用MPS430单片机作为系统的MCU,MSP430单片机是美国德州仪器(TI)公司推出的高集成度、高精度的单芯片系统,是目前工业界中具有最低功耗的16位RISC混合信号处理器,具有较低的工作电压,在1.8~3.6 V之间均可正常工作。其功耗低,在活动模式时,工作电流为350μA,在休眠模式下为0.5μA电流。MSP430具有丰富的外设,片内具有3个时钟信号,包括1个高频时钟,1个低频时钟和1个DCO。灵活的时钟选择使得系统可以在合理的时钟下进行工作,大幅降低了系统功耗,方便了系统设计。
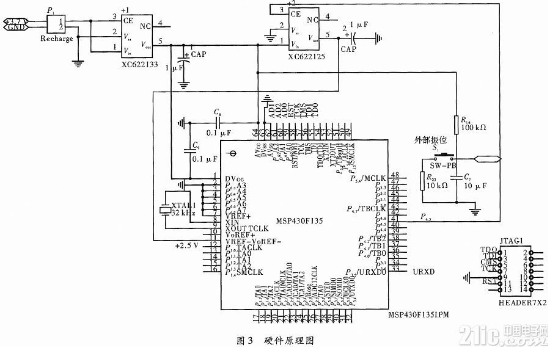
MPS430有一种正常工作活动模式与5种低功耗模式。在本无线采集系统中,MPS430平时工作于低功耗模式3(LPM3),在此模式下CPU处于禁止状态,DOC被禁止,直流发生器被禁止,MCLK被禁止,SMCLK被禁止,仅ACLK处于活动状态。当上位机给出采集信号的请求后,将单片机唤醒,工作完后再次进入低功耗模式,单片机硬件原理图,如图3所示。

下位机单片机的功能主要是数据的采集与发射,P6.0~P6.2功能选择为外围模块,负责3路信号的采集。通信模式采用UART模式,P3.4和P3.5选择外围模块,负责接收上位机指令信号和发送A/D采样后的信号。A/D采样的参考电压选择2.5 V,本文采用XC622125芯片,该芯片具有低功耗和低压差优点。考虑到系统功耗问题,时钟模块只外加了32768 Hz的手表晶振,最低采样时间可达32 ms。
1.4 无线通信模块
SV610是高集成无线数据传输模块,采用高性能的Silicon Lab Si4432射频芯片。极低的接收灵敏度,再加上业界领先的100mW的输出功率保证扩大范围和提高链路性能。模块提供了多频段信道以及网络ID来降低传输过程中的干扰以提高传输性能。小体积、远距离传输、宽范围的工作电压乃至丰富便捷的编程设置使之得到了广泛的应用。
SV610有多种数据传输率可选,灵敏度高达-121 dBm,工作频段有433/470/868/915 MHz多个频段选择,本文选择433 MHz频段。在理想环境中,传输距离可达1 400 m,其工作电压2.8~6.0 V,工作温度范围为-20~+70℃。
模块在配置模式下,可通过PC软件或UART接口在线设置相关参数。
2 无线采集系统的软件实现
采集系统软件包括主程序和中断服务程序,主程序进行初始化设置、外部中断设置,然后进入低功耗模式。单片机收到上位机采集信号的请求后,通过UART中断将单片机从睡眠模式中唤醒,进入中断服务程序开始A/D采样。采样完成后调用发射程序,并将数据通过UART发给接收模块,发送结束,系统重新进入睡眠状态。程序流程如图4所示。

2.1 MSP430串口通信
MSP430通信模块在每个采样周期内将采集并进行A/D转换后的12Byte的数发送给PC机。初始化中设置UART0模块工作,选择时钟信号为ACLK,数据位为8位,波特率为9 600 bit·s-1,发送数据方式为主动发送。当接收到一个完整的数据,产生一个信号URXIFG0=1,表示接受完整的数据。当数据正在发送中,UTXIFG0=1,此时不能再发送数据,必须等当前数据发送完毕(UTXTFG0=0)才能进行发送。
2.2 A/D转换
由于MSP430F135带有ADC12模块,其由12 bit的SAR核、采样保持电路、模拟开关、参考电压产生与选择电路、ADC时钟选择电路等组成。ADC12可在没有CPU的参与下,独立实现16次采样、转换和存储操作。ADC12模块可独立断电,以便于低功耗设计。所以只需设置相应的寄存器就可以实现转换功能。
为减少CPU功耗,程序采用中断触发方式,A/D采样由定时器中断触发。由于MSP430内部A/D寄存器是12位,在无线传输时,发送数据缓存只有8 位,因此在传送的时候需要将采集的数据拆分成高8位和低8位然后放入数组进行发送,在接收端将接收的数据进行重新整合,完成采样数据的接收。
3 测试结果
将无线模块连接好,先进行应答测试。上位机给出相应的命令,测试单片机是否能接收到,并给出正确的应答。图5为应答测试结果。

经调试,系统收发模块均可正常工作。然后给出3路信号,由前面可知A/D采样的参考电压设置为2.5 V,故采样通道一端加2.5 V的电压,另一端接地,还有一端接信号端。显示结果,如图6所示。

无线通信需解决的最大问题就是保证传输数据的准确性,即要求误码率低。误码率是衡量数据在规定时间内数据传输精确性的指标,误码率=错误码元数/传输总码元数× 100%。
从图6可看出,PC机可正确接收到12 Byte的数据。实验采样间隔为32 ms,采样时间为30 min,将上述接收到的数据通过上位机处理,最后得出误码率为1.2%。此外,还进行其他电压测试,路信号都能正常工作,且误码率低,工作稳定。
4 结束语
本文描述了基于MSP430单片机的无线信号采集系统。通过调试证明系统可正常运行,各方面指标都能达到设计要求。整个系统集成度高,功耗低,无线传输稳定,误码率低,且质量轻,可靠性高,易于控制和使用灵活等优点,因而性价比高。此设计已应用于风机叶片信号采集系统。
史海拾趣
|
WinCE系统下复制大文件,我想取消复制时好像没反映,虽然进度条关闭了,但是后台copy 过程仍然继续,我晕!! 有什么办法解决吗??… 查看全部问答> |
|
最近在做一个GPRS水位采集器,用单片机+超声波+sim300模块,上下位机程序什么的都搞定了,也都能正常运行,51单片机程序里面也加了单片机低功耗模式代码。当采集周期较大时候,我想让sim300也进入低功耗状态,但是不知道怎么唤醒,AT查完了,怎么没 ...… 查看全部问答> |
|
短学期的实习内容是dds信号发生器的设计,单片机老师要求用430,查了几天资料还是一头雾水,想知道msp430f149跟ad9850的管脚是怎么接的,求高手赐教。… 查看全部问答> |




