历史上的今天
今天是:2025年03月04日(星期二)
2021年03月04日 | 一种基于STM32的便携式人机界面系统的设计
2021-03-04 来源:eefocus
本文选用了意法半导体公司基于ARM最新Cortex—M3内核的STM32F103RB作为主控芯片,通过选择合适的液晶模块,构建了一个高性能低功耗的中文人机界面系统。
1、系统的工作原理
本系统以STM32F103RBT6为核心,采用晶彩光电的AM240320TFT液晶屏作为显示器,完成内容的显示,由于STM32F103RBT6内部Flash为128K,如果用来储存汉字字库,对芯片资源是一种极大的浪费,所以本文中采用微控制器外挂SPI接口Flash的设计思路,将不用重复改变的中文字库存放在外部Flash芯片里面,需要时再通过SPI口调入处理器。由于STM32F103RBT6不带有FSMC,所以采用软件模拟总线的方法,完成对液晶模块的驱动。
2、系统硬件设计
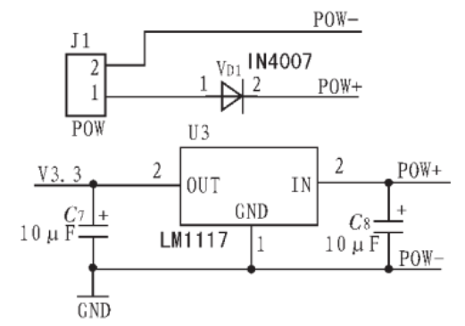
2.1、供电部分电路
由于整个系统采用3.3V供电,所以必须外部稳压电路将电压稳定到3.3V,本设计中采用三端稳压芯片LM1117-3.3,将外部电池电压稳定为3.3V位系统提供电源,为处理器、液晶显示器、SPIFlash供电,采用二极管IN4007串接在电源正极,为系统提供电源反接保护。供电部分原理图如图1所示。

图1 系统供电部分原理图
2.2、液晶显示部分电路设计
液晶显示部分主要由微控制器驱动液晶显示模块完成人机界面状态的显示,通过发送命令字,完成液晶模块的初始化以及汉字的显示。
2.2.1、STM32F系列ARM微控制器的特点
STM32处理器采用ARM公司最新的V7体系架构的内核Cortex—M3,它的速度比ARM7快三分之一,功耗低四分之三,同时集成了分支预测,单周期乘法,硬件除法等功能,大大地提高了处理器的数据处理能力,同时采用最新的Thumb-2指令集,有效地降低了代码的密度,提高了程序的执行效率,通过对功耗和性能的分析,本文中采用的处理器为STM32F103RBT6,该处理器工作频率为72MHz,内置高速存储器(高达128K字节的闪存和20K字节的SRAM),丰富的增强I/O端口和联接到2条APB总线的外设。供电电压2.0~3.6V,一系列的省电模式保证低功耗应用的要求,达到了性能和功耗的平衡。
2.2.2、TFT液晶显示模块的特点
TFT液晶显示屏是薄膜晶体管型液晶显示屏。TFT液晶为每个像素都设有一个半导体开关,每个像素都可以通过点脉冲直接控制,因而每个节点都相对独立,并可以连续控制。不仅提高了显示屏的反应速度,同时可以精确控制显示色阶,所以TFT液晶的色彩更真。
史海拾趣
|
#include #define uchar unsigned char #define uint unsigned int char DATA_7SEG[10]={0xC0,0xF9,0xA4,0xB0,0x99, ...… 查看全部问答> |
|
最近用msp430f2013的SD16采集0.08v到0.4v的电压值,但是AD转换后的数据比模拟值要偏小,而且随着信号的增大,偏差越来越大。量程范围内,最大偏差10mv。各位大侠请指点下小弟,感激不尽。… 查看全部问答> |
|
replyreload += \',\' + 1586804;做DSP开发最应当懂的34个问题 一.什么是DSP?(缺省) 二.DSP的C语言同主机C语言的主要区别? 1)DSP的C语言是标准的ANSI C,它不包括同外设联系的扩展部分,如屏幕绘图等。但在CCS中,为了方便调试,可以将数据通过p ...… 查看全部问答> |
|
求助:EM78P153的代码选项寄存器word0、word1、word2怎么赋值 如题,EM78P153提供了三个代码选项寄存器,datasheet里面又说在执行程序时不能存取,那怎么赋值呢?这是位配置? 写了个延时函数 void delay(unsigned int z),调用的时候 delay(1000);出现warning说是从short转换到unsigned int溢出,改成25 ...… 查看全部问答> |




