历史上的今天
今天是:2025年03月09日(星期日)
2021年03月09日 | 以超低功耗微处理器MSP430为核心的热计量表设计
2021-03-09 来源:eefocus
引言
我国地域广阔,人口众多。房屋建筑规模巨大,住宅建设量大而且面广,至今仍呈上升趋势,而且这个上升趋势还将持续20~30年。
在这种情况下,把"大锅饭"式的采暖包费制,改为按实际使用热量向用户收费,无疑是缓解煤电能源紧缺矛盾的有效手段。为此,本文介绍了一种新型热量表的设计方法。该热量表是一种分户热量计量装置,它由无磁热水流量计、温度传感器和微功耗单片机组成的积算仪等三部分组成。仪表安装在系统的供水管上,并将温度传感器分别装在供、回水管路上。一段时间内用户所消耗的热量为所供热水的流量和供回水的焓差乘积对时间的积分。热量表利用该原理并通过热水流量计测量逐时流量并用温度传感器测量逐时供回水温度,再将这些数据输入积算仪进行积分计算,就能得出用户所用的热量。
1 热量表的流量检测
1.1 多流无磁热水流量计
所谓流量,就是在单位时间内流经热量表的热载体(水)的体积或质量。本系统中的流量检测单元是用来测量流量的装置,它能输出与流量大小成比例的脉冲信号给积分计算单元。
多流无磁热水流量计的结构主要由热水表表壳底座、导流座、滤网、叶轮盒、出水导流座、传感器感应膜片等组成。其工作原理是:热水进入表壳底座,经导流座、滤网后流进叶轮盒冲动叶轮盘旋转,再经出水导流座流出表外。叶轮盘上端的传感器感应膜片与传感器作相对旋转运动,以输出与流量大小成线性比例关系的脉冲信号给积分计算单元。 多流无磁热水流量计壳体采用优质黄铜,经硬模铸造、锻造、数控机床加工后,要求其机械强度好、尺寸精度稳定一致。机芯部分可选用进口耐热、耐磨工程塑料和元件,并应使用寿命长、计量精度高。整表的耐压强度、测量误差、压力损失等要完全符合行业标准。
多流无磁热水流量计不同于一般的热水表,它应具有如下特点:
发讯原件采用非磁性材料的金属膜片,避免了一般干式水表的磁性元件吸附管道类杂物而影响精度和易受外磁场干扰等现象,无磁的含义也由此而来。
机芯部分在表壳内可360°旋转,可适应热量表不同安装位置。
流量计的机芯和上壳体可组成完整可拆卸的计量机构总成,便于安装维护。
机芯选用耐热、耐磨的工程塑料和元件,使用寿命长、计量精度高,适于热水工况。
1.2流量传感器
流量传感器的机械结构外形见图1所示。它由固定在同一个轴上的两个叶轮盘组成,并由一个齿轮组驱动。为了简单,齿轮在图1中未画出。当有水流动时,齿轮带动两个叶轮盘旋转。两个叶轮盘是由非导体材料组成的,每个叶轮盘的表面有一半面积涂敷着铜或其它金属导体材料,在两个叶轮盘安装有互成120°的三个独立感应器,当敷铜层通过感应器上方时,叶轮的旋转信号即可被检测出来。

1.3传感器硬件电路
图2为感应式传感器的硬件电路原理图。电路中的感应器被安装在两个机械叶轮盘之间(见图1),每一个传感器均具有对应的信号选通线和共用的触发信号线,每路晶体管的集电极输出应连接在一起。

在触发端(TRIGGER)施加一个正脉冲时,即可将相应的同步选择线(SELECT)置为低电平,同时起动被选择的LC振荡器。当叶轮盘上的敷铜层不在感应器上方时,振荡在持续一段时间后即会消失,即无阻尼振荡;相反,当叶轮盘上的敷铜层在感应器上方时,振荡则持续很短时间就消失,即阻尼振荡,这是因为铜层吸收了储存在感应器内的能量。以上两种振荡状态即可在传感器输出端(SENSOR-OUT)输出数量不等的脉冲上升沿和下降沿。其中无阻尼振荡时有一个脉冲上升沿和下降沿。而阻尼振荡时则有二个脉冲上升沿和下降沿。根据以上分析,三个感应器将在传感器输出端(SENSOR-OUT)输出脉冲流,积分仪通过软件处理这些脉冲流,即可计算出系统的流量。
2 Pt1000铂电阻温度传感器
铂电阻温度传感器是利用贵金属"铂"的电阻随温度单调变化的特性来测量温度。厚膜铂电阻元件的感温材料是铂膜导带,它均匀地分布在陶瓷基片上。该传感器以铂作为感温材料、以微电子厚膜工艺制作,整个器件由Pt1000感温元件、引线电缆和不锈钢保护管构成,经过测试和精确配对可制成热表专用温度传感器。
铂电阻温度传感器安装在热交换系统中,用于采集水温并发出温度信号。温度传感器的探头保护管采用导热良好且坚固耐磨的材料制造。
在同一热量表上应采用"配对温度传感器",即分别用来测量热交换系统的入口和出口温度的温度传感器的计量特性应当一致或相近。
与Pt1000厚膜铂电阻配对温度传感器是热量表的重要组成部分,是测试温度及完成热量计算的基础元器件,其测量范围为-20℃~+150℃。
D00系列Pt1000元件是上海都华实业有限公司的高阻值铂电阻敏感元件,其温度每变化1℃,电阻值变化3.8Ω。而且具有灵敏度高、热响应速度快、引线电阻影响小等特点。
3热量积分仪
热量积分仪亦称热量积分计算器,可接收来自流量传感器和配对温度传感器的信号,并进行热量计算、存储、显示和远传的部件。
3.1热量积分仪的工作原理
本系统中的热量积分仪通过采集外部进水温度传感器的温度信号、回水温度传感器的温度信号以及管道流量传感器的流量信号,并通过对这些信号进行处理来计算热流体从入口到出口所释放或吸收的热量,其基本计算公式如下:
![]()
式中:Q为释放或吸收的热量,J或W.h;
qm为流经热量表的水的质量流量,kg/h;
qv为流经热量表的水的质量体积,m3/h;
ρ为流经热量表的水的密度,kg/m3;
△h为在热交换系统的入口和出口温度下水的焓差值J/kg;
τ为时间,h。
图3所示是本热量表的原理结构框图。

3.2超低功耗微处理器MSP430FXXX
系统中的主控芯片采用美国德洲仪器公司的16位超低功耗微处理器MSP430FXXX。该芯片内含比较器,采样分辨率可达0.01℃。而且片内自带LCD驱动模块,可驱动96段液晶进行显示。利用片内FLASH还可进行实时数据保存,也可以采用内部时钟系统进行计时。该芯片为电池供电型测量应用带来终极解决方案,它可使设计人员能同时连接模拟信号、传感器和数字器件。
超低功耗微处理器MSP430FXXX的主要特性如下:
低电源电压范围,1.8~3.6 V;
超低功耗,工作模式时为250μA/MIPS,待机模式时为0.8 μA,关闭模式(RAM保持)时为0.1μA;
具有五种功率节约模式;
6μs内可从待机模式唤醒;
具有16位RISC体系和125 ns指令周期;
带有多个捕获/比较寄存器的16位定时器;
集成有96段LCD驱动器;
带有串行通信接口(USART),可通过软件选择异步UART或同步SPI;
基本定时器可支持实时时钟;
带有节电检测器;
带可编程电平检测的电源电压管理/监控;
内建可在线烧录(in-system programmable)闪存,可用于程序代码的变更、现场升级和资料记录;
型号系列化,选型范围广。
所有的MSP430器件均基于一个正交16位RISC CPU内核,其灵活性在于其具有16个可寻址单周期16位CPU寄存器、27条指令以及7种均采用双重取数据技术(DDFT)的一致性寻址方式。DDFY可在每个时钟脉冲内对存储器进行两次存取操作,而不再需要复杂的时钟乘法和指令流水线方案。除了能够降低功耗和减小CPU尺寸之外,当与现代程序设计技术(如计算分支)以及高级语言(如C语言)一道使用时,MSP430体系结构的微处理器尤为有效。表1所列是MSP430所使用的7种寻址方式。

3.3硬件电路
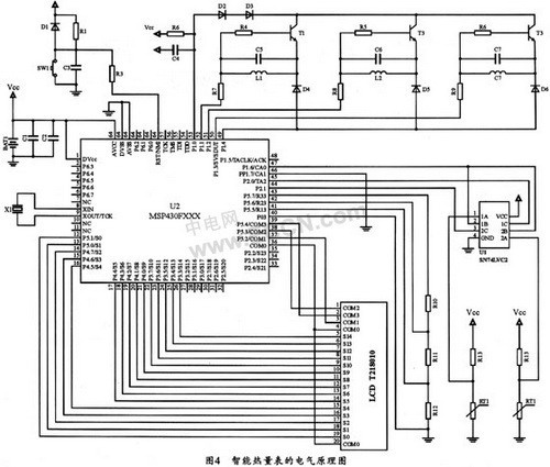
MSP430令共有51条指令。其中核心指令有27条,代码效率很高且速度快。应用MSP430设计的新型热量表的电气原理图如图4所示。

图4中,RT1和RT2分别为热交换系统入口和出口的温度传感器,L1、L2、L3分别为流量传感器中的感应器1~3,U1为模拟多路开关,U2为CPU芯片MSP430FXXX。温度传感器检测出热交换系统入口和出口的温度后,经过模拟多路开关后送给CPU的A/D转换端口,流量信号则送人CPU的P1.0端口,两路信号在CPU内经过软件解算后,将在CPU内的存储器中保存并从端口输出到LCD显示器T218010显示。
新型热量表远传通讯接口一般采用RS-485接口或M-BUS接口,以实现远程控制和集中抄表,这里不再赘述。
4结束语
该热量表采用整体式结构、单片机自动检测技术、微功耗设计和无磁非接触式流量检测技术,因而该表安装简单,无需调试。实际应用证明,利用该方法设计的热量表性能稳定可靠,使用效果良好。
上一篇:MSP430中的SD16模块
史海拾趣
|
我们要买一款数据采集卡,经查NI的做的好像挺多的,不过不知道怎么买。比如说,有没有中国代理?买产品还要买正版软件吗??好像正版软件要很多钱的 呵呵 大家给指导一下吧… 查看全部问答> |
|
Windows Driver Model 的源代码 站内有这个资源,但是我这边下不动,谁发一份到我的邮箱ch609@163.com,谢谢先 … 查看全部问答> |
|
最近在stm32f103VE上跑官方移植的ucosII2.88 ,刚开始运行的时候,系统一切正常,各个任务正常调度,大概可以持续5~7小时。但是>14小时连续运行之后,系统就不正常了,现象是:各个中断可以正常进入(通过观察led),但是有些任务已经不运行了 ...… 查看全部问答> |
|
我的107 USB OTG自己开发的,请问各位硬件电路需要什么特别注意的地方吗?板子已经开回来了,USB的V_Bus供电没问题,但是D+,D-,还有ID上面的电压依次是3.7V,1.7V,1.7V,理论上正确的电压好像不是这样的,我打了其他正常的电压,D+,D-,ID上的电 ...… 查看全部问答> |
|
买板送的资料,里面详细介绍寄存器的每位,类似于51,avr和stm32的资料,配合149的中文头文件看,入门不难。请看下面几行,有个印象再看配合看电子书和149的中文头文件。 int main(void) { WDTCTL = WDT ...… 查看全部问答> |
|
请看图片,我问的问题跟差分放大没什么关系了,我是看到这里才想到了这个问题。主要问题是关于戴维南定理等效出来的Vcc’和Rc’。1.红色箭头是我标注的电流方向。如果等效电阻是Rc和RL并联的话,那么电流只能这么流吧,可是这样不合理啊,RL上的电 ...… 查看全部问答> |




