历史上的今天
今天是:2025年03月09日(星期日)
2021年03月09日 | 基于AVR微处理器ATmega16L的LED旋转屏显示系统的设计
2021-03-09 来源:eefocus
引言
科技快速发展的今天,LED显示屏已成为一种新型的电子屏幕广告媒体,相比传统的喷绘、写真的广告画面死板、不活泼的广告牌、广告灯箱等,LED显示屏给人们带来了清晰明了、新鲜活泼的广告宣传效果,同时LED显示屏可以全程由电脑操控,屏幕资源也可以重复利用,提高了诸多企业的经济效益。
目前市场上LED显示屏较多的利用发光二极管所构成的点阵模块或像素单元而组成的大面积平板显示屏幕,该屏幕利用快速行扫描或列扫描而形成文字或图案,扫描显示时有一个突出特点就是任何时刻只有一列LED发光,从左起,控制每一列的位选端,依次从首列逐列显示到末列基于这一点,可以只采用一列LED,通过旋转形成一个等效点阵,并借软件程序改变LED的位置来模拟点阵的列扫描,即所说的LED旋转屏。尤其在当前低碳节能环保的背景下,如何用较少的材料设计出能够实现同等效果显示屏具有一定的探索意义。
1 系统硬件设计
LED旋转屏显示系统的系统框图如图1所示。AVR主控芯片是整个显示系统的核心,由于系统要借助红外控制单元实现显示内容的更新,加之系统后期的可扩展性,在综合考虑应用需求和成本后,选用了高性能、低功耗的AVR微处理器ATmega16L作为主控单元的核心芯片。ATme-gal6L工作电压为2.7~5.5 V,所以采用3.7 V锂电池对AVR芯片和列LED显示单元独立地供电,这样就解决了该旋转屏设计过程中的电源供电问题。

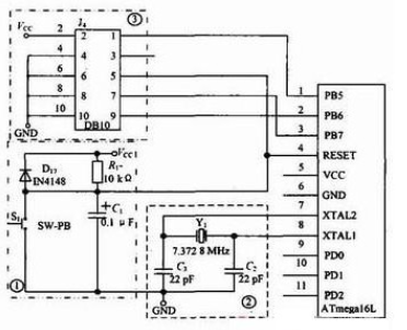
1.1 AVR基本外围电路设计
AVR单片机的基本硬件电路包括复位电路、晶振电路、A/D转换滤波电路、ISP下载接口等几部分。
1.1.1 复位电路
复位电路的设计如图2中区域①所示。ATmega16L已经内置了上电复位设计,并且在熔丝位里,可以控制复位时的额外时间,故AVR外部的上电复位电路可以设计得很简单:直接接一只10 kΩ电阻(R17)到Vcc即可。为了可靠,再加上一只0.1μF的电容(C1)以消除干扰和杂波。图中D17(IN4148)的作用有两个:一是将复位输入的最高电压钳在Vcc+0.5 V左右;二是在系统断电时,将R17(10 kΩ)电阻短路,使C1快速放电,让下一次来电时,能产生有效的复位。当AVR处于工作状态时,按下开关S1,复位脚RESET变成低电平,触发AVR芯片复位。

1.1.2时钟电路
时钟电路的设计如图2中区域②所示。内置了RC振荡电路,并可产生1 MHz,2 MHz,4 MHz,8 MHz的振荡频率。但是当要求比较精确的波特率时,建议通过外部的电路实现,如图2中区域②所示的电路。图中晶振两端均接入了22 pF的电容。ATmega16L实际使用时,这两只小电容不接也能正常工作。不过为了线路的规范化仍然建议接上。
图1中的时钟单元不但包括ATmega16L的时钟电路,还涉及实现旋转屏实时时间显示的电路,即在ATmega16L主控芯片的D接口接入诸如DS1302时钟芯片,使旋转屏实时显示2100年以前的年月日等时间值。
1.1.3 ISP下载接口
ISP下载接口如图2中区域③所示。该接口不需要其他器件,这里使用双排2×5插座接入接口,使用插座形式也为日后升级AVR内的软件提供方便。由于没有外围器件,故PB5(MOSI),PB6(MISO),PB7(SCK),RESET脚仍可以正常使用,不受ISP的干扰。
1.1.4 A/D转换滤波电路
A/D转换滤波电路如图3所示。为减小A/D转换的电源干扰,ATmega16L芯片有独立的A/D电源供电。在Vcc串上一只10μH的电感L1,然后接一只0.1μF的电容C5到GND。使用了ATmega16L内部自带的2.56 V标准参考电压,也可以从外部电路输入参考电压,比如可以在外部接入TL431基准电压源,并且在AREF引脚接一只0.1μF的电容C3到GND。

1.2 红外接收/发射控制单元
在LED旋转屏旋转工作状态中,可以借助红外感应技术将显示内容、画面进行随时更新。红外发射模块是一种类似遥控器,独立于旋转屏的电路器件,将红外接收模块(irDA)固定在柱形旋转屏的顶部。
1.3 霍尔传感器单元
在LED旋转屏旋转过程中,要使显示的内容流畅、不闪烁,所处理的关键问题就是让旋转屏每转一周所显示内容的起点是相同的,即所谓的同步。实际操作中需要借助感应信号,来识别旋转屏已转到一周的起始位置,然后触发相应程序,使得显示的内容保持稳定。该设计借助霍尔传感器得到感应信号,从而实现了同步处理。
2 系统软件设计
LED旋转屏的软件程序设计主要包括由两个中断所实现的多内容、多形式的图案显示。系统上电后,首先检测红外信号,如果收到红外信号,则首先确定所要显示的内容,然后由安装在系统底部的霍尔元件检测开关信号来判别列LED旋转时的起点位置,获得相应信号后,AVR芯片通过数据处理,将各列数据依次送给旋转中的列LED,进而以点阵屏的形式显示相应内容。系统主体流程图如图4所示。

3 设计过程中解决的关键问题
3.1 电源问题
基于ATmega16L的工作电压,采用了3.7 V锂电池对主控系统进行独立供电。将锂电池固定在旋转底座上,协同整个控制系统,随着电机转子一起转动,并且预留接口可随时对电池充电。
3.2 平衡问题
基于贴片器件的显示系统相比直插器件构成的系统在体积上更小了,但是整机机械结构仍是不可小觑的问题,在设计中利用对称性结构,将底座设计、器件放置力求平衡,尽量减少由机械振动带来的负面影响。
3.3 同步问题
要使得旋转屏能显示稳定、清晰的画面,直流电机的转速是最大关键。当采用固定电压源给电机供电时,可通过分压电阻控制电机达到最优转速。本设计在调试阶段,采用的是可调稳压电源供电,相对更易于操作。
3.4 延迟问题
该系统在调试过程中主要体现出了两种显示问题,其一在一轮显示内容后有一串乱码,其二显示内容横向有拖影,使得文字不清晰。对前种情况可借助延迟子函数给予合适的延迟时间,对于后种情况,可在列扫描过程中加入一列或多列反电平,从而加大文字之间的时隙。
4 结语
基于AVR芯片技术和贴片技术设计的LED旋转屏,是在支架上安装一列贴片式LED,在直流电机的带动下旋转,利用人们的视觉暂留效应,显示出完整的文字或图案。该屏由于是旋转显示,因此可以从360°全方位的范围内观看显示内容,同时,该旋转屏实现了利用少量的发光二极管实现传统方式下需要海量的发光二极管才能实现的显示屏,并且贴片式器件的设计从体积上来说也使系统更加小巧玲珑。在完成相应软件、硬件调试后,结果表明该设计能够实现低成本高质量的显示宣传效果,具有一定的实用价值。
史海拾趣
|
最近发现一个很奇怪的问题:在使用DNW烧写系统时,先将xip.nb0烧写进去,然后烧写eboot.nb0.但此时系统会自动重启并且加载的还是之前的xip.nb0 初步分析发现eboot下的BootloaderMain();函数根本就没被执行 如下是异常时和成功时的串口信息: 1. ...… 查看全部问答> |
|
Windows CE.NET的应用为MyApp.exe 1.将MyApp.exe复制到E:\\PROJECTS\\MyWinCE\\RelDir\\CEPC_X86Release目录下; 2.创建快捷方式文件MyApp.lnk(文本文件),文件内容如下: 10#\\Windows\\MyApp.exe MyApp.lnk文件也放入E:\\PROJECTS\\MyWinC ...… 查看全部问答> |
|
在WINCE设备上,用VS2003开发的程序连接数据库出错,请教高手 在WINCE设备上,用VS2003开发的程序连接WINCE数据库出错,请教高手 SqlCeConnection conn = new SqlCeConnection(\"Data Source = Test.sdf\"); conn.open(); open这里提示出错,但在WINCE设备上只能看到错误号为:-2147467259,就是不知道什么错误. ...… 查看全部问答> |
|
I2C通信,设备的地址问题 I2C通信,设备的地址问题 在OV9650的初始化 通过I2C对寄存器进行读写的时候#define CAMERA_I2C_ADDR 0x30#define I2C_SLAVE 0x0703 if(ioctl(fd, I2C_SLAVE, CAMERA_I2C_ADDR)<0) { printf(\"fail ...… 查看全部问答> |
|
replyreload += \',\' + 1311171;(单片机C语言程序设计实验指导书)Timson,如果您要查看本帖隐藏内容请回复… 查看全部问答> |




