历史上的今天
今天是:2025年03月31日(星期一)
2021年03月31日 | 使用网络分析仪测量直流-直流转换器和电路板供电电路 (PDN)
2021-03-31 来源:eefocus
开关式直流-直流(DC-DC) 转换器/电压调节器在各个行业的电子设备中使用得非常广泛。近年来,计算机设备推动了DC-DC 转换器技术向前发展。现在,DC-DC 转换器在保证电路板供电电路 (PDN) 中的电源完整性方面发挥着重要作用(无论负载如何变化,都可以提供稳定的Vdd 电压)。PDN 通常包括裸露印刷电路(PC) 板电源布线层、DC-DC 转换器和无源PDN 器件(例如在电源布线层上的旁路电容)。计算机设备PDN 的一个最重要发展趋势就是,其负载器件(例如MPU、FPGA、ASIC) 的工作速度越来越快,而工作电压越来越低。此外,这些大规模集成电路(LSI) 需要使用不同的电压电平(3.3 V、2.5V、1.5 V、1.2 V 等)。为了适应这种趋势,业界开始非常普遍地在电子设备中采用分布式供电的设计,其中低电压DC-DC 变换器总是放置在与负载器件非常接近的位置— 即所谓负载点(point-of-load) 的附近,以提高高性能计算机系统供电的完整性,这种情况在服务器和网络基础设施设备系统中更是如此。为使DC-DC 转换器能对高速大规模集成电路的负载变化快速做出响应,在对PDN 进行设计时,充分考虑其性能的优化比以往任何时候都显得很重要,因为在实际应用中往往需要在反馈环路的响应速度和工作的稳定性之间取得很好的平衡。为了最大程度地降低由于较大的负载电流变化造成的供电电压的瞬时波动,确保供电电压稳定在非常小的波动范围内,验证DC-DC 转换器的输出阻抗是否被限制在毫欧量级的极低范围内是非常重要的。另外,PDN 设计者还需要在超出DC-DC 变换器环路带宽的频率范围— 这是无源PDN 器件抑制电源和接地布线层之间的阻抗的频率范围。实际上对无源PDN 器件,精确地了解每个无源PDN 器件的特征性能有助于在使用仿真工具设计PDN 时提高设计质量。另外,在把无源器件都安装到PDN 上之后再测量出PCB 板的整个PDN 阻抗,我们就可以验证产品的最终阻抗是不是理想地达到了在仿真中所期望的值。通常情况下,需要进行测量的频率可以高达几百兆赫的范围,这是抑制已经在电路板上装有无源器件的PDN 的阻抗的上限频率。
本文介绍了如何使用配备了选件 005 阻抗分析功能的 E5061B-3L5 低频-射频 网络分析仪 (5 Hz 至 3 GHz) 来测量DC-DC 转换器和相关的无源PDN 元器件的频域特征。本文的第一部分介绍了如何测量DC-DC 转换器的反馈环路特征。第二部分介绍了DC-DC 转换器和无源PDN 元器件的阻抗测量。

图1. 配电网络示例
测量DC-DC 转换器的反馈环路特征
DC-DC 转换器的基本工作原理
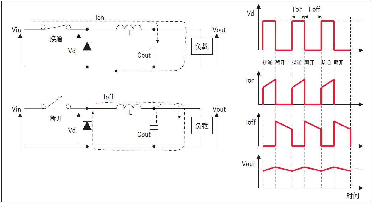
首先,我们快速概括一下 DC-DC 转换器的基本工作原理。我们以一个简单的、采用电压控制模式的非隔离单相降压转换器为例。
图2 的原理图和时序图显示了DC-DC 降压转换器的基本工作原理。MOSFET 开关把直流输入电压Vin 变成脉冲电压,开关的通/断状态由反馈环路来控制。这个脉冲电压再通过电路输出级的 LC 滤波器的充电和放电过程变为直流输出电压Vout。
当开关接通时,电流 Ion 经过电感器 L, 将电量传送到输出电容器 Cout 和负载, 此时Vout 上升。
当 Vout 达到某一电压电平时,开关就会断开, 刚才利用电流 Ion 给 L 充入的电量会生成电流 Ioff, 并将电量传送到负载,同时给 Cout 所充的电量也会传送到负载,此时 Vout 就会下降。当 Vout 下降到某一电平时, 开关又会接通, 这样 Vout 就会再次上升。输出电压电平由脉冲占空比决定。
时间Ton 越长,电路的输出电压越高。时间Ton 越短,电路的输出电压越低。当有一个高于某一特定电平的电流持续流经电感L 时,平均输出电压可按照以下公式计算: Vout = Ton/(Ton + Toff) x Vin。重复进行这种通/断操作,同时监视输出电压并调整脉冲占空比,这样无论负载如何变化, 都能得到一个稳定的输出DC 电压。

图2. DC-DC 转换器的基本工作原理
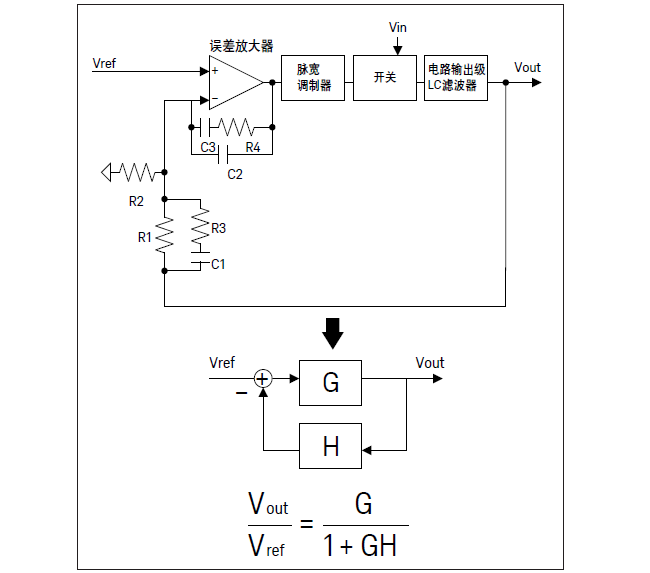
图3 是DC-DC 转换器的详细原理图示例。由R1 和R2 所分担的输出电压被反馈到误差放大器,误差放大器将反馈电压与稳定的参考电压Vref 进行比较,得出与这两个电压之差成比例的输出电压。脉宽调制器 (PWM) 提供占空比由误差放大器的输出电压决定的脉冲,此脉冲可以接通或断开MOSFET 开关。
当反馈电压低于 Vref 时,反馈系统会延长周期Ton 以提高输出电压。当反馈电压高于Vref 时,反馈系统会缩短周期Ton 以降低输出电压。这样就能获得一个稳定的DC 输出电压。
C1、C2、C3、R3、R4 以及R1 和R2 等元器件均可以调节误差放大器的增益和相位时延,从而提高反馈环路的稳定度 (反馈补偿)。

图3. DC-DC 转换器原理图示例
测量DC-DC 转换器的反馈环路特征
本节将介绍如何使用 E5061B-3L5 LF-RF 网络分析仪来测量反馈环路特征。在开始介绍测量方法之前,我们先快速浏览一下反馈环路控制的基础知识。
环路增益
如图 4 所示,DC-DC 转换器可看作是一个负反馈控制系统,输入信号为Vref,输出信号为 Vout。| G | 称为开环增益,| Vout/ Vref | = | G/(1 + GH)| 称为闭环增益,| GH | 称为环路增益。在此应注意,循环传递函数为GH x (-1) = -GH,因为它包括误差放大器的倒数。传递函数G 与误差放大器至输出 LC 滤波器的总传递函数相对应,而传递函数H 与包括R1 和R2 的电阻分压器电路相对应。电阻器 R1 和 R2 还和 R3、C1、C2、C3 及R4 一起决定误差放大器的增益和相位时延。
这个负反馈环路控制系统能够调节可变的输出电压Vout,使之接近于Vref/H。环路增益 | GH | 越大,电压调节能力越强。随着电压发生变化的频率的增加,环路增益将会降低;当环路增益小于 1 时,调节不再起作用。
环路增益 | GH | 等于 1 (即 0 dB) 的频率称为交叉频率,这个频率就是环路的带宽(图 5)。交叉频率越高,反馈环路就能够对更快频率发生变化的电压进行调节,对负载变化的响应速度也越快。

图4. 负反馈环路控制系统
相位裕量和增益裕量
当反馈控制环路工作在高频时通常会产生相位延时的现象。现在,让我们看一下循环传递函数 –GH 的相位延时。在接近直流的低频范围内,误差放大器只会发生 180° 的相位延时。频率上升得越高, 误差放大器的相位延时就变得越大,同时在环路的其他位置会发生额外的延时。如图 6 所示,在输出 LC 滤波器的谐振频率fc = 1/(2 * * √ (L*C)) 周围会发生大的相位时延。尤其是在普遍使用 ESR 值比较低的电容器来降低输出电压的纹波的应用中,由于 ESR 极低,所以 LC 滤波器的相位响应会接近于理想的 LC 滤波器的相位响应,因此谐振频率附近的相位延时会变得非常大,接近180°。如果反馈环路的总相位时延接近360°,那么反馈环路会呈现正向反馈,而不是负向反馈。而且,如果环路增益| GH | 仍大于 1,不稳定的控制环路会因为环路电路中所用的元器件的变化以及其他条件(例如温度)的变化而造成振荡现象。
为了避免此类问题,需要进行反馈补偿来使环路稳定,在添加反馈补偿元器件 (例如图 4 中的 R3、R4、C1、C2 和 C3) 来调整误差放大器在 LC 滤波器谐振频率附近的增益和相位。如图 5 所示,在环路增益 |GH| = 1 的交叉频率处,-GH 的相位角和 -360° 之差 (也就是,GH 的相位角和-180° 之差) 被称为相位裕量。相位裕量是一个表示环路稳定度的重要参数。相位裕量越大,反馈环路越稳定。
在现实应用中,反馈环路必须要有足够大的相位裕量才能确保在任何负载条件下系统都能稳定地工作。
但是,如果因为过度进行反馈补偿而使交叉频率变低的话,那么反馈系统对负载变化的响应速度也会降低。因此,在设计反馈补偿电路时就必须要使系统的稳定度和响应速度达到最优化的平衡状态,使之达到目标应用的要求。为了优化这些参数, 使用低频网络分析仪来验证反馈环路的真实特征是非常重要的。
与相位裕量的定义方法相类似,在相位角等于0°的频率上,-GH 的增益和0 dB 之间的差值称为增益裕量,增益裕量也是衡量环路稳定度的一个重要参数。

图5. GH 的增益相位特征

图6. 输出级LC 滤波器的增益相位特征

图7. 误差放大器和反馈补偿电路的增益相位特征
使用网络分析仪测量环路增益的方法
低频网络分析仪可以通过额外的注入电路向反馈环路注入源信号,以便测量处于工作状态的反馈环路。分析仪测量注入电路 (带有含高阻抗输入的接收机端口 R 和T) 两端的交流电压的比值。在施加激励信号时要把信号注入到输入阻抗 (Zin) 很高、输出阻抗(Zout) 很低的地方。
具体谈到 DC-DC 变换器的测试情况,通常都是使用由变压器和电阻组成的浮置激励施加电路,把测试信号加在反馈电路路径上的分压电路之前,如图 8 所示。通过把激励信号加在满足Zin >> Zout 的点上, 并让电阻R 满足Zin >> R >> Zout 的条件, 我们就可以通过T/R 比值的测量结果得到循环传递函数 –GH 的特性,这样的测量方法不会干扰反馈环路原本的特征。
注入的信号电平不能太高,以避免反馈环路进入非线性区域。应使用高输入阻抗的探头来完成探测,这样不会影响反馈环路的工作。
在测量频率范围方面,通常从 10 Hz 或 100 Hz 的低频率处开始测量。但一般说来, 对测量 DC-DC 转换器的环路特征最重要的频率范围主要是在几 kHz 到几百kHz 之间。LC 滤波器的谐振频率和环路的交叉频率都在这个范围内。因此,低频范围内的测量没必要如此严格。
注意这里讨论的测量方法是基于只适用于线性电压模式控制下的环路。它不适用于电流模式控制下的环路和非线性控制环路。

图8. 负反馈控制系统的环路增益测量方法
环路增益测量配置示例
图9 显示的配置示例使用E5061B-3L5 LF- RF 网络分析仪的增益相位测试端口来测量环路增益。增益相位测试端口可提供5 Hz 至30 MHz 频率范围、1 MΩ/50 Ω 阻抗的可通断直接接收机输入。
使用变压器T1 和电阻器R5 组成浮置信号施加电路。R5 的阻值应远远小于 Zin (通常为几 kΩ 或几十 kΩ)。另外,如果 R5 的电阻值太小,注入的测试信号就会出现过度衰减。一般广泛使用的是 20 Ω 到 100 Ω,但是低电阻例如 5 Ω 可以提高变压器的带宽,这取决于使用的变压器。
测量时,要把接收机的端口 R 和 T 设置为 1 MΩ 输入模式 (输入阻抗 Zin=1 MΩ// 30 pF)。使用同轴测试电缆把 R 和 T 端口与被测器件相连。对于这个环路增益测量配置,推荐使用同轴测试引线而不是10:1 无源探头,因为在这个配置中,信号源端口和接收机端口都对被测件的接地浮置,10:1 无源探头会导致与杂散耦合有关的测量误差。(注: 端口R 和T 对其机箱接地半浮置,浮置阻抗为大约 30 Ω,详细配置将在图 22 中介绍)。在这种情况下, 如果同轴测试电缆的探测电容相对大一些就不是问题,因为这种测量要求的频率范围通常不超过 1 MHz,即便使用同轴测试电缆,我们也能获得足够高的探头输入阻抗。如果您在这个包括浮置信号源注入的测量配置中使用10:1 无源探头,建议按照图 9 中虚线部分显示的配置,使用短引线将 LF OUT 端口 (分析仪的机箱接地) 的外部屏蔽连接到被测件的接地。
在测量中通常使用直流电子负载或大功率的电阻器作为转换器的负载。
在对测量系统进行校准时,需要把两个测试电缆的探头点在TP1 测试点上做直通响应校准,这样可以把两个测试电缆之间幅度和相位的差异去掉。

图9. 测量环路增益的配置示例
反馈环路特征的测量示例
图 10 是用图 9 所示的测量配置,在 2 A 负载条件下,测量一个 5 V 至 3.3 V 降压转换器的环路增益的例子。测量的频率范围从 100 Hz 至 1 MHz,源电平为-20 dBm。在测量中把IFBW 设为 AUTO 模式 (100 Hz 极限值), 该模式可在低频范围内自动选择窄 IFBW, 在高频范围内自动选择宽IFBW。在图 10 的测量结果中,上面的轨迹是环路增益的测量结果,下面的轨迹是相位响应特性的测量结果。可以看到在截止频率附近,响应特性曲线上有小的尖峰,这是由 DC-DC 转换器自身的开关噪声造成的。
在这个测量中,我们在交叉频率 (大约为30 kHz) 上放一个游标,仪表测出被测器件的循环传递函数–GH,在交叉频率处的相位测量结果 (大约 80°)就是相位裕量。在这里测量结果显示出转换器的相位裕量足够大,而且还有一定的空间对反馈补偿电路进行调整,把交叉频率进一步提高, 从而加快电路对负载变化的响应速度。
激励注入信号的功率
现在,我们假设在电阻器 R5 上注入一个恒定的浮置 AC 电压,无论测试频率范围如何变化,R5 一直位于注入变压器的次级一侧。根据每个频点上的环路增益,这个浮地交流激励信号以被测器件的接地为基准在仪表测量接收机的R 端口和T 端口上被分成了两个交流电压。在测量频率比较低环路增益比较高时,R 端口上的交流电压会比较小,T 端口上的交流电压会比较大。随着测量频率的提高,R 端口上的交流电压会升高,T 端口上的交流电压会降低。当测量频率达到交叉频率时,环路增益为 0 dB,R 端口和T 端口上的交流电压大小是一样的。
至于激励信号的功率高低的选择,一般情况下需要在测量频率比较低时要把注入的交流激励信号的功率设的高一些,这样可以解决R 端口上出现的交流电压比较小, 容易使测量的信噪比恶化的问题。
不过,这样做的缺点是使反馈环路在测量频率出在交叉频率附件的中间范围时的工作点转向非线性区域。因此,应将注入激励信号的功率要适当地设置成不太大也不太小才好。
为了找到适当的激励信号功率,首先先把仪表激励源的功率设在一个足够低的值 (例如 -20 或 -30 dBm),然后再执行测量。随后在逐渐提高激励源功率的同时, 重复进行测量。当测量结果的波形在某个激励源功率上开始出现异常 (例如开始出现不连续的波形) 时,再把激励源的功率设置在略低于这个引起异常的激励源功率的水平上。另外,如果有必要,还可以在做比值T/R 测量的同时,用仪表的T 端口测量绝对功率来监测信号源的功率,要确保在您所选择的测量激励信号功率的所有范围内,接收机T 端口测到信号功率的大小都是呈线性变化的。或者也可以使用示波器来监测反馈环路上信号的波形,以确保信号波形没有失真为准。

图10. DC-DC 转换器的环路增益测量示例
在分段扫描测量时设置可变的注入激励
有些 DC-DC 转换器的测量可能需要非常小的注入激励信号,小到-30 dBm 甚至是更小。在这种情况下,测量轨迹在低频段会显现出很大的噪声。虽然对于评估环路的稳定性来说这不会是很严重的问题,因为我们只是在交叉频率的附近的中间部分通过观察测量结果的轨迹来评估环路的稳定性。但是,如果您想在测量的低频频段提高测量的信噪比,同时又不希望在测量频率的中间部分施加过大的激励信号的话,那您可能就需要采用分段扫描的测试方法— 生成一个对数频率扫描列表,随着分段扫描频率由低向高增加,把激励源的功率逐渐由高向低进行改变。图 11 所显示的就是按照以下的频率范围和激励源功率的设置列表,用分段扫描的方法测量环路增益的结果。
100 Hz 至500 Hz,激励源功率为-10 dBm
500 Hz 至1 kHz,激励源功率为-15 dBm
1 kHz 至3 kHz,激励源功率为-20 dBm
3 kHz 至5 kHz,激励源功率为-25 dBm
5 kHz 至10 kHz,激励源功率为-30 dBm
10 kHz 至1 MHz,激励源功率为-35 dBm
这个测量所用的扫描列表,如果每一个扫描段包括 1 个测量点,这个列表可以包括 201 个分段,每一个扫描段上的中频带宽都大约是该扫描段频率的 1/ 5。您可以用电脑来设计分段扫描的列表,写成 CSV 文件格式,然后把文件导入仪表;或者您也可以用仪表内置的 VBA 编程工具生成分段扫描列表。需要注意的是,在图 11 所显示的图形中,我们通过调整仪表屏幕显示的色彩把显示屏上的刻度网格都删除掉了,这是因为即便是在用对数扫描方式进行分段扫描测量的时候,显示屏幕上X 轴的刻度在空间上单独分割依然是等距离的,这会对实际上是以对数刻度得到的测量轨迹带来误解。修改仪表屏幕显示色彩的方法是: 按仪表面板上的 [System] 按键,然后顺序进行以下操作(Misc Setup),(Display Setup), (Color setup)。

图11. 在分段扫描测量时设置可变的注入激励
如何选择激励施加电路的变压器
在选择激励施加电路的变压器时,应该选择在整个测试频率范围内传输响应保持平坦的变压器。变压器的阻抗不能比仪表激励源 50 Ω 的输出阻抗小太多,即它的自感L 要足够大。此外,变压器必须能够在高频范围内正常工作,而不会产生自谐振。在图 10 所示的测量示例中,使用 1:1 脉冲变压器把激励源的测量信号注入给被测器件,变压器的自感为3.4 mH 系数(是德科技PN 5188-4425),并与50 Ω 电阻R5 一起构成激励施加电路。
图 12 是用 E5061B-3L5 的S 参数测试端口测量得到的该脉冲变压器在 50 Ω 系统阻抗条件下的传输响应特性S21。测量频率范围是从 10 Hz 至 10 MHz。如游标读数所示,变压器在 1 MHz 及以上的高频范围内具有平坦的频率响应特性。但另一方面, 在 100 Hz 左右的低频范围内,由于变压器的阻抗| Z | = | j * 2 * pi * f * L | 低于仪表激励源 50 Ω 的输出阻抗,因此会出现 20 dB 的损耗,并且施加到变压器初级一侧的交流电压变得非常小。这对测量的信噪比造成了进一步不利的影响。因为低频测量范围内,这个 20 dB 的衰减会加在因为大的环路增益导致的原本就很小的 AC 电平上。

图12. 脉冲变压器 (PN 5188-4425) 的传输特征
图 13 显示了接收机R 端口和T 端口测量到的交流电压的绝对值,测量所用的配置与图10 中的环路增益的配置相同激励源的功率固定在= -20 dBm 上。需要注意的是, 虽然R 端口和T 端口的输入阻抗是高阻抗而不是 50 Ω,测量得到的交流电压Vac 仍然被表示为20 * Log (Vac^2/50)。
您可以看到,由于这两个因素的影响, 在100 Hz 附近测量得到的电平是很低的。如果您使用 10:1 无源探头替代同轴测试电缆进行测量,无源探头 20 dB 的衰减会使 R 端口上测得的 AC 电压进一步降低, 在 100 Hz 附近测量时,信噪比 SNR 将进一步恶化。不过,由于对反馈环路的测量结果有重要意义的频率通常都在交叉频率附近,所以这种低频测量频率上出现的测量轨迹的波动应该不会造成太大的影响。
当激励源的功率为固定值时,特别是如果被测器件需要一个很低的注入激励, 为了进一步改善在低频测量范围内环路增益测量的信噪比, 需要使用在低频范围内频率响应特性仍然很平坦的变压器。重点推荐 Picotest 公司生产的J2100 A 激励施加电路变压器, 很适用于这种应用(1 Hz 至 5 MHz 时,R5=5 Ω; 10 Hz 至 5 MHz 时,R5=50 Ω;BNC (阴头) 至香蕉插座,http://www.picotest.com) 注意, 当端接 R 5 = 5 Ω 时, 带通的插入损耗大约在 15 dB。或者 North Hills 公司的0017C 50 Ω 视频隔离变压器就很适用于这种应用,其工作频率从10 Hz至 5 MHz, 两端都是BNC (阴头) 接口,两端的阻抗也都是50 Ω,www.northhills-sp.com。

图 13. 在测量环路增益的配置中测量到的交流电压的绝对值(激励源的功率固定在-20 dBm)
测量DC-DC 转换器和无源PDN 元器件的阻抗
测量DC-DC 转换器的输出阻抗
对于给新型的在低电压大电流条件下工作的LSI 供电的PDN 来说,对它极小的阻抗进行测量已经变得非常重要。在此,如果我们假设 Zpdn 是从负载器件一端看到的Vdd 和接地层之间的阻抗,Delta-I 就是由负载器件的工作所引起的电流变化,在电源层面上会产生电压降Delta-V = Delta-i x Zpdn。更严格地讲,电压降应该是:
Delta-V = IFFT (FFT (delta-I) x Zpdn). [1]
对于 MPU 之类的高性能 LSI 的应用情况,Delta-I 可能是几安培或几十安培, 这时电压降 Delta-V 就不是微不足道的问题了。因为它会致信号完整性和电磁干扰 (EMI) 问题。为了避免这些问题的出现,在从 DC 到 GHz 的广阔的频率范围内,必须将电源层的阻抗 Zpdn 抑制在一个极小的值上。在低频范围内尤其经常要求PDN 要有极小的只有毫欧级的阻抗。
DC- DC 转换器可在低频范围内提供这个极小的阻抗。无论负载如何变化, 通过反馈环路控制来调整转换器的输出电压, 就可以得到一个极小的输出阻抗。输出阻抗和环路增益之间的关系为: Zclosed = Zopen/(1+GH),其中, Zopen 为开环输出阻抗,Zclosed 为闭环输出阻抗,GH 为环路增益。在环路增益较高的低频范围内,闭环输出阻抗将会非常小。
为了测量 DC-DC 转换器的输出阻抗,我们可以使用低频网络分析仪,直接在DC- DC 转换器的输出端子上用探头进行测量得到闭环输出阻抗 Zclosed。本节讨论如何使用配有软件 005 阻抗分析功能的 E5061B-3L5 LF-RF 网络分析仪来测量DC-DC 转换器的输出阻抗。

图14. PDN 中DC-DC 转换器输出阻抗
电流-电压检测方法
这种方法以前用于测量 DC-DC 转换器和开关式电源的输出阻抗。图15 是这种方法的简化示意图。用变压器把网络分析仪激励信号源的地浮置起来,就可以用网络分析仪的高阻抗接收机端口测量已经接地的被测器件上的交流电压和电流。端口T 测量被测件两端的交流电压Vdut,端口R 测量 1 Ω 电阻器上的交流电压,流过被测件的交流电流是 Idut。把两个电压测量结果进行比值计算,得到的 T/R 结果直接就是被测器件的阻抗,这是因为T/R=VT/ VR=Vdut/(1 x Idut)。在本图中,被测器件指DC-DC 转换器和与其相连的负载。
与测量环路增益的情况类似,我们通常使用电子负载或大功率电阻器作为被测器件的负载。实际上,网络分析仪测量的是 DC-DC 转换器的阻抗和负载电阻并联在一起的阻抗,由于 DC-DC 转换器的输出阻抗要比负载阻抗小的多,所以测量 结果主要反应的是被测器件的阻抗。隔直 流电容可以防止被测器件的直流输出信号进入变压器和 1 Ω 电阻器,其阻抗| Z |=| 1/ (j * 2 * pi * f * C)| 应足够小,以便在低频测量范围内获得良好的信噪比。
这种测量方法非常适用于测试输出电压相对较高的 DC-DC 转换器,因为仪表的激励信号源与被测器件的直流输出电压之间有很好的隔离,而且两个测量接收机都是很可靠地通过高阻抗进行连接。此外,由于激励信号源被变压器浮置了起来 (将在下文中描述),在测量结果中也不会存在由测量电缆的接地环路引起的误差。但是, 由 1 Ω 电阻器附近连线的残留阻抗引起的测量误差很难完全消除,因此这个方法不适用于精确测量毫欧级的非常小的阻抗。

图15. 电流-电压检测法
电流-电压检测法的配置示例
图 16 是采用了电流电压检测方法使用E5061B-3L5 增益相位测试端口的配置示例。对于变压器T1,您可以使用与环路增益测量中使用的同一个脉冲转换器。不过在这种测量中我们不推荐使用现成的专门设计用于 50 Ω 或 75 Ω 系统中的隔离变压器,例如North Hills 的 0017C 型变压器, 因为在这种配置结构中这种变压器死活很容易产生一些不需要的残留反应。
史海拾趣
|
PIC单片机开发的若干问题 ~~~~~~~~~~~~~~~~~~~~~~~~~~~~~~该贴不属于此版块,过两天移走! [ 本帖最后由 youki12345 于 2010-5-8 10:49 编辑 ]… 查看全部问答> |
|
我有一块ARM7 S3C44B0的开发板,我最近买了一个320X240的液晶屏。 商家提供了320X240.bin的驱动,但是我不知道怎么把驱动加载到开发板的系统中。 我刚开始学这个,我想检验一下这块屏能不能正常使用。哪位高人能不能详细解释一下??… 查看全部问答> |
|
我前不久从深圳优龙公司买了一块YLP2410开发板,发现在WINCE下usb鼠标有时能用,有时又用不了(移动鼠标,光标没有反应)。用不了的时间占多数。开始我还怀疑是我的WINCE操作系统定制的有问题,但后来我使用他们配套光盘里的NK_shp640.nb0,还是一样, ...… 查看全部问答> |
|
我向请教下一个问题: 我想对PC机并口进行操作,操作步骤是这样的; 先用ioperm(0x378,3,1);取得控制权,然后 _outp(0x378,0x55); 但是用_inp(0x378)读出的数据是255,是我哪地方用的不对的吗? … 查看全部问答> |
|
Cortex-M3与ARM7TDMI-S内核MCU运算性能比较 还是21IC人气旺,转一篇我在EDN的博文:http://blog.ednchina.com/htjgdw/140162/message.aspx自从STM32推出后,我对它很感兴趣,由于它采用了ARM的Cortex-M3内核,所以很想了解一下其性能和ARM7相比究竟如何?很巧的机会知道了EDNCHINA,参加了EDN ...… 查看全部问答> |




