历史上的今天
今天是:2024年09月08日(星期日)
2021年09月08日 | ZDS2022示波器百集实操视频之51:1-wire协议触发
2021-09-08 来源:eefocus
大家好,上期视频我们跟大家分享了1-wire协议的解码,今天来看看它的触发功能。
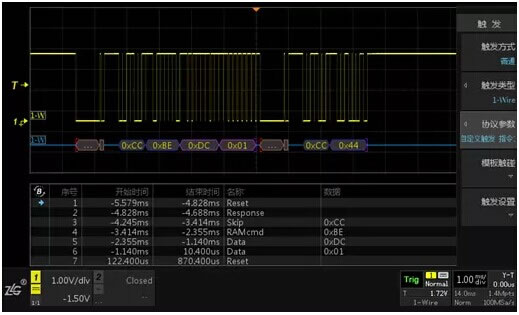
在解码模块中一旦打开协议触发,按下【Trigger】键后,触发类型就自动变成了解码的1-wire协议,将触发方式设为普通,在协议参数中可对1-wire协议进行触发参数设置,触发源根据实际输入进行通道设置。速度模式包括标准和驱动两种,驱动模式下数据的传输速率比标准模式下数据的传输速率会高一点,我们选择标准模式。
触发模式包括开始段触发、指令触发和自定义触发三种模式,设置自定义触发,长按旋钮A可得知指令1的帮助信息,指令1是指输入要触发的第一条的8位指令,当您在对某个设置不清楚时,可先将其选中,长按对应的旋钮查看其帮助信息,指令1设置为0xCC,指令2设置为0x01,确定两个指令后,设定其中的间隔位宽为16位。

图1 1-wire协议自定义触发
返回到主界面,可见触发点已准确定位在0x01结束处,在解码环境下,观察协议触发情况,对协议分析更加有利!
史海拾趣
|
请问一下,有哪位大侠用过 vxworks下的建模软件I-LOGIX.RHAPSODY.V6.2,我在网上下了个这个软件,但结果不能安装,请问上怎么回事呢,我还有个6.0版本的,能安装,但结果却没有帮助文件,就没法学习怎么使用,也很恼火,请高手指点一下,我想学习在vxworks下 ...… 查看全部问答> |
|
重金酬谢!!!!! 求破解手机 代码 现在有个机型是CDMA的 原来是日文和英文 现在想改为法文或其他文字!~!!!!!!!! 芯片\"三洋高通\" 重金酬谢!!!!! 联系13681843776… 查看全部问答> |
|
半年内做了好几个手工板,一直没有成功,电路是按上面压缩包里做的,固件也是按照里边做的,下载的时候用的也是USBASP下载线下载的,但是插上电脑以后显示 [img]file:///C:/Users/Administrator.PC-20120816MPVV/AppData/Roaming/Tencent/Users/ ...… 查看全部问答> |




