历史上的今天
今天是:2024年09月22日(星期日)
2021年09月22日 | 变频器在哪些情况下需要配制动电阻
2021-09-22 来源:eefocus
变频器在哪些情况下需要配制动电阻?
变频器配制动电阻,主要是想通过制动电阻来消耗掉直流母线电容上的一部分能量,避免电容的电压过高。理论上如果电容存储的能量多,可以用来释放出来驱动电机,避免能量浪费,但是电容的容量有限,而电容的耐压也是有限的,当母线电容的电压高到一定程度,就可能会损坏电容了,有些还可能损坏IGBT,所以需要及时通过制动电阻来释放电,这种释放,是白白浪费掉的,是一种没有办法的做法。
母线电容是个缓冲区,容纳能量有限
三相交流电全部整流后,接入电容,满载运行时候,母线正常的电压大约是1.35倍,380*1.35=513伏,这个电压当然会实时波动的,但是最低不能低于480伏,否则会欠压报警保护。母线电容一般是两组450V电解电容串联而成,理论耐压是900V,如果母线电压超过这个值,电容会直接爆掉了,所以母线电压是无论如何都不能达到900伏这么高压的。
实际上,三相380伏输入的IGBT的耐压值是1200伏,往往要求工作在800伏以内,考虑到电压如果升高,都会有个惯性问题,也就是你马上让制动电阻工作了,母线电压也不会很快降低下来,所以很多变频器,都是设计在700伏左右就通过制动单元让制动电阻开始工作,让母线电压降低下来,避免往上继续冲。
所以制动电阻设计,核心就是考虑到电容和IGBT模块的耐压问题,避免这两大重要的器件被母线的高电压冲坏掉了,这两类元件如果坏掉了,变频器也就无法正常工作了。
快速停车要制动电阻,瞬间加速也需要
变频器母线电压之所以会变高,很多时候是变频器让电机工作在电子制动状态,让IGBT通过一定的导通顺序,利用电机是大电感电流不能突变,瞬间产生高压来往母线电容充电,这时候让电机快点降低速度下来。如果这时候没有制动电阻及时消耗掉母线的能量,母线电压将会持续变高而威胁变频器的安全了。

如果负载不是很重,也没有什么快速停车要求,这种场合是不需要使用制动电阻的,即使你装了制动电阻,制动单元的工作阀值电压没有被触发,制动电阻也不会投入工作。
除了大负荷减速场合需要增加制动电阻和制动单元来快速刹车外,实际上如果符合比较重,启动时间时间要求非常快那种,也需要制动单元和制动电阻来配合启动的,以往我试过用变频器带动一种特殊的冲床,要求把变频器的加速时间设计成0.1秒,这时候满负荷启动,虽然负荷并不是非常重,但是因为加速时间太短了,这时候母线电压波动非常厉害,也会出现过压或者过流的情况,后来增加了外置的制动单元和制动电阻,变频器就能正常工作了。分析起来,是因为启动时间太短,母线电容的电压瞬间被掏空了,而整流器瞬间有大的电流充进来,引起母线电压突然变高,这样母线的电压波动太厉害,瞬间可能会超过了700伏,加上了制动电阻,就可以及时消除这个波动的高压,让变频器工作在正常状态。
还有一种特殊的情况,是矢量控制场合,电机的扭矩和速度方向相反,或者工作在零转速百分百扭矩输出的场合,比如吊机掉了重物停在半空中,收放卷场合需要力矩控制,都需要让电机工作在发电机状态,源源不断的电流会反充到母线电容中,通过制动电阻,就可以及时消耗掉这些能量,保持母线电压平衡稳定了。
很多小变频器,比如3.7KW的,往往都内置了制动单元和制动电阻,应该是考虑到母线电容调小的缘由吧,而小功率的电阻和制动单元并没有那么贵。
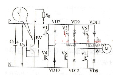
总的原则是:如果因再生制动导致直流电路容易过电压的话,必须配制动电阻,将滤波电容器上多余的电荷释放掉,如图2-41所示。

图2-41 制动电阻和制动单元
图中,制动单元BV的作用是:当直流电压UD超过一定限值时,BV导通,使电容器通过制动电阻RB放电;当直流电压UD降到限值以内时,BV截止,停止放电。
在具体工作中,有必要考虑配制动电阻的场合有:
(1)起动和制动比较频繁的场合;
(2)要求快速制动的场合;
(3)有位能负载的场合,如起重机械等。
史海拾趣
|
遥控器用的红外LED,因为红外LED发出的光不完全是红外光,也包含部分的可见光(红色)成分,所以肉眼能看到少许光。遥控器使用的LED,一般发射角度是30度左右,用户即使没有完全对准目标,也能有效操作。在没有外界红外线干扰的时候,遥控距离可以 ...… 查看全部问答> |
|
在wince 6.0中我有一个客户端程序,先后两次调用InitializeSecurityContext用于和google服务器端进行安全认证,第一次调用返回的是SEC_I_CONTINUE_NEEDED,第二次返回的是SEC_E_WRONG_PRINCIPAL,请问怎么解决啊?是不是和证书有关系?相同程序在wi ...… 查看全部问答> |
|
各位有需要电子元件的请和我联系,库存商品优惠啦!:D 小店欢迎您的光临 石家庄傲尔科技有限公司是一家专注于国外中小电子工程分包商,经过多年的发展,我公司与国际大的元件供应商如MOUSER, DIGIKEY建立了稳定的合作。 我们的优势:1. 保证 ...… 查看全部问答> |
|
void main(){ init_serialcom(); //步进电机不能有这个函数,这是一个初始化串口的函数, ATE0(); //步进电机也不能有这个函数,这是个向串口发送AT指令的函数。 为什么去掉这前两个函 ...… 查看全部问答> |
|
u8 sd_raw_get_info(struct sd_raw_info* info)中struct怎么理解 u8 sd_raw_get_info(struct sd_raw_info* info) { …… } 这个子程序怎么用啊,像u8 mmcWrite(u32 sector, u8* buffer)这种,我在主程序中只要定义unsigned char SD_Write1[]={\"0123456789\"}; 就可以用了mmcWrite(SD_Write1); 但是这个定义 ...… 查看全部问答> |
|
SD24的SD24CCTLx寄存器 SD24GRP 位 SD24_A group. Groups SD24_A channel with next higher channel. Not used for the last channel. 如何使用该位?… 查看全部问答> |




