历史上的今天
今天是:2024年10月27日(星期日)
2021年10月27日 | Linux之ARM(IMX6U)裸机主频和时钟配置
2021-10-27 来源:eefocus
I.MX6U 系列标准的工作频率为 528MHz,有些型号甚至可以工作到 696MHz,但是默认的工作频率为396MHz,这就造成了浪费了,本次我们来配置主频时钟使其工作在528MHz,以及其他的外设时钟源都工作在NXP推荐的工作频率。
1、I.MX6U 时钟系统详解
I.MX6U 的系统主频为 528MHz,有些型号可以跑到 696MHz,但是默认情况下内部 boot rom 会将 I.MX6U 的主频设置为 396MHz。我们在使用 I.MX6U的时候肯定是要发挥它的最大性能,那么主频肯定要设置到 528MHz(其它型号可以设置更高,比如 696MHz),其它的外设时钟也要设置到 NXP 推荐的值。可参考NXP官方参考手册。
1.1、系统时钟来源
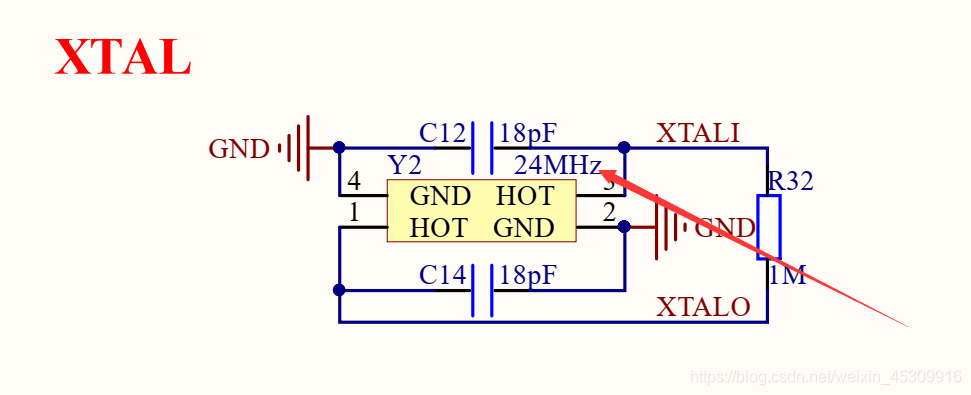
打开 I.MX6U-ALPHA 开发板原理图,开发板时钟原理图如图:
I.MX6U-ALPHA 开发板的系统时钟来源于两部分: 32.768KHz 和24MHz 的晶振,其中 32.768KHz 晶振是 I.MX6U 的 RTC 时钟源, 24MHz 晶振是 I.MX6U 内核和其它外设的时钟源。
1.2、7 路 PLL 时钟源
I.MX6U 的外设有很多,不同的外设时钟源不同, NXP 将这些外设的时钟源进行了分组,一共有 7 组,这 7 组时钟源都是从 24MHz 晶振 PLL 而来的,因此也叫做 7 组 PLL,这 7 组 PLL结构如图 :

1.3、7路PLL的具体作用

1.4、时钟树简介
I.MX6U 的所有外设时钟源都是从这 7 路 PLL 和有些 PLL 的PFD 而来的,这些外设究竟是如何选择 PLL 或者 PFD 的?这个就要借助《IMX6ULL 参考手册》里面的时钟树了,在“Chapter 18 Clock Controller Module (CCM)”的 18.3 小节给出了 I.MX6U详细的时钟树图,如图:

在图中一共有三部分: CLOCK_SWITCHER、 CLOCK ROOT GENERATOR 和
SYSTEM CLOCKS。其中左边的 CLOCK_SWITCHER 就是那 7 路 PLL 和8 路 PFD,右边的 SYSTEM CLOCKS 就是芯片外设,中间的 CLOCK ROOT GENERATOR 是最复杂的!这一部分就像“月老”一样, 给左边的CLOCK_SWITCHER和右边的SYSTEM CLOCKS进行牵线搭桥。外设时钟源是有多路可以选择的, CLOCK ROOT GENERATOR 就负责从 7 路PLL 和 8 路 PFD 中选择合适的时钟源给外设使用。具体操作肯定是设置相应的寄存器,我们以ESAI 这个外设为例, ESAI 的时钟图如图:

在图中我们分为了 3 部分,这三部分如下:
①、此部分是时钟源选择器, ESAI 有 4 个可选的时钟源: PLL4、 PLL5、 PLL3_PFD2 和pll3_sw_clk 。 具 体 选 择 哪 一 路 作 为 ESAI 的 时 钟 源 是 由 寄 存 器 CCM->CSCMR2 的ESAI_CLK_SEL 位来决定的,用户可以自由配置,配置如图:

②、此部分是 ESAI 时钟的前级分频,分频值由寄存器 CCM_CS1CDR 的 ESAI_CLK_PRED来确定的,可设置 1~8 分频,假如现在 PLL4=650MHz,我们选择 PLL4 作为 ESAI 时钟,前级分频选择 2 分频,那么此时的时钟就是 650/2=325MHz。
③、此部分又是一个分频器,对②中输出的时钟进一步分频,分频值由寄存器CCM_CS1CDR 的 ESAI_CLK_PODF 来决定,可设置 1~8 分频。假如我们设置为 8 分频的话,经过此分频器以后的时钟就是 325/8=40.625MHz。因此最终进入到 ESAI 外设的时钟就是40.625MHz。
其他的外设也基本类似的
1.5、内核时钟设置
I.MX6U 的时钟系统前面已经分析的差不多了,现在就可以开始设置相应的时钟频率了。先从主频开始,我们将 I.MX6U 的主频设置为 528MHz,根据时钟树可以看到ARM 内核时钟如图所示:

图中各部分详解如下:
①、内核时钟源来自于 PLL1,假如此时 PLL1 为 996MHz。
②、通过寄存器 CCM_CACRR 的 ARM_PODF 位对 PLL1 进行分频,可选择 1/2/4/8 分频,假如我们选择 2 分频,那么经过分频以后的时钟频率是 996/2=498MHz。
③、大家不要被此处的 2 分频给骗了,此处没有进行 2 分频(我就被这个 2 分频骗了好久,
主频一直配置不正确! )。
④、经过第②步 2 分频以后的 498MHz 就是 ARM 的内核时钟,也就是 I.MX6U 的主频。
经过上面几步的分析可知,假如我们要设置内核主频为 528MHz,那么 PLL1 可以设置为1056MHz,寄存器 CCM_CACRR 的 ARM_PODF 位设置为 2 分频即可。同理,如果要将主频设置为 696MHz,那么 PLL1 就可以设置为 696MHz, CCM_CACRR 的 ARM_PODF 设置为 1 分频即可。现在问题很清晰了,寄存器 CCM_CACCR 的 ARM_PODF 位很好设置, PLL1 的频率可以通过寄存器CCM_ANALOG_PLL_ARMn 来设置。接下来详细的看一下 CCM_CACRR 和 CCM_ANALOG_PLL_ARMn 这两个寄存器, CCM_CACRR 寄存器结构如图所示:

寄存器 CCM_CACRR 只有 ARM_PODF 位,可以设置为 0~7,分别对应 1~8 分频。如果要设置为2分频的话CCM_CACCR就要设置为1。
再来看一下寄存器CCM_ANALOG_PLL_ARMn,此寄存器结构如图所示:


在寄存器 CCM_ANALOG_PLL_ARMn 中重要的位如下:

在修改 PLL1 时钟频率的时候我们需要先将内核时钟源改为其他的时钟源, PLL1 可选择的时钟源如图所示:

①、 pll1_sw_clk 也就是 PLL1 的最终输出频率。
②、此处是一个选择器,选择 pll1_sw_clk 的时钟源,由寄存器 CCM_CCSR 的PLL1_SW_CLK_SEL 位决定 pll1_sw_clk 是选择 pll1_main_clk 还是 step_clk。正常情况下应该选择 pll1_main_clk,但是如果要对 pll1_main_clk(PLL1)的频率进行调整的话,比如我们要设置PLL1=1056MHz,此时就要先将 pll1_sw_clk 切换到 step_clk 上。等 pll1_main_clk 调整完成以后再切换回来。
③、此处也是一个选择器,选择 step_clk 的时钟源,由寄存器 CCM_CCSR 的 STEP_SEL 位来决定 step_clk 是选择 osc_clk 还是 secondary_clk。一般选择 osc_clk,也就是 24MHz 的晶振。这里我们就用到了一个寄存器 CCM_CCSR,此寄存器结构如图所示:

寄存器 CCM_CCSR 我们只用到了 STEP_SEL、 PLL1_SW_CLK_SEL 这两个位,一个是用来选择 step_clk 时钟源的,一个是用来选择 pll1_sw_clk 时钟源的。
到这里,修改 I.MX6U 主频的步骤就很清晰了,修改步骤如下:
①、 设置寄存器 CCSR 的 STEP_SEL 位,设置 step_clk 的时钟源为 24M 的晶振。
②、设置寄存器 CCSR 的 PLL1_SW_CLK_SEL 位,设置 pll1_sw_clk 的时钟源为step_clk=24MHz,通过这一步我们就将 I.MX6U 的主频先设置为 24MHz,直接来自于外部的24M 晶振。
③、设置寄存器 CCM_ANALOG_PLL_ARMn,将 pll1_main_clk(PLL1)设置为 1056MHz。
④、设置寄存器 CCSR 的 PLL1_SW_CLK_SEL 位,重新将 pll1_sw_clk 的时钟源切换回pll1_main_clk,切换回来以后的 pll1_sw_clk 就等于 1056MHz。
⑤、最后设置寄存器 CCM_CACRR 的 ARM_PODF 为 2 分频, I.MX6U 的内核主频就为1056/2=528MHz。
1.6、PFD 时钟设置
设置好主频以后我们还需要设置好其他的 PLL 和 PFD 时钟,PLL1 已经设置了,PLL2、 PLL3 和 PLL7 固定为 528MHz、 480MHz 和 480MHz, PLL4~PLL6 都是针对特殊外设的,用到的时候再设置。因此,接下来重点就是设置 PLL2 和 PLL3 的各自 4 路 PFD, NXP 推荐的这 8 路 PFD 频率如表所示:

先设置 PLL2 的 4 路 PFD 频率,用到寄存器是 CCM_ANALOG_PFD_528n,寄存器结构如图所示:

从图可以看出,寄存器 CCM_ANALOG_PFD_528n 其实分为四组,分别对应PFD0~PFD3,每组 8 个 bit,我们就以 PFD0 为例,看一下如何设置 PLL2_PFD0 的频率。 PFD0对应的寄存器位如下:

如果我们要设置 PLL2_PFD0 的频率为 352MHz 的话就需要设置 PFD0_FRAC 为 27,PFD0_CLKGATE 为 0 。 PLL2_PFD1~PLL2_PFD3 设 置 类 似 , 频 率 计 算 公 式 都 是528*18/PFDX_FRAC(X=1~3) , 因 此 PLL2_PFD1=594MHz 的 话 , PFD1_FRAC=16 ;PLL2_PFD2=400MHz 的话 PFD2_FRAC 不能整除,因此取最近的整数值,即 PFD2_FRAC=24,这样 PLL2_PFD2 实际为 396MHz; PLL2_PFD3=297MHz 的话, PFD3_FRAC=32。
接 下 来 设 置 PLL3_PFD0~PLL3_PFD3 这 4 路 PFD 的 频 率 , 使 用 到 的 寄 存 器 是CCM_ANALOG_PFD_480n,此寄存器结构如图所示:

从图可以看出,寄存器 CCM_ANALOG_PFD_480n 和 CCM_ANALOG_PFD_528n的结构是一模一样的,只是一个是 PLL2 的,一个是 PLL3 的。寄存器位的含义也是一样的,只是 频 率 计 算 公 式 不 同 , 比 如 PLL3_PFDX=480*18/PFDX_FRAC(X=0~3) 。 如 果PLL3_PFD0=720MHz 的话, PFD0_FRAC=12;如果 PLL3_PFD1=540MHz 的话, PFD1_FRAC=16;如果 PLL3_PFD2=508.2MHz 的话, PFD2_FRAC=17;如果 PLL3_PFD3=454.7MHz 的话,PFD3_FRAC=19。
1.7、AHB、 IPG 和 PERCLK 根时钟设置

7 路 PLL 和 8 路 PFD 设置完成以后最后还需要设置 AHB_CLK_ROOT 和 IPG_CLK_ROOT
的时钟, I.MX6U 外设根时钟可设置范围如图所示:


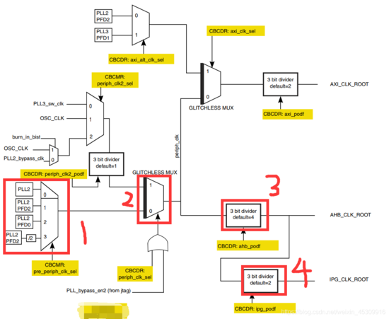
图给出了大多数外设的根时钟设置范围, AHB_CLK_ROOT 最高可以设置 132MHz,IPG_CLK_ROOT和PERCLK_CLK_ROOT最高可以设置66MHz。那我们就将AHB_CLK_ROOT、IPG_CLK_ROOT 和 PERCLK_CLK_ROOT 分 别 设 置 为 132MHz 、 66MHz 、 66MHz 。AHB_CLK_ROOT 和 IPG_CLK_ROOT 的涉及如下图所示:

①、此选择器用来选择 pre_periph_clk 的时钟源,可以选择 PLL2、 PLL2_PFD2、 PLL2_PFD0和 PLL2_PFD2/2。寄存器 CCM_CBCMR 的 PRE_PERIPH_CLK_SEL 位决定选择哪一个,默认选择 PLL2_PFD2,因此 pre_periph_clk=PLL2_PFD2=396MHz。
②、此选择器用来选择 periph_clk 的时钟源,由寄存器 CCM_CBCDR 的 PERIPH_CLK_SEL位与 PLL_bypass_en2 组成的或来选择。当 CCM_CBCDR 的 PERIPH_CLK_SEL 位为 0 的时候periph_clk=pr_periph_clk=396MHz。
③、通过 CBCDR 的 AHB_PODF 位来设置 AHB_CLK_ROOT 的分频值,可以设置 1~8 分频,如果想要 AHB_CLK_ROOT=132MHz 的话就应该设置为 3 分频: 396/3=132MHz。图 16.1.2中虽然写的是默认 4 分频,但是 I.MX6U 的内部 boot rom 将其改为了 3 分频!
④、通过 CBCDR 的 IPG_PODF 位来设置 IPG_CLK_ROOT 的分频值,可以设置 1~4 分频,IPG_CLK_ROOT 时钟源是 AHB_CLK_ROOT,要想 IPG_CLK_ROOT=66MHz 的话就应该设置2 分频: 132/2=66MHz。
最后要设置的就是 PERCLK_CLK_ROOT 时钟频率,其时钟结构图如下图所示:

从 上图可 以 看 出 , PERCLK_CLK_ROOT 来 源 有 两 种 : OSC(24MHz) 和IPG_CLK_ROOT,由寄存器 CCM_CSCMR1 的 PERCLK_CLK_SEL 位来决定,如果为 0 的话PERCLK_CLK_ROOT 的 时 钟 源 就 是 IPG_CLK_ROOT=66MHz 。 可 以 通 过 寄 存 器CCM_CSCMR1 的 PERCLK_PODF 位来设置分频,如果要设置 PERCLK_CLK_ROOT 为 66MHz的话就要设置为 1 分频。
在上面的设置中用到了三个寄存器: CCM_CBCDR、 CCM_CBCMR 和 CCM_CSCMR1,我们依次来看一下这些寄存器, CCM_CBCDR 寄存器结构如图所示:

寄存器 CCM_CBCDR 各个位的含义如下:

接下来看一下寄存器 CCM_CBCMR,寄存器结构如下图所示:

寄存器 CCM_CBCMR 各个位的含义如下:

最后看一下寄存器 CCM_CSCMR1,寄存器结构如下图所示:

此寄存器主要用于外设时钟源的选择,比如 QSPI1、 ACLK、 GPMI、 BCH 等外设,我们重点看一下下面两个位:

在修改如下时钟选择器或者分频器的时候会引起与 MMDC 的握手发生:
①、 mmdc_podf
②、 periph_clk_sel
③、 periph2_clk_sel
④、 arm_podf
⑤、 ahb_podf
发生握手信号以后需要等待握手完成,寄存器 CCM_CDHIPR 中保存着握手信号是否完成,如果相应的位为 1 的话就表示握手没有完成,如果为 0 的话就表示握手完成,很简单,这里就不详细的列举寄存器 CCM_CDHIPR 中的各个位了。
另外在修改 arm_podf 和 ahb_podf 的时候需要先关闭其时钟输出,等修改完成以后再打开,否则的话可能会出现在修改完成以后没有时钟输出的问题。本教程需要修改寄存器CCM_CBCDR 的 AHB_PODF 位来设置 AHB_ROOT_CLK 的时钟,所以在修改之前必须先关闭AHB_ROOT_CLK 的输出。但是笔者没有找到相应的寄存器,因此目前没法关闭,那也就没法设置 AHB_PODF 了。不过 AHB_PODF 内部 boot rom 设置为了 3 分频,如果 pre_periph_clk 的时钟源选择 PLL2_PFD2 的话, AHB_ROOT_CLK 也是 396MHz/3=132MHz。
2、实验程序编写
我们在上一次实验的基础上(Linux之ARM(MX6U)裸机按键输入实验(GPIO的输出与输入))进行修改.
2.1、bsp_clk.c
#include "bsp_clk.h"
/*使能外设时钟*/
void clk_enable(void)
{
CCM->CCGR0 =0xFFFFFFFF;
CCM->CCGR1 =0xFFFFFFFF;
CCM->CCGR2 =0xFFFFFFFF;
CCM->CCGR3 =0xFFFFFFFF;
CCM->CCGR4 =0xFFFFFFFF;
CCM->CCGR5 =0xFFFFFFFF;
CCM->CCGR6 =0xFFFFFFFF;
}
/*
* @description : 初始化系统时钟 528Mhz,并且设置 PLL2 和 PLL3 各个
* PFD 时钟,所有的时钟频率均按照 I.MX6U 官方手册推荐的值.
* @param : 无
* @return : 无
*/
void imx6u_clkinit(void)
{
/* 1、设置 ARM 内核时钟为 528MHz */
/* 1.1、判断当使用哪个时钟源启动的,正常情况下是由 pll1_sw_clk 驱动的,而
* pll1_sw_clk 有两个来源: pll1_main_clk 和 step_clk, 如果要
* 让 I.MX6ULL 跑到 528M, 那必须选择 pll1_main_clk 作为 pll1 的时钟
* 源。 如果我们要修改 pll1_main_clk 时钟的话就必须先将 pll1_sw_clk 从
* pll1_main_clk 切换到 step_clk,当修改完以后再将 pll1_sw_clk 切换
* 回 pll1_main_cl, step_clk 等于 24MHz。
*/
unsigned int reg = 0;
if((((CCM->CCSR)>>2) & 0x1) ==0)
{
CCM->CCSR &= ~(1 << 8); /* 配置 step_clk 时钟源为 24MHz OSC */
CCM->CCSR |= (1 << 2); /* 配置 pll1_sw_clk 时钟源为 step_clk */
}
/* 1.2、设置 pll1_main_clk 为 1056MHz,也就是 528*2=1056MHZ,
* 因为 pll1_sw_clk 进 ARM 内核的时候会被二分频!
* 配置 CCM_ANALOG->PLL_ARM 寄存器
* bit13: 1 使能时钟输出
* bit[6:0]: 88, 由公式: Fout = Fin * div_select / 2.0,
* 1056=24*div_select/2.0, 得出: div_select=88。
*/
CCM_ANALOG->PLL_ARM = (1 << 13) | ((88 << 0) & 0X7F);
CCM->CCSR &= ~(1 << 2); /* 将 pll_sw_clk 时钟切换回 pll1_main_clk */
CCM->CACRR = 1; /* ARM 内核时钟为 pll1_sw_clk/2=1056/2=528Mhz */
/* 2、设置 PLL2(SYS PLL)各个 PFD */
reg = CCM_ANALOG->PFD_528;
reg &= ~(0x3f3f3f3f); /* 清除原来的设置 */
reg |= (32<<24); /* PLL2_PFD3=528*18/32=297Mhz */
reg |= (24<<16); /* PLL2_PFD2=528*18/24=396Mhz */
reg |= (16<<8); /* PLL2_PFD1=528*18/16=594Mhz */
reg |= (27<<0); /* PLL2_PFD0=528*18/27=352Mhz */
CCM_ANALOG->PFD_528 = reg; /* 设置 PLL2_PFD0~3 */
/* 3、设置 PLL3(USB1)各个 PFD */
reg =0; /* 清零reg */
reg = CCM_ANALOG->PFD_480; /* 清除原来的设置 */
reg &= ~(0x3f3f3f3f);
reg |= (19<<24); /* PLL3_PFD3=480*18/19=454.74Mhz */
reg |= (17<<16); /* PLL3_PFD2=480*18/17=508.24Mhz */
reg |= (16<<8); /* PLL3_PFD1=480*18/16=540Mhz */
reg |= (12<<0); /* PLL3_PFD0=480*18/12=720Mhz */
史海拾趣
|
有一次,我上网搜寻一些培训资料,偶然地浏览了一个网站,其声称工程知识的半衰期为两年左右。这也就意味着,作为一个工程师,我至今所掌握的知识中有一半会在两年内就过时。而到10年之后,这些知识中只有3%还仍然能用! 这一观点是发布在一个宣传 ...… 查看全部问答> |
|
OS_ENTER_CRITICAL()在中断子函数里的调用!!! 用的keil在调试时出现一个问题, 我在Keil的中断里调用了一个函数, void UART0_Exception(void)//串口中断 { OS_ENTER_CRITICAL(); &nbs ...… 查看全部问答> |
|
小弟刚工作,内容是嵌入式,公司不让拿板回家,只好自己买,大家给点建议好吗?买什么型号和厂商的板好点? 问过一些人,他们说现在买2410或2440,但没说什么厂商的,我主要是想入门和练习,最好扩展性好一点,谢谢!… 查看全部问答> |
|
我是厦门大学电子信息工程专业的大二学生.大家可能都知道,我这专业是偏向硬件的.我们也开课学过C语言,JAVA,正在学汇编.在学习的过程中,我发现我在软件(编程)这方面的能力比同专业的其他同学明显强了不少,而在其他科目上学起来跟其他 ...… 查看全部问答> |
|
void COM232task(void) { char filename[12]=\"hello2\"; struct fs_descrip *file; unsigned char sec_buf[512]; file = fs_fopen(filename, O_WRITE ? O_APPEND); & ...… 查看全部问答> |
|
请教您一个技术问题, PIC16F526 的 PB4 端口有没有电平变化唤醒单片机功能或者说 PB4 端口 有没有 输入功能 程序是从 PIC16F506 移植过来的,用MPLAB IDE 8.10 模拟调试,PB0、PB1、PB3 端口 都能 唤醒 ,而 PB4 不 ...… 查看全部问答> |
|
我没有相关电气方面的知识,但是对PLC很感兴趣,我作为一点都不懂的菜鸟,该如何学起啊?各位老师们望指点指点我,让我少走弯路。。。拜托啦。。拜托啦~~~… 查看全部问答> |
|
我是菜鸟,刚刚才接触wince的编程,以前都是在window下编程的,使用vs2005. 我需要将我以前的工程转成能在wince 6.0下运行。我在网上下载wince 6.0的SDK,但是用代码转移的时候,发现很多MFC的类,函数都不支持,编译不能通过。 请问有什么办法能 ...… 查看全部问答> |






