历史上的今天
今天是:2024年12月24日(星期二)
2021年12月24日 | 迅为4412开发板接口详解(一)
2021-12-24 来源:eefocus
核心板
Exynos4412有两种封装形式, 其中POP封装的芯片内含1GB内存, 所以不需要外扩DDR,可大大节省 PCB 面积,功耗控制方面也更好,多用于手持设备当中; SCP 封装优点是内存扩展更灵活,生产工艺相对更容易控制。
电源芯片 S5M8767 的输入电压范围是 3.5v~5.5v,但是最佳的输入电压是 3.7v~4.2v,
也就是 4v 左右,这样可以使 S5M8767 芯片处于最佳的工作状态。因为开发板提供的电源是5v 的,所以建议大家在开发产品的时候,需要修改下面两个地方:
1)在底板上增加 DC-DC 模块让核心板工作于 4v 左右,如下图 1-1.1 所示,在电路中,
将 VSYS(5v)转成 VSYS_K(4v),然后使用 VSYS_K 给核心板供电

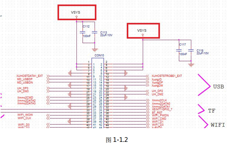
2)底板上 CON10(与核心板的连接座)上的 1,2,3,4,5,6 引脚的 VSYS 默认是给核心板提供 5V 电压,如下图 1-1.2所示:

需要把 CON10 的 1,2,3,4,5,6 这几个引脚改成 VSYS_K,给核心板提供 4V 电压,如下图
1-1.3 所示:

POP 封装
长宽:5CM * 6CM,高度 1.5MM,320 个引脚(80 * 4);
板载 1GB 内存,电源管理;
和底板装配的时候注意“防呆箭头”。
1.1.1.2 SCP 封装
长宽:6CM * 7CM,高度 1.5MM,320 个引脚(80 * 4);
SCP 板载 1G 或者 2G 内存,电源管理;
和底板装配的时候注意“防呆箭头”。

底板
iTOP-4412 全能版底板如下图所示:

电源以及接口
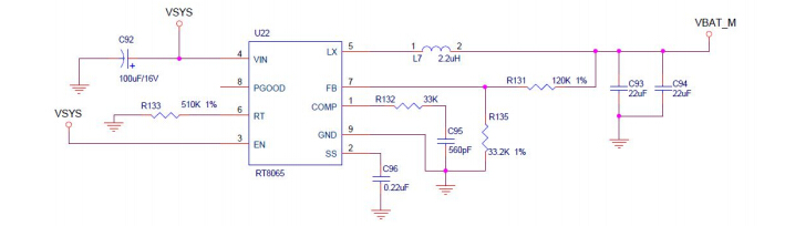
电源芯片 RT8065 提供 5V→4V 电源,给核心板电源芯片 8707 供电。核心板供电部分如
下图,建议给核心板提供 4V 电源,可以使核心板电源管理芯片 8767 处于最佳工作状态,原理
图如下所示。

开发板电源原理图部分如下图。

如下图所示,为 5V→4V 电源在底板上的位置。

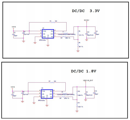
电源芯片 MP2012DQ 提供 5V→3.3V 和 5V→1.8V 电源,给大部分外围模块供电。

如下图所示,为 5V→3.3V 和 5V→1.8V 电源在底板上的位置。

如下图所示,为电源接口、电源开关、电源指示灯的原理图,电源需要输入 5V 电源。
如下图所示 ,电源接口、电源开关、电源指示灯底板上的位置。

上电按下电源键之后 LED1 会亮,表明有电源输入。
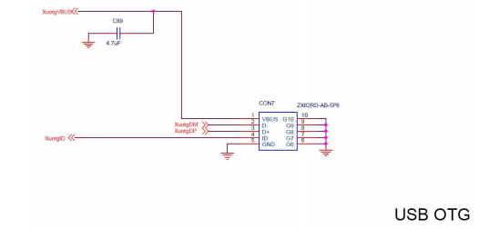
OTG接口
OTG接口用来烧写镜像,还可以用来作为 Android 应用 APP 的调试口。在 Android 系统
下面可以用来上传文件和安装应用 APP(在没有网络的情况下很好用)。
原理图如下图所示。

PCB 上 OTG接口,如下图所示。

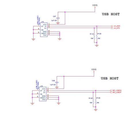
USB 接口
USB接口可以用来接鼠标和键盘。还可以用来接 PL2303 转接线,用于扩展串口,不过需
要加载 PL2303 的驱动,具体加载方法参考使用手册 9.4.12.
原理图如下图所示。

PCB 上 USB接口,如下图所示

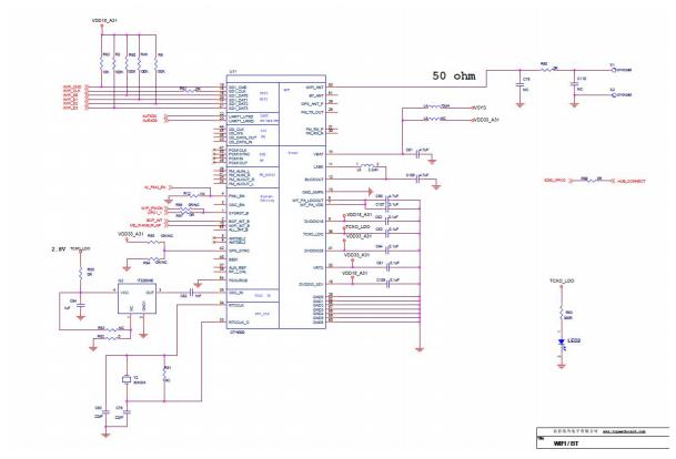
WIFI/BT模块
用户要注意区分一下,WIFI/BT模块是 GT-900,模块中的芯片是 S500M。
原理图如下图所示。
PCB 上 WIFI/BT模块位置,如下图所示。

TF 和 SD 卡接口
全能版可以使用 TF 卡或者 SD卡,二选一,用于烧写系统或者存储数据,烧写系统在第三
章有详细的介绍,存储数据的使用类似于手机中的 TF 卡。
这里提醒一下,TF 卡和 SD 卡不仅 PCB 封装不一样,而且原理图封装也不一样,虽然它们
的 PIN 脚数是一样的。
原理图如下图所示。

PCB 上 TF Card 和 SD Card 接口,如下图所示。
1.1.2.6 gyroscope 陀螺仪、加速计 Accelerometer 模块
这个模块是陀螺仪和加速计二合一的。
原理图如下图所示。

PCB 上陀螺仪+加速计模块,如下图所示。

3G 模块
3G 模块的原理图如下图所示。

PCB 上 3G 模块,如下图所示。

史海拾趣
|
现在coding不再做了,连架构都不做了,专职于做管理还有一些客户交流以及跟公司老总的交流问题,慢慢的,很多技术上的问题就疏远了,都在担心以后技术会不会慢慢就退化了!要跳槽如果没有manager该怎么办呢… 查看全部问答> |
|
当电子工程师也是十余年了,不算有出息,环顾四周,也没有看见几个有出息的!回顾工程师生涯,感慨万千,愿意讲几句掏心窝子的话,也算给咱们师弟师妹们提个醒,希望他们比咱们强! [1]职业规划很重要,好好规划自己的路,不要跟着感觉走!根据 ...… 查看全部问答> |
|
我们的设备上采用的是2G的NAND FLASH外加一个SD卡,三星提供的BSP和相关文档上说设备作为MASS STORAGE时,同时只能将其中一个作为MASS STORAGE连接到PC上,我们想连接PC的时候同时显示这两个存储空间,目前的候选方案是在应用程序上进行一些设置, ...… 查看全部问答> |
|
我是初次接触这个软件,英文版的有点看不懂,有没有高手能帮忙搞一个,将不胜感激!或者是只要兼容vista系统的版本都可以。急求!!!!!!!!!… 查看全部问答> |
|
本帖最后由 dontium 于 2015-1-23 13:26 编辑 正在做一个DSP--PCI的驱动,应用程序调试时出现如下: ----- damned.pjt - Debug ----------------------------- [async_pci.cdb] \\"E:\\\\CCStudio_v3.1\\\\plugins\ ...… 查看全部问答> |
|
可能看到我帖子的人,会有些失望,这么久了才提交个led循闪烁的程序,是不太应该,其实这几天都是在看M4的驱动编程,一直在归纳总结自己在M4学习中Keil软件方面的问题,大家也许看看我的文档,就能不这么责怪我了呵 ...… 查看全部问答> |
|
以下是在使用MSP430中的一些总结: 1.系统时钟问题: 系统默认使用DCO,使用外部高速晶振XT2时必须自己开启XT2,并延时50us等待XT2起振,然后手工清除IFG1中的OFIFG位 !!!!一定要注意操作顺序:打开XT2->等待XT2稳定->切换系统时钟为XT2 若 ...… 查看全部问答> |




