历史上的今天
今天是:2024年12月24日(星期二)
2021年12月24日 | 直流电阻测试仪接线方法
2021-12-24 来源:elecfans
直流电阻测试仪的接线方法是怎么样的呢?直流电阻测试仪作为电力测试行业经常需要使用到的仪器,一直深受广大电力工作者的青睐,是很多电力工作者在测试电力设备直流电阻的,但是具体的直流电阻测试仪如何接线却一直困扰者广大的电力工作中,因此,本文就以型号为YTC316-10直流电阻测试仪为例,来给大家简单介绍直流电阻测试仪的接线方法。
三通道测量接线:(YN绕组的同时测量)接线见图一

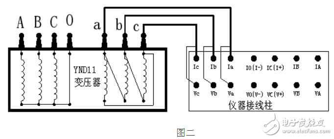
D绕组逐项测量:( D绕组各相的分别测量)D绕组接线见图二

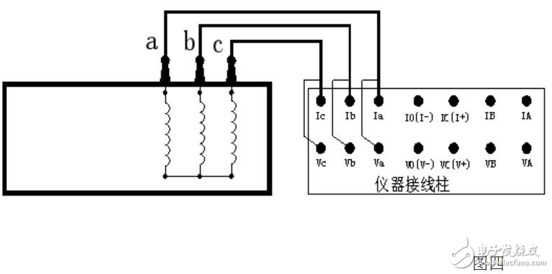
单通道直接测量接线:(YND11变压器CO相测量)见图三。

Y绕组逐项测量:( Y绕组各相的分别测量)Y绕组接线见图四

铁芯五柱YND11变压器助磁测量接线:(可选项和逐项助磁测量低压绕组)见图五(I)

对于铁芯五柱YND11变压器助磁测量手动接线:可以依照图的外接线方法接线采用单通道方法进行测量。

直流电阻测试仪在实际的测试工作中,需要根据实际的被试品来进行相应的接线工作,电力工作者在操作过程之前,需要熟读产品操作说明书,并严格按照说明书进行操作。
上一篇:网络测试仪的应用类型及作用特点
史海拾趣
|
1、功能图表转换实现的基本规则 (1)转换实现的条件 在功能表图中,步的活动状态的进展是由转换的实现来完成的。转换实现必须同时满足两个条件: 1)该转换所有的前级步都是活动步; 2)相应的转换条件得到满足。 如果转换的前级步或后续步不 ...… 查看全部问答> |
|
我是个新soho,由于最近打印量骤增,所以决定添置个廉价打印机,看了看市场的300元以下的产品,似乎只有佳能的iP1180和联想的3410可以选。1180是单色打印的,这点我倒是无所谓,我不打照片,3410看起来更强大,但是总觉得不是三大品牌的不太放心。 ...… 查看全部问答> |
|
我刚接触Vxworks的BSP开发,请各位指点一下,在此先谢过! 我正在一块板子上做BSP开发,程序在bootloader阶段挂住了,请问各位如何定位到具体挂在哪个函数里面了:romInit()、sysHwInit()、UsrInit()? 听人说可以点灯调试,我没有点过,请各位指 ...… 查看全部问答> |
|
本帖最后由 paulhyde 于 2014-9-15 03:47 编辑 大赛临近、能不能让我得点芯币以备到时下载资料啊 = =。我芯币不多啊,。上传常用74系列,74LS,74HC系列逻辑门电路给大家。 不好可以骂我 - -。   ...… 查看全部问答> |
|
电力逆变电源是一种能够将DC12V直流电转换为和市电相同的AC220V交流电,供一般电器使用,是一种方便的电源转换器。 电力逆变电源有着广泛的用途,它可用于各类交通工具,如汽车、各类舰船以及飞行器,在太阳能及风能发电领域,逆变器有着不可 ...… 查看全部问答> |




