历史上的今天
今天是:2025年12月08日(星期一)
2022年12月08日 | 单片机扩展技术
2022-12-08 来源:zhihu
单片机内部存储器和I/o口资源有限,多数情况下需要外部扩展。
一、扩展方法和内容

二、总线介绍
单片机并行扩展的典型结构是总线结构。
各扩展部件通过总线与单片机连接起来,相当于系统中各部件挂在总线上,分时利用总线与CPU通讯。
当选中某部件时,可对该部件进行读写及控制,而其它部件与总线间处于“高阻态”,相当于与总线断开。

单片机系统的三总线构造方法如下:
以P0口线作数据总线/低位地址总线4以P2口线作高位地址总线
采用功能引脚形成控制总线

以P0口线作数据总线/低位地址总线:先由P0口线作地址总线,把低8位地址送锁存器,由锁存器提供给系统;然后再将P0口线作数据总线读写数据,从而实现地址总线的低8位地址信号和数据总线共用P0口线而不产生冲突。
以P2口线作高位地址总线:P2口线最多可提供8位高位地址,加上P0口线提供的低8位地址,最多可提供16位地址,可使单片机系统的寻址范围最大达到64KB。
采用功能引脚形成控制总线:由 RD(P3.6引脚)和 WR(P3.7引脚)作为读写选通信号线;由ALE作为地址锁存信号线,以配合P0口实现分时复用;PSEN以作为片外程序存储器读选通信号线;以EA作为片内和片外程序存储器的选择信号。
存储器的基本操作控制包括片选控制和读写操作控制。
线选法:地位地址线(A0~A10)实现片内寻址,高位地址线线(A11~A13)实现片选。线选法连线简单,但地址空间不连续,适用于扩展容量较小且芯片数目较少的情况。

译码法:通过译码器将高位地址线转换为片选信号。译码法能有效利用存储空间,且地址连续,适用于多芯片下的扩展。常用译码器芯片有74138等。

三、储存扩展
地址线:地址是由P0和P2口提供的。ROM的地址线(A0~A15)中,低8位A0~A7通过锁存器74LS373与P0口连接,高8位A8~A11直接与P2口的P2.0~P2.7连接。
数据线:片外ROM的8位数据线直接与单片机的P0口相连。

控制线:CPU执行ROM中存放的程序指令时,取指阶段就是对ROM进行读操作。读操作控制线有以下几条:
地址锁存信号ALE、片选信号CS、读选通信号OE、片外程序存储器的选用控制信号EA

地址锁存信号ALE:单片机的ALE管脚与锁存器的锁存使能端G相连,用于单片机从片外ROM在读指令时给出低8位地址的锁存信号。
片选信号CS:低电平有效。如果系统中只扩展了一片程序存储器芯片,可将该片选端直接接地,使该芯片一直有效。若同时扩展多片,需通过线选法或译码法来完成片选工作。
读选通信号OE:低电平有效。该引脚接8051的片外ROM读选通信号端PSEN。在访问片外程序存储器时,只要该端出现负脉冲,即可从ROM中读出指令或数据。
片外程序存储器的选用控制信号EA:当EA引脚接高电平时,CPU只访问单片机内部的程序存储器并执行内部程序存储器中的指令,但当程序存储量超过内部程序存储器的最大容量时,将自动转去执行单片机外部程序存储器内的程序。当输入信号引脚接低电平(接地)时,CPU只访问外部程序存储器并执行外部程序存储器中的指令。
在执行片外ROM读指令时,单片机自动进行的操作时序:
(1)首先由PO口和P2口给出16位地址,然后ALE出现下降沿通知锁存器将P0口的低8位地址锁存;
(2)PSEN出现低电平,使片外ROM有效;
(3)根据锁存器和P2口提供的地址取出指令并送P0口,由P0口读入单片机执行。
在上述过程中,数据存储器RAM读写信号端WR和RD一直处于高电平状态,使RAM与总线隔离。
四、控制程序
根据下图电路编写程序用数码管显示0-9共10个数字循环显示。


五、数据储存扩展
数据存储器RAM的扩展主要用到以下3个控制信号:
ALE:低8位地址锁存控制信号,通常接地址锁存器的LE引脚;
WR:外部RAM写信号,低电平有效,接数据存储器的WE引脚;
RD:外部RAM读信号,低电平有效,接数据存储器的OE引脚。

在执行片外RAM读写指令时,单片机自动进行的操作时序与读ROM相似:
(1)首先由PO口和P2口给出16位地址,然后ALE出现下降沿将P0口的低8位地址锁存;
(2)在读数据时,RD出现低电平,WR出现高电平,使读片外RAM有效,并根据锁存器和P2口提供的地址取出数据并送P0口,由P0口读入单片机。
(3)在写数据时首先将数据加载到P0口,然后RD引脚出现高电平,WR引脚出现低电平,使写片外RAM有效,并根据锁存器和P2口提供的地址将P0口上的数据写入片外RAM。
六、程序举例
根据图8-4编写程序将数码管显示0-9共10个数字的字型码存储到6264中,然后从6264中循环读出字型码并送数码管显示。


对输入/输出口功能的扩展,可以利用简单的TTL电路或MOS电路,也可以使用结构较为复杂的可编程接口芯片。
MCS-51单片机将I/O口与片外RAM统一编址,两者合在一起使用同一个64KB的外扩展地址空间,因而,I/O口的输入、输出指令也就是片外数据存储器的读/写指令。

简单输入扩展主要采用三态数据缓冲器实现,目的是使被选通的输入设备能独占数据总线向单片机输入数据,而未被选通的设备与数据总线隔离。常用的三态数据缓冲器芯片有74LS244等。
简单输出扩展主要采用三态数据锁存器实现,目的是使单片机能通过数据总线向被选通的设备输出数据,而未被选通的设备与数据总线隔离。常用的三态数据锁存器芯片有74LS273等。
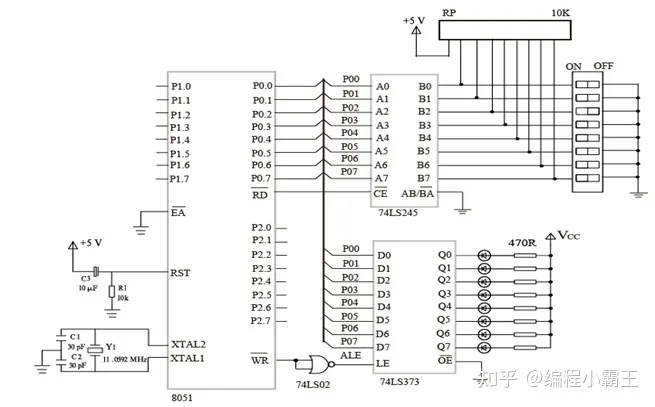
8051单片机使用74LS373和74LS245展I/O口,分别连接发光二极管和拨码开关,要求编写控制程序,通过开关的拨动控制发光二极管的亮灭。


史海拾趣
|
在<一个典型的数控电源分析,答warrenzb等网友>主题贴出后,得到很多朋友的指点,这里谨慎地以PDF文件格式交上一份答卷,请评阅.https://bbs.eeworld.com.cn/viewthread.php?tid=59179 用eeworld下载的PDF转换软件试验一下,真好用,谢谢 ...… 查看全部问答> |
|
9点了,Jason工作告一段落,和女朋友Claire在MSN上聊一下,关上计算机准备回家。这样的日子,一天过一天;同样的动作,不知已经重覆了多少回。 Jason,33岁,一名资深工程师,他有女朋友,没有结婚,与这名女朋友,15年前认识、14年前开始交往、3 ...… 查看全部问答> |
|
本人调内部时钟配置,程序如下 void RCC_HSIConfig(u32 RCC_HSI){ u32 tmpreg = 0; /* Check the parameters */ /* Reset HSEON and HSEBYP bits before configuring the HSE ------------------*/ /* Rese ...… 查看全部问答> |
|
wince6.0 OSDesigns目录下的两个子目录 RelDir和Wince600目录作用是什么,或者说里面装了些什么,关键是WinCe600目录里的内容… 查看全部问答> |
|
有个项目需要用dsp开发,主要是算法优化,但我本身有比较好的c和数据结构基础,但以前几乎没接触过dsp dsp上手到实际开发,是否要经历一个比较长的过程?… 查看全部问答> |
|
EDK调用ISE模块含有ISE软核(如fifo)时该怎么解决 我在用EDK的microblaze调用ISE中自己写的一个模块,此模块含有一个FIFO的软核。如果EDK调用不含有ISE软核的操作,我会做。在EDK工程里的pcore下添加ISE源文件,然后修改各个配置文件就行了。 现在要调用含有ISE软核 ...… 查看全部问答> |




