历史上的今天
今天是:2025年12月26日(星期五)
2022年12月26日 | 采用博通BCM20793结合S3C6410主控制器的NFC模块设计
2022-12-26 来源:elecfans
采用博通BCM20793芯片设计了NFC模块,进行硬件设计,并进行设备驱动分析。多方面对该模块进行验证,结果表明该模块稳定、可靠、识别率高,可集成到支付、票务、门禁、防伪等系统中。
引言
NFC(Near Field CommunicaTIon,近场通信)是由Philips和Sony联合推出的一种全新的近距离无线通信技术。NFC是由无线射频识别(RFID)及移动终端技术综合发展起来的,在单一芯片上结合感应式读卡器、感应式卡片和点对点的功能,能在短距离内与兼容设备进行识别和数据交换。NFC工作频率为 13.56 MHz,使用电磁感应耦合进行数据传输,具有双向连接和识别特点,兼容不同标准的识别技术,通信距离小于4 cm,支持多种通信速率。由于受限于传输速率以及通信距离,NFC不适合大数据的传输,而且通信双方必须有某种程度的相互信任。
NFC技术的出现改变了人们使用某些电子设备的方式,甚至改变了信用卡、现金和钥匙的使用方式,它可以应用在手机等便携型设备上,实现安全的移动支付和交易、简便的端到端通信、在移动中轻松接入等功能。随着智能手机的快速兴起,NFC与智能手机的结合将很大程度上促进NFC的发展,苹果公司推出的 iPhone6也具备NFC功能,相信在不久的将来NFC必定被广泛应用。
本文采用博通BCM20793 NFC芯片并结合S3C6410主控制器,设计了具有主动模式和被动模式的NFC阅读器,主要针对硬件和驱动进行了设计。
1 NFC技术原理
NFC有三种工作状态:Reader/Writer与NFC Tag/NFC Reader相关;Peer—to—Peer支持两个。NFC设备交互;Card EmulaTIon能把携带NFC功能的设备模拟成SmartCard。这三种工作状态又可归结为被动模式和主动模式,在Reader/Writer和Card EmulaTIon状态下处于被动模式,在Peer—to—Peer状态下处于主动模式。
在被动模式下,主设备负责启动通信,同时通过RF线圈产生电磁感应,为从设备提供电能。在这种模式下传输速率可以选择106 kbps、212 kbps或424 kbps,使用负载调制(load modulaTIon)方式,将数据发送给从设备,从设备可以不含电源组件,采用相同的速率以负载调制方式将数据返回给主设备,整个通信过程如图1所示。

此通信机制与基于ISO14443A、MIFARE和FeliCa的非接触式智能卡兼容,其主要区别在于RF层信号调制解调的方法、传输速率及编码方式。因此,NFC发起设备在被动模式下,可以用相同的连接和初始化过程检测非接触式智能卡或NFC目标设备,并与之建立联系。
主动模式下,设备之间进行通信时,发起设备和目标设备都必须产生自己的射频场来进行通信。此种模式下NFC采用双向识别和链接,通信各方不存在固定的主从关系,通信可以由任意一个NFC设备发起。这是对等网络通信的标准模式,可以获得非常快速的响应。其通信流程如图2所示。

此外,快捷轻型的NFC协议还可以引导两台设备之间的蓝牙配对过程。与其他无线通信技术相比,NFC是一种近距离私密通信方式,提供各种设备间轻松、安全、快速而自动的通信。对RFID来说,其具有距离近、带宽高、功耗低等特点;比红外更快、更稳定而且简单;与蓝牙相比,NFC通信距离近,适合交换重要数据。
2 硬件设计
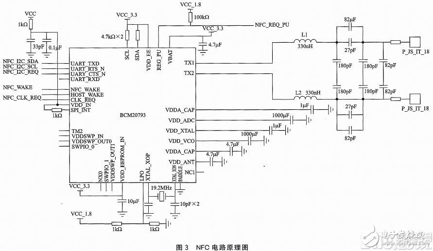
NFC模块主要由NFC(控制器,可与Device Host或Secure Element安全单元交互)、Antenna(天线)和Contactless Front-End(非接触前段,负责射频信号的调制解调工作)三部分组成。本设计采用BCM20793芯片,该芯片支持212或424 kbps的数据传输速率,是专为低功耗、低价格的设备设计的。该模块提供PCI、I2C总线、UART串行接口,安全单元可以连接SD卡、SIM卡、SAM卡或是其他芯片,兼容多种通信标准。该芯片还支持低功耗模式、正常工作模式、轮询模式等多种工作模式。
主控制器采用S3C6410芯片,该芯片高性能、低功耗、高性价比,可以运行Android系统。BCM20793与S3C6410采用I2C总线的连接方式。TX1和TX2引脚接RC匹配电路,RC匹配电路的P_JS_IT_18和天线相连接。NFC芯片由1.8 V电压供电,其与主控制器有6根引脚相连,分别是NFC_I2C_SD数据线、NFC_I2C_SCL时钟线、NFC_I2C_REQ中断、 NFC_REQ_PU使能、HOST_WAKE唤醒,NFC_CLK_REQ时钟使能,I2C物理通信地址是0x77,时钟信号由19.2 MHz外接晶振提供、NFC电路原理图如图3所示。

3 NFC驱动分析
3. 1 设备树分析
本设计内核采用了Linux 3.4版本,与以往内核版本不同的是,内核3.4版本采用设备树来对驱动设备进行统一管理,以方便设备的管理。NFC采用I2C总线的连接方式与CPU相连接,驱动只负责数据的发送接收,上层负责数据的解析工作。
下面是BCM2079x的设备树节点配置信息,包括:I2C总线的通信地址为0x77,中断为34号,GPIO34为中断引脚,GPIO65为使能引脚,GPIO20为唤醒引脚。其中最为关键的是compatible=“broadcom,bcm2079x_i2c”键值对,在加载驱动程序时,首先会匹配该字段,如果相等则调用probe函数进行相关的初始化工作。

以下为I2C总线配置信息,GPIO31作为I2C总线的时钟信号线,GPIO32作为I2C总线的数据信号线,I2C总线的时钟频率为19.2MHz。

驱动程序中的bcm2079x_matcn_table结构体负责和设备树进行匹配,在系统初始化阶段,就会匹配设备树里的.compatible属性是否在驱动中有相同的名字,本驱动中是broadcom,bcm2079x_i2c,若匹配成功就会调用驱动程序的probe函数进行初始化工作。


在驱动程序中,bcm2079x_parse_dt负责解析设备树的代码,以下为设备树解析关键代码,分别获取中断、使能、唤醒引脚。

3.2 驱动初始化分析
内核加载驱动模块的时候,系统会调用bcm2079x_dev_init()函数,该函数内部嵌套了i2c_add_driver(),用来完成 bcm2079x_driver结构体的注册,系统就会自动探测驱动设备,通过比较设备树中是否有 compatible=“broadcom,bcm2079x_i2c”键值对来判断设备是否存在。如果存在,则会注册I2C设备相关信息,创建i2c- client,执行probe函数,在probe函数里去解析设备树里面配置的引脚,初始化中断、分配内存空间以及初始化互斥锁、等待队列等,并向系统将驱动注册为misc驱动,然后向系统注册中断。流程图如图4所示。

3.3 驱动运行机制
当用户空间调用open打开/dev/bcm2079x设备节点时,通过ioctl机制调用驱动程序的ioctl,实现设备的使能与唤醒;然后调用Poll函数实现周期性的检测,以降低设备的功耗,当有设备或卡片接近NFC设备时,NFC就会产生中断,从而唤醒设备,用户空间就可以通过调用read函数实现I2C数据的读取。运行机制如图5所示。
4 测试结果
NFC设备平时处于休眠状态,设备也会发出探测脉冲,此时处于低功耗状态,当有卡片或NFC设备接近NFC设备时,就会产生中断唤醒设备,NFC设备就会连续地发出探测脉冲,此时NFC工作在正常工作模式。
图6是用频谱分析仪观测到的探测脉冲信号,载波频率为13.559 375 000 MHz,占用带宽OBW为2.259615 385 kHz,满足CE和FCC认证中针对NFC频段的射频测试要求的13 553~13 567 MHz的调制带宽限值。

当将Tag1小卡贴近NFC天线时,可以读出卡内的二进制信息,图7为卡内信息。

用设备分别测试Tag1、Tag2、Tag3、Tag4,其可识别距离最远为49 mm、45 mm、29 mm、21 mm,识别成功率在96%以上,测量结果如表1所列。

以上测试表明,NFC模块可以识别多种类型的卡片,可识别距离最大为49 mm,满足NFC设计要求。该模块稳定、可靠、识别率高,可集成到移动支付、票务、门禁、防伪等不同系统中。
史海拾趣
|
火灾自动报警系统是由触发装置、火灾报警装置、火灾警报装置以及具有其它辅助功能装置组成的,它具有能在火灾初期,将燃烧产生的烟雾、热量、火焰等物理量,通过火灾探测器变成电信号,传输到火灾报警控制器,并同时显示出火灾发生的部位、时间等, ...… 查看全部问答> |
|
我下面提出的一些问题是与磁盘相关的。 对于一个给定的硬盘而言,其中包含多个柱面(cylinder),同时每个柱面又由多个磁道(track)组成,磁道又由多个扇区(sector)组成。我的问题是,任意两个磁道所包含 ...… 查看全部问答> |
|
各位高手帮看看我这个程序那里有问题总是编译不成功, 这程序是一个按键(PORTB.4)按下时LED灯亮 #include <tiny13.h> #include <delay.h>#define LED PORTB.3#define K & ...… 查看全部问答> |
|
请问TMS320F206这款芯片烧写问题,有没哪个仪器可以支持的呢?现在的仪器都很少支持这个芯片,比较麻烦,在DOS下操作的话,技术又有限请问下各位大大,有知道的貌似告诉下,仿真器,编程器,烧录器,都可以 能烧尽这款IC就行 谢谢… 查看全部问答> |
|
菜鸟新学STM32,因为做IrDA项目需求,看到STM32F103内嵌IrDA-SIR的编码和解码单元,但是找不到IrDA-IN和IrDA-OUT的端口。是不是哪个复合功能的GPIO需要配置,还是就是USART的TX和RX引脚?是不是所有的USART都具有IrDA功能?请哪位大虾指教。如果哪 ...… 查看全部问答> |




