历史上的今天
今天是:2026年01月31日(星期六)
2023年01月31日 | 使用单片机实现复位电路的资料详细说明
2023-01-31 来源:elecfans
单片机现了“死机”、“程序跑飞”等现象,这主要是单片机复位电路设计不可靠引起的。图1是一个单片机与大功率LED八段显示器共享一个电源,并采用微分复位电路的实例。在这种情况下,系统有时会出现一些不可预料的现象,如无规律可循的“死机”、“程序走飞”等。而用仿真器调试时却无此现象发生或极少发生此现象。又如图2所示,在此图中单片机复位采用另外一种复位电路。在此电路的应用中,用户有时会发现在关闭电源后的短时间内再次开启电源,单片机可能会工作不正常。这些现象,都可认为是由于单片机复位电路的设计不当

影响单片机系统运行稳定性的因素可大体分为外因和内因两部分:
1、外因
射频干扰,它是以空间电磁场的形式传递 在机器内部的导体(引线或零件引脚)感生出相应的干扰,可通过电磁屏蔽和合理的布线/器件布局衰减该类干扰;
电源线或电源内部产生的干扰,它是通过电源线或电源内的部件耦合或直接传导,可通过电源滤波、隔离等措施来衰减该类干扰 。
2、内因
振荡源的稳定性,主要由起振时间 频率稳定度和占空比稳定度决定 起振时间可由电路参数整定 稳定度受振荡器类型 温度和电压等参数影响单片机复位电路的可靠性。
二、复位电路的可靠性设计
1、基本复位电路
单片机复位电路的基本功能是:系统上电时提供复位信号,直至系统电源稳定后,撤销复位信号。为可靠起见,电源稳定后还要经一定的延时才撤销复位信号,以防电源开关或电源插头分-合过程中引起的抖动而影响复位。图1所示的RC复位电路可以实现上述基本功能,图3为其输入-输出特性。但解决不了电源毛刺(A 点)和电源缓慢下降(电池电压不足)等问题 而且调整 RC 常数改变延时会令驱动能力变差。左边的电路为高电平复位有效 右边为低电平 Sm为手动复位开关 Ch可避免高频谐波对电路的干扰

图1 RC复位电路
图2所示的复位电路增加了二极管,在电源电压瞬间下降时使电容迅速放电,一定宽度的电源毛刺也可令系统可靠复位。 图3所示复位电路输入输出特性图的下半部分是其特性,可与上半部比较增加放电回路的效果 单片机编程器 HPOO

图2 增加放电回路的RC复位电路
使用比较电路,不但可以解决电源毛刺造成系统不稳定,而且电源缓慢下降也能可靠复位。图4 是一个实例 当 VCC x (R1/(R1+R2) ) = 0.7V时,Q1截止使系统复位。Q1的放大作用也能改善电路的负载特性,但跳变门槛电压 Vt 受 VCC 影响是该电路的突出缺点,使用稳压二极管可使 Vt 基本不受VCC影响。见图5,当VCC低于Vt(Vz+0.7V)时电路令系统复位。

图3 RC复位电路输入-输出特性

图4 带电压监控功能的单片机复位电路

图5 稳定门槛电压

图6 实用的复位监控电路
在此基础上,增加延时电容和放电二极管构成性能优良的复位电路,如图6所示。调节C1可调整延时时间,调节R1可调整负载特性,如图7所示上半部分是图5电路的特性,下半部分对应图6。

图7 带电压监控功能的复位电路的输入-输出特性
2、电源监控电路
上述的带电压监控的复位电路又叫电源监控电路 监控电路必须具备如下功能:
上电复位,保障上电时能正确地启动系统;
掉电复位,当电源失效或电压降到某一电压值以下时,复位系统;
市面上有类似的集成产品,如PHILIPS半导体公司生产的MAX809、MAX810。此类产品体积小、功耗低,而且可选门槛电压。可保障系统在不同的异常条件下可靠地复位,防止系统失控。图8中的Rm和Sm实现手动复位 无需该功能时可把Reset端(或/Reset)端 直接与单片机的RST端(或/RST端)相连 最大限度地简化外围电路 也可选择PHILIPS半导体公司带手动单片机复位功能的产品MAX708。

图8 集成单片机复位监控电路
此外,MAX708还可以监视第二个电源信号,为处理器提供电压跌落的预警功能,利用此功能,系统可在电源跌落时到复位前执行某些安全操作,保存参数,发送警报信号或切换后备电池等。图9电表的应用实例 利用MAX708 电表可在电源毛刺或停电前把当前电度数保存到E2PROM中 再配合保存多个电度数备份算法,可有效解决令工程师头疼E2PROM中的电度数掉失问题使用该电路必须选择适当的预警电压点,以保证靠电源的储能供电情况下,VCC电压从预警电压跌到复位电压的维持时间(tB)必须足够长 E2PROM的写周期约为10-20ms 一般取tB》200ms就可确保数据稳定写入。预警电压调整方法 当VDC等于预警电压时调整R1和R2使PFI的电压为1.25V 此时可检测/PFO来确认内部的电压比较器是否动作,调整时必须注意此比较器是窗口比较器。 图10是该应用的程序流程图

图9 MAX708的典型应用 电子元件邮购

图10. 电表应用中E2PROM数据保护程序流程图
3. 多功能电源监控电路
除上电复位和掉电复位外,很多监控电路集成了系统所需的功能,如:
电源测控,供电电压出现异常时提供预警指示或中断请求信号,方便系统实现异常处理;
数据保护,当电源或系统工作异常时,对数据进行必要的保护,如写保护、数据备份或切换后备电池;
看门狗定时器,当系统程序“跑飞”或“死锁”时,复位系统;
其它的功能,如温度测控、短路测试等等用这些芯片来制作单片机复位电路会得到事半功倍的效果。
我们把其称作多功能电源监控电路。下面介绍两款特别适合在工控、安防、金融行业中广泛应用多功能的监控电路 :
Catalyst 公司的 CAT1161 是一个集成了开门狗、电压监控和复位电路的 16K 位 E2PROM(I2C 接口)不但集成度高、功耗低(E2PROM部分静态时真正实现零功耗)而且清看门狗是通过改变SDA的电平实现的,节省系统I/O 资源,其门槛电压可通过编程器修改,该修改范围覆盖绝大多数应用。当电源下降到门槛电压以下时 硬件禁止访问 E2PROM 确保数据安全。
使用时注意的是 RST,/RST 引脚是 I/O 脚,CAT1161 检测到两引脚中任何一个电压异常都会产生复位信号,与 RST /RST 引脚相连的下拉电阻 R2 和上拉电阻 R1 必须同时连接,否则CAT1161将不断产生复位!同样不需要手动复位功能时可节省Rm和Sm两个元件。

图11. 内置WDT RESET /RESET E PROM监控器件接口电路
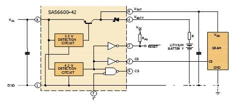
PHILIPS 公司的 SA56600-42 被设计用在电源电压降低或断电时作保护微电脑系统中SRAM 的数据。当电源电压下降到通常值 4.2V 时,输出 CS 变为逻辑低电平,把 CE 也拉低,从而禁止对 SRAM 的操作。同时,产生一个低电平有效的复位信号,供系统使用,如果电源电压继续下降,到达通常值 3.3V或更低时,SA56600-42切换系统操作,从主电源供电切换到后备锂电池供电,当主电源恢复正常(电压上升至3.3V或更高时)将SRAM的供电电源将由后备锂电池切换回主电源,当主电源上升至大于典型值4.2V 时 输出 CS 变为逻辑高电平,使 CE 变为高电平,使能 SRAM 的操作,复位信号一直持续到系统恢复正常操作为止。在系统电源电压不足或突然断电的时候,这个器件能可靠地保护系统在SRAM内的数据。

图12. 内置SRAM数据保护电路的监控器件SA56600-42的典型应用 单片机编程器 HPOO
4. ARM 单片机复位电路设计
无论在移动电话 高端手持仪器还是嵌入式系统,32 位单片机 ARM 占据越来越多的份额,ARM 已成为事实的高端产品工业标准。由于 ARM 高速、低功耗、低工作电压导致其噪声容限低 这是对数字电路极限的挑战,对电源的纹波、瞬态响应性能、时钟源的稳定度、电源监控可靠性等诸多方面也提出了更高的要求。ARM监控技术是复杂并且非常重要的。
分立元件实现的监控电路,受温度、湿度、压力等外界的影响大而且对不同元件影响不一致 较大板面积,过多过长的引脚容易引入射频干扰,功耗大也是很多应用难以接受,而集成电路能很好的解决此类问题。目前也有不少微处理器中集成监控电路,处于制造成本和工艺技术原因,此类监控电路大多数是用低电压CMOS工艺实现的,比起用高电压、高线性度的双极工艺制造的专用监控电路 性能还有一段差距。
结论是:使用 ARM而不用专用监控电路,可能导致得不偿失,经验也告诉我们使用专用监控电路可以避免很多离奇古怪的问题。ARM的应用工程师,切记少走弯路!

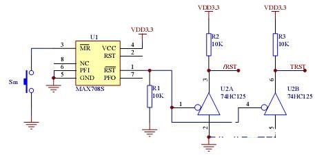
图13. 用PHILIPS MAX708实现的ARM复位电路 单片机学习 HPOO
图13 是实用可靠的 ARM 复位电路。ARM 内核的工作电压较低。R1 可保证电压低于 MAX708 的工作电源还能可靠复位。其中 TRST 信号是给 JTAG 接口用的。使用 HC125 可实现多种复位源对 ARM 复位,如通过PC机串口或JTAG接口复位ARM
////////////////////////////////////////////////////////////////////////////////////////////////////////////////////////////
本站还介绍如下单片机复位电路
4 看门狗型复位电路
看门狗型复位电路主要利用CPU正常工作时,定时复位计数器,使得计数器的值不超过某一值;当CPU不能正常工作时,由于计数器不能被复位,因此其计数会超过某一值,从而产生复位脉冲,使得CPU恢复正常工作状态。典型应用的Watchdog复位电路如图11所示。此复位电路的可靠性主要取决于软件设计,即将定时向复位电路发出脉冲的程序放在何处。一般设计,将此段程序放在定时器中断服务子程序中。然而,有时这种设计仍然会引起程序走飞或工作不正常[3]。原因主要是:当程序“走飞”发生时定时器初始化以及开中断之后的话,这种“走飞”情况就有可能不能由Watchdog复位电路校正回来。因为定时器中断一真在产生,即使程序不正常,Watchdog也能被正常复位。为此提出定时器加预设的设计方法。即在初始化时压入堆栈一个地址,在此地址内执行的是一条关中断和一条死循环语句。在所有不被程序代码占用的地址尽可能地用子程序返回指令RET代替。这样,当程序走飞后,其进入陷阱的可能性将大大增加。而一旦进入陷阱,定时器停止工作并且关闭中断,从而使Watchdog复位电路会产生一个复位脉冲将CPU复位。当然这种技术用于实时性较强的控制或处理软件中有一定的困难。
贴子相关图片:

1 比较器型复位电路
比较器型单片机复位电路的基本原理如图8所示。上电复位时,由于组成了一个RC低通网络,所以比较器的正相输入端的电压比负相端输入电压延迟一定时间。而比较器的负相端网络的时间常数远远小于正相端RC网络的时间常数,因此在正端电压还没有超过负端电压时,比较器输出低电平,经反相器后产生高电平。复位脉冲的宽度主要取决于正常电压上升的速度。由于负端电压放电回路时间常数较大,因此对电源电压的波动不敏感。但是容易产生以下二种不利现象:(1)电源二次开关间隔太短时,复位不可靠;(2)当电源电压中有浪涌现象时,可能在浪涌消失后不能产生复位脉冲。为此,将改进比较器重定电路,如图9所示。这个改进电路可以消除第一种现象,并减少第二种现象的产生。为了彻底消除这二种现象,可以利用数字逻辑的方法与比较器配合,设计如图10所示的比较器重定电路。此电路稍加改进即可作为上电复位与看门狗复位电路共同复位的电路,大大提高了复位的可靠性。
贴子相关图片:

本文所提到的各种复位电路中,微分复位电路简单,但易引入干扰没有监控CPU运行的能力;积分复位电路简单可靠,但由于对电源电压波动不敏感,从而有可能出现CPU由于电源电压的瞬间过低而造成工作不正常的情况;比较器复位电路电路较复杂,工作可靠;Watchdog复位电路电路较复杂,工作可靠并且具有监控CPU运行的能力。在使用中应根据电路板的空间、电源电压特性、系统运行现场等情况,综合考虑而定。般有以下几条可供参考:
(1)在使用微分型复位电路并且使用稳压电源时,应考虑在电容输入端加入适当的电感以减少负载突变而引起的干扰复位脉冲的产生。在电路板空间有限的情况下可以选用此复位电路。
(2)在使用积分型复位电路时,一方面应着重考虑上电复位时电源电压的上升率,特别在电源电压上升率较小时,应考虑用较为复杂的比较型复位电路。另一方面应考虑电路是否有降压举措以降低功耗,若有则应考虑二极管的正向压降对复位电路的影响。
(3)在设计比较器型复位电路时,应着重考虑电源电压的波动性。当系统工作在恶劣环境下时,外界干扰的窜入可能引起毛刺电压,从而导致不正常的复位。为此有必要根据手刺电压的峰峰值以及脉宽采取以下措施:(a)当毛剌电压峰峰值没有达到电源电压的正常值与系统正常工作所需最低电压值之差时,可适当降低比较器的复位电压下限;(b)当毛刺电压峰峰值超过电源电压的正常值与系统正常工作所需电压之差时,一方面应采取措施降低毛刺电压,另一方面应采用较为复杂的比较器型上电复位电路(如图10所示)。
(4)在选用或自己设计Watchdog型复位电路时,应注意输入Watchdog的“喂狗”信号应该是沿信号,而不是电平信号,同时应考虑撤销复位电压的电源电压值应大于系统最小正常电压值。
上一篇:单片机欠压复位问题的解决
史海拾趣
|
本帖最后由 paulhyde 于 2014-9-15 09:03 编辑 文件为pdg格式,用超星阅读器就可以打开了 四个文件要全部下载到同一个文件夹下才能全部解压出来 … 查看全部问答> |
|
司新买了个普源的DS1052E,但商家送过来的时候已经拆封了 看起来是新的,商家也坚持是新的 怎么样才能知道是新的呢,听说有一个地方可以看开机次数!… 查看全部问答> |
|
首届“时代民芯”杯电子设计大赛评审专家对参赛作品进行了评审,评审采取设计报告评审和现场答辩及实物演示相结合的方式进行,最终评审出11项大奖。从即日起进入异议期。 评委名单: 中国半导体行业协会 秘书长 陈 贤 《单片机与嵌入式系统应用 ...… 查看全部问答> |
|
S3C2440的开发板,原带32M BYTE * 2 的内存。想扩大到64M BYTE * 2,请问哪家公司提供64M的SDRAM, 什么型号?SAMSUNG的SDRAM不想再用了… 查看全部问答> |
|
#include 我的project 里24C16.C、24C16.h、CS5532.C、cs5532.h、main.c五个文件,使用的是syncmos 的sm8958a 。其中在24C16.H里有#include ,在cs5532.h里也有#include ,现在我在main.c里有#include \"24c16.h\" 和 #include \"cs5532.h\",当我build main ...… 查看全部问答> |
|
前几天我在调试EKK-8962时,IDE为CCS4.2.4,在debug时出现如下的错误:CORTEX_M3_0: Error connecting to the target: The target board you are attempting to connect to does not appear to be a Stellaris IDK and is not supported with thi ...… 查看全部问答> |




