Tiny210 U-BOOT(二)----配置时钟频率基本原理
2025-02-05 来源:cnblogs
U-BOOT在启动的过程中,需要配置系统时钟。 配置系统时钟,大概是以下几个步骤:
(1)设置系统PLL锁定时间
(2)配置PLL
(3)配置各模块分频系数
(4)切换到PLL时钟
1.基本原理
首先输出一个高电平,然后,通过三个晶振,输出一个频率,然后,通过倍频器(锁相环),将频率升高,然后,再通过分频,把分出来的不同的频率,提供给不同的器件,比如ARM Cotrex内核、各种设备控制器等等。
Tiny210(S5PV210)上蓝色的框标注的就是晶振的位置,最上面的是27MHz,中间和下面两颗是24MHz,顺便讲一下另外几片东西,最左边的四片是内存DDR2-800,这表示数据传输频率为800MHz,外部时钟频率200MHz,内部时钟频率为100MHz;下面的黄色框是NAND FLASH,外部时钟频率133MHz。

倍频的原理:
下图就是上电后的XXTI输出的频率变化图(XXTI引脚见P361的系统时钟流程图最左边的XXTI引脚,XXTI的详细介绍见P354的Figure 3-2 S5PV210 Top-Level Clocks),频率从小变到指定频率需要一段时间(图中标红框的部分),当CPU频率在变化的时候,比如由复位后的初始的400HZ,我要升到1000HZ, 这时,首先把CPU的频率锁定,因这此时CPU的频率是变化的,频率变化,CPU的状态就无法确定,所以,此时用PLL--phase-locked loop锁相环,将CPU频率锁定一段时间,直到我的频率输出稳定为止。芯片手册上显示APLL默认的设置时间为30us(30毫秒)。

锁定频率后,此时,应该设置一个倍频因子,在ARM手册中去查表10.2,P,M,S, 设置对应的位的值,然后,将频率提升,比如从晶振输出的24HZ,抬升到1000Hz(S5PV210的CPU旁边有三个晶振,两个24Hz, 一个27Hz)。

分频的原理:
设置不同的位,比如,设置某一位为0,那么,分频时,原来频率比如为1000HZ,那么频率就被分为1000/1=1000Hz, 这样就可以分给ARMCLK使用。
2.开始分析

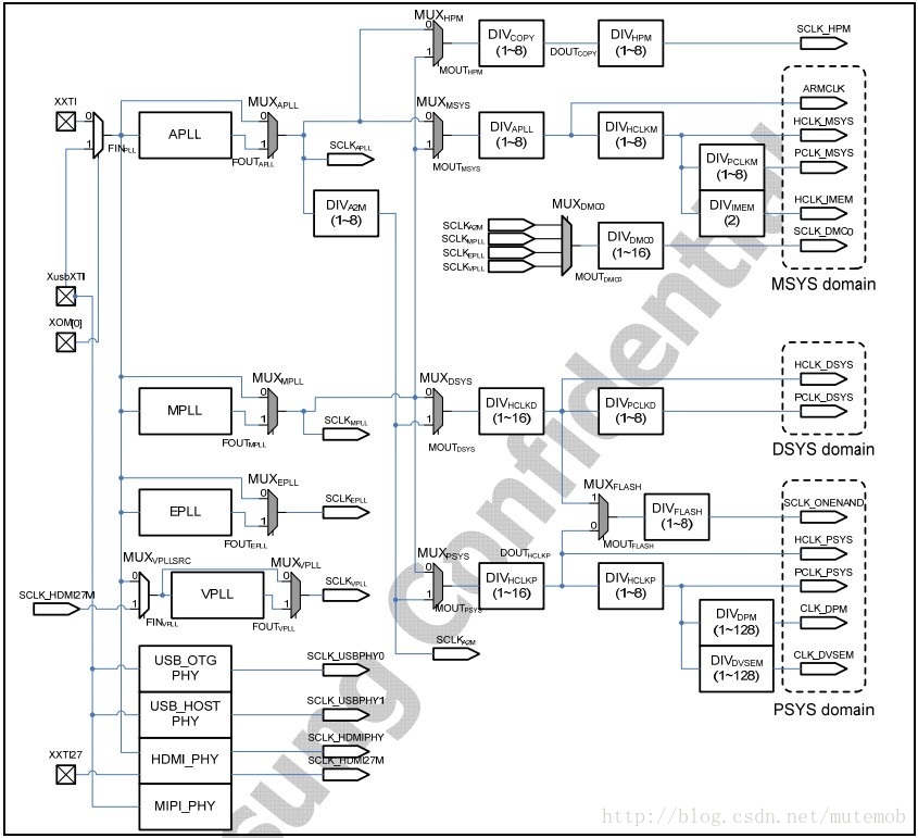
S5PV210的Clock分为三个domain,意思是三个区域-- MSYS,DSYS,PSYS,这三个区域分别都是AMBA总线,AMBA总线分为AHB和APB两种总线(这是不严格的分法,仅仅是便于理解),每种总线都有不同的时钟频率,AHB--HCLK/APB--PCLK
那么MSYS,DSYS,PSYS 最少有6个时钟(实际上不止6个),分别为HCLK_MSYS/PCLK_MSYS、HCLK_DSYS/PCLK_DSYS、HCLK_PSYS/PCLK_PSYS,再外加一个CPU要用的时钟ARMCLK,总共7个时钟频率。MSYS,DSYS,PSYS分别管理不同的设备,为不同的设备提供不同的频率。

再往下翻,这些不同设备的频率是如何产生的呢?由图可知最后,总共有13个CLK提供出来。

由上图可知,通过XOM[0]产生频率,然后在APLL升频,然后在分频1时,有一个两级分频,然后,在分频2又有一个8级分频,最后,就可以输出一个频率,提供给S5PV210的ARM芯片使用,P356页查到常用的CLK值,这里我们的S5PV210的ARMCLK为1000MHz。
那么,在硬件上是如何实现的呢?
观察:
开发板上晶振有三颗,两个24Hz,一个27Hz。( 晶振,全名晶体振荡器,成份石英(二氧化硅),晶振用于通过 压电效应给CPU提出振荡频率,再通过别的电路,将例如正弦曲线波转换成方波,相当于CPU的起搏器,有了晶振,CPU才有频率输出)。
CPU输出比如24Hz频率后,此时,就需要把频率放大了(否则CPU才24Hz的频率能干吗呢?),在频率放大的过程中,首先需要考虑的一个问题就是---- phase-locked loop锁相环。简单的说,比如复位后,CPU默认工作频率在400Hz,现在需要升到1000Hz工作,那么从400-->1000Hz需要一个过程,假设为时间t1,在t1这段时间内,CPU的频率是变化的,那么CPU的状态就是不稳定的,此时,就需要把频率锁定,设置锁定时间,直到CPU稳定的输出频率。
CPU第一次启动时,PLL有一个默认的初始值,芯片手册找到P522页,找到默认的初始频率:
• APLL: M=200, P=6, S=1 FOUT = (MDIV X FIN )/ (PDIV X 2(SDIV-1))) = 800MHz
• MPLL: M=667, P=12, S=1 FOUT = (MDIV X FIN) / (PDIV X 2SDIV) = 667MHz
• EPLL: M=80, P=3, S=3, K=0 FOUT = ((MDIV+KDIV) X FIN) / (PDIV X 2SDIV) = 80MHz

由上图查出可知,ARMCLK的默认频率为400MHz
1) 查看芯片手册的P356页,查出总共有以下几种由CMU输出的时钟
有四种PLLs(APLL,MPLL,EPLL,HPLL),还包括USB_OTG PHY clock。
To generate internal clocks, the following components are used.
• APLL uses FINPLL (refer to Figure 3-1) as input to generate 30MHz ~ 1GHz.
• MPLL uses FINPLL as input to generate 50MHz ~ 2GHz.
• EPLL uses FINPLL as input to generate 10MHz ~ 600MHz.
• VPLL uses FINPLL or SCLK_HDMI27M as input to generate 10MHz ~ 600MHz. This PLL generates 54MHz video clock.
• USB OTG PHY uses XUSBXTI to generate 30MHz and 48MHz
• HDMI PHY uses XUSBXTI or XHDMIXTI to generate 54MHz
常用的APLL/MPLL/EPLL/VPLL是干什么的呢?P448页
• APLL: used to generate ARM clock
• MPLL: used to generate system bus clock and several special clocks
• EPLL: used to generate several special clocks
• VPLL: used to generate Video clocks. Usually, generates 54 MHz.
2)先查看APLL PMS的倍频表
P357 S5PV210_UM_REV1.1.pdf -- Table 3-1. APLL PMS Value

查看芯片手册,设置P/M/S的bit,可以将频率拉升到我们想要的频率。
那么我们要设置升高频,翻看手册,P371页,找到PLL CONTROL REGISTERS。
• (APLL_LOCK, R/W, Address = 0xE010_0000)
• (MPLL_LOCK, R/W, Address = 0xE010_0008)
• (EPLL_LOCK, R/W, Address = 0xE010_0010)
• (VPLL_LOCK, R/W, Address = 0xE010_0020)

由芯片手册上显示APLL的lock time是30us,如果是晶振输出的频率是24MHZ,lock time是30毫秒,那么PLL_LOCKTIME是720,也就是 0x2D0。OK,下一篇开始结合u-boot的源码来分析如何配置系统时钟。
- Tiny210---时钟系统
- Tiny210用户手册笔记
- tiny210 u-boot 网络ping不通主机解决方案
- tiny210移植linux内核(3.0.8)杂项
- tiny210V2 Uboot kernel filesystem 烧写和启动
- 修改 Linux 内核 DM9000 支持 tiny210 开发板
- tiny210裸机第1课(启动原理)
- tiny210(s5pv210)移植u-boot(基于 2014.4 版本号)——移植u-boot.bin(打印串口控制台)
- tiny210(s5pv210)移植u-boot(基于 2014.4 版本号)——NAND 8位硬件ECC
- 【IMX6ULL学习笔记】三、U-BOOT Makefile详解
- 六大全新产品系列推出,MCX A微控制器家族迎来创新
- 意法半导体全新STM32C5系列,重新定义入门级微控制器性能与价值,赋能万千智能设备
- 模组复用与整机重测在SRRC、CCC、CTA/NAL认证中的实践操作指南
- 有源晶振与无源晶振的六大区别详解
- 英飞凌持续巩固全球微控制器市场领导地位
- 使用 Keil Studio for Visual Studio Code开发 STM32 设备
- 从控制到系统:TI利用边缘AI重塑嵌入式MCU的边界
- 蓝牙信道探测技术原理与开发套件实践
- Microchip 推出生产就绪型全栈边缘 AI 解决方案,赋能MCU和MPU实现 智能实时决策
- LoRa、LoRaWAN、NB-IoT与4G DTU技术对比及工业无线方案选型分析




