线性LED驱动芯片在汽车车身照明系统的应用
2025-04-02 来源:21ic
如今,线性LED驱动芯片越来越多地应用于汽车车身照明系统,且尤其适合应用在尾灯模块。多年来TI一直致力于为汽车行业用户提供最具竞争力的LED驱动解决方案,构建创新、可靠、经济高效的汽车照明系统。
LED在具体的使用时,要注意驱动电路的选用。LED 驱动电路除了要满足安全要求外,另外的基本功能应有两个方面:根据能量来源的不同,LED驱动电路总体上可分为两类,一是AC/ DC转换,能量来自交流电,二是DC/ DC转换,能量来自干电池、可充电电池、蓄电池等。根据LED驱动原理的不同,又可以分为线性驱动电路和开关驱动电路。led驱动电路是一种用于可控硅调光器的电路,分为两类AC/ DC转换和DC/ DC转换两类,又根据驱动原理的不同,可以分为线性驱动电路和开关驱动电路。
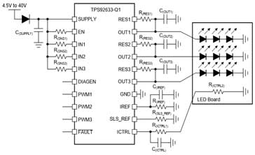
在您设计车身照明系统时,是否也曾被散热和离板设计等问题困扰?TI最新推出的C位产品TPS92633-Q1将为您带来变革式的解决方案。如下图所示,TPS92633-Q1一方面采用外部分流电阻来分担热量,另一方面支持off board binning resistor,这使得离板设计变得更加容易,极大地解放了生产线端的压力。此外,该新产品还支持4.5V-40V的电压输入范围和三个通道输出,每个通道的输出电流高达150mA。

TPS92633-Q1 原理图
更好的散热性能: 外部分流电阻
在尾灯模块的设计中,线性驱动芯片在散热上的短板使其通常无法支持很高的功率。为了防止出现“芯片过热”或“系统过热”,设计者通常只能依靠成本较高的大面积散热设计来实现所需的输出功率。
TPS92633-Q1的亮点之一就是搭载了可以分担热量的外部分流电阻,在改善散热性能的同时减少了系统BOM成本。

分流电阻工作原理
当输入电压较低且接近LED所需的正向压降时,默认的电流源通道(绿色线路)输出电流。 当输入电压高于LED所需的正向压降时,另外一路电阻通路(红色线路)也同时打开,分担电流和功耗。

输入电压 VS. 输出电流
不同输入电压下的输出电流与功耗对比如下图所示。Itotal是流向LED的总电流,等于流经OUT引脚和Rres引脚的电流之和。 下图中黑线为系统总功耗,等于芯片和电阻的功耗之和。我们可以看到,借助Rres的分流,芯片本身的功耗明显降低,从而有效控制了热量的产生。

输入电压 VS. 功耗
TPS92633-Q1的热测试结果如下图所示。通常,乘用车电池的电压范围为9V至16V,汽车尾灯的环境温度最高为85°C。 我们在这些条件下进行了模拟测试,当Vin为16V时,TPS92633-Q1借助分流电阻来分担系统的热量,可以支持最高450mA的电流,而没有分流电阻的对照芯片在相同的环境温度下则会直接触发热关断保护。

热测试对比结果
更便捷、低成本的方案: Off-board Binning Resistor.
在进行离板设计时,由于LED生产工艺的限制,必须将LED板与芯片板匹配来统一LED的亮度,这往往是比较繁琐但又无法省略的一个步骤。哪怕是在同一批次的LED产品中,也会存在不同的bins。用户在购买了整批LED后,仍需要通过binning resistor来设置不同bins LED的电流来统一亮度。
现有的解决方案如下图所示,考虑到芯片抗扰性,binning resistor必须与驱动芯片放在同一块板上,那么也就必须为不同的驱动芯片板设计不同的binning resistor。 为了将LED板与驱动芯片板匹配,我们需要使用条码或二维码进行识别,这大大增加了设计复杂度与制造成本开销。

现有方案:Binning resistors与驱动芯片在同一块板上
TPS92633-Q1的另一亮点就是其ICTRL引脚支持off-board binning resistor,这一设计完美地解决了上述难题。如下图所示,我们在制造过程中可以直接将binning resistor放置在LED板上,这样只需要设计一种驱动芯片板即可匹配所有bins的LED板,大大降低了制造成本。

TPS92633-Q1方案:off-board binning resistor
除了支持off-board binning resistor之外,TPS92633-Q1还支持通过在ICTRL引脚连接NTC来实现thermal derating。当温度升高时NTC阻值会减小,RICTRL上的电压会降低,从而降低输出电流以进行过热保护,下图为测试结果。

温度 VS. 输出电流
LED驱动器(LED Driver),是指驱动LED发光或LED模块组件正常工作的电源调整电子器件。由于LED PN结的导通特性决定,它能适应的电源电压和电流变动范围十分狭窄,稍许偏离就可能无法点亮LED或者发光效率严重降低,或者缩短使用寿命甚至烧毁芯片。现行的工频电源和常见的电池电源均不适合直接供给LED,LED驱动器就是这种可以驱使LED在最佳电压或电流状态下工作的电子组件。
开关型驱动可以获得良好的电流控制精度和较高的总体效率,应用方式主要分为降压式和升压式两大类。降压式开关驱动是针对电源电压高于LED的端电压或者是多个LED采用并联驱动情况下的应用。升压式开关驱动是针对电源电压低于LED的端电压或者是多个LED采用串联驱动情况下的应用。
一般认为,隔离型驱动安全但效率较低,非隔离型驱动效率较高,应按实际使用的要求来选。 目前设计一般的基本LED驱动器照明应用相对较简单,但是如果还需要其它功能如相位控制调光和功率因子校正(PFC),设计就变得复杂。无功率因子校正功能的非调光LED驱动器通常包含一个离线式开关电源,用于恒定电流下调节输出。
LED驱动器的后端架构包含一个具有短路保护功能的电流调节电路。可以利用线性调节电路达到这一目的,然而这种方法本身效率低下,因此适用低输出电流,通常不会应用到多级架构中去。替代方法是使用简单的、具有电流回馈功能的降压稳压器电路,以便限制了输出电流超过期望的LED驱动电流。其抵消了总LED正向电压随温度和器件容差的变化,还限制了出现短路或其它故障条件时的电流,从而能够保护驱动器免遭损坏 。
LED驱动芯片,实际上是个PWM控制芯片,在组成电路正常工作后,通过检测电阻上LED的电流而得到的电压反馈到芯片,控制内部的PWM占空比,以适应LED自身特性变化而引起的电流、电压波动,使LED得到的电流保持恒定。
LED驱动电源是把电源供应转换为特定的电压电流以驱动LED发光的电压转换器,通常情况下:LED驱动电源的输入包括高压工频交流(即市电)、低压直流、高压直流、低压高频交流(如电子变压器的输出)等。而LED驱动电源的输出则大多数为可随LED正向压降值变化而改变电压的恒定电流源。
下一篇:SiC在电动汽车应用中的趋势
- 意法半导体发布75V STSPIN电机驱动芯片,方便用户扩展工业电机驱动器设计
- 南芯科技发布高性能全桥驱动芯片,驾驭汽车智能驱动未来
- 泰矽微TClux系列:专用驱动芯片如何引领汽车动态氛围灯高性价比未来
- 纳芯微推出基于QM隔离驱动NSI67xx-Q1、满足ASIL C功能安全等级的电驱系统方案
- 南芯科技发布“感知-运算-执行”全集成OIS防抖驱动芯片
- 艾迈斯欧司朗推出以人眼安全为核心设计准则的LED驱动芯片方案
- 纳芯微嵌入式电机驱动芯片NSUC1602在电子水泵油泵的应用
- 无刷直流电机驱动芯片的简单介绍
- 微源半导体推出H桥驱动芯片LPD8880
- [单片机框架][drivers层][extend_16ch] 16位恒流驱动芯片 MBI5020 JXI5020GP
- 嵌入式的风向变了:2026纽伦堡嵌入式展透露这些趋势
- 高通确认不在GDC 2026发布新款骁龙G系列掌机处理器SoC
- 行业评论 从工具到平台:如何化解跨架构时代的工程开发和管理难题
- 面向嵌入式部署的神经网络优化:模型压缩深度解析
- 摩尔线程MTT S5000全面适配Qwen3.5三款新模型
- Mujoco中添加Apriltag标签并实现相机识别教程
- 英飞凌与宝马集团携手合作,基于Neue Klasse架构塑造软件定义汽车的未来
- 物理AI仿真新突破:摩尔线程与五一视界共建全栈国产化生态
- 阿里达摩院发布玄铁C950,打破全球RISC-V CPU性能纪录
- 爆火的OpenClaw! 告别云端,米尔RK3576开发板本地部署
- 边缘计算主机盒选购指南:五大核心指标解析
- Arm AGI CPU 更多细节:台积电 3nm 制程、Neoverse V3 微架构
- Arm AGI CPU 重磅发布:构筑代理式 AI 云时代的芯片基石
- Arm 拓展其计算平台矩阵,首次跨足芯片产品
- 阿里达摩院发布RISC-V CPU玄铁C950,首次原生支持千亿参数大模型
- 边缘 AI 加速的 Arm® Cortex® ‑M0+ MCU 如何为电子产品注入更强智能
- 阿里达摩院发布玄铁C950,打破全球RISC-V CPU性能纪录
- VPU中的“六边形战士”:安谋科技Arm China发布“玲珑”V560/V760 VPU IP
- 利用锚定可信平台模块(TPM)的FPGA构建人形机器人安全




