Simulink代码生成(以生成STM32代码为例)
2025-11-03 来源:bilibili
整体思路
利用simulink设计四则运算仿真模型,借助simulink的代码生成工具生成c语言代码。同时介绍STM32扩展工具的安装,使用。
所需工具
1、 MATLAB 2018b
2、 STM32硬件支持工具
下载连接:https://www.stmcu.org.cn/document/detail/index/id-216053
3、 STM32CUBEMX(用于配置STM32资源)
下载连接:https://www.stmcu.org.cn/document/detail/index/id-214984
2和3仅仅是在生成c语言中作为一个必须辅助的工具,具体详细的用法后续介绍。
操作流程
软件安装
三个软件的安装都没有特殊要求,根据提示即可安装完成。
相关配置
1、 配置simulink
打开MATLAB,点击设置路径

点击添加并包含子文件夹

找到STM32硬件支持包的安装路径

此时所有该文件夹下的子文件夹都已经添加:

点击保存即可。
之后需要重启一下MATLAB才能正常运行。
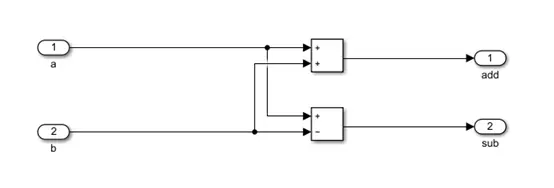
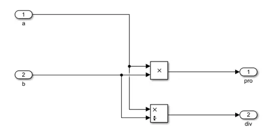
2、 建立Simulink模型



一个简单的例子,完成四则运算。
3、 参数配置
点击设置

Code Gengeration

在STM32 Option勾选并添加工具路径(STM32CuBeMX路径)

最后点击Apply即可。
4、 最后一步,生成代码

随后可以按照提示进行细化设置。

可以选择对全模型或对某一子系统进行代码生成。基础操作选择全模型为例。

可选择生成语言,如C/C++。基础操作选择C语言为例

可选择代码运行平台。基础操作选择Inter,Windows64为平台为例。


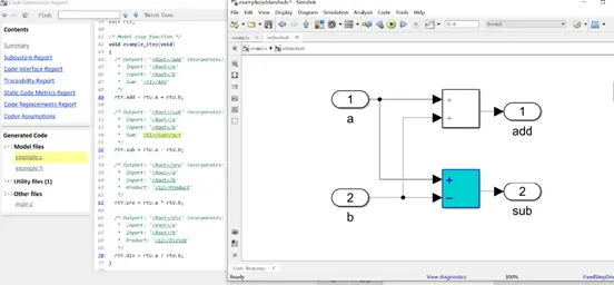
在代码生成完成后,可查看相关报告。


可在报告内快速浏览代码相关信息,查看完整代码。通过点击超链接注释可以查看对应模块或变量。


下一篇文章介绍关于变量名称的优化操作。
- 使用Simulink学习STM32-(3)温度传感器ADC实验
- SIMULINK示波器波形导出到visio无法取消组合问题解决方案
- Matlab/Simulink示波器使用规范
- 用Simulink对示波器.CSV文件分析THD
- 使用Simulink学习STM32-(4)状态机(Stateflow)实现按键控制LED
- 使用Simulink学习STM32-(2)按键输入实验
- Simulink模型开发STM32软件工具详解
- MathWorks 升级 MATLAB 桌面体验,提升工作效率
- STM32F429IDISCOVERY simulink 仿真
- 新的 MathWorks 支持从 MATLAB 和 Simulink 模型到高通 Hexagon 神经处理单元架构的自动化代码生成
- 六大全新产品系列推出,MCX A微控制器家族迎来创新
- 意法半导体全新STM32C5系列,重新定义入门级微控制器性能与价值,赋能万千智能设备
- 模组复用与整机重测在SRRC、CCC、CTA/NAL认证中的实践操作指南
- 从控制到系统:TI利用边缘AI重塑嵌入式MCU的边界
- 有源晶振与无源晶振的六大区别详解
- 英飞凌持续巩固全球微控制器市场领导地位
- 使用 Keil Studio for Visual Studio Code开发 STM32 设备
- 蓝牙信道探测技术原理与开发套件实践
- Microchip 推出生产就绪型全栈边缘 AI 解决方案,赋能MCU和MPU实现 智能实时决策
- LoRa、LoRaWAN、NB-IoT与4G DTU技术对比及工业无线方案选型分析




