首页 > 器件类别 > 存储 > 存储
 PDF数据手册

MSC23132BL-10DS8

描述:
Fast Page DRAM Module, 1MX32, 100ns, CMOS, PSMA72,
分类:
存储    存储   
文件大小:
363KB,共7页
制造商:
概述
Fast Page DRAM Module, 1MX32, 100ns, CMOS, PSMA72,
器件参数
参数名称
属性值
厂商名称
LAPIS Semiconductor Co Ltd
包装说明
SIMM, SSIM72
Reach Compliance Code
unknown
最长访问时间
100 ns
I/O 类型
COMMON
JESD-30 代码
R-PSMA-N72
内存密度
33554432 bit
内存集成电路类型
FAST PAGE DRAM MODULE
内存宽度
32
端子数量
72
字数
1048576 words
字数代码
1000000
最高工作温度
70 °C
最低工作温度
组织
1MX32
输出特性
3-STATE
封装主体材料
PLASTIC/EPOXY
封装代码
SIMM
封装等效代码
SSIM72
封装形状
RECTANGULAR
封装形式
MICROELECTRONIC ASSEMBLY
电源
5 V
认证状态
Not Qualified
刷新周期
1024
座面最大高度
25.4 mm
自我刷新
NO
最大待机电流
0.0016 A
最大压摆率
0.56 mA
标称供电电压 (Vsup)
5 V
表面贴装
NO
技术
CMOS
温度等级
COMMERCIAL
端子形式
NO LEAD
端子节距
1.27 mm
端子位置
SINGLE
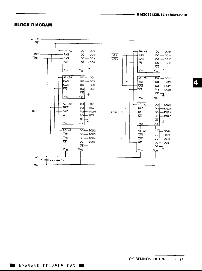
文档预览
参数对比
与MSC23132BL-10DS8相近的元器件有:MSC23132B-60DS8、MSC23132B-60BS8、MSC23132B-10BS8、MSC23132B-70DS8、MSC23132B-80BS8、MSC23132BL-10BS8、MSC23132B-70BS8、MSC23132BL-60BS8、MSC23132BL-60DS8。描述及对比如下:
型号 MSC23132BL-10DS8 MSC23132B-60DS8 MSC23132B-60BS8 MSC23132B-10BS8 MSC23132B-70DS8 MSC23132B-80BS8 MSC23132BL-10BS8 MSC23132B-70BS8 MSC23132BL-60BS8 MSC23132BL-60DS8
描述 Fast Page DRAM Module, 1MX32, 100ns, CMOS, PSMA72, Fast Page DRAM Module, 1MX32, 60ns, CMOS, PSMA72, Fast Page DRAM Module, 1MX32, 60ns, CMOS, PSMA72, Fast Page DRAM Module, 1MX32, 100ns, CMOS, PSMA72, Fast Page DRAM Module, 1MX32, 70ns, CMOS, PSMA72, Fast Page DRAM Module, 1MX32, 80ns, CMOS, PSMA72, Fast Page DRAM Module, 1MX32, 100ns, CMOS, PSMA72, Fast Page DRAM Module, 1MX32, 70ns, CMOS, PSMA72, Fast Page DRAM Module, 1MX32, 60ns, CMOS, PSMA72, Fast Page DRAM Module, 1MX32, 60ns, CMOS, PSMA72,
包装说明 SIMM, SSIM72 SIMM, SSIM72 SIMM, SSIM72 SIMM, SSIM72 SIMM, SSIM72 SIMM, SSIM72 SIMM, SSIM72 SIMM, SSIM72 SIMM, SSIM72 SIMM, SSIM72
Reach Compliance Code unknown unknown unknown unknown unknown unknown unknown unknown unknown unknown
最长访问时间 100 ns 60 ns 60 ns 100 ns 70 ns 80 ns 100 ns 70 ns 60 ns 60 ns
I/O 类型 COMMON COMMON COMMON COMMON COMMON COMMON COMMON COMMON COMMON COMMON
JESD-30 代码 R-PSMA-N72 R-PSMA-N72 R-PSMA-N72 R-PSMA-N72 R-PSMA-N72 R-PSMA-N72 R-PSMA-N72 R-PSMA-N72 R-PSMA-N72 R-PSMA-N72
内存密度 33554432 bit 33554432 bit 33554432 bit 33554432 bit 33554432 bit 33554432 bit 33554432 bit 33554432 bit 33554432 bit 33554432 bit
内存集成电路类型 FAST PAGE DRAM MODULE FAST PAGE DRAM MODULE FAST PAGE DRAM MODULE FAST PAGE DRAM MODULE FAST PAGE DRAM MODULE FAST PAGE DRAM MODULE FAST PAGE DRAM MODULE FAST PAGE DRAM MODULE FAST PAGE DRAM MODULE FAST PAGE DRAM MODULE
内存宽度 32 32 32 32 32 32 32 32 32 32
端子数量 72 72 72 72 72 72 72 72 72 72
字数 1048576 words 1048576 words 1048576 words 1048576 words 1048576 words 1048576 words 1048576 words 1048576 words 1048576 words 1048576 words
字数代码 1000000 1000000 1000000 1000000 1000000 1000000 1000000 1000000 1000000 1000000
最高工作温度 70 °C 70 °C 70 °C 70 °C 70 °C 70 °C 70 °C 70 °C 70 °C 70 °C
组织 1MX32 1MX32 1MX32 1MX32 1MX32 1MX32 1MX32 1MX32 1MX32 1MX32
输出特性 3-STATE 3-STATE 3-STATE 3-STATE 3-STATE 3-STATE 3-STATE 3-STATE 3-STATE 3-STATE
封装主体材料 PLASTIC/EPOXY PLASTIC/EPOXY PLASTIC/EPOXY PLASTIC/EPOXY PLASTIC/EPOXY PLASTIC/EPOXY PLASTIC/EPOXY PLASTIC/EPOXY PLASTIC/EPOXY PLASTIC/EPOXY
封装代码 SIMM SIMM SIMM SIMM SIMM SIMM SIMM SIMM SIMM SIMM
封装等效代码 SSIM72 SSIM72 SSIM72 SSIM72 SSIM72 SSIM72 SSIM72 SSIM72 SSIM72 SSIM72
封装形状 RECTANGULAR RECTANGULAR RECTANGULAR RECTANGULAR RECTANGULAR RECTANGULAR RECTANGULAR RECTANGULAR RECTANGULAR RECTANGULAR
封装形式 MICROELECTRONIC ASSEMBLY MICROELECTRONIC ASSEMBLY MICROELECTRONIC ASSEMBLY MICROELECTRONIC ASSEMBLY MICROELECTRONIC ASSEMBLY MICROELECTRONIC ASSEMBLY MICROELECTRONIC ASSEMBLY MICROELECTRONIC ASSEMBLY MICROELECTRONIC ASSEMBLY MICROELECTRONIC ASSEMBLY
电源 5 V 5 V 5 V 5 V 5 V 5 V 5 V 5 V 5 V 5 V
认证状态 Not Qualified Not Qualified Not Qualified Not Qualified Not Qualified Not Qualified Not Qualified Not Qualified Not Qualified Not Qualified
刷新周期 1024 1024 1024 1024 1024 1024 1024 1024 1024 1024
座面最大高度 25.4 mm 25.4 mm 25.4 mm 25.4 mm 25.4 mm 25.4 mm 25.4 mm 25.4 mm 25.4 mm 25.4 mm
自我刷新 NO NO NO NO NO NO NO NO NO NO
最大待机电流 0.0016 A 0.008 A 0.008 A 0.008 A 0.008 A 0.008 A 0.0016 A 0.008 A 0.0016 A 0.0016 A
最大压摆率 0.56 mA 0.8 mA 0.8 mA 0.56 mA 0.72 mA 0.64 mA 0.56 mA 0.72 mA 0.8 mA 0.8 mA
标称供电电压 (Vsup) 5 V 5 V 5 V 5 V 5 V 5 V 5 V 5 V 5 V 5 V
表面贴装 NO NO NO NO NO NO NO NO NO NO
技术 CMOS CMOS CMOS CMOS CMOS CMOS CMOS CMOS CMOS CMOS
温度等级 COMMERCIAL COMMERCIAL COMMERCIAL COMMERCIAL COMMERCIAL COMMERCIAL COMMERCIAL COMMERCIAL COMMERCIAL COMMERCIAL
端子形式 NO LEAD NO LEAD NO LEAD NO LEAD NO LEAD NO LEAD NO LEAD NO LEAD NO LEAD NO LEAD
端子节距 1.27 mm 1.27 mm 1.27 mm 1.27 mm 1.27 mm 1.27 mm 1.27 mm 1.27 mm 1.27 mm 1.27 mm
端子位置 SINGLE SINGLE SINGLE SINGLE SINGLE SINGLE SINGLE SINGLE SINGLE SINGLE
厂商名称 LAPIS Semiconductor Co Ltd LAPIS Semiconductor Co Ltd LAPIS Semiconductor Co Ltd - LAPIS Semiconductor Co Ltd LAPIS Semiconductor Co Ltd LAPIS Semiconductor Co Ltd LAPIS Semiconductor Co Ltd LAPIS Semiconductor Co Ltd LAPIS Semiconductor Co Ltd
热门器件
热门资源推荐
器件捷径:
L0 L1 L2 L3 L4 L5 L6 L7 L8 L9 LA LB LC LD LE LF LG LH LI LJ LK LL LM LN LO LP LQ LR LS LT LU LV LW LX LY LZ M0 M1 M2 M3 M4 M5 M6 M7 M8 M9 MA MB MC MD ME MF MG MH MI MJ MK ML MM MN MO MP MQ MR MS MT MU MV MW MX MY MZ N0 N1 N2 N3 N4 N5 N6 N7 N8 NA NB NC ND NE NF NG NH NI NJ NK NL NM NN NO NP NQ NR NS NT NU NV NX NZ O0 O1 O2 O3 OA OB OC OD OE OF OG OH OI OJ OK OL OM ON OP OQ OR OS OT OV OX OY OZ P0 P1 P2 P3 P4 P5 P6 P7 P8 P9 PA PB PC PD PE PF PG PH PI PJ PK PL PM PN PO PP PQ PR PS PT PU PV PW PX PY PZ Q1 Q2 Q3 Q4 Q5 Q6 Q8 Q9 QA QB QC QE QF QG QH QK QL QM QP QR QS QT QV QW QX QY R0 R1 R2 R3 R4 R5 R6 R7 R8 R9 RA RB RC RD RE RF RG RH RI RJ RK RL RM RN RO RP RQ RR RS RT RU RV RW RX RY RZ
索引文件:
1549  706  381  1659  730  32  15  8  34  4 
需要登录后才可以下载。
登录取消
下载 PDF 文件