历史上的今天
今天是:2024年12月19日(星期四)
2019年12月19日 | PIC18F4550单片机三个操作寄存器的使用方法
2019-12-19 来源:elecfans
试验芯片:Microchip PIC 18F4550
集成开发环境:MPLAB IDE v8.53
编译器:Microchip C18
PIC18系列单片机是美国微芯公司(Microchip)8位单片机系列中的高档系列,其任一I/O引脚允许的最大灌电流或最大拉电流达25mA,可以直接驱动LED和继电器。PORTA、PORTB和PORTE的最大灌电流或最大拉电流总和为200mA,PORTC和PORTD的最大灌电流或最大拉电流总和为200mA,PORTF和PORTG的最大灌电流或最大拉电流总和为100mA(注:PIC18F4550没有这两个端口)。
单片机和外设的交互都是通过I/O端口进行,每个I/O端口均有三个操作寄存器:
1、TRISx———数据方向寄存器
用来控制I/O引脚的方向,即用来控制PORTx是输入还是输出。
2、PORTx——— 端口寄存器
用来锁存输出数据。当读PORTx时,器件直接读I/O引脚电平(而不是锁存值)。
3、LATx——— 输出数据锁存器
写端口就是写该锁存器(LATx)。数据锁存器也可以直接读写。如果外设没有使用该引脚,并且TRISx位配置该引脚为输出,则将锁存器内的数据输出到引脚。
在复位状态下,TRISx的复位值为0xff,即TRISx寄存器的8个位(D0 ~ D7)的值均为1。此时相应的PORTx引脚被定义为输入,相应的输出驱动器呈现高阻状态。设置为0时表示相应的引脚定义为输出。

这里应注意的是写PORT就是写LAT,但读PORT和读LAT不同。读PORT读的是引脚的状态,无论该引脚设置为输入引脚还是输出引脚。而读LAT得到的是输出数据锁存器的存储值,读LAT得到的值可能和读PORT得到的值存在不同。

在Microchip C18中,I/O端口三个操作寄存器可以按位(bit)操作,也可以按字节(byte)操作。
如端口B的方向寄存器用TRISB(或DDRB)表示,某一位用TRISBbits.TRISB0(或DDRB bits.RB0)表示。字节用TRISB(或DDRB)表示。
如端口B的PORT寄存器用PORTB表示,某一位用PORTBbits.RB0表示。字节用PORTB表示。
如端口B的输出数据锁存器用LATB表示,某一位用LATBbits.LATB0表示。字节用LATB表示。
由于芯片复位后,LATx(PORTx)锁存器的值是随机的,为了排除I/O引脚电平出现毛刺的可能性,在初始化端口时,首先初始化该PORT的数据锁存器(LAT或PORT寄存器),然后再初始化数据方向寄存器TRIS。
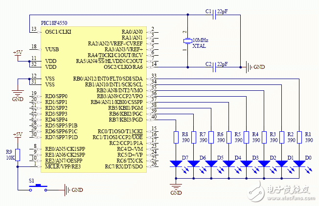
下面用一个实例说明一下具体应用,下图PIC18F4550与电源、晶振和发光二极管组成一个最简单的8位单片机系统,要求同时点亮8个发光二极管。

首先可以选择按位操作的方法实现。不难看出,按位操作实际不是真正实现同时点亮与PORTB相连的8个发光二极管,只是发光二极管发光的延时效应掩盖了依次点亮的事实,使得最终效果达到了同时点亮。以下是按位操作方式的实现代码。
#include
void main(void)
{
PORTBbits.RB0=1;
TRISBbits.TRISB0=0;//点亮第1个LED
PORTBbits.RB1=1;
TRISBbits.TRISB1=0; //点亮第2个LED
PORTBbits.RB2=1;
TRISBbits.TRISB2=0; //点亮第3个LED
PORTBbits.RB3=1;
TRISBbits.TRISB3=0; //点亮第4个LED
PORTBbits.RB4=1;
TRISBbits.TRISB4=0; //点亮第5个LED
PORTBbits.RB5=1;
TRISBbits.TRISB5=0; //点亮第6个LED
PORTBbits.RB6=1;
TRISBbits.TRISB6=0; //点亮第7个LED
PORTBbits.RB7=1;
TRISBbits.TRISB7=0; //点亮第8个LED
while(1);
}
其次可以按字节操作来实现,代码比按位操作要简单很多,而且真正实现了同时点亮的要求。以下是按字节操作方式的实现代码。
#include
void main(void)
{
PORTB=0xff;
TRISB=0x00;//点亮8个LED
while(1);
}
上一篇:PIC单片机抗静电处理解决方案
史海拾趣
|
作者:Michael Santarini 随着 Xilinx® ISE® 设计套件 11.1 的推出,赛灵思在优化设计方法、更好地满足不同技能客户的多样化需求, 以及帮助客户利用赛灵思 FPGA 目标设计平台进行创新设计方面迈出了一大步。赛灵思 ISE 设计套件 11.1同时 ...… 查看全部问答> |
|
英利集团宣布:历经5个多月攻关,英利光伏应用技术研究院自主研发出全球第一块双曲面车顶用光伏电池板。 据介绍,这种电池板具有专利技术和自主知识产权,可将太阳能转化为电能储存在汽车蓄电池内,功率为180瓦。车顶安装光伏电池板的汽车依靠 ...… 查看全部问答> |
|
做了一个手写识别软件,用伪驱动的方法截获了全屏书写的轨迹。用手写笔在屏幕上书写的时候是可以收到轨迹信息的,也可以做出识别,但是手写笔在屏幕上画过的笔迹无法显示,在没有实现全屏书写的时候我在窗口里写实可以实时绘出手写轨迹的。下面是绘 ...… 查看全部问答> |
|
找两名兼职的WinCE内核开发人员,要求熟悉Marvell Xscale 系列CPU的内核和驱动开发工作, 要求熟悉一款以上以下的CPU: PXA255,PXA270,PXA310,PXA300,PXA320,PXA168. 地点在北京.有PDA或智能手机开发经验的人最佳. 熟悉三星的S3C6410的也可以,我 ...… 查看全部问答> |
|
我知道NK.bin文件头中是包含有NK的起始地址信息的,不知道nb0文件是否有? 我现在想通过NK.nb0进行升级,但是升级后需要保存NK.nb0拷贝到内存的地址到NAND Flash中,不知道NK.nb0文件是否有这个信息?… 查看全部问答> |
|
各位高手,本人基于课题需要,打算开发设计一个高速AD采样系统, 也许需要外检测电路+独立AD模块+嵌入式CPU组合实现 主要有以下要求: 1. AD模块的采样+转换时间=10MHz 2. CPU工作主频足够高,CPU内开辟一个足够大的缓存区,通过 ...… 查看全部问答> |




