历史上的今天
今天是:2025年01月30日(星期四)
2020年01月30日 | 专用示波器和软件提高开发测试效率方案
2020-01-30 来源:elecfans
为了满足效率和外形尺寸要求,开关模式电源制造商不断采用新的半导体和电路拓扑,同时还须坚持遵守更高的电源完整性标准。因此,设计人员必须对开关模式波形进行更为复杂的测量,而这样一来,就会延长测试时间,增加成本。
为了缩短测试时间,测试设备制造商开发了各种硬件和软件,它们可以配合使用,实现众多功能和复杂分析的自动化。Teledyne LeCroy 的 HDO4104示波器与功率分析仪软件就是硬件和软件结合使用的一个很好例子。本文将介绍可如何配合使用它们来执行关键性分析,从而缩短电源的开发和测试时间。
效率、重量、尺寸是驱动创新设计和测试方法发展的动因
开关模式电源转换,无论是在电源、逆变器、DC-DC 转换器还是电机控制器中,在特定功率电平下,都具备提高功率效率更高以及减小尺寸和重量的优势。但是,这些特性也会带来弊端,包括增加复杂度和提高元器件应力。
为了解决这个问题,制造商开始考虑使用新的半导体类型、更多样的电路拓扑以及更高的电源完整性标准。不过,这就需要对一些关键特性进行详细的分析,例如:
功率损耗
安全工作区域 (SOA)
控制回路裕量
线路电源完整性
电源性能
要执行这些类型的分析,就需要提高必要的开发和测试工程专业技术水平,而这又会增加测试时间以及提高最终产品成本。HDO4104 和功率分析仪软件正是为了简化这些类型的分析而设计的。
HDO4104 是一款带触摸屏的高分辨率 12 位示波器。功率分析仪软件利用示波器的触摸屏,创建专用的用户界面。借助自动测量功能,我们可以结合使用硬件和软件,从而简化关键电源开关器件测量、控制回路调制分析以及线路电源谐波测试。Teledyne LeCroy 公司还提供各种配件,包括差分放大器、差分探头、电流探头和抗扭斜装置。
使用 HDO4104 进行器件分析
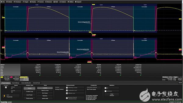
开关模式电源通常使用电源器件的脉冲宽度调制 (PWM) 来控制输出电压。电源器件中的电压和电流会在导通和断开状态之间进行切换。波形的移相规律是当电压为高时,电流为低。因此,开关器件耗散的功率很小:只有在导通和断开状态之间转换时,才会耗散功率(图 1)。
图 1: 在使用具有功率分析功能的 Teledyne LeCroy HDO4104 对开关模式电源进行分析的过程中,将会采集功率晶体管的电压,以及流经晶体管的电流。然后通过这些值来计算和显示功率耗散。(图片来源:Digi-Key Electronics)
上图显示了使用功率分析软件的基本器件测量。该图底部的对话框显示了设置及其组织方式,因此可以从左向右进行操作。首次启用电源分析操作时,用户选择信号源。在本例中,我们使用了 Teledyne LeCroy DA1855A差分放大器和 CP030电流探头。
下一步是选择四类分析中的一种。随后,我们再选择与每种分析类型相关的特定测试。在图 1 中,我们选择的分析类型是“Device”(器件),显示的测试值是器件损耗。我们使用开关器件电压(顶部的黄色迹线)和流经开关器件的电流(底部的红色迹线),来计算其功率耗散(底部的黄色迹线)。界面使用了彩色覆盖层,可自动显示器件导电和关闭的时间段。
图形下方的表格列出了工作周期内每个阶段的器件功率耗散。这些阶段是导通、导电、关闭、关断状态。损耗可通过功率或能量损耗予以衡量。所示能量损耗以焦耳为单位。请注意,这一计算乃基于所采集的波形自动进行的。
对话框上还有一些其他选项卡,分别用于输入设置、区域识别以及功率迹线缩放。输入设置非常重要,因为它可用于识别示波器使用的电压和电流探头。最重要功能是对这些探头的抗扭斜控制,以便电流和电压测量保持时间同步。
用户提示: 抗扭斜对于精确测量功率损耗至关重要。如果关断状态的功率损耗接近零,则表示已正确设置抗扭斜。在示例中,抗扭斜设置是正确的,关断状态的功率损耗不到其他损耗读数的千分之一。
绘制 SOA 图以确认工作裕量
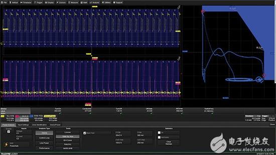
每个开关器件的电压、电流和功率都有最大限值,这些限值由器件制造商规定并会列于其技术规格书中。要确保电源的可靠性,就不能超过这些限值。安全工作区 (SOA) 图有助于确认工作裕量,包括电路工作的所有方面。SOA 图是器件电压及流经器件的电流的 X-Y 轴图。图 2 所示为开关模式电源的功率 FET 的电流和电压波形图,以及 30 个电源周期的 SOA 图。
图 2: 右侧的安全工作区图记录了多个电源周期的电流和电压的轨迹。最大电压点位于该图的最右端。最大电流位于顶部。两个点均与测试遮罩交叉,并以红色高亮显示标记。(图片来源:Digi-Key Electronics)
SOA 图的垂直轴表示的是电流,水平轴为电压。这两个信号的逐样本乘积就是器件的瞬时功率耗散。在 SOA 图左下角的点,电流和电压均为零。最右侧的点就是器件的最大电压。垂直的极限点就是流经器件的最大电流。
SOA 图会显示在测试遮罩内,可通过以下四个点描述:
最大电压
最大电流
最大电压时的电流
最大电流时的电压
用户在图 2 所示的对话框中输入这些点,输入值为制造商规定的被测设备的限值。如果 SOA 图与测试遮罩交叉,则有一个红色圆圈突出显示该样本。这个圆圈表示超过了遮罩测试容限。图中显示了两个此类交叉的示例。
SOA 图主要涉及到电压、电流和功率最大值,而 FET 动态导通电阻 (Rds(ON)) 的测量则需要对 FET 饱和电压和通道电流进行详细测量(图 3)。
图 3: FET 动态导通电阻 (Rds(ON)) 是根据饱和电压与通道电流的比率计算得出的。(图片来源:Digi-Key Electronics)
此测量可能难以进行,因为在存在几百伏特的电压摆幅的情况下,示波器只会发现几伏特的信号电平。
一个好的差分放大器,例如 Teledyne LeCroy 的 DA1855A,可以充当信号调节前置放大器,以便更加简单准确地进行测量。DA1855A 还具有快速过驱恢复功能。DA1855A 使用了 ÷ 100 探头,因此可在 100 ns 之内稳定至 100 mV 范围内,以来自 400 伏特输入信号的输入作为参考输入。这样一来,MOSFET 的信号就能在屏幕之外过驱,而垂直标度则可用于缩放感兴趣的部分。请注意,在示波器输入上直接尝试这种技术,通常会导致仪器的前端放大器饱和。
借助 DA1855A 的快速过驱恢复功能,用户可以过驱信号,而无需担心迹线回到屏幕上时出现错误。因此,用户能够获取饱和电压的精确细节。
要计算通道导通电阻,需要采集 FET 饱和电压及其相应的通道电流。在这里,只需应用欧姆定律,即可计算出电阻值。在电源周期的导电阶段,功率分析仪软件可隔离 FET 电压,并使用正确的电压和电流段自动执行测量。在图 3 所示的示例中,结果为 1.1 Ω。
与器件相关的其他测试包括电压和电流波形的时间变化率(dV/dt 和 dI/dt)。它显示了器件开启和关闭时的电压和电流的时间变化率。
器件测试还可延展到 B-H 曲线分析形式的磁测量。B-H 曲线可显示变压器等磁性器件的饱和状态。它是磁通密度 (B) 与磁场强度 (H) 的曲线图。
器件分析工具箱可提供与开关器件和重要磁性元器件相关的关键问题的完整视图。下一个测量挑战是开关模式控制回路。
控制回路分析
开关模式电源转换器使用反馈来控制输出电压或电流,并将输出保持在可接受限值范围内。大多数开关模式电源会在其控制回路中使用 PWM。增加驱动脉冲的宽度可提高输出电压,减小该宽度则可降低输出电压。通过控制回路分析,我们可以近距离研究这种反馈回路,特别是在瞬态条件期间。但是,要分析回路动态,我们必须能够解调 PWM 信号。
功率分析仪软件提供了简单易用的调制分析功能,可以测量每个脉冲的宽度或占空比,并可绘制脉冲宽度或占空比随时间变化的图示。该工具极为便利,可以直观地查看整个控制回路的时域响应,包括控制 IC 中脉冲宽度调制器添加的任何时间常数。为了阐明这种概念,图 4 显示了阶跃负载变化对开关 FET 的栅极驱动信号的脉冲宽度的影响。
图 4: 显示了栅极驱动信号的控制回路对负载的阶跃变化的响应。控制回路分析图显示了控制器响应,它通过改变栅极驱动信号的占空比来管理负载变化。(图片来源:Digi-Key Electronics)
负载电流,也就是上方网格中的迹线 C2(红色),具有 500 mA 的正阶跃。栅极驱动信号可在迹线 C1(黄色)上采集,并会显示控制器对负载变化的响应,表现为栅极驱动脉冲的宽度变化。控制分析迹线(蓝色)显示了控制回路对负载电流的阶跃变化的动态响应。
中心网格中的迹线是栅极驱动信号的水平缩放。缩放的部分在栅极驱动迹线上突出显示,目的是显示它相对于负载变化的位置。用户可在缩放迹线上非常清晰地查看脉冲宽度变化。
迹线网格下方的测量参数表显示了各个参数的最新值、平均值、最大值、最小值和标准差,包括栅极驱动信号的频率周期、宽度和占空比。该表量化描述了负载变化前后的栅极驱动信号变化。在本例中,关键值是占空比的最小值、最大值和最新值。最小值是负载变化之前的初始占空比。在这一点,占空比为最小值,仅为 4.8%。在控制分析图的顶峰,占空比为 15.5%,也就是占空比参数的最大值。采集历史记录中的占空比定值就是占空比的值。它是波形中的最新占空比值读数,其值为 8.9%。
也可使用控制回路分析类型,来跟踪电源启动或关断过程中的 PWM 稳压器响应。图 5 显示了电源的启动。迹线,从上到下依次是漏源极电压、漏电流、FET 的栅极驱动电压以及栅极驱动信号的占空比。底部的迹线显示了栅极驱动占空比在整个启动过程中的变化。

图 5: 监控电源启动过程中的 PWM 占空比变化。底部的迹线(深蓝)显示了栅极驱动占空比在整个启动过程中的变化。(图片来源:Digi-Key Electronics)
选择示波器时,设计人员必须明白,要对电源转换器启动进行分析,就需要具有长采集波形存储器的示波器。本例所示为 10 毫秒的启动采集,使用了 2.5 兆样本的采集波形存储器。Teledyne LeCroy 的 HDO4000 系列示波器能够提供多达 50 兆样本的采集波形存储器。最大采集时间取决于存储器长度和采样周期。在要求的最小采样率下采集相同数据,可为所有四个通道提供 10 秒的采集窗口。
目前我们已经分析了电源转换器的输出侧。接下来的两个分析功能主要针对开关模式转换器的初级侧,也就是线路侧。
线路电源分析
线路电源分析包括两种测试功能,即功率测量和谐波分析。功率测量可确定线路电压和电流。它们还可测量和显示实际功率、视在功率和无功功率。另外,用户可以选择计算并显示功率因数、相位角和波峰因数。“谐波”测试选项旨在测量线路谐波,并验证其是否符合 EN 61000-3-2 等国际标准。这种合规性测试极其重要,可以确保不会将过大的谐波功率从开关模式器件回注到电源。
线路谐波分析如图 6 所示。除了通道 C1 和 C2 中的线路电压和电流之外,60 Hz 线路电流的前 20 个奇次谐波显示在频谱显示中。蓝色覆盖区显示了 EN 61000-3-2 标准的合规性级别。迹线下方的表格列出了所有这些谐波,包括电平、频率以及合规情况。

图 6: 线路谐波分析使用频谱分析方法来评估线路电流的谐波含量。根据 EN 61000-3-2 标准,对照内置的测试遮罩,对谐波幅值进行测试。(图片来源:Digi-Key Electronics)
在介绍完开关器件、控制回路、功率损耗和输入功率之后,我们要讨论的功率分析的最后一个因素是整体性能。
性能分析
性能分析包括两项重要测试。第一项是器件效率。此项测试可测量被测开关模式转换器的总输入和输出功率,然后使用这些信息来计算器件效率。
第二项性能测试是输出纹波。这是非常重要的电源完整性测量,因为如果电源总线上的纹波过多,可能会导致时钟和数据信号的额外抖动(图 7)。

图 7: 输出纹波是非常重要的电源完整性测量。纹波分析可显示时域和频域中的输出纹波。左侧迹线即为纹波的时序图。右侧的网格包含纹波的频谱。最左侧表格列出了纹波的频率最高的十个元器件。 (图片来源: Digi-Key Electronics)
图 7 显示了输出电流(左上角迹线)和交流耦合电压(左侧中间)。输出电压的缩放图显示了时域中的扩展纹波视图。我们可以清晰地看到,此纹波具有很高的周期性。游标测量基本周期为 450 kHz。纹波参数列出了峰峰波纹电压为 65.2 毫伏。
右侧网格中的迹线是纹波电压的频谱。左上方的表格列出了幅度最大的十个频率元器件的频率和幅度。它们还在频谱显示上进行了标记。了解纹波的频率成分,有助于用户确定可能的信号源。
结论
由于各种应用要求器件具有更高的效率、更小的尺寸以及更低的成本,因此功率测量变得日益复杂。正如本文所述,Teledyne LeCroy 的 HDO4104 示波器与功率分析仪软件配合使用,可以显著简化测试,缩短测试时间。该示波器提供了专用的用户界面和自动测量功能,因此可以简化电源开关器件的关键测量、PWM 控制回路分析、线路电源效率和谐波测试。此外,Teledyne LeCroy 还提供众多探测解决方案,可轻松快速地设置电压和电流。
使用适当的设备和软件,现在就可以轻而易举地进行功率测量。
史海拾趣
|
我们下面想搞一个单片机的自制活动,希望大家能够告知,希望使用什么样的单片机,以便我们有针对性地开展这个活动,谢谢大家支持。还有一点,大家针对arm7的学习热情高么?网上有u-linuk的自制资料,如果大家学习热情比较高,我们也可以搞一个那样 ...… 查看全部问答> |
|
不知道咋回事,我设置我的OV9650 camera驱动为VGA模式,以前保存成320*240图片图像质量还算可以,但是我把缓冲区扩大,保存成640*480的图片,图片明显模糊了,下面是图片,请大家帮忙分析一下原因。 320*240图片 640*480 … 查看全部问答> |
|
0.4.0版本的看点: 1、重新编写的makefile文件,自动生成连接脚本文件,使工程中增减源文件和目录更加简单,只需要简单修改该目录下的makefile文件,总控makefile和连接脚本文件均不需要修改。 2、开始有了shell的雏形,虽然只有少数几条命令。 ...… 查看全部问答> |
|
如何在Wince中修改 Control Panel 窗口字体大小 320X240的桌面显示控制面板的窗口,会超出屏幕,修改了cplmain.rc后编译,但是改变不了 cplmain.rc中 //@CESYSGEN IF CPLMAIN_COMM // // COMM Dialogs // IDD_RAS DIALOG DISCARDABLE 0, 15, 264, 81 STYLE DS_CONTROL | WS_CHI ...… 查看全部问答> |
|
【术业有专攻,电容我在行】有奖知识问答、【下载有奖】、【抢楼有奖】活动已经结束了!你获奖了吗? 请以上获奖的朋友把您的姓名、手机、邮寄地址、 常用邮箱通过邮箱的方式发到xulinglong@eeworld.com.cn邮箱!我们三 ...… 查看全部问答> |
|
本帖最后由 paulhyde 于 2014-9-15 03:42 编辑 2013全国大学电子设计竞赛元器件清单什么时候出来,谢谢 … 查看全部问答> |








