历史上的今天
今天是:2025年03月15日(星期六)
2020年03月15日 | labview读取串口数据
2020-03-15 来源:elecfans
作为虚拟仪器开发平台的LabVIEW软件因其具有直观简便的编程方式、灵活的显示特性、广泛的兼容性等一系列优点在新兴电子仪器的设计和信息传送、接收等领域得到了越来越广泛的应用。例如利用串口RS232接口可实现电脑与单片机之间的信息的交互,因而在基于单片机的测控领域中,虚拟仪器技术的利用也得到了极大的发展,减少了传统测量技术在硬件设备上的投资。本文在对LabVIEW的VISA与单片机之间信息传送的理论研究基础上,针对串口发送的数据信息,设计了基于LabVIEW对串口送入的信息的接收、保存并显示等的处理。
1、串口通信建模
将计算机的串口数据连接到计算机的接收线,利用LabVIEW软件特性将数据接收到计算机。串口通信线的连接时将2接收线与3脚发送线在两通信端交差相连。

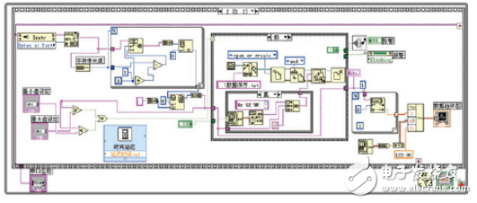
图1 设计方框图
如图1所示为LabVIEW设计方框图。设置VISA串口相关参数主要对VISA配置串口中的波特率、数据比特、奇偶和流控制等的设置(本文中设定值分别为典型值9600、8、0、1.0)。
通信设置主要针对与单片机之前的信息交流前的准备工作:比如向单片机发送一字符或字符串时,单片机得到对应代码,把采集到的数据通过串口发送计算机。
信息的读取主要对当前的从串口中返回计算机的相关信息的后期处理:为了方便于不熟悉计算机操作的用户,应用LabVIEW读写文件的方便,指定在运行LabVIEW文件的当前文件夹。用户可直接打开“数据保存.txt”,即可查询历史时间的数据。显示信息可以是对收到的瞬时信息显示出来;其他附属功能涉及在特定环境下的功能需求,例如报警提示,以及波形方式显示在一定时间或空间范内的数据波动特点等。
2、程序设计框图
2.1、程序板图

图2 第l帧程序图
图2为第l帧的程序图:图中为顺序结构中,一部分通过对VISA向串口发出指令:指令的内容要与单片机约定一致:如发送0x32时,单片机向串口送出温度数据的采集结果,另一部分与写对提示保存时间的提取做准备工作。

图3 第2帧程序图
第2帧程序方框如图3所示。通过对接收到的数据按一组字符串进行处理,进行字符串长度的识别,对每一个元素进行索引取出分别进行处理,组成一维数组,再转换成字符输出。保存文件时通过对“创建路径”的特殊应用,结合通过“打开/创建/替换文件”和“设置文件位置”控件的应用,在运行程序时自动新建并保存或继续保存在“数据保存.txt”文件中。将开始执行的时刻起,对所得到的数据用趋势图显示出来。设计在串口每次获得的字符串转为数值的方法采用“分数/指数字符串至数值转换”控件就可实现,再将这些数据组建成数组,用波形图显示,波形显示的横坐标为了体现具体的时间,采用定义坐标法实现。当vI停止运行后,缓冲区中的数据仍存在,对横坐标时间进行合适的自定义,就可实现更长时间段的趋势图的显示。
2.2、运行结果显示
在本测试过程中,发送“0x32”得到温度的相关采集据,当手接触温度传感器18820在短时间内温度产生的变化情况用趋势图显示:在2011.9.1920:58:38开始到2011.9.1921:02:48测试数据趋势图如图4所示。对应保存的TXT文件截图如图5所示。

图4 测试数据趋势图

图5 保存的TXT文件截图
图4中,设定在温度lO·32摄氏度以外发生警告,测试结果完成了设计预期。
本文利用计算机的$232串口实现LabVlEW软件与单片机实现的信息传送,通过单片机的传感器采集到的信息进行初步识别、处理,将结果通过串口返回计算机,利用LabⅥEW的VISA特性接收串口信号,显示当前数据、在一定时间内的波形趋势图并以文本文件的形式进行保存。
史海拾趣
|
(1)打开储液室盖,将新制动液注入储液室,使液面达最高液位标记(如图 1所示“〈”标记)处。(2)如果制动系统刚进行过修理,或平时感觉到制动踏板发软、踏板行程过长,则应排除空气。排除空气应根据不同车型,严格按规定的程序进行操作。(3) ...… 查看全部问答> |
|
我通过串口把数据传输给Flash ,传输完成后,断电过1-2分钟开机,通过串口能打印出刚才下载到Flash中的数据,但是在断电后过大约30分钟以上,具体时间不是很清楚了,(有时5分钟,有时1,2小时),再上电,通过串口发现写入的数据没有了! ...… 查看全部问答> |
|
个位大侠: 我是刚自学usb驱动程序,正打算做usb驱动程序用于毕业设计. 求一个usb驱动程序源码做参考! 有意者请发一份给我!不慎感激!!! 我的e_mail:zhouq200418055@sina.com.cn… 查看全部问答> |
|
人体的神经信号直接表征着人体自我的意思,研究神经信号为了解、识别人体提供了一条途径。多年来。目前,研究内容主要包括神经电极和神经信号调理电路两部分。神经电极可以将神经电信号从人体中提取出来,而神经信号调理电路则对神经信号进行去噪、 ...… 查看全部问答> |
|
把液晶控制器以总线连接方式接到2407DSP上,即 LCD 8位数据线 DB7-DB0 接到 DSP数据线 D15-D18 引脚 LCD的 R/W 接到 DSP地址线 A1 引脚 &nb ...… 查看全部问答> |
|
C2000 Launchpad是否可以仿真其他带JTAG的TI MSP430 C2000 Launchpad是否可以仿真其他带JTAG的TI MSP430?? 因为都是JTAG的嘛,不知道行不行.… 查看全部问答> |
|
今天天气不错,早上看了下RXT-51的操作手册,下午写几行代码试了下,一次性通过。搞了个数码管显示温度的的。 #include #include unsigned int TEM() ; void DS18B20int() ; #define   ...… 查看全部问答> |




