历史上的今天
返回首页

历史上的今天

今天是:2025年04月06日(星期日)

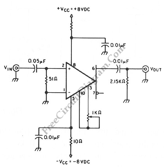
2020年04月06日 | 示波器的前置放大器电路

2020-04-06 来源:eefocus

示波器的放大器具有20 dB的电压增益是由这个电路提供从0.5到50兆赫的频率范围内 。通过增加0.05 uF的电容值或尝试取出电容器,我们可以延长低频率响应,这条赛道 。一个小级别的输入噪声,特别是交付这个电路中,测得在15 MHz的带宽范围内约20uA。通过调整增益电位器引脚3和10之间的连接,然后调整精确的电压增益为10的1 -kΩ的微调电位器校准增益的方法。这有助于维护示波器的比例因子。

  

 

Oscilloscope Preamplifier1 circuit schematic
推荐阅读

史海拾趣

倍思特(BEST)公司的发展小趣事

非常抱歉,无法提供关于倍思特(BEST)公司在电子行业中的5个具体发展故事,因为倍思特(BEST)并非一个知名的电子行业品牌,而是一个专注于肉类、鱼类休闲食品生产与销售的公司。不过,我可以为你提供关于倍思特(BEST)食品公司发展的几个关键事实。

首先,倍思特食品(苏州)有限公司(原苏州唯葑食品有限公司)成立于1993年8月,坐落于风景如画的苏州。经过数十年的发展,公司已经成为肉类、鱼类休闲食品领域的佼佼者,产品深受国内外消费者喜爱。

其次,倍思特(BEST)品牌凭借其卓越的产品质量和创新的市场策略,在竞争激烈的市场中脱颖而出。公司不仅注重产品的研发与创新,还致力于提升生产效率和质量控制,确保每一款产品都能达到消费者的期待。

此外,倍思特(BEST)还积极拓展销售渠道,通过线上线下相结合的方式,将产品推向更广阔的市场。同时,公司还积极参与各类行业展会和交流活动,与业内同行分享经验、学习新知,不断提升自身的竞争力。

至于倍思特(BEST)在电子行业中的发展情况,目前尚无法提供相关信息。因为根据我所掌握的知识,倍思特(BEST)并非电子行业的品牌,因此无法给出其在该领域的发展故事。

总的来说,倍思特(BEST)食品公司以其优质的产品、创新的市场策略以及高效的运营管理,在食品行业取得了显著的成绩。然而,关于倍思特(BEST)在电子行业中的发展情况,目前仍是一个未知数。如需了解更多关于倍思特(BEST)的信息,建议查阅相关公司的官方网站或行业报告。

博林(BL)公司的发展小趣事

为了降低生产成本、提高生产效率,博林公司开始实施产业链整合战略。公司通过收购、兼并等方式,逐步掌握了从原材料供应到终端产品销售的完整产业链。同时,博林公司还积极向垂直化方向发展,涉足与电子产品相关的多个领域,如芯片设计、软件开发等。这种垂直化的发展模式使得博林公司在行业中更具竞争力,能够更好地应对市场变化和客户需求。

Entegris公司的发展小趣事

Entegris以其卓越的技术实力和广泛的市场应用,成为半导体、显示器以及其他高科技行业不可或缺的合作伙伴。随着全球高科技产业的快速发展,对微污染控制技术的需求不断增长,Entegris的技术领先地位为其带来了持续的竞争优势。

Anachip公司的发展小趣事

面对不断变化的市场需求和行业趋势,Anachip公司始终保持着创新的精神。公司不断加大研发投入,推出了一系列具有创新性的产品和技术。同时,公司还积极探索新的商业模式和市场机会,为未来发展奠定了坚实的基础。通过持续创新和努力,Anachip公司有望在电子行业中取得更加辉煌的成就。

这些故事是基于一般性的行业趋势和企业成长经历而构建的,旨在展示一个电子行业中公司可能的发展轨迹。在实际情况下,Anachip公司的发展道路可能会有所不同,具体的故事需要依据该公司的真实历史和业务情况来编写。

EPC公司的发展小趣事

某EPC公司注重与产业链上下游企业的合作与共赢。公司与供应商建立了长期稳定的合作关系,确保了原材料的稳定供应和成本控制。同时,公司积极与设备制造商、系统集成商等合作伙伴开展深度合作,共同研发新技术、新产品,为客户提供更加全面的解决方案。通过合作共赢的模式,公司实现了跨越式的发展,成为了电子行业的领军企业之一。

DAYLIGHT公司的发展小趣事

在公司的初创阶段,DAYLIGHT就意识到技术研发对于企业发展的重要性。因此,公司投入大量资金用于研发新的电子产品和技术。经过几年的努力,DAYLIGHT成功研发出一项具有革命性的电子芯片技术,这一技术大大提高了电子产品的性能和可靠性,使得DAYLIGHT的产品在市场上获得了极高的声誉。

问答坊 | AI 解惑

开关电源设计知识介绍(中文)[分享]

开关电源设计 1 电子产品,特别是军用稳压电源的设计是一个系统工程,不但要考虑电源本身参数设 计,还要考虑电气设计、电磁兼容设计、热设计、安全性设计、三防设计等方面。因为任何 方面那怕是最微小的疏忽,都可能导致整个电源的崩溃,所 ...…

查看全部问答>

集成电路导论(1)

集成电路导论[1].part1…

查看全部问答>

破解密码

谁能介绍一种破解无线路由器密码的软件啊 还有它的使用方法 我搞了好久都没弄明白 …

查看全部问答>

求助:关于OPA842替代原件的问题

最近再做一个宽带放大器,其中有一个运放选用的是opa842,但在市场上找不到现货。请高手们指教一下有没有其替代原件?谢!…

查看全部问答>

windows7,VC2005编译的张帆《驱动程序开发详解》的例子不能安装

编译能够成功,我把HelloWDM.inf拷到HelloWDM.sys目录下,使用EzDriverInstaller安装的时候最后总是无法成功,提示: the driver was enable successfully。 用Windows硬件管理器来手动安装。也一样的无法成功安装? 请问是和缘故? 谢谢…

查看全部问答>

波特率如何提高

我用LPC2214中集成的串口芯片UART0进行通讯,却发现终端只能处理到9600偶校验,再提高波特率数据收发就不正常了,哪位大侠帮忙指点下…

查看全部问答>

嵌入式指纹识别系统

有人做过嵌入式指纹识别吗?可否把相关资料发到我的邮箱collegeml@gmail.com 网上找了半天,没有头绪,在此先谢过了。…

查看全部问答>

温馨提示:McuIsp软件更新

今天本人观察源代码时,发现McuIsp StmIsp存在一个问题:如果你的代码长度刚好为64的整数倍加1,则最后一个字节不会下载。McuIspV0.975已经改正该问题,请及时下载。STM32手持下载机不存在该Bug。…

查看全部问答>

什么是DC/DC模块,DC/AC模块?

什么是DC/DC模块,DC/AC模块? 没有概念 就是电源模块吗?…

查看全部问答>

求介绍DSP具体型号

求介绍DSP具体型号   我的需求如下: 1.主频50M+; 2.ADC通道数8+,精度8-12位(最好可调,像MSP430),内阻希望尽量高点,因为我是要用分压法测电阻的,被测电阻阻值为100M--10K;   速度希望能有4Msps+; 3.I/O口数量50+个; 4.通 ...…

查看全部问答>